Fórum témák
» Több friss téma |
Sziasztok!
Rotary encoder switchez (EC-11)szeretnék olyan áramkört ami logikusan megkülömbözteti a tekerés irányát szóval hogy jobbra avagy balra tekerem és ebből mind a két iranyba rövidzár szerű impulzusokra lenne szükségem. Nagyon régen nem építettem semmit de ha valaki valmilyen kapcsolassal segíteni tudna talán még megbirkózom vele. A lényeg: billentyűzet gombját váltaná ki tehát ha balra tekerem akkor pl a b-betűt nyomkodná ha jobbra akkor a v-betűt. Valami ilyesmi kapcsolás kellene. Segítségeteket előre is köszönöm.
Hello !
Ezt talán legjobb lenne egy egérrel megoldani + picike program ami az egér mozgását figyeli.
Igen gondoltam rá csak kb 6db kellene belőle ide. Simulator
Hello, ezekből ki tudsz indulni...
Egy görgős egérben két ilyen jeladót is találsz, és olcsóbb mintha alkatrészként vennéd meg, főleg ha bontásból valók.
3db golyós egér 1800Ftból megvan, kibányászod belőle, ahogy watt is mondja. Mondjuk ezek infrásak, tehát nem kattog, hanem szabadon pörög. Én piccel csinálnám, géphez soros vagy usb-n esetleg párhuzamos porton csatlakoztatnám, és írnék hozzá egy kis progit pc-re ami leszimulálja billenytűnyomkodást. Még sokminden másra is lehetne használni, egyéb beviteli dolgokat rákötni.
Mondjuk ezek a rotary enkóderek kapcsoló egy rablás, 700Ft. Csinálok kibelezett potiból. Maratok bele szép kis vonalkás nyákot
Nem értem pontosan a gondolatmeneted.
Szerinted egyszerűbb és működőképesebb encodereket építgetni mint fogni 3 egeret ami gyakorlatilag 6db encoder készen ?
Véleményem szerint, erre a célra egy egérből kiszerelt enkóder nem alkalmas! A EC-11-et ugyan nem ismerem, ha elég robosztus, akkor rendben, de egy léptetőmotoron is el lehetne gondolkodni, nálam ilyen célra jól bevált.
Szia!
Ilyen enkódert lehet vásárolni pl a Lomex-nél is. Ez annyit csinál, hogy fázisban eltolt négyszögjeleket ad ki magából. Rengetek leírás van róla a neten is. Ezt az enkódert egy kontrollerhez lenne célszerű kapcsolni, ami feldolgozná az enkódered jelét (megállapítaná a forgásirányt és a lépésszámot), valamint egy PC-s interface-re küldené a jeledet (Pl PS/2 vagy soros port). Kapcsolás viszonylag egyszerű. Az enkóderre pl 5V-ot kell kapcsolnod, majd kimeneteit a kontroller bemenetére kell vezetned. Az kommunikációs áramkör meg rajtad múlik, hogy mit szeretnél. Ha soros port akkor MAX 232, ha USB FT232 (ez virtuális soros port). Ha PS/2-őt választanál, akkor a google-n sok kapcsit találsz. Remélem tudtam segíteni! Üdv: MaGor
Köszönöm a segítséget. Kerestem én is a neten rajzokat. NEm szükséges sem az usb sem a ps2 port két sima relét meghajtva lenne a legtökéletesebb. Tehát a végét már látom hogy hogy kellene
de az eleje nem megy. A PIC es a forgásirány szétválasztása a komolyabb gond erre kerestem volna valami kész megoldást. A kapcsolok már megvannnak a LOMEX-ből rendeltem őket Ui: Szétbergelem az egereket! megpróbálom! De kár hogy csak RTV műszerész vagyok Idézet: „A lényeg: billentyűzet gombját váltaná ki tehát ha balra tekerem akkor pl a b-betűt nyomkodná” Idézet: „NEm szükséges sem az usb sem a ps2 port két sima relét meghajtva lenne a legtökéletesebb” Ezek szerint még képlékeny a dolog
A gépbe már bevan építve egy szétszedett billentyűzet ami magához a simulatorhoz már bevan confolva. Szal van még fölösleges ill üres bill rajta amit beconfolva tudnék erre a célra használni. Ezért nem kell a ps2/usb port.
Ne haragudjatok ha nagyon értetlenül mondom ...
nem akarok hülyeséget mondani, de kapu áramkörökkel nem lehet megoldani? csak így hirtelen eszembe jutott..
nah, azért viszonylag sikerült hülyeséget mondanom..
dc tároló kell pl 4013. Már azt sem tudom minek is hívják az ilyen áramköröket. Pedig tavaly tanultam és jó voltam belőle...
Nem mondtál hülyeséget. Elvileg ugy is megoldható!
Nekiestem egyetlen előkukázott görgős egeremnek kikaptam belőle az egyik szenzort aztután egy az egybe helyére kötöttem az encoder kapcsolót és láss csodát műxik ...DE!! ez nekem igy nem jó. Mert: először is a simulátor software nem támogatja az egér bizonyos funkciókban lévő használatát tehát a műszer jobba/balra tekergetését csak is bill gombal lehet működtetni/ billgombra lehet beállítani. Ez nem lenne baj ha az erre a célra legyártot ic valamelyik lábáról lelehetne szedni valami kis okos szintet de mivel hogy ez spec csak valószínű erre lett kitalálva (az egérben lévő ic) igy csak a bemenetek vannak meg a kimenet mar siman soros vagy usb-s vagy ps2-es.
Játékgépbe, és midi portos kormányvezérlős autós játékhoz mivel csinálják meg a kormány érzékelést?
Egy javaslat a címet kijavítani rotari encoder-re!
Egy klasszikus joystickben, vagy kormányban nem enkóderrel valósítják meg az elmozdulás érzékelését.
Medve! A rajz az első amit küldél sztem jó lesz! Reménykedem benne hogy lehet itt kapni Egerben azt a két (4013 4093) keményen 25 ft -os IC-t
.
Azért jó kis alkatrésztemetőt lehet ennek csinálni...
Rajzolgattam egy kicsit, össze nem raktam, de szimulátorban jó volt. Medve megoldása pár nagyságrenddel egyszerűbb...
Igen, csak egy kapu kell a kimenetére. Ivádinénál biztos lesz ilyen IC, de ha nem, akkor adok én neked. Én is egri vagyok...
Szia!
Természetesen meg lehet azzal is oldani a dolgot. Én is éppen ezen ügyködök, hogy implementálni tudjam VHDL-ben a kódot. Egyékbént létezik cél IC is a probléma megoldására, de sajnos nálunk nem beszerezhető és drága is.... Üdv: MaGor
Ahh de jo hogy egri vagy
mar nem is erzem magam elveszve. Irtam neked emil-t valaszolj leci thx.
Jajj! nem kell ennyire túl bonyolítani... Az az első kapcsolás nagyon is tökéletes. a CD4013-as Flip-Flop meg pont azt csinálja amit kell. A kimenetén a forgás iránytól függően vagy H, vagy L szint lesz.
kép Viszont ahol az órajel jön ki, azt a kapcsolást kell kicserélni ha jól emlékszem 2db XOR kapura és így dupla felbontás lesz. illetve így fog minden egyes kattanásra egy impulzust adni az órajel kimenetre. Hétvégén, de legkésőbb hétfőn előtúrom azt a kapcsolást. Amúgy egy TL494-es IC-ből vettem az ötletet, ha megnézitek, lehet rájöttök, hogy hogyan is megy...
Tudom, hogy túl bonyolult lett, álmosodtam, kavartam már tegnap... Az ilyen szép nagy rajzaimból a fele sosem szokott kelleni
Azt akartam összehozni, hogy minden egyes bemeneti változásra előálljon a helyes irány, és egy kimenő impulzus. A csatolt rajzzal nekem csak annyi bajom volt, hogy adott esetben több impulzust is várni kellett az irányváltás jelzéséig. Később még töröm a fejem
Most, hogy így gondolkodtam rajta, azthiszem csak 1db XOR kapu kell... A kép alapján bekötöd a bemeneteit a 4013-as IC 3-as és 5-ös lábára, ahova az encoder kapcsolódik, és ennyi. A kimenetén pedig ott lesz a normális órajel.
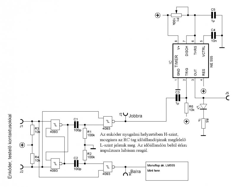
Itt egy lehetséges megoldás...Ha számlálót akarunk meghajtani, akkor elég csak a rajz bal oldala, a monoflopok, csak a relé meghajtásához nyújtják meg az impulzusokat. (Garantált kapcsolás!)
IGEN!!! Ezaz! erre van szükségem pontosan! Köszönöm Medve. Egyszerű és pontosan azt csinálja amit én szeretnék.
Szia Medve!
Ez a lepteto motoros encoder erdekelne. Kicsit bovebben ki tudnad fejteni, esetleg rajz? Hogyan is erzekeled az elfordulas iranyat pl nyomtatobol kitermelt unipolaris LM eseteben? A felbontas megmarad? Koszi.
Köszi Carlosfly!
Ktulu: A lényeg, hogy egy unipoláris (?) léptetőmotor ugyanolyan fázisú jeleket indukál, mint egy enkóder. Ezt felerősítve a hatás ugyanaz. Rajzot sajna műszaki okok miatt most nem tudok küldeni...
Ertem, koszi.
Ha lesz ra lehetoseged feltolteni, erdekelne a rajz. Foleg ha mar sikeresen hasznaltad. |
Bejelentkezés
Hirdetés |






de az eleje nem megy. A PIC es a forgásirány szétválasztása a komolyabb gond erre kerestem volna valami kész megoldást. A kapcsolok már megvannnak a LOMEX-ből rendeltem őket
dc tároló kell pl 4013. Már azt sem tudom minek is hívják az ilyen áramköröket. Pedig tavaly tanultam és jó voltam belőle... 






