Fórum témák
» Több friss téma |
Mielőtt kérdezel, a következő két dolgot ellenőrizd!
I. A helyes tápfeszültségek megléte.
II. A kimeneten van-e egyenfeszültség.
Élesztés.
A hangszínszabályzó a szélső állásokban elég jelentősen tolja a fázist. El tudom képzelni azt is, hogy a bemenet-kimenet huzalozásának egymásra hatásából alakul ki a gerjedés. Önmagukban az egységek lehetnek hibátlanok. Próbáld ki lezárt előerősítő bemenettel.
Sziasztok,
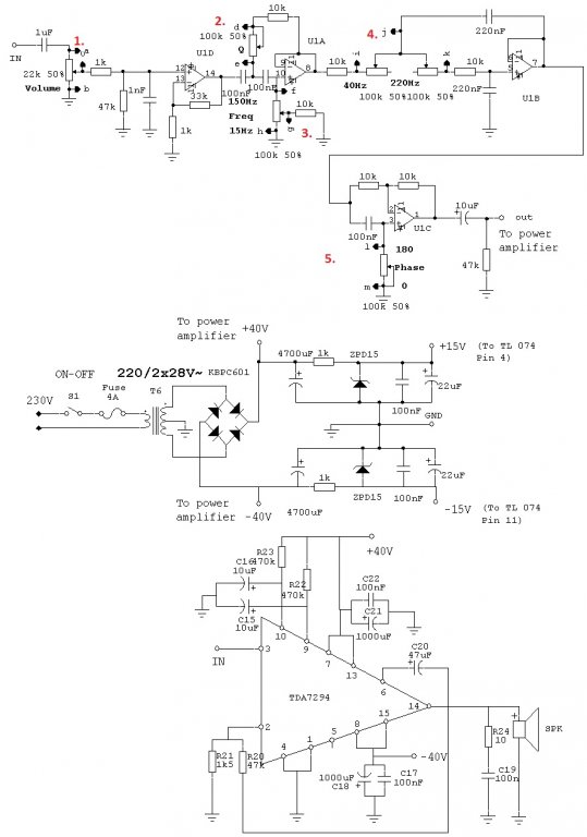
Megépítettem ezt az erősítőt. Mikor bekapcsoltam nem mindenféle hangot kiadott-mély, magas, recsegés) Mikor jel nélkül kapcsoltam akkor a membrán előreugrott és folyamatos zúgás mellett ott is maradt amíg áram alatt volt? Ilyenkor egyenfeszt kap valahogy? Valahogy ki lehet deríteni melyik részben van a probléma, táp, szűrő, vagy végfok?
kadarist már válaszolt itt: Bővebben: Link
Mutasd meg a nyákokat, amikre fel vannak építve az áramkörök. Lehet, hogy a rossz szerelés-nyákrajzolat okozza ezt rendellenességet.
NYÁK-ról itt vannak képek. Elég ronda lett a nyák, de összefolyás nincsen. Néhány forrsávot felszedtem de átkötéssel javítottam
Vannak érdekes hurkolások a forrasztási oldalon, meg kicsit átláthatatlan is. Próbáld először a végerősítőt éleszteni önmagában.
Sok a hideg forrasztás is rajta, meg az átkötéseket vágd le a lehető legrövidebbre.
Elfelejtettem mondani, hogy nagyon kezdő vagy, bár gondolom ezt észrevetted már. : )
Hogy önmagában élesszem a végerősítőt, akkor a szűrőt hagyjam ki a dologból? Eredményképp hogyan látom ,hogy megfelelően dolgozik-e? ( Magasszintű jelet kap) Köszönöm
Ha minden jó, akkor a hangszóró csendben van, de ha a bemenethez érsz az ujjaddal, akkor el kell kezdenie brummogni. És igen, a szűrő kimenetét ilyenkor ne kösd a végerősítő bemenetére.
A szűrő kimenet és a végfok IC bemenet közti kábelt átvágtam de így is kiugrik a membrán és közben zúg.
Szia. Mérj egyenfeszt, az erősítő kimenetén!
20voltos egyenfeszt mértem.
Leeht valami alkatrész okozza ezt? a panelt másodszor építem meg és az előzőnél is hasonló mértékő egyenfesz volt a kimeneten bemenő jel nélkül. Az alkatrészek nagy része is az előzőből öröklődött. Illetve csak a nagyobb/drágább darabok.
Milyen végfok ic van benne? Könnyen elképzelhető, hogy kuka mert kipurcant. Meg kellene nézni azt is, hogy meg kapja-e rendesen a tápot nem-e hiányzik valamelyik oldal.
tda7294 Az IC új( tegnap) +-30voltot meg is kapja.
Hát azt tudom mondani zárd rövidre az erősítő bemenetét, mérj úgy is egyenfeszt, és nézd át alaposan az alkatrészeket még egyszer különösen figyelve a polaritásokra! Ha tudsz tegyél fel képet a nyomtatás beültetés rajzról!
Rövidrezárást úgy kell érteni, hogy a két tápfesz egy az egyben mehet a nullába?
A jelbemetetet kösd földre (GND). Ez a rövidrezárás.
Nos amit feltettél rajzot onnan hiányzik valami, méghozzá a végfok bemenetéről egy 22k-os ellenállás. a 3. láb és a test (GND-re) kell forrasztani. Aztán egyenfesz mérés a kimeneten. Erősen gerjedhet az erősítő.
Nem találom a kapcsolási rajzon. Vagy nem én hagytam le hanem a az eredeti kapcsolásban sincs?
Nincs rajta az eredeti kapcsoláson de ha van egy 22k-os ellenállásod akkor forraszd be ahova írtam és próba!
Bakker.. 220k-nak láttam és azt forrasztottam be...
220kohm-os ellenállás után volt egyenfesz akimeneten.
Ott van az ellenállás, csak 47 Kohm-os formában, a bemeneti csatolókondenzátor után, a "to power amplifier" felirat mellett. Bővebben: Link
De azt az ellenállást oda forrasztodtad ahova írtam?
Az a 47kohmos az ottvan. Ott is volt.
![]() Nem tudom mit tudok másodszorra is így elrontani :S 30Volt egyenfesz a kimeneten...
Úgy forrasztottam oda, mint a 47kohmos is van a kap. rajzon. Csak éppen 220kohm-os lett de cserélni fogom ha kell.
Hát ezt mondom. De előfok nélkűl kellene oda forrasztani az ellenállást, hogy magához térjen az erősítő. De most már az is lehet, hogy végleg kipurcant.
|
Bejelentkezés
Hirdetés |














