Fórum témák

» Több friss téma
Fórum » Erősítő mindig és mindig
Mielőtt kérdezel, a következő két dolgot ellenőrizd! I. A helyes tápfeszültségek megléte. II. A kimeneten van-e egyenfeszültség. Élesztés.
Lapozás: OK   2129 / 2574
(#) Alkotó válasza Poolip hozzászólására (») Dec 23, 2018 / 1
 
A keresett eszköz az erősítő. Ekkora terheléshez találsz integrált megoldásokat. A fél Hertz lehet gond, de szinte biztosan nem tud a telefon ilyen jelet szolgáltatni.
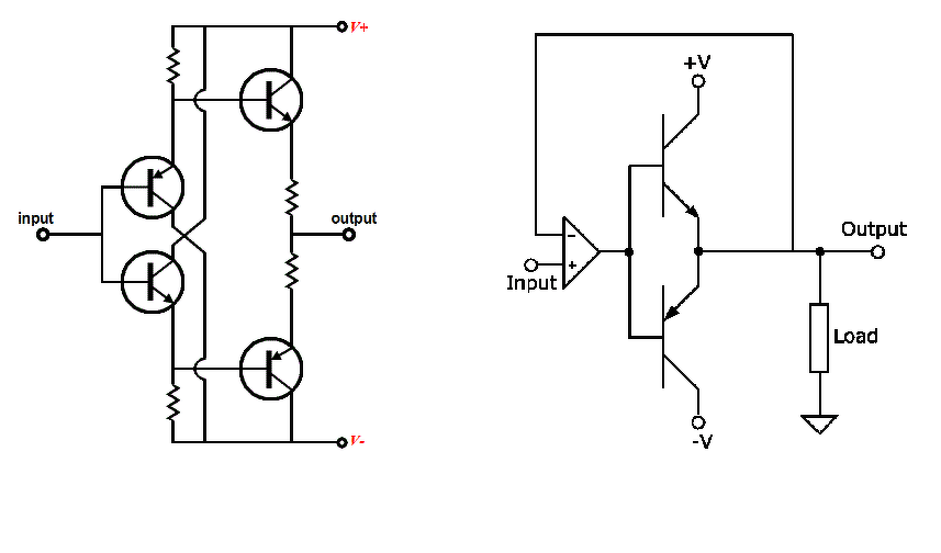
(#) reloop válasza Poolip hozzászólására (») Dec 23, 2018 / 1
 
Szia! Mellékelek két elvi kapcsolást.

Buffer.gif
    
(#) Poolip válasza pucuka hozzászólására (») Dec 23, 2018 /
 
Köszönöm a választ! A transzformátoros megoldás tetszik. A transzformátort az erősítő elé vagy utána kell betenni? Most itt úgy értettem, hogy az erősítő után.

Arra gondoltam, hogy veszek az Aliexpressen egy olcsó, de a célnak megfelelő tranzisztoros erősítőt majd megfelelő transzformátort is beszerzek vagy ha nem találok, akkor készítek.

Illesztésre a következő gondolatmenet helyes? : A mobiltelefonból kijövő jelre erősítőt kötök majd az erősítőt majdnem maximumra tekerem, persze az erősítőre (a mérés erejéig) egy nagy impedanciájú tekercset kötök előtte. Ebbe a terhelt állapotban megmérem az erősítő kimeneti feszültségét. Példa kedvéért mérek 8,5V feszültséget (szinusz jellel). Akkor a számomra igényelt (1A, 1V, 1Ohm) paraméterhez 8,5:1 es trafóval tudom illeszteni?
(#) pucuka válasza Poolip hozzászólására (») Dec 23, 2018 / 1
 
Erősítő nélkül nem úszod meg, mert a telefon 30 mW -ját 1 W -ra kell erősítened, ha van trafó, ha nincs. Számomra egyszerűbbnek tűnik egy olyan erősítő (buffer) építése, amely 1 A áramot képes leadni. Ilyenről mutattam linket, de hasonló a reloop kolléga által ajánlott megoldás is.
Ha a buffer végére olyan komplementer tranzisztor párt választasz, aminek a maximális árama nagyobb, mint 1 A, a célt elérted. Etttől még a trafós megoldás is szóba jöhet, de akkor problémád lesz a 0,5 Hz -es alsó határfrekvenciával. Ahhoz igen nagyméretű trafó kellene.
(#) Poolip válasza reloop hozzászólására (») Dec 23, 2018 /
 
Köszönöm az elvi kapcsolás rajzot! Esetleg tudtok itt a fórumon olyan kollégát aki ezt konkrétan megtervezné és esetleg megépítené nekem?
(#) Kovidivi válasza Poolip hozzászólására (») Dec 23, 2018 / 1
 
Megkérdezhetem, mi ez az 1Ohm-os tekercs, amit 1W-tal kell hajtanod? A telefon szinuszjelet generálna (gondolom már készen van az alkalmazás). Elég különlegesek az igények, és lehet, hogy teljesen felesleges 1Ohm-os tekercset és hozzá való erősítőt használni, ha meg lehet 8Ohm-ra is tekerni. Mekkora frekvenciájú jelekkel akarod a tekercset meghajtani?
(#) Poolip válasza pucuka hozzászólására (») Dec 23, 2018 /
 
Igen értem, hogy nem úszom meg erősítő vagy áramkör építése nélkül.

A 0,5 Hz re visszatérve egy kicsit mert ezt nem értem teljesen. Ha az okostelefonnal lejátszok egy WAV fájlt ami tisztán szinuszos, akkor ez a kimeneti jack dugón megjelenik. A nulla időpillanatban 0V, majd fél másodperc múlva +1V, egy másodperc múlva 0V, másfél másodpercnél -1V majd végül két másodpercnél megint +0V. Természetesen mondjuk ez 44,1 KHz-en és 16 bites felbontásban. Egy ilyen fél Hz-es szinusz jelet az erősítő miért nem fog tudni erősíteni? A felső korlátot értem a mintavételezés miatt, de az alsó korlátot nem értem. Megköszönném, ha nagy vonalakban el tudnád magyarázni. (egy kicsit kilógok itt a fórumon, mert nem szakterületem az elektronika, remélem elnézitek nekem)
(#) pucuka válasza Kovidivi hozzászólására (») Dec 23, 2018 / 1
 
A helyzet amúgy is érdekes, mert a telóból nem hiszem, hogy ki tud csikarni 1 V 0,5 Hz -et.
(#) Poolip válasza pucuka hozzászólására (») Dec 23, 2018 /
 
Elvileg RMS ben 1V, csúcsban 1,41V kijön a mobil jack dugóján max. kihangosításnál.

Itt egy youtube videó a mérésről:
okostelefon jack kimenet mérése:
(#) pucuka válasza Poolip hozzászólására (») Dec 23, 2018 / 1
 
Az erősítő, ha egyenáramúlag csatolt, akkor le fogja tudni adni a 0,5 Hz frekvenciát, Az aló határfrekvenciát a csatoló elemek (kondenzátor, trafó) korlátozzák. Egy mobil telefon a jobbak is, kb 80 - 100 Hz -től felfelé tudnak hangfrekvenciát kiadni maguktól, nagyjából illeszkedve a fülhallgató paramétereihez. 0,5 Hz átviteléhez akkora méretű csatoló kondik tartoznának, amik SMD kivitelben is méretesek, amúgy pedig szükségtelenek. Egy 20 -30 Hz -et lesugározni képes hangdoboz méretei igen nagyok, ezek meghajtására készült erősítők szoktak 20 - 30 Hz alsó határfrekvenciával rendelkező erősítőket használni. A 0,5 Hz az már erős túlzás, ilyen frekvenciájú jeleket egyenfeszültség (egyencsatolt) erősítőkkel szokás erősíteni.
Egyébként ez a frekvencia tartomány bőven kívül esik a hallható tartományon, mert ha hallanánk, megbolondulnánk a saját testhangjainktól. Az emberi fül alsó frekvenciája legjobb esetben is a tizenpár Hz -től indul.
0,5 Hz átvitele ipari szabályozás technikában fordul elő.
(#) pucuka válasza Poolip hozzászólására (») Dec 23, 2018 / 1
 
Valószínűleg elkerülte a figyelmedet, hogy a telefon kimenetére egy oszcilloszkóp bemenete csatlakozik, aminek a bemeneti impedanciája 1 Mohm. (a frekvencia pedig 1 kHz, és nem 0,5 Hz) A bemeneti ellenállás (impedancia) pedig azért ilyen magas, hogy ne terhelje a mérendő áramkört, így annak az üresjárási feszültségét méred. De Te egy 1 ohm ellenállást szeretnél meghajtani, ami pont egy milliószor kisebb ellenállás.
Ezesetben nem üresjárásban, hanem rövidzárban dolgozik, ill dolgozna, ha bírná. Rövidzár terhelést nem sok elektronikus eszköz visel el, kivéve, ha erre fel van készítve, pl. képes áramgenerátorként működni.
Mi is történik, ha egy autó akkumlátor sarkaira ráteszel egy 1 ohmos ellenállást? Valószínűleg lesz csitt csatt, meg szikrázás.
A hozzászólás módosítva: Dec 23, 2018
(#) Poolip válasza Kovidivi hozzászólására (») Dec 23, 2018 /
 
Köszönöm a kérdés felvetést! Teljesen igazad van. Eddig a gombhoz kerestem a nadrágot. Mentségemre legyen mondva, hogy nem tudtam, hogy milyen köztes eszközt kell alkalmazni.

Ez a készülék nem egy hangfal lesz hanem egy orvosi eszköz. Mágnesterápiás készülék. Már léteznek ilyenek gyárilag, de én sajátot akarok több ok miatt.

Lényeg, hogy van egy "egymenetes" tekercs amiről csatolok egy képet. Ezt a tekercset úgy kell méretezni, hogy 5cm távolságból 100 uT legyen a mágnesen térereje csúcsban. A tekercs többféle frekvenciával is meg lenne hajtva. 0,5 Hz es fűrészjellel, aztán 0,5 Hz es szinuszra ültetett 3 KHz es jellel is. Sokféle jellel akarok kísérletezni még, de a 20Hz alatti tartomány átvitele nagyon fontos lenne. A tekercs-térerő számításra készítettem egy primitív exceles számolód táblázatot amit csatolok. Arra is ügyelni kell, hogy a vezeték vastagsága tudja az az árammennyiséget, ne égjen el. (Ha túl vékony rézdrótot választok és az áram nagy marad.) Most akkor átgondolom és átírom úgy a számítást, hogy az ellenllás legyen fix. 8-Ohm és ehhez készítem a tekercset. Ja még az is kritérium, hogy a tekercs férjen el 10cm átmérőjű műanyagban, azaz a tekercs legnagyobb átmérője 10cm. Így a menetszám korlátozva van. A túlságosan vékony vezeték és sok menetszám még az elkészítést is nehezíti. Talán a burkolt vezetékkel jobb lenne dolgozni mert vastagabb és könyebb lenne elkészítenem a "tekercset".
(#) Poolip válasza pucuka hozzászólására (») Dec 23, 2018 /
 
Eszembe nem jutott a telefon jack dugójára 1-Ohm os ellenállásra kötni. Pont emiatt írtam ide, hogy mit tegyek közé, hogy minden jó legyen. És erre mondtatok is több megoldást. Nekem most meg kell emésztenem a sok információt.
(#) pucuka válasza Poolip hozzászólására (») Dec 23, 2018 / 1
 
Az erősítőn kívül egy jelgenerátort is kell készítened, pontosabban olyan jelgenerátort, ami előállítja az elképzelésed szerinti jelalakú jelet, és képes meghajtani a munkatekercsedet. Ezt egy áramgenerátor képes megtenni, ami a frekvencia, és a jelalaktól függetlenül képes a tekercsen a megfelelő áramot áthajtani.
Nem tudom, hogy mi a célod vele, de láttam már ilyesmit, a terápiás hatása a pcihológiai hatáson túl, nem sok.
(#) Poolip válasza pucuka hozzászólására (») Dec 23, 2018 /
 
Pont az okostelefont szeretném jelgenerátorként használni, mert akkor könnyedén tudom változtatni a jelalakot, frekvenciát. Nem egyetlen állandó frekvencián működik.

Nekem a gyári bevált, használt, de jobbat szeretnék. Meg kísérletezni is akarok vele.
(#) pucuka válasza Poolip hozzászólására (») Dec 23, 2018 / 1
 
Mint említettem, az okostelefon nem igazán jó erre. De egy generátort nem nagy gond elkészíteni, pl. egy NE(LM)555 áramkörrel. (színuszhoz hasonló jelet diódás vágóáramkörrel tudsz készíteni)Az áramgenerátor elkészítéséhez segítség Topi cikke, vagy egy feszültség stabilizátor adatlapján található áramgenerátor kapcsolás. Az NE555 által előállított frekvenciájú, és hullámformájú jelet a Q1 tranzisztorral párhuzamos, a fesz stab is test lába, és a test közé iktatott ellenállásra kell adni. (mehet a kísérletezés)
A hozzászólás módosítva: Dec 23, 2018
(#) Poolip válasza pucuka hozzászólására (») Dec 23, 2018 /
 
Nekem mindenképpen olyan jelforrás kell amit én számítógépen digitálisan létrehozok és egy fájlban tárolok. Itt nem csak a frekvencia számít, hanem a jelalak is, ráadásul időben folyamatosan változik.

Még azt nem értettem meg, hogy jelgenerátornak miért nem jó az okostelefon, még többször el kell olvasnom a válaszaidat és értelmeznem kell.
(#) elektroncso válasza Poolip hozzászólására (») Dec 23, 2018 / 1
 
Azért mert az okostelefonban hülye erősítő van, ami nem tud ilyen alacsony frekit kiadni magából. Ha tudna is akkor is komoly gondjaid volnának azzal, hogy ilyen széles frekvenciasávban nem lesz egyenes az amplitúdómenet, főleg nem négyszögjelnél. Ráadásul 20kHz-es négyszögjelet soha nem fogsz tudni előállítani telefonnal, mert ahhoz, hogy azt torzítás nélkül erősíteni tudd kb. 5MHz felső határfrekvenciájú erősítő kell. És akkor ott van még mindig, hogy a frekvencia változásával a kimeneti amplitúdó is változik. A telefonban lévő erősítő nem háromszög, négyszög jelekre van tervezve így ezeket nem is fogja tudni előállítani. Kb. 1kHz-ig még jó lesz az alak, de ahogy nő a frekvencia úgy torzul az egész és zuhan az amplitúdó.
(#) Poolip válasza elektroncso hozzászólására (») Dec 23, 2018 /
 
A frekvencia felső határ korlátaival tisztában vagyok csak az alsót nem értem, de elfogadom, hogy nem lehet okostelefonnal ezt átvinni.

Mellékelek egy ábrát amit mindenképpen tudnia kellene az erősítőnek, ez a "jeldarab" 33,3 ms os, azaz 30 Hz es. Ez ismétlődik, csak folyamatosan nagyobb amplitúdóval. Ezt tudni kellene úgy is, hogy ez a jelalak nem 30 Hz es, hanem 10 Hz, 5 Hz, 2 Hz, 0,5 Hz. Ezt a jelet elő tudom állítani 44,1 KHz es, 16 bites wav fájlként, de akkor ezt ugye azt elmondottak szerint hiába játszom le okostelefonnal, nem fog kijönni a jack dugón.

jel_08.jpg
    
(#) pucuka válasza Poolip hozzászólására (») Dec 23, 2018 / 1
 
Nem tudom, hogy van-e egy oszcilloszkópod, vagy hozzáférhető (ismerősnél) van-e. Azon kellene megnézned, hogy milyen jel jön ki a mobilodból.
(#) Poolip válasza pucuka hozzászólására (») Dec 23, 2018 /
 
Teljesen igazad van, megmérem ill. megméretem.
(#) tothbela válasza Poolip hozzászólására (») Dec 24, 2018 / 1
 
Szia! Bár a mobil alapból nem fogja tudni, de egy bluetooth vevő talán segíthet. Azt meg lehet hekkelni hogy DC-től induljon az átvitel. Ha digitálisan nem tartalmaz DC szervót, akkor semmi akadálya a 0,5Hz, vagy még alacsonyabb frekvencia átvitelének.
(#) Longa György hozzászólása Dec 24, 2018 /
 
Sziasztok! Több éve próbálkozok csöves előfokot illeszteni végerősítőkhöz. Először kvázi komplementer végű AET 453 keverő volt a kiválasztott. Tettszett nagyon a hangja, de havernak megtetszett az erősítő és elvitte. Másodszor TDA 7293-as végfok jött górcső alá.Na annak volt igazi hangja. Hamar rájöttem, hogy hosszú ideig nem lehet hallgatni, mert van benne valami leírhatatlan zavaró. Lehet csak megúnja az ember.Akkor jött a tranzisztoros sorozat. Mosfet, MJE tranzisztor páros, több jóhangú végfok, köztük a quad 405.Sajnos ezek nem egyszerre történtek, így összehasonlítás alap csak az emlékezet.Most ott tartok, hogy egy nagyon jó hangú tranzisztoros végfokot alakítanék kvázi komplementer végűre.segítséget kérnék, hogy mire figyeljek a két npn tranzisztor használatánál.Gondolom nem elég csak a pnp-t kivenni, és npn-t betenni. Próbáltam másik topikba kérdezni, de senki nem reagált.
(#) FerencziJ válasza Poolip hozzászólására (») Dec 24, 2018 / 1
 
Sziasztok!

Bocs, hogy beleszólok, én ezekre a frekvenciákra az audiotester progit használom. Audiót szoktam vele mérni. 0Hz-20kHz-ig (Amit a hangkártya tud) (Kombináltva, pl 5Hz +8kHz (dual sinus)) különböző jelalakok szinusz, fűrész, négyszög, fehér-rózsazaj, átvitel mérés stb..

üdv: fj
(#) pucuka válasza FerencziJ hozzászólására (») Dec 24, 2018 / 1
 
0,5 Hz -et kell átvinni/generálni. Ahhoz gyakorlatilag egyenfeszültséget kell átvinni az erősítőnek.
A hozzászólás módosítva: Dec 24, 2018
(#) mlaci989 válasza pucuka hozzászólására (») Dec 24, 2018 / 1
 
Ez így igaz. Engedtem már át 1Hz es színuszt érdekességként végfokon. A hangszóró membránja egész lassan lengett ki-be,meg szépen fűtött az erősítő. Meg ha 1 ohmra akarja terhelni
(#) FerencziJ válasza pucuka hozzászólására (») Dec 24, 2018 / 1
 
A generátor tudja, kérdés a hangkártya, és az erősítő......
(#) reloop válasza Longa György hozzászólására (») Dec 24, 2018 /
 
Szia! Nem tipikusan gitárerősítős a kérdésed, ide jobban illik.
Tedd fel az átalakítandó erősítő rajzát, szívesen átszerkesztem.
(#) Poolip válasza tothbela hozzászólására (») Dec 24, 2018 /
 
Köszönöm a hozzászólásokat, hétvégén ha minden igaz meg fogom tudni mérni. Nagyon kíváncsi leszek az eredményre. Megmérem a telefonon kijövő jelet közvetlenül és erősítőn keresztül is, terhelve és terheletlenül is.
(#) tothbela válasza Poolip hozzászólására (») Dec 24, 2018 / 1
 
Van más megoldás is. OTG kábel, meg egy külső 1 dolláros USB hangkártya. Van amiben eleve nincs csatolókondi. Ezek az olcsó "hangkártyák" bár nem audiofil minőségűek, de erre a célra tökéletesek. Erősítőt meg lehet csinálni DC-re. Az alacsony frekvencia és az alacsony terhelő impedancia miatt kicsatoló kondenzátor nem igazán jön számításba. Gondolom telepes tápellátás a cél, ekkor megoldás lehet egy hidalt erősítő. Legjobb lenne egy olyan, ami egyetlen li-ion celláról elmegy, így a mobilitás megoldott lenne. Ráadásul a mobiltöltővel a töltés is megoldható. Nem tudom egy ilyen kezelés milyen hosszú ideig tart, de ha sokáig, akkor nem gazdaságos elem(ek)et használni.
Következő: »»   2129 / 2574
Bejelentkezés

Belépés

Hirdetés
XDT.hu
Az oldalon sütiket használunk a helyes működéshez. Bővebb információt az adatvédelmi szabályzatban olvashatsz. Megértettem