Fórum témák
» Több friss téma |
Mielőtt kérdezel, a következő két dolgot ellenőrizd!
I. A helyes tápfeszültségek megléte.
II. A kimeneten van-e egyenfeszültség.
Élesztés.
Oda lehet írni bármit. Furcsán értelmezik ezek az osztályba sorolást. A Technics new class A erősítői sem "A" osztályúak, csak ott is csak annyi volt, hogy mindig folyt a végtranzisztorokon pár mA, tehát nem zárt le soha. A Quad405 végül is egy "A" osztályú, és egy dumper fokozat hibridje. Csak hát attól hogy az áram folyási szöge 360 fok, még nem "A" osztály. Pedig a definíció ezt írja. Csak azt nem írja, hogy közben ez az áram milyen összefüggésben kell álljon a kimeneti jellel. Ez a kiskapu, és máris rá lehet akasztani az "A" osztály nevet.
Aranyos a maga mivoltában, mért ne lehetne működésbe hozni, ha már ennyire megépítették.
Hát igen. Meglepően nagy hangereje van. Régi FBT hangszórókkal rendelkezik.
A megszokás nagy úr. Ha már egyszer így jó, akkor minek nyúljanak hozzá. Azért nem volt baj hogy nem kellett a munkapont beállításával vesződni. Egy olyan erősítőnél ami -15 fokon, meg +50-en is üzemel, ez nem utolsó dolog. Talán ez is szerepet játszott hogy elég sokáig kedvelt erősítő volt. Nem akartak belenyúlni. Talán nem is tudtak volna. Utána jöttek a laterális fetekkel épített erősítők. Ott maga a fet köszöni szépen jól érzi magát minden évszakban. Nem mászik el a munkapont. Na azzal is készült olyan kapcsolás, hogy magamba csikartam.
végfok Nem tudom mennyire látszik, de a differenciál erősítő áramát egy 3,3kOhm, és egy 4,7kOhm soros tag adja. 2X60V a táp. Azt hittem csak a rajzon írták el az értékeket. 4,7 helyett 47k-val éppen egyforma áram (0,6mA) folyt volna a differenciálfokozat két tranzisztorán, de így az elsőn 0,6mA, a másikon pedig 6,9mA. Ráadásul a két tranzisztort összepasztázták, meg egy darab zsugorcsővel is összehúzták a jó termikus együttfutás érdekében. Persze a szimmetrizáló trimmer koppanás közelében adja a kimeneti nulla voltot. De működik így is. Nálam is megfordult javítás miatt pár darab belőle. Basszuserősítőben alkalmazta Jim Marshall cége. Többnyire az előfok potméterei, meg a jack aljzatok hibái miatt kellett javítani. A végfok az változtatás nélkül tarolt a maga hibájával együtt.
Cseréld ki, hallgasd meg és döntsd el a hangzásbeli különbséget, ha nem jó cseréld vissza.
A hozzászólás módosítva: Ápr 16, 2019
Szia! Ha javítás miatt lenne a csere, akkor minden további nélkül mehetne bele. Viszont szerintem (nem akarlak visszatartani a szerelés örömétől) semmit nem fog változtatni rajta. Ugyan azokkal a paraméterekkel bír mind a két tipus. Ami különbözik, hogy a tokozás miatt hajszálnyival nagyobb disszipációt írnak rá. Ezek a szilícium lapkák már elnyerték az optimális rajzolatot. A gyártástechnológia kiforrt. A tokozásban tér el csak.
Sziasztok!
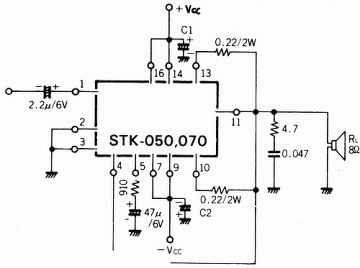
Van nekem egy STK-050 es erölködőm és nagyon sok a magas és szeretném a mély tartományt egy kicsit kiemelni nem kell hogy álitható legyen. Nem akarok bonyolult hangszint szabályzót elé tenni mert nincs hely a obozba meg nincs a trafón külön leágazás. Kondenzátor ellenálás páros kéne nekem. A hozzászólás módosítva: Ápr 16, 2019
Ugyan nem tudom mire használod, de olcsó húsnak híg a leve. Vagyis ami eddig volt, az más lesz.
El fog billenni a mérleg nyelve középről.
8 ohm 250w csücsül a végén 5 éve mély ládát hajtana meg amibe van pasziv váltó csak keveset szür.
Van ilyenem, basszust nem emel, viszont a magasat szűri. Holnap megkeresem. Ha megtalálom megosztom veled. Ezer éve nem használtam.
Azt hiszem ez volt az általam megépített: Bővebben: Link, de van állítható is : Bővebben: Link.
Szia! Igazából a kicsit nagyobb disszipációs képessége miatt már tetszik. A hangzás akkor marad, az nem gond. Köszönöm válaszod!
Kíváncsivá tettél. Annak ellenére hogy semmi változást nem fog okozni, mégis miért ragaszkodsz a cseréhez? Az említett maximális veszteségi teljesítmény különbsége abból adódik, hogy hajszálnyival nagyobb felületen érintkezhet a hűtővel. Viszont ez annyira kis különbség, hogy a csillámlemez vastagsága, vagy a paszta minősége jóval nagyobb nagyobb eltérést produkál mint a tranzisztor csere.
Sziasztok. Kaptam egy somogyi féle aktív hangfalból egy alkatrészt, annak a bekötéséről szeretnék egy kis segítséget kérni. Neten kerestem de nem igazán találtam róla semmit. Azt tudnom róla hogy az erősítőt ez vezérelte. Szeretném egy erősítő mellé beüzemelni. Ha valaki esetleg ismeri vagy tudna segíteni bekötni azt nagyon meg köszönném.
Ezek egy házimozi erősítő végtranzisztorai, viszont nem egy hagyományos erősítőé. Ki lett cserélve a trafója egy 3.5x nagyobbra és toroidra a lemez. A buffer 3x-ra, a diodahíd 3.5-re, a hűtőborda 3.5x nehezebbre és 30%-al nagyobb felületűre. A táp kábelezése, az áramköri lap nagyáramú része is fel lett javítva. Relop segítségével készült el és nagyon jó lett, nagy teljesítményen is stabil, de mivel ezzel a módosítással nem esik a tápfeszültség annyit amennyit beleterveztek az eredeti tapjába, így nagy teljesítményen jobban megterheli. Szóval ezért szeretném kicserélni, még az a 20W plusz disszipáció is lehet a hosszútávú biztonságos működés titka.
Ez egy Onkyo TX-NR646 - os. A hozzászólás módosítva: Ápr 19, 2019
Most már emlékszem rád. Így már érthető. Viszont ha már tunning, meg új tranzisztor szett vásárlás, én el gondolkodnék azon, hogyan lehetne még izmosabbá tenni. Ez a táp már nem csak 20%-al keményebb, így alacsonyabb terhelő impedanciát is elvisel komolyabb esés nélkül. Meg kellene nézni a kapcsolási rajzot, és ha a nem nagy kókányolás, talán lehetőség adódik dupla végtranzisztorok alkalmazására. Lehet hogy csak a front csatornákat kellene erre felkészíteni. Kicsit írj a felhasználásról, zene vagy film, esetleg játék hangja szól rajta, visszafogottan, esetleg padlógázzal izzítod. Első körben ha már úgy is tranzisztorokat vásárolsz, érdemes a párhuzamos darabokat ugyanolyan szériából összerakni. Tehát a meglévőkből is lehet gazdálkodni, meg az újakból is. Első gondolat, hogy mivel elég magas a borda, a mostani tranzisztorok felé lehetne szerelni egy sorral az extrákat. Ezekhez szükséged lesz még egy-egy emitter ellenállásra (a kapcsolási rajz alapján lehet eldönteni hová és mekkora).
A toroid trafó leszorító tárcsája és a fedél oldallapja közé tegyél szigetelést összeszerelés előtt, mert így indukciós hevítő lesz belőle. (Egymenetes tekercs.)
Ez a tranzisztor duplázás nagyon tetszik! Igazából egy csapásra megoldódna a szimpla tranzisztorok túlterhelése és ezzel párhuzamosan nagyobb teljesítményt is lehetne belőle kivenni! A hangfal készlet elég túlméretes, úgyhogy még az is adott, ehhez az erőhöz. A baj, hogy én azért ennyire nem értek hozzá, hogy ezt áttervezzem... Ehhez nekem segítség kellene. Esetleg segítenél egy ilyen munkálatban? Kivitelezésben vagyok inkább otthon, mert csak alapismereteim vannak ebben a szakmában. Sok féle erősítőt megépítettem, beállítottam, de mindig kész tervek alapján keszultek, amik bevált jól működő tervek voltak, rengeteget lejavítottam, 70-es évektől egészen a 2000-es évekig gyártottakból, de még sose próbálkoztam ilyennel.
A felhasználás zene és házimozi, átlagos felhasználás, azért néha elpörög a potméter.
Valami ilyesmire gondoltam. Személy szerint a gyári végtranzisztorok emitterében lévő 0,22 ohmos ellenállásokat 0,33 Ohmokra cserélném, és az újonnan berakottakhozt is ekkora értékűeket tennék. Így bár tranzisztoronként 2/3 áramnál kapcsolna be a túláram védelem, viszont a duplázás miatt valójában 1,333 szorosára nőne.
Valószínűleg nyugalmi áramot is újra kell állítani, de ezt csak a végén. Az öcsipanelt meg lehet csinálni végfokonként, vagy akár egy darabban is. Ezt a lehetőségekhez kell igazítani.
Sziasztok!
Van egy Crest Audio 4801 erősítőm, aminek kezdetben csak annyi baja volt, hogy a két oldal nem egyformán szólt. Ezt egy gyors szétszerelés és az display panelen lévő kondik cseréjével, valamint potik és csatlakozók takarításával megoldódott. Összeszerelés után viszont a ventilátor nem indul el. A PSU panelen az IC1 (LM317) forrósodik. A bemenetén 30V van, de a kimenete az szinte nulla (ott 14V-nak kellene lennie normál állapotban). Van ötletetek hol mehet el a buli?
Sziasztok!
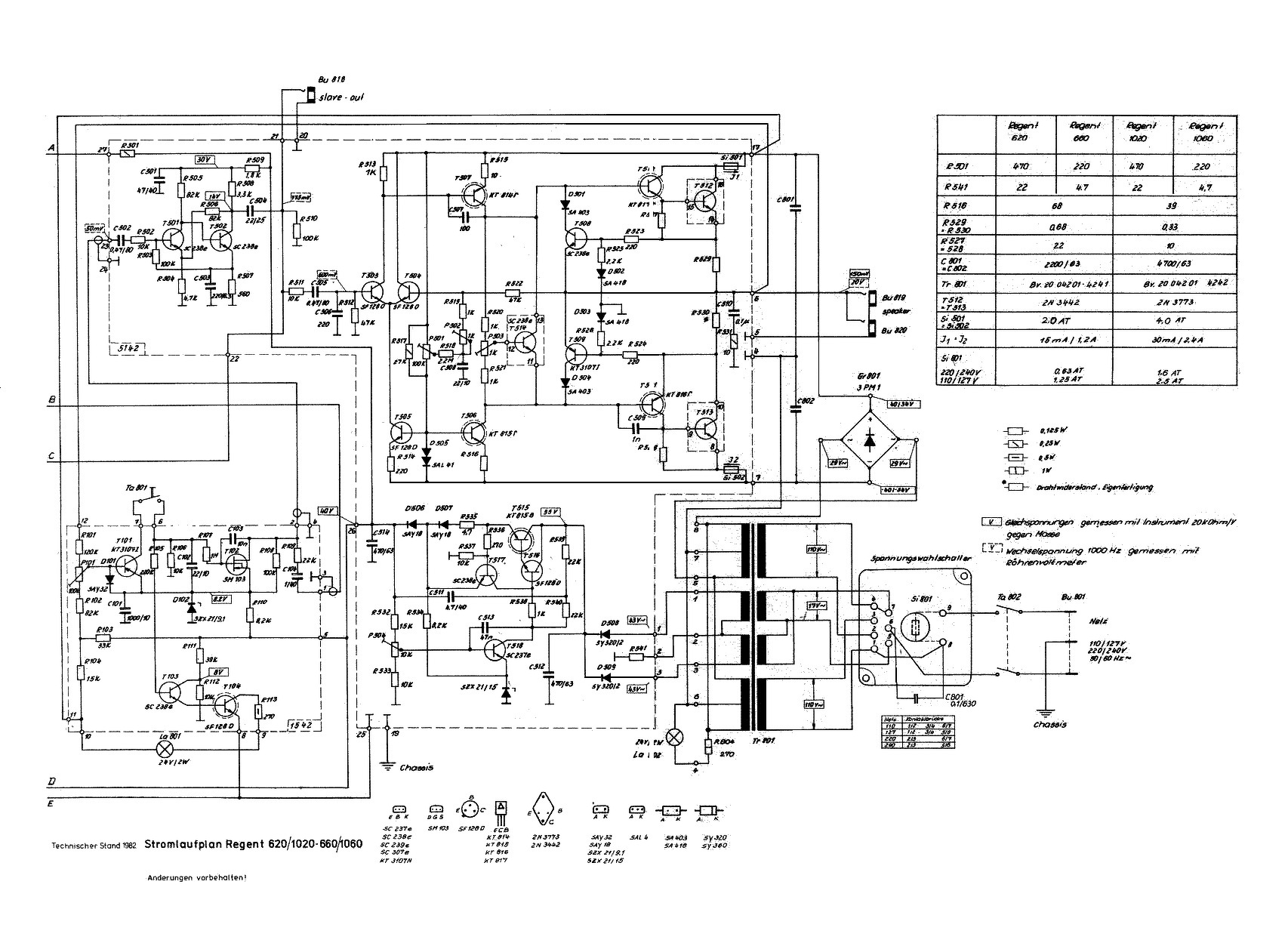
Szakik segítsetek mert idegbajt kapok. Egy vermona 620-ast kaptam romokban. Kibeleztem rendesen és nem maradt csak a végfok meg a tápja. Szó szerint csak a végfok maradt meg ami szól is csak az a bajom vele hogy ahogy elkezdem hajtani berecseg a hangba. Táp rendben van. Maga a végfok is szól rendesen de ha elkezdem hajtani akkor ilyen furcsa középhangon berecseg. Hol keressem a hibát? A végfokban egy száll kondit találtam elko-t azt cseréltem valamivel jobb de még mindíg kreccsen. A p303 a nyugalmiáramot állítja az oké de a 302-301 mit állít?
Szia! Mérd ki a D302, 303 diódákat!
A P301 a kimeneti egyenfeszültség nullázója, a P302 az erősítést állítja.
Egy 1987 készüléknél én az összes elektrolitkondit kicserélném.
Mert attól az 1 kondenzátortól recseg?
![]() @Dióda. Szerintem is védelem körül nézz körül, ahogyan reloop mester is javasolta, Meg vigyázz a nyugalmi áram állító trimerrel, mert ha nem érintkezik rendesen a csúszka, akkor az életveszély.
Minek? nem attól recseg. Munkapont/kivezérlés probléma, azon a kondik nem segítenek.
Természetesen, ha van hibás, azt ki kell cserélni, de kapásból mindet, annak semmi értelme. A hozzászólás módosítva: Ápr 21, 2019
Megjöttem elnézést a késésért.
Diódák mind jók kimértem. A trimmerek funkcióira még este későn rájöttem csak elfelejtődött írni ide. Nem tudok azóta sem rájönni miért krecseg az öregje. Azon gondolkozom hogy nem-e a tápegység miatt teszi ezt. Azért az a 2200mikrós puffer eléggé kevéske nem? |
Bejelentkezés
Hirdetés |











Ez egy Onkyo TX-NR646 - os. 












