Fórum témák
» Több friss téma |
Szia
Annyi pénzt megér, föleg ha nem bug, sokan használnak ilyen trafokat erősítőnek mert nagyon erősek.Még én azt mekérdezném a tulajtol, hogy a szekunder milyen vastag drotból van.Ha meg bulikba lesz akkor az nem zavaro ha egy kicsit búg.Egyébként a védelmet nem felejtetem el csak magamtol nem tom feltenni tárhelyre.
Nem ba még a réár
Meek megkérdezem milyen vastag drótból van a szekunder. Ahogy így ránézek egy kicsit vastagabb mint 1mm ahogy ránézek
Te milyennek látod ahogy meg van tekercselve? Mert én elég jónak.... Szerintem eléggé profi munka :yes: :yes: szerintem
Azert ne tulozzunk
![]() De korrekt. A szekunder meg nekem nem 1mm-esnek, hanem inkabb 2-esnek tunik. Szoval vedd meg, jo vetel.
Elöszőr még megkérdem a postaköltséget meg hogy ezt is ennyiért adja-e. Bepróbálkozok úgy hogy 2,5 postaköltséggel hátha
De örülök ha 2,5 ért ideadja mert ez jó trafó a bittos Legalább akko jól láttam hogy több mint 1mm. Te nemtudod hol lehetne Borsodba olcsón lakkozott rézdrótot venni? Nekem nem kell ilyen vastag mert én hangszórókat tekercselgetek Aztán ha már 2mm vastag drót van egy hangszóróba és 8ohm-os akko má az nagy hangszóró szőrnyen nagy lenne Vagy valahonnan rendelni esetleg?
A Villertnel lehet kapni, es nem kell feltetlen egy teljes bundot megvenni.
Sajnos csak ennyit tudok neked segiteni. www.villert.hu egyebkent
Jól láttad a trafó szekunder tekercs 2,2mm
Hello
Ha 2,2mm-es drotból van akkor simán elviszi a QUAD-ot.
csak vigyázz,nehogy valaki lecsapja az orrod elől. így dícsérgetni.... aztán ott a villámár, vki lenyomja, és hello elképzelés.én a helyedbe lenyomnám.3+1Eft-ért hol kapsz ekkora trafó?sehol... még 14óra izgalom
HE ne legyé azé ilyen köcsög.......... Tudod mi milyen jó haverok vagyunk
nem magamra gondolok! isten őrizz!
épp most szerválok trafót én is magamnak máshonnan épp ezért írtam,hogy nekem nagyon nem esne jól,ha a lebeszélt trafót valaki lecsapná a kezemről.ha gondolod, töröltesd ki nyugodtan a hozzászólásomat,nehogy valakinek ötletet adjak!tényleg!(de ha mégis így történne - én nem szóltam senkinek, nincs hozzá semmi közöm... )
hi
azt szeretném megkérdezni hogy zavarná-e az erősítőt ha a tápegyseg elé kötnék egy 230V hűtőventit? köszi
Sziasztok!
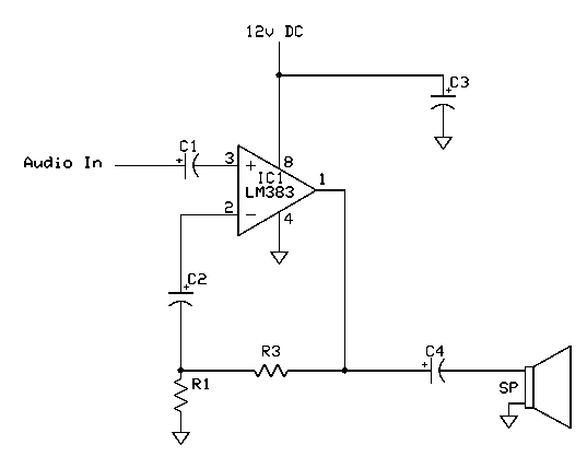
Azzal a kérdéssel fordulok hozzátok, hogy nem-e ismeri valaki ezt a kapcsrajzot mert ha megnézitek akkor látjátok hogy nincs megadva semmi adat és nekem csak ez van. :help: :nemtudom:
Google a barátod!
Bővebben: Link
Szia Gábor448
Az évkönyv amiben a védelmet találod ITT találod.Dióda segítségének köszönhetöen feltudtam tölteni.Jó lapozgatást.
Hello!
ha van egy erősítőm ,akkor arra ha rápakolok regeteg hangfalat , úgy, hogy 4ohm legyen az eredőimpedancia, akkor ugyanúgy el fogja hajtani a rengeteg hangfalat,mint egy db. 4ohmosat?(tudom,hogy igen, itt az a kérdés, hogy nem lesz-e az erősítőnek túl nagy terhelés, vagy nem jut elég szufla a hangfalaknak, esetleg a sok induktivitás miatt lesz valami? tehát minél több hangszóró milyen hatással van egy végfokra?)
Kössz
Megy az csak lehet hogy idő előtt akartad leszedni.
Gondolj bele eltert eggy ideig feltenni.
Helló! Erősítőnél szűrést szoktak alkalmazni a ventillátorra, hogy ne kerüljön bele a zaja az erősítő hangjába (de lehet, hogy csak akkor, ha a trafó szekunder oldalán csücsül)
Arpy
Helló!
Lehet, hogy érdemes megtekinteni Skori koppanásgátlóját, amit ő készített quadhoz. Szerintem az egyszerűbb, mint az itt említett. Van tranyós és fetes változata is. Véd a bekapcsoláskori nem stabil állapottól, kikapcsoláskor ahogy elkezd csökkeni a tápfesz, lekapcsolja a hangfalakat, és véd a kimeneten megjelenő dc-től is (hogyha véletlenül tönkremenne a végfok...) Bővebben: Link Arpy
Csak nekem arra is kell védelem hogyha a kimenetem rövidzár van... Mert néha szokott és gyakrabban égne le a végfok mint a hangfal.....
Jah értem. Elgondolkodtató, hogy lehet, hogy nekem is valami ilyesfajta koppanásgátlót kellene építenem a jövöben készülő erősítőmbe. Elkészítve quadok vannak, de nem tudom, hogy ezt fogom-e berakni... lehet, hogy VF2-t fogok építeni, mert nagyon megtetszettek a tulajdonságai.
Arpy
Mert nekem buliba kell aztán a folyamatos terhelést nem szeretik a somogyi hangváltók
Kondik robbannak meg ilyenek vagy a rosszabbik kiszárad és lezárja a kimenetet. De hogy zárlatos lesz az a hangszóróval is néha megesik.... Neked is buliba kell a cucc?
Nem, csak otthoni használatra.
De azért szeretem én is időnként meghajtani egy kicsit a hangfalakat. Hmmm.... ilyenről még nem hallottam, hogy hangváltó rövidre zárja a kimenetet. Érdekes... Nah megyek elteszem magamat holnapra.... azaz mára... BYeBYe jó eight Arpy
Nekem má nem egy csinálta. Általába a mély hangváltók szokták mert ott van a kimeneten kersztbe egy kondi aztán az kiszárad és baszogassa lefele az erősítőt
Ezért nem szeretema somogyi hangváltókat. Otthonra tökéletes de buliba nem megbízható....... |
Bejelentkezés
Hirdetés |






