Fórum témák

» Több friss téma
Fórum » Ez milyen alkatrész-készülék?
 
Témaindító: csaby, idő: Dec 25, 2005
Témakörök:
Lapozás: OK   1047 / 1199
(#) Patópali válasza spgabor hozzászólására (») Nov 8, 2021 /
 
Az adatlapon ott vannak az értékek.
(#) spgabor válasza nedudgi hozzászólására (») Nov 9, 2021 /
 
Szia, mellékeltem két képet. Egyet a panelről, egyet pedig a panel kapcsolási rajzáról, ahogy végkövettem a nyákon.
(#) proli007 válasza spgabor hozzászólására (») Nov 9, 2021 / 2
 
Hello! Én másnak látom a rajzot. Persze értékeket nem tudom..

Lámpa.png
    
(#) spgabor válasza proli007 hozzászólására (») Nov 9, 2021 /
 
Kicsit joban szétszedtem. A kondit 47pF-nak mértem, tettem be helyette egy 63 pF-osat, mert kivételkor egyik vezető része megsérült az eredetinek és az van itthon. A rajz tényleg nálad helyes, köszönöm, hogy kijavítottad.
Az npn és a pnp tranzisztorok mindegy milyenek, mármint egy általános tranzisztor is jó bele?
(#) proli007 válasza spgabor hozzászólására (») Nov 9, 2021 /
 
Fogalmam sincs, nem tudom a lámpa mekkora teljesítményű, de nagy nem lehet. Talán valami kapcsolóüzemű tranyó illene bele, mint a 2N3904/06. Ki kell próbálni.
(#) nedudgi válasza spgabor hozzászólására (») Nov 9, 2021 /
 
A másik oldal is érdekes lehet, többek között milyen a LED, az induktivitás.
(#) spgabor válasza proli007 hozzászólására (») Nov 9, 2021 /
 
Kicseréltem a két kondit ezekre, mert vannak itthon. A kondi, az ellenállás és a led jók, de az npn tranzisztor megsült benne, valami nem jó így.
(#) jethro hozzászólása Nov 9, 2021 /
 
Sziasztok.A taurus mycook 1800sh hibakódokat nem ismeri valaki.
(#) proli007 válasza spgabor hozzászólására (») Nov 9, 2021 /
 
Nagyon nem csodálom, mert szabad az út a kollektor-emitter-bázis-emitter felé a táptól. Se nem tudni mi is van a tokokban. Az is lehet hogy az NPN egy logikai tranyó, aminek beépített bázisellenállása van.
(#) Patópali válasza proli007 hozzászólására (») Nov 9, 2021 /
 
Ilyet találtam: L. csatolmány.
Az smd npn tranzisztor lehet (valószínű), hogy digitális tranzisztor.
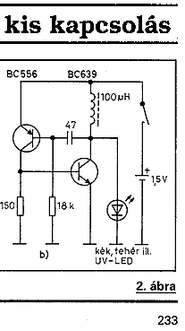
Azért nincs a rajzotokon a 150 Ohm- os ellenállás.?
A hozzászólás módosítva: Nov 9, 2021

ledm-he2.gif
    
(#) spgabor válasza Patópali hozzászólására (») Nov 9, 2021 /
 
Akkor ha belerakom a plusz ellenállást, akár jó is lehet?
Már azon is gondolkodtam, hogy egy kevesebb és ismert alkatrészt tartalmazó tervvel csinálok új nyákot. Szerintetek?
(#) proli007 válasza Patópali hozzászólására (») Nov 9, 2021 /
 
Hello! Esetleg a 150 Ohm is segíthet a problémán. Mert a 20k kb. 40uA bázisáramot biztosít. Ha a BC556 bétája 200 körül van, akkor az már 8mA bázisáramot biztosít a BC337-nek. Az erre az áramra biztos hogy szaturál, tehát annyira kinyit, hogy a rezgés képtelen megindulni. Ha csökkentjük a bázisáramot analóg módba állhat be a munkapont és a zaj+erősítés miatt elindulhat az oszcilláció. Ez a hiba relaxációs oszcillátoroknál is fenn szokott állni.
(#) Patópali válasza proli007 hozzászólására (») Nov 9, 2021 /
 
Szia!
Amit mellékeltem csak szemléltetés miatt tettem be. Szerintem az eredeti lámpában a Te általad vélt NPN digit tranzisztorról lehet szó. Ott a bázis -emitter között és a bázis bemeneten gyárilag vannak ellenállások.
Üdv.
A hozzászólás módosítva: Nov 9, 2021
(#) spgabor válasza Patópali hozzászólására (») Nov 9, 2021 /
 
Sziasztok!
Az a baj, hogy az eredeti alkatrészt sajnos nem ismerjük, mert nem azonosítható be pontosan. Az npn tranzisztoron 1A szerepel, azt sikerült beazonosítani, de a PNP-t nem sajnos. Ezért is gondolkodtam egy másik építésén és nem kellene tippelgetni.
(#) Patópali válasza spgabor hozzászólására (») Nov 9, 2021 /
 
Szia!
Ez már a Te döntésedtől függ.
Sok sikert.
Üdv.
(#) nedudgi válasza spgabor hozzászólására (») Nov 9, 2021 /
 
Még mindig piszkálja a csőrömet a panel másik oldala. Körülbelül négy alkatrészláb megy át a túloldalra, erre utal a négy-öt bumszli forrasztás. Lehet, hogy ezek közül egy valószínűleg csak a rugót tartja, de maradt még négy. Azt sem tudjuk, milyen LED van az alanyban.
(#) spgabor válasza nedudgi hozzászólására (») Nov 9, 2021 /
 
Szia,
a LED-ről semmi infóm nincs. A furatszerelt alkatrészek a led két pólusa és a tekercs két pólusa. Más nincs a túloldalon.
(#) Patópali válasza spgabor hozzászólására (») Nov 10, 2021 /
 
De ismert, fentebb írtam a linkkel együtt.
A4G = MHBT1015G. Ha így beírod a keresőbe( Gugli) megtalálod a katalógus adatokat is.
A hozzászólás módosítva: Nov 10, 2021
(#) Patópali válasza spgabor hozzászólására (») Nov 10, 2021 / 1
 
Unatkoztam és össze drótoztam az általam mellékelt kapcsolást és működik. 1,5 Volt ról kigyújtja a 10 W -os ledet is.
Az npn nek 1A lett betéve, a pnp bc556 volt. A 180 Ohm kell a kapcsolásba.
Az npn tranzisztorra csa1A van írva? Rosszul látszik a képen.
A hozzászólás módosítva: Nov 10, 2021
(#) kiborg hozzászólása Nov 11, 2021 /
 
Sziasztok!

Mi a magyar neve annak a cuccnak, ami a nagyáruházakban van és azon van rajta az ára,cikkszám ? Nem a papír alapúra gondolok, hanem amiben e-papír van, frissíthető.
Az angol neve: Electronic Shelf Labels. Tudtok-e esetleg magyar forgalmazót?
Köszi.
(#) Patópali válasza kiborg hozzászólására (») Nov 11, 2021 /
 
Szia!
Így keress rá a Gugli -ban: Elektronikus polccímkék (Google fordítóval egyszerű).
(#) kiborg válasza Patópali hozzászólására (») Nov 11, 2021 /
 
Köszi.
(#) spgabor válasza Patópali hozzászólására (») Nov 11, 2021 /
 
MHBT1015G-vel nem találtam nem kínai oldalt, adatlapot meg egyet sem. Vagy rosszul kerestem.
Igen, 1A van csak rajta.
A hozzászólás módosítva: Nov 11, 2021
(#) Patópali válasza spgabor hozzászólására (») Nov 11, 2021 /
 
Most látom a lap alján a hirdetést. Az MMBT4403 kapható a HESTOR -ban is!
(#) Patópali válasza Patópali hozzászólására (») Nov 11, 2021 /
 
Ezt jól benéztem!

Nem MHBT1015G, hanem HMBT1015G

http://www.smdmark.com/en-US/smd-code-a4g.html

Bocsánat!
Üdv.
A hozzászólás módosítva: Nov 11, 2021
(#) Fidel hozzászólása Nov 11, 2021 /
 
Sziasztok!
Lehet valahol kapni bimetál kapcsolót, ami záró és ~150-200°C-t tud?
(#) spgabor válasza Patópali hozzászólására (») Nov 11, 2021 /
 
Köszönöm az információkat, ez alapján megcsinálom majd.
(#) Patópali válasza spgabor hozzászólására (») Nov 11, 2021 /
 
Találtam még egy katalógus listát amiben a 1015G -re kapcsoló tranzisztort ír, de a katalógus letöltése után csak a 1015 -öt hozza.
Iszonyú káosz van az SMD alkatrészek beazonosítását illetően.
Sajnálom, hogy érdemben nem tudtam segíteni!
Üdv.
(#) pipi válasza Fidel hozzászólására (») Nov 11, 2021 /
 
A keresőszó inkább termosztát
https://www.hestore.hu/search.php?q=termoszt%C3%A1t
Hqelektronika, Orczy alk. áruház stb
Kismillió féle kivitel...
(#) spgabor válasza Patópali hozzászólására (») Nov 12, 2021 /
 
De segítettél, és köszönöm, hogy ennyi időt szenteltél rá.
Következő: »»   1047 / 1199
Bejelentkezés

Belépés

Hirdetés
XDT.hu
Az oldalon sütiket használunk a helyes működéshez. Bővebb információt az adatvédelmi szabályzatban olvashatsz. Megértettem