Fórum témák
» Több friss téma |
Sziasztok!
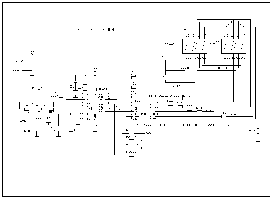
Egy kis segítséget kérnék tőletek. A panel az alábbi ic-ket tartalmazza. A témában jártasok között -állítólag- ismert szerkezet (én nem tartozom közéjük).ELKON U-400-ból. IC 1: C520D WN IC 2: 7447PC MEV70920 Mi szükséges még ehhez a panelhez hogy tudjam vele mérni a gépkocsimban folyamatosan a pillanatnyi feszültséget? A panelről készült nem túl jó minőségű kép mellékelve.
Szia!
Szinte semmi sem kell,bár nem tudom-ha 5V-os a műszer akkor kell egy stabkocka 14V-ról 5V-ot előállítani,meg esetleg a bemenetre két ellenállás-osztónak. Ez egy komplett voltmérőnek tűnik. Az egyetlen gondot az jelentheti,hogy nem biztos az ,hogy a mért feszültség földpontja összeköthető a tápfeszültség földjével. Nem tudom sajnos,de közel jár ahhoz,hogy a kocsiban voltmérő legyen. A kérdés inkább az: minek kell mindez?
Szia !
Az áramkör rajzát nézve valóban szinte semmi. Egy stabkocka kell mellé, ami 5 voltot csinál az áramkörnek.Szerintem még bemeneti osztó sem kell. Ez is rajt van a panelen(R3-R19) A földpontok lehetnek közös potenciálon. (Feszmérés gnd/test) Az Ain ponta mehet a mérendő feszültség. (Pozitív akkusaru) Üdv ! Luki
Mindenesetre nem árt szűrni a mérendő feszültséget egy RC taggal. Pl. 1k és 100uF
Hellosztok!
Énis kocsiba akarok építeni feszültség mérőt. Olyat ami a topikba van nem akarok építeni, hanem inkább egy egyszerübbet. Pl ami az oldalon van. Csak nekem elég lenne 20V-ig mérni. Az megoldható hogy esetleg 1 tizedesig is mérjen? És mitkéne változtatni rajta akkor?
Ha elolvastad volna a hozzá írt szöveget, akkor megtaláltad volna, hogy mit kell ahhoz változtatni, hogy 20V legyen a méréshatár
Ja igen az ott van hogy R3-at kell változtatni. De akkor hogy fog kinézni? Tehát mér tizedet, esetleg századot is? Vagy csak egészet? Mert akkor az első két kijelzőt elislehetne hagyni nemde?
Az IC mindig 2V tartományt mér. Ha te 2000V-ot osztasz le, akkor 2000V-ig fog mutatni. Ha 20V-ot osztasz le, akkor 20V-ig fog mutatni. Azt pontot kell bekapcsolni, hogy xx.xx formában legyen a kijelzőn levő érték.
Ja értem. Mert azt hittem hogy ha beállítom 20V-os méréshatárra akkor pl "12.34V"-ot így jelez majd: "0012".
De ha mér tizedet is akkor rendben van. Kösz.
Tiszteletem! Pár napja megépítettem az alábbi kapcsolást, de nem megy. Rendesen a ledek sorban kéne kigyúljanak, a feszültség nagyságának megfelelően. De nálam nem így van, hanem minden ledem ég, akármekkora feszültséget is adok rá. Egy LM311, s egyLM 324-es ic vel oldottam meg a kapcsolást. Ezt meg lehet találni a KAPCSOLÁSOK topikban... Valaki tud segíteni?
|
Bejelentkezés
Hirdetés |












