Fórum témák
» Több friss téma |
Most viszont meg vagyok lőve. A Skori féle tesztet végrehajtva mind a két FET jónak tűnik.Valami ötlet?
Hali! K2455 .A két kapcsolást felraktam egy áramkör tervező progiba .Na most jött a káosz.A két nyomógombot berakva a zöld led rögtön világítani kezdett pedig még nem is volt lenyomva. A G és a S (negatív)beraktam egy 100M ellenállást akkor viszont sima kapcsolót szimulált.Nyomógomb be LED BE nyomógomb elenged LED kialszik.
Esetleg nem erről van szó? A G-S közötti védődiódákon szivároghat el a gate-töltés, vagy egyéb szerelési ellenállás miatt zár le a FET egy idő után. Ez normális jelenség, a tranyóval nincs semmi baj.
Hali A franc aki megeszi ,másik adatlapot nyitottam meg
így már minden világos DE, ha jól emlékszem a D-S között nem mértem diódát pedig kellett volna.
Ez egy kétirányú Zenerdióda. Huszon vagy harmincakármennyi volton nyit csak ki, mindkét irányba.
Hello mindenkinek,
Olyan kérdésem merült fel hogy hogyan tudom megmérni a Fet-et hogy jó-e még vagy sem, mert van egy pár kiszerelt régi fetem és fel szeretném őket használni, csak nem tudom hogy jók-e még. Válaszokat és ötleket szívesen elolvasom. Előre is köszönöm.
Multiméterrel, a gate és a másik két láb között szakadást, a G-S lábak között egyik irányban egy diódányi feszt, másik irányban szakadást mérsz akkor valószínűleg jó.
Ez csak akkor igaz, ha van a FET -ben védő dióda. Ha nincs, akkor szakadást, vagy legalábbis jó nagy ellenállást kell mérni minden irányban. És hát más értéket kapsz növekményes, és kiürítéses FET mérésénél. Praktikusan a csatorna ellenállást a D - S között mérni, csak úgy lehet, ha egy egyszerű áramkörben megfelelően vezérled a FET -et, nyitásban, zárásban. Sajnos egyszerűbben nem lehet.
Kérdés/kérés:
Ha valaki tudna egy linket vagy jól látható képet fell nézetből (ahol látszik a panelrajz is), hogy jól kötöttem-e be a 3 lábú FET-et azt előre is köszönöm. Mi/nek kéne/ történ/nie/ik ha rosszul kötöm be?
Sziasztok
Elővettem egy pár IRF3205 Mosfet-et, elkezdtem ellenőrizni, hogy jók e. Skori azt írja: ohm mérő (dióda állásban) D-S közé. G-S rövidre zárva. Ekkor az egyik irányba szakadást kell mérni (D+) a másik irányban a D-S közötti dióda vezet. Ha nem ezt méred -> kuka. Nekem a G-S rövidre zárás nélkül is azt tapasztaltam mint rövidre zárva. Akkor most jók vagy mehetnek a kukába??
üdv
biztos volt már 1000x a kérdés de szeretném ha vki még1x leírná nekem ![]() 8 lábú fet kimérése hogyan kivitelezhető,multiméterrel ki lehet e mérni ha igen , milyen értéket kell mérnem és mely lábakon. Kivenni szükséges e vagy maradhat beforrasztva úgy is ki lehet mérni? Ha multiméterrel nem lehet kimérni milyen eszköz szükséges hozzá,milyen műszer? Még egyszer köszönöm ha vki le tudja nekem ezt írni.
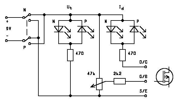
Egy ilyesmi eszközzel szoktam megnézni a feteket, a potit tekerve szépen látszik a LED-en ahogy kinyit illetve lezár. Egyszerű és nagyszerű.
az hogy egy fet vagy tranyo jo vagy rosz, századrangu kérdés. megmérem müszerrel oszt jolvan. ha kell, csere. de mi van ha egy marék fetet kell párhuzamosan kötni. illene válogatni öket, nyitofeszre, vagy draináramra. aztán néha ellenörizni kéne a feszültség türését is. (second breakdown) ide kellene egy jo kis müszer.
Akkor építs egy paraméter mérő készüléket. A kapcsoláshoz ötleteket az adatlapokból meríthetsz, mert ott definiálják a paraméterek mérési módszereit. Egyébként kerülni kellene ha csak lehet a "marék" bármilyen félvezető párhuzamos kapcsolását, mert a paramétereik egy ponton hiába egyeznek, ha a többiben eltérnek. Márpedig általában ez a helyzet, ha nem te vagy maga a gyár.
Átfutottam a témát, és az első oldalon lévő kapcsolás valóban szuper, de ha jól értelmezem, csak MOSFET-hez használható. Miként tudnék ellenőrizni JFET-eket, hogy megfelelően működnek-e? (Konkrétan BF256C típussal van jelenleg problémám.) Van valami hasonló egyszerű kapcsolás?
Válaszaitokat előre is köszönöm!
A JFET -ben egy réteg van, ezt lehet ellenőrizni mint egy diódát. A D és S között ellenállást kell mérjél, mindkét irányban egyformát, de hogy mennyit, arra nézve nincs adat. Ezért ez így bizonytalan, legjobb ha építesz egy áramkört vele, és megnézed, hogy a gate vezérel-e, és ha igen mennyit. Ezt hasonlíthatod a katalógus adatokhoz.
Köszönöm a választ!
Én is így álltam neki. A problémába ott ütköztem bele, hogy nem tudom, milyen lenne a legmegfelelőbb áramkör erre a célra. Egy univerzális lenne a legszuperebb, ha ilyet lehetséges építeni.
Hello!van nekem egy irfp450-em es nemtudom hogy jok-e,ki lehet mérni azoka8t?
Szia!
Menj a 6. FET Tester - VGS Measurement Tool-ra és építsd meg a kapcsolást. Ezen kívül találhatsz még rengeteg teszter kapcsolást, ami jFET-hez illik. A hozzászólás módosítva: Feb 3, 2013
|
Bejelentkezés
Hirdetés |




így már minden világos DE, ha jól emlékszem a D-S között nem mértem diódát pedig kellett volna. 






