Fórum témák
» Több friss téma |
Üdv!
Térvezérlésű tranzisztor kimérésére kérnék mérési módszereket! Ellenőrizni, hogy az adott tranzisztor jó-e?
Legyen egy kis reklám is Skorinak,a köszönet mellé:
Bővebben: Link
A "Skori" korrekt.
Lehet még "dinamikus" vizsgálat. 1..2kOhm-on keresztül tápfeszültséget adva (5...15V) az eszközre a "GATE" re ujjal rálépve a munkaellenálláson elnégyszögesedett 50Hz-es jelet mérhetünk. Ha jó az eszköz. Ez nem egészen elegáns,mert kedvezőtlen esetben pontosan ezzel tehető tönkre az eszköz. Ézért úgy illik,hogy valamilyen generátorral pótoljuk az ujjacskánkat. Ekkor azomban már "GATE"-ellenállás is kell; 100k-1M a föld felé.
Vagy esetleg az itt már többször közölt kapcsolás!
Szevasz!
Én pedig ilyet használok
A két kapcsoló egymástól függetlenül működik?
Ha az szeretném, hogy működjön, akkor kapcsolom az on-kapcsolót. De off marad rövidre zárva?
Szerintem ezek sima záró nyomógombok. Ha az on-t megnyomod, akkor addig vezet a fet, amíg le nem "reseteled" az off-al. Persze csak akkor ha működik.
De akkor nem lenne egyszerűbb csak egy sima kapcsoló?
Nem. Pont hogy így az egyszerűbb, nyomógombbal.
Építsd meg és rá fogsz jönni, hogyan is működik. :yes:
Köszi a pontot
.
Érdekes dolgokat írtok a FEt-el kapcsolatban. Nekem is van egy problémám, mégpedig BF998-as dual fetet, hogyan kell kimérni? De ugyanez a problémám a BCV61-62-es dual tranyókkal is. Erre tudna valaki kimérési lehetőséget?Bővebben: Link
Szia!
BCV61-62: A két tranzisztor egy úgynevezett áramtükröt valósít meg. A működés lényege, hogy a T2 -n átfolyó áram konstans szorosa folyik át a T1-en. A bemérése az adatlap 4. oldalán látható ábra szerint történik.
Köszi, de azt hittem, hogy tud valaki valami egyszerű teszter rajzot ajánlani. A duál fet mérése is kellene.
Szia!
Két menetben lehetne megmérni, G2 - S összekötve ill G1 - S összekötve. Két eltérő karakterisztikájú növekményes mosfet adatait kellene kapni. Tranzisztor teszter - A drain leddel, áramkorlátozó ellenállással (max 10mA) 12V-nál kisebb feszültségre, source a földre. A szabadon maradt gate ~ +4V gate feszültség nyitja a fet-et. Ezek a típusok érzékenyek a statikus töltésre, így a gate kivezetések 10k - 100k ellenállással állandóan legyenek a földre kötve...
Köszi
Sziasztok
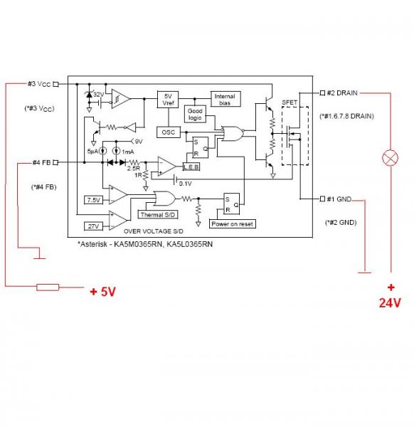
Van itt előttem egy elég érdekes 5M038 Jelű 4 (!) lábú fet, kissé zavarba vagyok, mert én eddig csak 3 lábú Fet-el találkoztam. Itt ilyen lábak vannak: Gnd Drain Vcc Fp Van-e ötlete valakinek, hogy tudom kimérni és 100% megállapítani, hogy rossz-e? Egy kapcsolóüzemű táp végfokja egyébként ![]() Előrre is köszi az ötleteket. Üdv.
Amint az adatlapjából kidrül, ez nem FET, hanem egy komplett FET végű integrált áramkör, direkt kapcsolóüzemű tápokhoz. Mivel a FET -en kívül más is lehet hibás, valamint a FET gate -jéhez sem tudsz hozzáférni, elég nehéz megállapítani hogy mi a híbás. De nincs is sok értelme, mert javítani úgysem tudod, csak cserével.
Szia
Nem is akarom javítani, a hiba onnan ered, hogy a Drain láb hozzáért a Gnd-hez, ki is olvadt a Nyák azon a részen. Viszont a Fet nem durrant szét, tehát nem tudhatom, hogy az-e a rossz, ezért tettem föl a kérdést, mert nem akarok feleslegesen rendelgetni Bár van egy gyanúm, hogy ezt úgy valahogy kéne próbálni mint egy szilárdtest reléket. Üdv
Csináltam egy próbát.
A mellékelt módon kötöttem be egy 24 Voltos izzó segítségével. Meg tud valaki erősíteni abba, hogy így működnie kellene az izzónak? (nem működött)
Ahhoz, hogy ki tudd próbálni, az IC-t egy valóságos kapcsolásba kell kötni. A gyártó ajánlása:Bővebben: Link
Köszi, ez a rajz elég jó kiindulási pont (remélem nem rontottam el az alábbi próbámmal ezt az esetlegesen jó Fet-et)
Találtam is egy gyanús ellenállást ami a táp + és a trafó 1-es kivezetése között van (rajzon nem szerepel) A zománc le van pattanva róla, a multiméter Mohm méréshatár mellett se mér. Szóval nincs kimondottan szétdurranva, viszont a logika, hogy néhány ohmos kellene, hogy legyen, mivel ezen keresztül kapja a trafó a delejt. A színkód nem túl egyértelmű. sárga-lila-zöld-szürke-barna..erre kijön: 47.500 Mohm
Milyen készüléket javítasz? Típusa van? Szerintem gyere át valamelyik javítós topikba, ott többen tudnak segíteni.
Szóval nem szürke, hanem ezüst, így 4,7 ohm.
ennyit a színkód olvasási képességeimről 3 fázisú gyorskapu vezérlőpaneljának a tápja, azért a pár watt miatt nem tudom miért nem tudtak sima trafót használni. ![]()
Mi az a gyorskapu?
Királyság van, működik a táp
![]() Tehát az az ellenállás nyiffant ki, elég alattomos módon és a Fet pedig jó. Köszi mindenkinek a segítséget. üdv Hörmanus gyárt ilyen gyorskapukat
Örülök a sikernek! De az nem FET, hanem egy spéci integrált áramkör, csak a tokozása olyan "fetes". Köszi a kapus linket.
Sziasztok! Van egy párdarab Nmos ill Pmos FEt-em ,mert eddig nem mértem hanem cseréltem.Meg építettem a két kapcsolást a mit javasoltatok fentebb.A piros LED ha világít az egyértelmű zárlat.Viszont a zöld csak szépen lassan elalszik mikor elengedem a gombot.Gondolom ez a helyes működés nem pedig az amit írtak, hogy resetelni kell. Akkor már tirisztornak hívnák.
Kicsit utána járva be kell látnom hogy nektek van igazatok.A lassan kialvó példány hibás.A müködödő képes majdnem thyristorként működik.
|
Bejelentkezés
Hirdetés |







.


ennyit a színkód olvasási képességeimről





