Fórum témák
» Több friss téma |
Szia! Olvasni és írni már sikerült egyet egy kínai programozómmal. Sajnos csak az adatokat tudtam ellenőrízni - a működőképességet - nem. Egyetlen bitet írtam át. Az megtörtént.
Szia, tudnál segíteni egy GAL16V8D 15LP C225DD15 megnevezésű IC olvasásához és másolat készítéséhez keresek valakit budapesti helyszíni olvasással (ha nem olvasásvédett a darab).
Ezt a választ csak most látom... szóval tudsz esetleg segíteni?
Szia! Meg tudom próbálni. Egyszer már sikerült. Ilyen olvasóm van. Helyileg Biatorbágyon vagyok.
Mikor és hogyan tudnád megpróbálni? Én Érden lakom, az IC Budapesten a Budaörsi úton van, és onnan elhozni sem lehet. Ha jó neked, akár el is viszlek oda alkalomadtán...
Szia! Jövő héten szerdáig akár el is tudok ugrani, csak vinnem kell a notebookot és a programozót.
Kedden nekem jó lehet, de akkor a kérek majd elérhetőséget brudnyakzsolt@gmail.com a végleges egyeztetéshez! Köszi!
Tiszteletem!
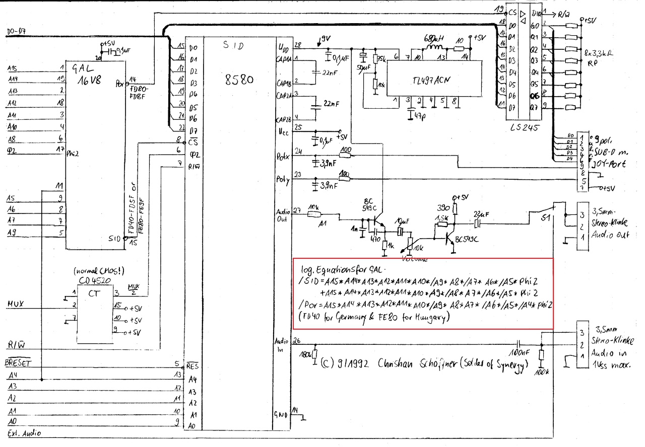
Az alábbi kapcsolási rajzon szereplő GAL16V8-ba kellen a pirossal bekeretezett kódot megszerkeszteni fájlá. Programozni be tudom, csak fájlba kellene önteni a felsorolást. Valaki meg tudná ezt a csinálni nekem? Köszönöm!
Sziasztok!
Van egy eldurrant GAL16V8D-25LPN ic-m. Az lenne a kérdés, hogy kiolvasható ez még valahogy, program kinyerés céljából? Illetve van még egy amin külsérelmi nyom nincs, de gyanúsan ez az alaplap hibája. Budapest környékén esetleg van aki foglalkozik ilynnel?
Hát, nem valószínű, hogy az eldurrant GAL-ból ki tudod olvasni az adatokat, max egy ugyanolyan készülékből kiemelve a GAL-t, le tudod másolni a programját
Úgy néz ki sikerült másolni a programot. Legalábbis hibát nem írt ki. Viszont programozott ic-t beszerelve szétégette az egyik mágneskapcsolót. Lehet, hogy csak látszólag sikerült a program másolás?
Idézet a 1986 Lattice GAL data book 2-11 oldaláról:
Idézet: „ Security cell Row address 61 contains the security cell (1 bit). The security cell is provided on all GAL 16V8 devices as a deterrent to unauthorized copying of the array configuration pattern. Once programmed, the circuitry enabling the array access is disabled, preventing further programming or verification of the array (rows 0 - 31). The cell can be erased only in counjunction with the array during a bulk erase cycle, so the original configuration can never be examined once this cell is programmed.” A hozzászólás módosítva: Ápr 15, 2020
Üdvözlet!
GAL16V8B helyettesíthető GAL16V8 -al vagy GAL16V8D-vel? Sebesség nem számít! Köszi! A hozzászólás módosítva: Máj 24, 2021
Üdv mindenkinek!
A napokban kutakodtam a régi dokumentumaim között selejtezés céljából, s kezembe akadt a mellékelt leírás. Ebben, hellyel-közzel minden a topicban feltett kérdésre megtalálható a válasz. Legnagyobb probléma a programozás. Részemről kizárólag 16V8-ast használok s sajnos csak párhuzamos porton keresztül tudom programozni. Van kettőfajta égetőm, hibátlanúl működnek is, de csak régi parallel portal rendelkező gépeken használható. Viszont van egy Parallel USB portos átalakítóm, ehhez kellene egy szoftvert írni. Ha valakinek van ötlete ezzel kapcsolatba ne kíméljen ossza meg velünk. gerry véleményem szerint bármelyiket használhatod.
"Van kettőfajta égetőm, hibátlanúl működnek is, de csak régi parallel portal rendelkező gépeken használható."
Ez így nem igaz. Jelenleg is kapható olyan alaplap amelyen van párhuzamos port. Most vettem egy ilyen alaplappal szerelt gépet. Az alaplap típusa:Gigabyte B460M D3H Jelenleg is kaphatóak a PCI-Parallel, PCIe-Parallel átalakítók. Az USB-Printerport átalakítók égetőkhőz nem használhatóak általában, csak szkenerhez, nyomtatóhoz Az alaplaphoz még annyit, hogy a csatlakozó opcionális. Az alaplaphoz külön kell megvenni. A hozzászólás módosítva: Jún 6, 2021
Szia Attila!
Sajnálattal olvastam hozzászólásodat. Hozzászólásodból csak azt szűrtem le, hogy fogalmad nincs a GAL programozásáról még soha nem programoztál GAL-t. Elkerülte figyelmedet rendelkezem parallel portos laptoppal használom is, egyetlen baja van, hogy a kezelő program csak régi gépeken fut esetemben Millenium. Rendelkezem 3 féle Parallel portos laptoppal és egy asztali géppel is ezekhez viszont nem találsz szoftvert. Ebből következik, hogy a csodálatos parallel portos alaplapod GAL szempontjából kuka. Viszont a sors keze összehozott bennünket ugyanis tegnap eszembe jutott a bbatka barátom s a mai nappal készültem egy eMail-t küldeni, hiszen Ő az én emberem. Emlékezetem szerint rendelkezel egy 8 sugaras tárolós szkóppal, ha igen elképzelésem szerint elküldeném a Milleniumos gépemet, a hozzávaló égető hardwert és szoftvert s Te rögzítenéd a különböző művelteknél alkalmazott jelsorozatokat. Ami az USB nyomtató kábelt illeti áthuzalozással USB_GAL kábel készithető. Üdv. Janó Várom válaszodat.
Az a kérdés, hogy ki gyártotta a GAL16V8 -akat. Talán Lattice?
A Lattice gyártmányú GAL16V8, GAL16V8A, GAL16V8B, GAL16V8C, GAL16V8D GAL20V8, GAL20V8A, GAL20V8B, GAL20V8C, GAL20V8D GAL22V10, GAL22V10B, GAL22V10C, GAL22V10D típusokat kezeli a TL866II Plus programozó (USB). A hozzászólás módosítva: Jún 8, 2021
Szia Janó!
Azt nem tudtam hogy laptoppal dolgozol. Azok tényleg problémások. A hozzászólásom nemcsak neked szólt. Inkább általános volt. A CPLD-FPGA fórumon többször felmerült a párhuzamos port probléma. És úgy látom sokan azért nem használják a párhuzamos portos égetőket, mert nem tudnak a PCI-Parallel , PCIe-Parallel átalakítokról. Az USB-Printerport átalakítók a mi céljainkra nem alkalmasak. Szerintem nem érdemes erre időt pazarolni. Ebben a témában nyomozgattam több napon keresztül fórumokon. Nem tudok róla hogy valakinek sikerült volna használatra bírni a printerhez készült átalakítót. A CNC gravírozó gépemhez ezért vettem sok évvel ezelőtt, sok pénzért egy UC100-as vezérlő kártyát. "Ami az USB nyomtató kábelt illeti áthuzalozással USB_GAL kábel készithető." Szerintem ez nem ilyen egyszerű. Ahogy én tudom a benne lévő integrált áramkör nem ad teljes értékű párhuzamos portot. "Rendelkezem 3 féle Parallel portos laptoppal és egy asztali géppel is ezekhez viszont nem találsz szoftvert." Ezt nem pontosan értem. Gondolom a GAL égető program az valami konzolos alkalmazás. A munkahelyi gépemen DosBox-ból futtatok Windows10 alatt egy 1993-ban írt GWBasic fogaskerék tervező programot. Szimulált környezetben a konzolos alkalmazások futtathatóak. Bár azt nem tudom hogy a párhuzamos porthoz van-e elérésük. Érdemesebb inkább valami régi, használt gépet keresned. Szerintem sokat még ingyen is szabadulnának a régi gépektől. Itt a Hobbielektronikán is van rá fórum téma. "Emlékezetem szerint rendelkezel egy 8 sugaras tárolós szkóppal, ha igen elképzelésem szerint elküldeném a Milleniumos gépemet, a hozzávaló égető hardwert és szoftvert s Te rögzítenéd a különböző művelteknél alkalmazott jelsorozatokat. Ami az USB nyomtató kábelt illeti áthuzalozással USB_GAL kábel készithető." Sajnos erre idő hiányában nem tudok vállalkozni. Tapasztalatból tudom, hogy ezek a visszafejtések nagyon sok időt elvesznek. 32 bites operációs rendszereknél a Portmon nevű programot tudod használni monitorozásra, bár én csak soros porthoz használtam. Tehát nincs szükség logikai analizátorra ! Egyébként én inkább mostanság a Hestore -ban olcsón kapható analizátort használom a szkóp helyett. Lásd. Remélem tudtam segíteni. üdv.Attila
Köszi a választ, de a hozzászólásom nem erről szól. Az általam használt programozó gond nélkül programozza bármely típust.
Ami a lényeg nem óhajtok méregdrága programozót vásárolni, viszont hobbistaként saját fejlesztésű készüléket akarok létrehozni. Ennyi.
Sok-Sok-Sok köszönet!!!
2db. Arduino UNO R3 rendelkezésemre áll régóta használom AVR programozásához. Amint említettem van hibátlanul működő parallel portos programozóm egyaránt alkalmas a GAL-ATF eszközökhöz. ATF programozásához 12V helyett 15V-os tápegység alkalmazandó. A szoftveremhez mellékletként adva van egy Condition.jed file. ATF programozásánál ezt a jed file-t kell először az ATF-be beírni, ezután gond nélkül programozható a TL866II Plus-al is. Majd küldöm ezt a Jed fájlt. Üdv.
Sziasztok!
Lenne egy PALCE610H-25PC típusú ic-m. Milyen fajta égetővel lehetne programozni? A beégetendo tartalom meg van. Hátha valaki találkozott ezzel a típussal. Köszi! |
Bejelentkezés
Hirdetés |






