Fórum témák
» Több friss téma |
Amit én csináltam siemenshez az tökéletesen működik. Kaptam egy siemens telót és azzal ki tudtam próbálni.Az adat kábelbe van egy kis turpisság felteszem a rajzát próbáld átfordítani ericssonra hátha jó ahhoz is.
Szia tibi5 ! Szimuláltam a programot 627-sen is kb. 1 óra alatt 1s-nyi szimuláció úgyanúgy futott, mint 628-son. Szóval szerintem jó a célra a 627-s is.
Azért nem írtam eddig mert a neved meg a fórum címét is elfelejtettem.
Szia bbatka! Közben kiderült hogy működik mert kaptam egy siemens telót és azzal jó a kütyü.Csak annyi a bajom hogy valahogy át kellene ültetni a dolgot ericssonra mert abból van itthon egy szatyorral, a siemens után meg egy kicsit menni kellett. Már ki hámoztam asm ben hogy hol a baud de nem tudom hogy kell átírni és utána vissza tenni hexbe.
Szia! Hidd el siemens el sokkal megizhatobb, az ericsson fele annyit nem tud. Valamikor én is ericssonnal probáltam, de már régota átálltam a siemensre.
Hello! Engem viszont az olcsóság is motivál és ericsson van itthon bőven.
Pontosan azért drága a siemens mert riasztohoz tökéletes. Nekem is egyre nehezebb ezeket a telefonokat beszerezni.
Az ericssonnal neked mi volt a gondod ?
Az SMS-t ill a telefonkönyvet nem sikerült rendesen kezelni, és AT parancsokban is szegényes.
A telefonok akkumulátora 3.6V vagy ennek a környékén van (szerintem az Ericsson sem kivétel), tehát vagy a proci tápfeszét csökkented le addig, ahol még biztonságosan működik, vagy a telefonból jövő jelet formálod megfelelővé.
A problémám az hogy néha hibásan fogadja az adtokat a telefon felől.
Tehát megoldást jelentetne ha mondjuk 3.6 voltra leveszem az egész áramkör tápfeszét ? Vagy megépítsem a 2 tranzisztoros fogadórészt inkább. Egyébként az ericsson elvileg 5 volton kommunikál. Amikor jó a kommunikáció elég jól lehet kezelni szerintem ( legalábbis T610). SIEMENS telefonok támogatják az SMS-ek text mdóban való küldését ?
A telefon és a PIC-es áramkört összekötő kábel is okozhat hasonló hibát. A kábel legyen minél rövidebb (30-40 cm).
Szerintem elsőnek próbáld meg a tápot 3,3V-ra csökkenteni. Ennek "elvileg" működnie kell. De Te is tudod, hogy a "technika ördöge" néha keresztbe tesz. Csak ezután javaslom az időigényesebb tranzisztoros megoldást. Egyébként a PIC16F628-nál nekem is kellett a tranzisztoros áramkör, enélkül csak az egyik irányba működött a kommunikáció. SMD alkatrészekből raktam össze, hogy kis helyet foglaljon. Siemens telefon esetén az SMS szöveget konvertálni kell PDU formátumra. Ehhez vanak a neten szoftverek.
Sajnos ebben nem tudok neked segíteni. Nokiaim vannak.
Nem reménytelen a dolog csak időigényes visszafejteni a kommunikáció különbségeket. Azonban a Portmon programot ajánlom figyelmedbe. A háttérben monitorozza a portok kommunikációját. A Google-val keress rá.
Az én riasztoim mennek 1m-es kábellel is, és nem kell semmi tranyo, majdnem közvetlenül csatlakozik a telo a pic-re
16f877A val probálom próbapanelen , 20cm kábellel.
Az előre PDU ba konvertált üznetek sajnos nekem nem jók, mert mért érték adatit akarom elküldeni sms-ben. PDU konverter megirásába meg már egyszer beletört a bicskám .....
Tulajdonképpen a TxD vonalra szerintem is elég egy ellenállás ( kb. 1k). Az RxD vonalra pedig egy ellenállás osztó. De nem biztos, hogy minden telefonnál működik.
A Siemens tipusú telefonoknál úgy tudom bevált módszer.
Lejebb vettem a feszkót a panelen, igy már jobb a helyzet. Igy már müxik direktbe kötve a lábakra.
Csak lehet hogy nem a legstabilabb a pic. A programot PICBASIC ben irtam , néha hibásan vesz , de elképzelhető hogy programhiba ( vagy még mindig kommunikáció). Ami a fura még hogy 4mhz nál nagyobb kvarcal nem akar müködni sehogy sem a dolog , hiába irom át mindenhol a programban.
Azért nem ártana egy-egy soros ellenállás (100R - 200R). Esetleg ezt is próbáld ki.
A telefon akksi töltését már sikerült megodanod?
Úgy akarom megoldani hogy AT parancsal kiolvasom az aksi töltöttségi szintjét, és 20% alatt be 95% nál meg kikapcsolnám a töltést.
De ehhez az kellene hogy rendesen tudjak kommunikálni a telefonnal. Eddig csak akkor ment a kommunikáció amikor optocsatolón keresztül vittem be a jelet, vagy levettem az egész panel feszültséget 4 voltra. Persze sajnos ilyenkor is vannak hibásan vett karakterek. Majd még ma próbálkozok.
Majd ha már működik az akksi töltő szoftvered, engem is érdekelne. Hardvert tudok hozzá tervezni, ha úgy gondolod.
A szoftver már most is müködik , csak meg kell oldani hogy menjen a kommunikáció.
Most hogy bent van egy MAX232 igy megy ,csak sok a hiba ....
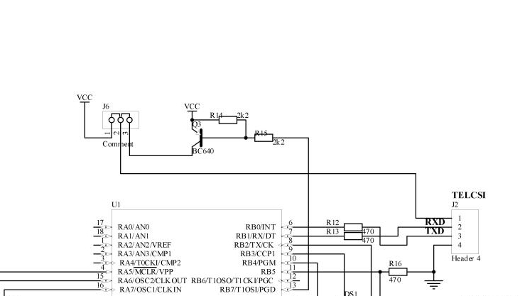
Becsatoltam egy kapcsolást, remélem sikerült.
Ezzel érdemes kipróbálni az akksi töltő szoftvert.
Mondjuk én úgy gonoltam hogy csak simán rákapcsolom egy tranzisztorral a +5 voltot.
Tranzisztoros tápfeszmegoldással még nem találkoztam PIC vezérlés esetén. Érdekelne a konkrét kapcsolás.
Mindenesetre amit becsatoltam biztosan müködik és az LM2574-et kimondottan ilyen feladatokra találták ki.
A tranyó is
![]() Semmi extra , de itt van : A J6 Jumper azért van benne hogy át lehessen kapcsolni direktbe a tötést.
Köszi és igazad van, ennyi is elég. A Te megoldásod olcsó és helytakarékos is.
Sziasztok!
Siemens C35 helyett egy ilyen riasztóba esetleg Siemens A30 is megfelelne?
Sziasztok!
Én most barátkozom egy GSM modullal és kerestem hozzá akksit. Amit sikerült vennem hozzá (nokia 6100 3,7V / 1100mAh) abban eleve (az akkuban) van valami töltés managmant mert ha simán adok neki 5 V ot / 1 A töltést ( 1100mAh / 1C kb. ) akkor leállítja a töltést 4,2 V on, terhelés közben pedig 3,5 V alatt pedig lekapcsolja a kimenetéről a feszültséget. Az érdekelne ebben az esetben is kell a töltőáramkör? Mert ezt ugye ebben az esetben levezényli az akkuban lévő elektronika, akkor meg minek? Vagy nem jól látom? köszi
Szia!
Én kipróbáltam és kiderült, hogy a Siemens régebbi sorozata (A30, A40) nem alkalmas a célra.
A30 nem jo, nincs benne modem. A60 már viszont megfelel.
|
Bejelentkezés
Hirdetés |











