Fórum témák
» Több friss téma |
hello!
Én arra lennék kíváncsi hogy hogy lehetne a bss oldalán található mini gitárerősítőhoz hangerőszabit csinálni. Lehetőleg 9v-rol üzemeljen és ne digitális legyen! Hello!
Helló
Szerintem ehhez semmi digitális cucc nem kell. Úgy hívják a megfelelö eszközt hogy potméter Mondjuk egy 47k B-s tengelyes mono poti kell. És a rajzon jelölve is van. a poti három lába. felülröl lefele. Bemenet, kimenet, és föld. Isa
Hogy a leg egyszerübb távirányitós erösitöt csinálni?
És kb menyiből jönne ki?
sasold meg ezt:
[link=http://www.hobbielektronika.hu/forum/topic_1389.html]http://www.hobbielektronika.hu/forum/topic_1389.html[/link] és ezt: az oldal keresője üdv [off]saa1350+saa1351 párossal csinálom én, ha egyszer elkészül
Nem volt elég pontos az elöbbi kérdésem.
Egy távirányitóval kezelhető hangerö szabályzó modult szeretnék csinálni. Amit töbféle erősitőhöz lehet majd felhasználni. Ha van valakinek valami jo terve osza meg velem. Köszi Szabi. pont mire megirtam válaszoltál...
Sziasztok!
A segítségeteket szeretném kérni. Szükségem lenne egy (lehetőleg analóg) hangerőszabályzóra, ami egyszerre szabályozna 4 csatornát. A négyespoti nem jó mert: a minőségi nagyon drága, az olcsóbb meg nem pontos. Az sem baj ha kell neki táp. Van valakinek ötlete vagy kapcsolása? Kössz!
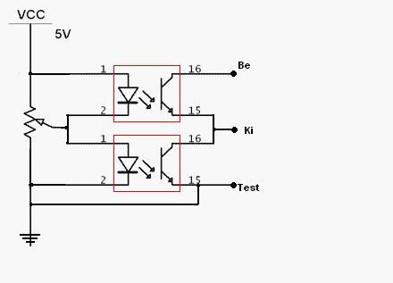
sztem akkor 1 db mono poti + 4 db moc opto
talán... üdv
Ezt kifejtenéd bővebben, ha megkérlek? Mit takar a moc opto kifejezés?
igen!!!
megtaláltam, nem MOC opto, hanem másik tip. lásd itt: http://www.hobbielektronika.hu/forum/topic_hsz_42011.html?highlight=1#42011 egy potira kötöd a 4-et és sztem ennyi többi meg adott ![]() üdv
Tessék itt egy IR-es szabályzó áramkör, jelenlegi állapotába 1 vezérlést tud csinálni, de egy kis átalakítással, már egész jót lehet belőle csinálni.
Ha jól értelmezem, minél nagyobb feszt adok az egyes és a kettes lábra (max 5V), annál kissebb a 15 és a 16-os láb közti ellenállás?
Kicsit átalakítottam a kapcsit. Igy feszültségosztóként működne. Nem vagyok jártas az optocsatolók körében, szerintetek működik? Igaz így nem 4 hanem 8 db kell, de sztem jobb ez így.
:yes:
Na vettem két optocsatolót, igaz nem olyat ami a rajzon van. Meg is építettem a szabályzót. Szabályozni szabályoz ugyan, de nagyon xar hangja van. (építettem már egy hasonló kapcsolást tranzisztorokból, de annál is ezek a tünetek jelentkeztek hogy recsegett a hang) Mi lehet a baj? Miért torzul el a rajta átfutó jel?
ami ott van hsz-ban kapcs, azaz opto jó, másmilyen nem!
üdv
Kössz a gyors választ. Egyébként az valami hangfrekvenciás célra készült holmi? A boltban ahol vettem ezeket (4N25) az optocsatolókat, azt mondták, azt már nem forgalmazzák. Hol tudnám mégis beszerezni?
Félre értettél, 4n25-öst vettem de az nem jó. et110a-sat szeretnék beszerezni.
Azért köszönöm a fáradozásod!
normális megoldás, ha mono potiról visszem 1-1 RC tagon a jelet tovább?
Bocs hogy a csapos közbeszól, de ha jól értem hangfrekveciás jelet szeretnénk szabályozni. Erre az optocstoló nem igazán megfelelő.
Ha optoban gondolkozunk inkább CdS fotoellenállást tennék egy ízzó köré annyit ahány csatorna kell. Az izzó DC fesz szabályzásával lehet az ellenállást változtatni. Az együttfutása ennek sem lesz jobb mint egy négyes potinak, inkább rosszabb, de legalább nem torzít ha nem túl nagy jelllel használjuk. (Volt régebben LED-CdS opto de már nem is emlékeznek nagyon rá.) Igazi megoldást feszültségvezérelt erősítő jelenthet pl: a régi TCA 730 vagy valamelyik újabb változata.
Sziasztok!
Tudom hogy már elhangzott a kérdés, de számomra még nem teljesen nyilvánvaló hogyan tudnám az erősítőm hangerejét egy potméterrel szabályozni. Kérem segítsetek elmagyarázni!
egy egyszerü de frappáns megoldás lehet a következő (kettő kell belőle): http://www.aaroncake.net/circuits/volume.asp
(bár ez nem pótméteres)
A potid bal szélső lábát testre (GND) kötöd.
A középsőt a végfok bemenetére (IN) A másik szélsőt pedig a cucc bemenete lesz. (pl ide csatlakozik a CD kimenete) Sztereo erősítőnél pedig sztereo poti kell ami 2db poti 1 közös tengelyen. Értéke általában 47-100-220K ohm. Célszerű logaritmikusat beletenni, de jó a lineáris is. Lehet körpályás vagy toló kivitelű. Nem keverendő össze a trimmerrel aminek ált. nincs tengelye. A tengely átmérője lehet 4-6-8 mm. Kb ennyi, dióhélyban.
Azért nyitottam meg ezt, mert lenne egy problémám.Van egy erősítőm amit építettem, és egy kivezérlés jelzőm. Akor működik rendesen a kiv. jelző, ha majdnem maximumra veszem a rádiót,de akkor az erősítőm meg nagyon hangosan szól. Próbálkoztam egy 47KOHM-os potival, de csak kicsit halkította le, és nagyon rossz lett a hangminőség, ráadásul a kiv. jelző is visszább vett a kivezérlés "mutatásból". A potmétert földelésre kötöttem sorba az erősítővel. Lehet hogy a pozitívra kellene és akor működne? Vagy egy hagerőszabályozós áramkört kéne építenem? Esetleg valakinek van ilyen kapcsolása?
:heureka: :help:
Hello!
Sztem úgy csináld, h a kivez jelző->potméter->erősítő... A potméter úgy legyen bekötve, h az egyik szélére jöjjön a jel a másik széle menjen le testre, és a közepe meg menjen az erölködőhöz... És sztem 100 kOhm -os potit tegyél be...
Csak így nem lesz hiteles a kivezérlés jeljő, viszont látványos lesz...
Szia!
Idézet: „földelésre kötöttem sorba az erősítővel. Lehet hogy a pozitívra kellene [....]?” Ugye ez nem azt jelenti, hogy az erősítő földje és a tápföld közé tetted? mert az úgy nagyon nem jó... /bocsi, nem tudom milyen szinten vagy elektróból, azért rágom ennyire szájba, de ne hidd h hülyének nézlek v ilyesmi /A potidat minden esetben az erősítő bemenetére kell kötnöd, mégpedig úgy, ahogy Hurka már le is írta itt előttem
A potméter középső kivezetése az erölködő bemenetére legyen kötve...
Mindenben egyetértünk Gé szaktárs!
hello!ezért feleslges volt új témát nyitnod.neked csak problémád van a hangerőszabályzással. nem tudod,hogyan kell bekötni a potit. sztem ez megoldja a problémát! a vu-méter helyét is megrajzoltam. ez csak az egyik oldal hangerőszabályzása!
|
Bejelentkezés
Hirdetés |







:help:
/





