Fórum témák
» Több friss téma |
Fórum » Hangváltók (készítése)
A mértékegységeket a mérőszámtól szóköz választja el. A személynevekből képzett mértékegységek (Volt, Ohm, Amper, stb.) nagybetűvel írandók!
Sziasztok
Ehez a hangdobozhoz szeretnék hangváltót késziteni. Még sosem csináltam ilyent...Tudna valaki segíteni? Előre is köszi
Milyen kábelre lenne érdemes cserélni a benne lévőt?
Namost ez megint egy szubjektív dolog, erősen pénztárcafüggő is, javaslom a kácsa audiot, ott tudnak tanácsot is adni és mindent megnézhetsz!
Szia!
Milyen hangszórókat akarsz bela? Vannak ott ajánlottak és mellette az ajánlott hangváltó. Ha mindenképp te akarod megcsinálni, ott van a keresztezési frekvencia és a meredekség is. Ezek alapján már nekiállhatsz rajzot keresni/megtervezni. Bár sokkal olcsóbban nem jössz ki szerintem.
Ilyent ne is építs. Inkább valódi hangszórókkal kezdj el kísérletezni. Mire szeretnéd építeni a hangdobozokat?
A keresztezési frekvencia , és a meredekség nem elég egy hangváltó tervezéséhez . Így nem szabad nekiállni.
Szerintem a fenti SAL hangszórókhoz kapható gyári hangváltó is a lehető legegyszerűbb alapkapcsolás alapján készült és meg vannak adva a fenti adatok ezért gondoltam hogy amennyiben mindenképp maga akarja a kolléga elkészíteni megoldható a dolog. Persze biztosan lehet ezt tudományosabban is...
Ennél amatőr szinten ,is csak jobban lehet.Nincs olyan hogy egy hangváltó jó többfajta hangszóróhoz.De olyan is ritkán hogy egy doboz ,többfajta hangszóróhoz is jó lenne. Itt meg minden jó mindenhez. Azaz gyakorlatilag semmi ,nem jó semmihez sem.
Sziasztok!
Szeretnék, egy nagyon szokatlan dologban segítséget kérni. Én kísérletező népi hangszerkészítő vagyok ( www.komroczkicit.hu ). A bőgőciterám (45-250 Hz) hangerejét szeretném növellni, a hangfalaknál alkalmazott technikák valamelyikével (pl.: tölcsér, reflexnyílás stb). A hangszer űrmérete 64 liter. Ha valaki tudna segíteni nekem, ennek az akusztikai kihívás megoldásában nagyon hálás lennék! Előre is köszönöm! Gyula
Egy tölcsér nagyobb lenne mint a hangszered . Pedig ezt sem dobod be simán egy csomagtartóba. Bass gitárkombó ugrik be elsőre. Azt építenék vagy vennék.
Vagy esetleg arra gondoltál , hogy azokba a körkivágásokba reflexcsövet tennél? A reflexcső egy rezonátor , amit a méretével lehet hangolni. Sajnos hangosabb nem lesz tőle .De a hangdoboz mélyebbre megy ,azaz az F3 pontja lejjebb kerül. Egyébként a mostani állapotban is csőnek kell tekinteni. A kör átmérője , és a test anyagvastagsága. Ha egyforma méretűek lennének a körkivágások akkor esetleg ki tudnám számolni ,hogy hova hangol a rezonátor a hangszeredben.
Szia. Ha már te készited, akkor te tudod a legjobban, hogy a hangszer testén bármilyen változtatás, visszaüt a hangzására. ...gondolom, nem véletlen a "...keményfából készülnek. A fedőlap csomó mentes fenyőfából, a hátlap pedig hársfából készül.... csak természetes anyagokat alkalmazok! stb.." Még a lakkozás is számit, nem hogy egy cső, vagy egy lyuk! :yes: Az ilyesmi "akusztikai kihívás megoldására" a legjobb, ha bemikrofonozod és úgy erősited. (vagy miki, vagy pickup)
Ez így van, ezért is mondtam hogy végülis tökmindegy
Szóval építeni akarok egy hangváltót 90w szin. teljesítményű mélysugórzóhoz és egy 75w szin. teljesítményű dómsugárzóhoz (8ohm). Létezik valami képlet vagy táblázat v akármi az ajánlott huzalvastagság meghatározásához?
Ha nem, van valakinek bárminemű tapasztalata/tippje a huzalvastagsággal kapcsolatban? A válaszokat előre is köszönöm!
A huzal átmérőjét, illetve keresztmetszetét, elsősorban a rajta átfolyatni kívánt áram szabja meg. Trafóknál a 3.5A/mm^2 , motoroknál 8A/mm^2 a szokásos keresztmetszet választás, folyamatos terhelésre. Szerintem hangváltóban, a szinuszos telesítményből kellene kiindulni. Vasmag nélkül nem lesz kicsi
Légmagos kivitelben csak a nagyon drága hangfalaknál láttam, és tenyérnyi tekercsméretek adódtak. kb. 0.5-1kg rézhuzalból. A mélynél 0.8-1mm-es, a magasnál 0.3-0.5mm-es átmérővel
Arra is figyelni kell a légmagos tekercsnél, hogy egymástól is és a hangszrók mágnesétől is a leghető legtávolabb legyenek! Mivel vasmag hiányában elég nagy térben helyezkedik el a tekercs körül a mágneses mezeje. A hangváltó tekercseiből el szokták fordítani az egyiket. Tehát az egyik áll, a másik fekszik, hogy ezzel teret nyerjenek. Vagyis a lehető legkevésbé legyen egymásra hatással a tekercsek mágneses terei. Mert különben hiába törekszi az ember a lehető leglineárisabb viselkedés elérésére, és a vasmag elhagyására, ha közben ilyen hibát vét. Szóval érdemes átgondolni, hogy megéri-e!
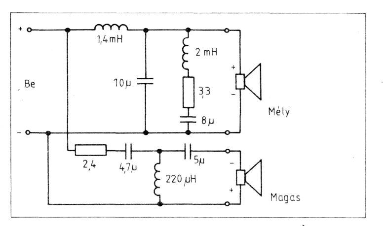
Nekem van két 40W videoton Dc200A típusú hangfalam, és ebbe szeretnék hangváltót, mert egyikből hiányzott a hangváltó mikor hozzájutottam, meg a mély is! A mélyet sikerült azóta pótolnom, de sajnos a hangváltót újra kell építenem, mert nem sikerült beszereznem eredeti hangváltót, így visszarajzoltam én. A gondom az, hogy nem tudom a huzal pontos átmérőjét amivel tekerve lett a két tekercs, és a menetszámokat sem tudom! Tudnál ebben segíteni nekem? Itt van két kép, még annyit hozzáfűznék, hogy nem 0,25uh hanem 0,25mh a tekercs induktivitása, csak én elírtam! A mély hangszóróhoz menő tekercsé pedig 0,56mh! Tudnál nekem segíteni ebben?
Próbáltatok már keresgélni a témában, akár ezen az oldalon, akár máshol?
Például, csak nagy hirtelen: HE találat #1 HE találat #2 Két Excel-tábla, mint segítség Google... Tessék nekiállni értelmezni, végigrágni az összefüggéseket, és kísérletezni; időigényes ugyan, de sokkal többre mentek vele, mint azzal, ha valaki beírja a száraz geometriai paramétereket.
2utas 8ohmos hangváltót akarok csinálni itthoni hi-fi célra (90w szinuszos)
A mély(közep)em 5khz-ig, a magasam 3khz-tól stimmel, 4khznál legyen a vágási freq? A másik kérdésem az, hogy az impedancia korrekció (=zobel kör) szerepe az hogy a 2 8ohmos hangszóró eredő ellenállása is 8ohm legyen ami az erőlködőnek fincsi? mind2 sugárzóra kell zobel kör? A válaszokat előre is köszönöm.
Kedves köbzoli! az elmúlt 2 héten minden nap órákat töltöttem a hangváltók megismerésével, viszont az ajánlott huzalvastagságról sehol nem találtam egy betűt sem.
Hasonló a helyzet a zobel körrel, 5-6 féle leírást olvastam róla, de magasabb szintű elektronikai ismeretek híján nem tudom összerakni h pontosan mit is csinálna. Egyébként eddigi életemben nem nagyon fórumoztam még, nézd el nekem kérlek.
Ezt az oldalt és a hangváltó 2.rész fejezetét ezerszer végigolvastam már. Amit eddig megvan: szűrő(12db/oktáv), eltérő érzékenység korrigálása feszosztóval. És igen, jött a megvilágosodás!
megnéztem a hangszóróm műszaki adatait, és lám, ott van az impedancia táblázat, és rajta a púp, meg az emelkedés. Mostmár értem a zobel-kör és a lyukszűrő feladatát.Az utolsó fő kérdés: ha párhuzamosan kötöm a hangszórókat(mint minden hangváltó rajzon) a 2 8ohmos hangszóró eredője lényegesen kevesebb lesz 8 ohmnál, és ez az erősítőnek nem jó. Mivel lehet ezt korrigálni? Esetleg a dómsugárzó fordított bekötésének van hozzá köze? Köszönöm köb!=)
Vedd észre, a hangszórók a szűrőváltó váltó után vannak, tehát nem kapcsolódnak párhuzamosan. Az erősítőt a mély tartományban a mélysugárzó terheli, a többi nem, a középsőben a középsugárzó, a többi nem, a magas tartományban a dóm, a többi nem. Ezért váltó a váltó. A probléma az egymást átfedő keresztezési tartományokban van, ezért (is) nehéz jó szűrőváltót tervezni.
Köszönöm szépen!
![]() a mély adatlapja A zobel méretezésénél ezekre az adatokra támaszkodtam. fel fog robbanni? ![]() Vélemény a tervről?
Ha a tekercs huzalvastagságait, a kondenzátor feszültségeit, és az ellenállások terhelhetőségeit a teljesítménynek megfelelően méretezted, miért robbanna fel. Az hogy jó-e, azt nem tudom, nem én számoltam ki. Építsd meg, mérd, hallgasd meg, ha szükséges változtass.
Sziasztok! Kerdeznem hogy van e valakinek hangvalto rajza az M.N.C 33558-as ringsugarzohoz?
Par adat,fele hazugsag:http://bolthely.hu/mikroshop/id/00169_Ring_MNC__33558 Meg gondolom a kozep es mely is kellene adatostol,de hatha van ilyen hangszoroval tapasztalata valakinek.
Sziasztok! Ha soros ellenállást teszek csillapításnak,akkor annak értékét bele kell számolnom az impedanciába? Vagyis,ha egy 8R-es hsz elé beteszek egy 3R-t csillapításnak,akkor a váltót 11R-re kell tervezni?
Üdv!
Segítségetekre lenne szükségem! Adott egy elvileg 4Ohm-os 2 utas hangváltó. A terhelhetőségére, illetve a vágási frekvenciára lennék kiváncsi. Csatoltam pár képet. A kondi adatai: Frkako 4,7µF 15V~/40v- GPF (K9) A nyák másik oldalán lévő alkatrész (v.milyen tekercsnek tűnik) :09217-039.21 A középső tekercs: 0.053.01 3000Hz körül váltóra lenne szükségem. Ha ez nem annyi, akkor hogy lehetne átalakítani? Előre is köszönöm a segítséget!
Hi!
Magas sugárzó védelmére mit ajánlatok hangváltóba? Nekem ez az izzós megoldás nem a legtetszetősebb. Valaki régi motoros tudna ajánlani valami használhatóbb megoldást? Kösz! |
Bejelentkezés
Hirdetés |








megnéztem a hangszóróm műszaki adatait, és lám, ott van az impedancia táblázat, és rajta a púp, meg az emelkedés. Mostmár értem a zobel-kör és a lyukszűrő feladatát.



