Fórum témák
» Több friss téma |
Fórum » Házi feladat elmélet - tételek
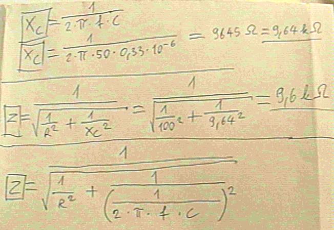
Hogyan számoltad? Nekem 9,6kohm jött ki.
Itt van rá egy képlet ami ezek szerint rossz mert már két másik helyen is néztem és azok alapján nekem is az jött ki mint neked.
Jó az a képlet, ugyan az jön ki vele. Valamit elszámolhattál akkor.
A prefixumokkal el lehet számolni pár nagyságrendet is. Érdemes először átváltani alapegységre mindent(farad, ohm...), aztán számolni.
Most, hogy megnéztem jobban azt a sulinetes képletet az tényleg nem jó mert hiányzik a négyzetre emelés az Xc- nél. viszont ez se jó amit most megcsináltál mert hiányzik az 1/ az Xc-nél, meg a négyzet. Az a sok zárójel meg felesleges.
Ze = 9601,192515 ohm
Ahol nekem tanították, ott min 4 helyiértékig jónak kellett lennie az eredménynek, ahoz hogy elfogadják. Tehát ha pl. a 9,6kohm-ot adtam volna meg, akkor simán áthúzták volna mint hibás választ!
Nálunk meg örült a tanár, ha már az osztály negyede egyáltalán értette a feladatot, különben meg most nem dolgozatot írtam.
Sziasztok!
Épp a frissítő szakköri időmet töltöm, miközben ráakadok egy képletre, aminek az egyszerűsítését nem látom át teljesen. De maga a képlet jelen esetben nem sokat mond, ezért itt a teljes anyag az alábbi linken a 24. oldal, U1 kifejezése. Igazából a képlet átrendezése nem világos, hogyan tűnnek el a -U1-ek a jobb oldalról a végső képletben. Tudnátok segíteni?
Ha máshogy nem megy, akkor végezd el az R2- vel való szorzást, majd bontsd tagokra a jobb oldali kifejezést úgy, hogy az egyes tagok nevezőiben R1, ill. R3 legyen. Ekkor lesznek olyan tagok, amelyek tartalmazzák az U1-t, ezeket át kell vinni a bal oldalra, ott kiemelni az U1 tényezőt és a másik tényezővel leosztani a jobb oldalt.
Sziasztok. Egy kis segítségre lenne szükségem. Suliban gyakorlaton be kellett egy A osztályú erősítőnek a munkapontját állítani. Kiszámoltam az egészet. Megépítettem. Tranzisztor BC182. Ellenállásoknál van eltérés de nem kritikus (1-2 ohm). Lemértem és meglepő tapasztalatom volt. A bázisáram a kiszámított 1mA helyett 150uA lett ami szerintem eléggé nagy eltérés. A többi adat megfelelő volt. A mérés biztos hogy jó mert nem egy műszerrel mértem le. Felteszem a kiszámításom menetét. Megtudná nézni valaki hogy hol rontottam el? Vagy hogy ez a nagy eltérés minek köszönhető?
Bétát mérted? Még 50mA mellett is 100 felett kéne lennie.
Az első hat adatot azt elém vágták hogy ebből számoljam ki. A Bétát is úgy adták meg. Most számolgatom a Bétát a mért adataim alapján 330-ra jön ki. Akkor ezek szerint a feladat volt rossz.
Legalább ebből látszik miért jó ez a kapcsolás. (bázisosztó, emitterellenállás).A munkapont az alkatrészek szórásától, vagy pl a hőmérséklet változásától függetlenül többé kevésbé stabil marad. A bétának amúgyis elég nagy a szórása, pl lemérsz pár tranzisztort, lesznek eltérések...AZ 50 az egyféle legrosszabb eset lehet.
Ránéztem a BC182 adatlapjára. 2mA-es kollektor áram mellett 5V-os tápfeszültségnél a Béta 120-500-ig terjedhet.
Na jó, most kicsit elszakadt a cérna :csodalk: . Elkezdtem levezetni egy hszbe, írtam egy csomót, hogy hol lehet a hiba és elveszett. A lényeg hogy elakadtam és kellene valami segítség még, vagy megoldás.
(a motor lehetne kicsit intelligensebb, hogy ne veszítse el az üzeneteket) ma este műtöttek, de még mindig ez idegesít...
Köszi!
Remélem nem amiatt nem lesz ilyen többé, mert kirúgtok
Sziasztok!
Egyetemen azt a feladatot kaptam,hogy gyűjtsek anyagot és tanulmányozzam behatóbban a mikrohullámú technikában alkalmazott hibrid áramköröket ( Coupler ) irány csatolók , csatolók, teljesítmény osztók . Konkrétan a 180 és a 90 fokos Couplerek működésére és alkalmazási területeire vagyok kíváncsi. Rengetek anyag van a neten angol formátumban csak hát a szakmai nyelvismeretem a 0-val egyenlő. Ha netán valaki tud valami jó forrást, ahonnan összeszedhetem az infót magyar nyelven megköszönném .
Tételeket dolgozik ki és a Hall jeladós gyújtásról van szó. Van egy kérdés : A nyugvóáramú kikapcsolás célja. Erre nem igen tudok válaszolni. Valaki írjon egy könnyebb választ. Köszönöm szépen
Hali!
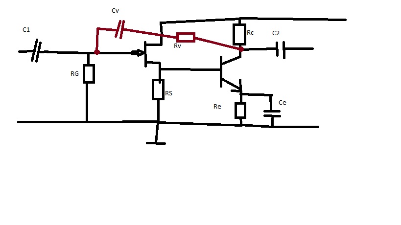
Kellene egy kis segítség FEtes illetve Közös emitteres kapcsolásban. A kapcsolást mellékeltem képben (ronda, de momentán nem tudok a saját gépemről írni és csak paint van.) ID0=0,25mA Ic0=2,4mA UGS0=-2V UCE0=4,5V UBE0=0,6V h21e=80 h22e=40uS ut=15V ---------------- RG RS RE RC értéke kell, illetve Auüresjárati, ha Au1FET=1 C1kondi értéke ha 40HZ az alsó határ freki; Béta ( a pirossal jelölt visszacsatoló tag esetén) Illetve Auvisszacsatolt. Számításaim szerint, RG=1Mohm RS=8k RE=528,3R RC=3,79k Auüresj.=> uki=1*UC0=(URs-UBE0)+UCE0 =5,9V Tehát auü=Uki/Ube=2,59 C1= 1/(2pí*Fah*RG)=3,978nF Béta=Uv/Uki= És itt a gond, nincs megadva RV értéke. Felírtam egy fesz osztót, miszerint Uv= URc*(Rv/Rv+Rg) de Rv értéke nélkül ez így sehogy sem jó. Elég sürgős lenne a megoldás, szóval ha valaki tud rá megoldást, javaslatot kérem írjon. Továbbá az Auvisszacsatolt képlete szempontjából, jól gondolom-e, hogy ez párhuzamos feszültség visszacsatolás? A válaszokat előre is köszönöm!
Pontosabban le tudod írni miről is van szó?
Vagy valami konkrét kapcsolásról van szó?
Szia!Bővebben: Link PDF 1. oldal lap alja.
Amikor nem jár a motor, de a gyujtás be van kapcsolva akkor előfordulhat, hogy a megszakító éppen zárt állapotban van, mert olyan pozicióban áll a főtengely. Ilyenkor nagy áram folyik folyamatosan a gyujtótrafó primerén, ami sem a trafónak (melegszik), sem az akksinak(kisül szép lassan) nem tesz jót élettartam szempontjából. A HALL jeladós hgyujtással ugyanez a helyzet.
A nyugvóáramú kikapcsolás célja, hogy ha ilyen állapotba kerül a motor akkor egy idő után szakítsa meg az áramkört, tehát a gyujtókör zárt időtartamát korlátozza. A korlátozása akár olyan is lehet, hogy a legalacsonyabb fordulatszámhoz (alapjárat környéke) tartozó zárt időtartamot korlátozza. A fordulatszám növekedéséval az időtartam úgyis csökkenni fog.
Sziasztok segítséget szeretnék kérni, kaptam a suliban 1 ilyen feladatot,fogalmam sincs mit csináljak vele pedig ezt tanulom 3 éve
Legalább 1 kapcsolási rajzzal legyetek szívesek segítsetek. Nagyon szépen köszönöm Imi 1x30 w-os erősítő tervezés 8 ohm os hangfalakra. A bemenő jel egy notebook 1w kimenete 8 ohm. Cél a lehető legjobb zenei minőség. A tápegység egy kapcsolóüzemű egység mely egy 12V-os akkumulátorról üzemel egy tóparton + A és B áramkör megtervezése -pontos rajzuk -méreteésük (alkatrész adatgyűjtéssel) +A teljes kapcsolás megtervezése ? megrajzolása + 1db A4 es lapra a rajz és a másik oldalán a méretezése beadandó
Sziasztok!
A következő házim van: Egy Zener-diódás stabilizátor esetén a következő mérési eredményeim vannak: Ube= 15 V; Ibe=0,135 A; Uki=5,02 V; Iki=0,06 A A bemeneti feszültség 1,5 V-tal megváltozik, a kimeneten 0,045 V feszültség változást mértünk, a terhelő áram 6mA-es megváltozása a kimeneten 14 mV feszültség változást okoz A mért adatokból határozza meg a feszültségtől illetve a terheléstől függő stabilizálási számokat, a stabilizátor belső ellenállását és hatásfokát! Ehhez tudna valaki - akár csak egy elméleti - megoldást adni? Esetleg definiálni a "terheléstől függő stabilizálási számok" fogalmat? Semmi nincs ilyenről a könyvben, se az útmutatóban. Előre is köszi!
Szia!
A neten találtam: "A stabilizálásra jellemző a stabilizálási tényező, a bemenő feszültségváltozásra: Su=(deltaUbe/Ube) / (deltaUki/Uki) amely megmutatja, hogy a bemenő feszültség relatív megváltozása milyen relatív kimenőfeszültség megváltozást eredményez. A terhelő áram változására a stabilizálási tényező: Si=(deltaIki/Iki) / (deltaUki/Uki) amely megmutatja, hogy a kimenő áram relatív megváltozása milyen relatív kimenőfeszültség megváltozást eredményez. Mindkét stabilizálási tényező akkor jó, ha kis értéket képvisel." Idézet: „Mindkét stabilizálási tényező akkor jó, ha kis értéket képvisel."” Su=(deltaUbe/Ube) / (deltaUki/Uki) vagy Si=(deltaIki/Iki) / (deltaUki/Uki) : ezek nekem azt mondják, hogy pl. a bemeneten nagy változásnál a kimeneten az lenne a jó, ha nem változna --> nagy értéket kellene kapni a stabilitási tényezőre ( nem használom egyébként ezeket a jellemzőket, csak a képleteket néztem!)! Steve
Szia!
Teljesen igazad van. Sajna már régen tanultam ezekről, és segíteni akartam a kollegának, ezért minden kritika nélkül kimásoltam egy oldalról.
Köszi mindkettőtöknek!
Sziasztok!
Analóg és Digitális műszerek jellemzői ezek is ugye? Mind a kettőre igazak ahogy olvasgattam. Ha nem akkor javítsatok már kis légyszi. - Méréshatár - Túlterhelhetőség - Fogyasztás - Pontosság - Belső ellenállás |
Bejelentkezés
Hirdetés |












