| Fórum témák 
 
 » Több friss téma | Fórum » Házilag építhető fémkereső 
				Nagyon Köszönöm ez tényleg müködik!   Ez mitöl volt vajon? Előfog fordulni töbször? 
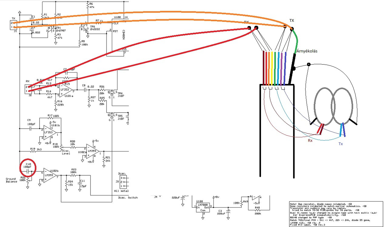
				Szia! Fejkábelnek egy árnyékolt , 8 vezetékből álló kábelt használok , aminek a szálait megdupláztam egybekötöttem , így lett 4 szál plusz egy árnyékolás . De ha megkérlek , tudnál nekem egy egyszerű rajzot készíteni, mi szerint kössem a kábelt (a tekercseket) a panelbe, és a tekercsek árnyékolásaiból kijövő szálakat hová kössem a panelon? Köszönöm a segítséget. További Szép Napot ! 
				Nem írtad, hogy miként kötötted a tekercseket. Gondolom a 4 ér a tekercsvégekre, az árnyékolás pedig a tekercsek árnyékolására megy. Az adó, és a vevő tekercs vezetékeit külön kell árnyékolni. Az adó vezetéke lehet egyeres árnyékolt is. Az árnyékolás a tekercs egyik vége és annak az árnyékolása. Az árnyékolt vezeték ere pedig a tekercs másik végét köti össze az oszcillátor kimenetével. A vevő tekercsre vagy két egyeres árnyékolt vezetéket használsz, vagy kéteres árnyékoltat. Az erek a tekercsvégek, az árnyékolás pedig a tekercs árnyékolása is. Ezeket a feltételeket egy könnyen beszerezhető RGB kábel tudja. Olcsó, és sok helyen föllelhető. 
				A képen láthatod , miként kötöttem össze a kábel vezetékeit, a panelbe pedig úgy, hogy a tx és az rx árnyékolásai össze vannak kötve a fejnél , és onnan van felvezetve az árnyékoláson keresztül a panel testpontjára! Tehát a tx és az rx árnyékolása egybe van kötve!						 
				A fejkábel mindenképpen kényes dolog. Ha így hagyod, akkor asztalon jó lesz, de terepen, ha valami hozzáér a kábelhez, vagy mozdul egyet, akkor hamis jelet kapsz.						 
				Értem! Hát a baj az ,hogy asztalon sem működik egyelőre nem tudom elhallgattatni a vinnyogást, csak ha átkapcsolom akkor szűnik meg a folyamatos csipogás , de az érzékenysége csapnivaló! Próbáltam azt is ,hogy csak a tx tekercset kötöm be, az rx-et pedig rövidre zárom , de semmi , ugyan az a jelenség, sőt ha jól tudom akkor már önmagában a tx tekercscsel is érzékelnie kellene , de így egyáltalán nem érzékel semmit. 
				Szerinted hogy kellene bekötni? Konkrétan te mit ajánlanál , tudnál e csinálni egy ehhez hasonló kis rajzot?						 
				Egy tekerccsel nem igazán kell érzékelnie. Főként nem az adó, azaz a TX tekerccsel. Ha az RX-et rövidre zárod, és nyavajog, akkor valahol tényleg hiba van. Nézd át az alkatrészeket, zárlatokat, bekötéseket. 
				Üdv Újra! Rájöttem miért vacakoltam annyit ,de nem teljesen értem!!! Kivettem a képen bejelölt kondikat, mert gyanús volt, hogy mindenki bipolárissal építi meg ezt a kapcsit ,nekem pedig nem volt készleten , így elektrolit lett bele téve ! Ahogy kivettem a kondikat megszűnt minden probléma, nincs gerjedés, lökdöshetem a vezetéket, minden jó! Most már csak annyit szeretnék megtudni, miért okozott ez ekkora problémát , és hogy a kondik nélkül megfelelően működik e a kapcsolás? A hozzászólás módosítva: Feb 8, 2016 
				Kondi nélkül sem a 103/a sem a 103/b nem erősít semmit, azért szűnt meg a gerjedés. Tegyél be egy-egy 4u7 MKS fémezett poliészter kondit az elkók helyett. Azt, hogy megszűnik-e a problémád nem garantálom, annak más oka is lehet. Szerintem az 1u kondi is elegendő lenne, próbáld meg.						 
				Ebben a pozícióban igazából egy 4.7µF kapacitású kondi a kívánatos, méghozzá polarizálatlan. Ez folia kondiból nagy, és drága. A polarizálatlan elkó sem olcsó. Ezért került ide kettő darab polairzált elkóbol készült polarizálatlan. Ez minden fiókban van. Ha kicseréled 1µF-os kapacitásúra, akkor az erősítése a kívánt frekvencián felére csökken, és más frekvencián lesz az erősítése magasabb, de ott sem a kívánt értékű. (Vagy rossz a kalkulátorom) 
				Üdv. Kaphatok-e infót arról hogy a te gépeden mennyi a zavar a sávszűrőkben közvetlenül a komparátor előtt? Nálam ez durván 50mVp-p						 
				Üdv! Ha lenne szkópom ,akkor már megoldódott volna a problémám!   Sajna csak arra támaszkodhatom , amit a neten fellelek , na meg persze a segítségetekre! Mateatek-nek köszönhetően lassan de biztosan haladok, a hangszóró testvezetékét átvittem a (stabkocka) középső lábára, így már nem annyira gerjedt , de viszont veszített a hangerőből. Érdekes  ! Közben találtam 4u7 bipoláris kondikat egy rakással, már majdnem jó a gép , de ha átkacsolom disc-be akkor alig érzékel , nem is csipogásnak mondanám csak kattogásnak, és a ferromágneses anyagokat sem szűri ki. Ha viszont állítok a tekercsek helyzetén , akkor disc-ben is jól működik , de akkor all metal módban sz*r ,nem tom ez miért van, de elég érdekes jelenség , ha már be van állítva a tekercsek helyzete , miért nem marad meg , amikor átkapcsolom. A hozzászólás módosítva: Feb 8, 2016 
				Egy MKS 50v 4.7u két raszteros mérete 7x7x12.5mm Ára:147 Ft. Akinek ez drága az építsen mást. Egy bipoláris mérete 4.7u 10x 30mm az ára:197 Ft. A két sorbakötött elkó ESR értéke=a 680nf fólia kondiéval. Ide olyan kondi kellene, aminek a váltóáramú ellenállása nulla. Ha egy fémkereső erősítőjébe elkót használsz, az olyan is lesz. ( A kalkulátorom egy ESR mérő volt, és egy Ret katalógus.) 
				Üdv! Itthon amit találtam bipoláris kondik mérete , kicsi! 4u7 50v és , (npl) , a dimenziói pedig :. kb 5mm x 12mm! A képen látható csak 35v , de kb ekkora. http://www.ebay.com/itm/Aluminum-Electrolytic-10PCS-Nichicon-ES-4-7...242711 
				A 36.5-ös fejű gépnél 100Vpp-s adójelnél 30mVpp körül van. Ha kisebb adójelre kapcsolok, ami kb 50Vpp, akkor 20mVpp-re csökken.						 
				Az miért baj ha méretben kicsi?   Nekem azon a helyen X7R anyagú 1206-os méretű SMD 4,7µF van, és teszi a dolgát. Mondjuk nem TGSL hanem IGSL de az a lényegen nem változtat. 
				Ha gnd-re húzom a sávszűrő bemenetét akkor kb cca 5mVp-p, gondolom akkor nálam az adó és a vevő közt van valami bibi.. a vevő 5534 + puffer,és ellenfázis(5532) elvileg ezek elég jók vevőnek igyekeztem minél közelebb elhelyezni mindent a vevőhöz, csillagban van húzva nekik a táp is nincsenek derékszögben sem húzva a vezetősávok főleg a 4053 as környékén. Elképzelhető hogy az adó nem elég stabil? egyébként smw-s féle az adó .						 
				Mivel a fázisdetektorról érkező jelet dolgozzák ezek az erősítők, így a fáziszaj is megjelenik a detektoron és erősíti azt is az erősítő. Ezt a zajt az oszcillátor termeli, plusz a komparátoros fázistoló-négyszögesítő is elég bőségesen. Oszcillátoroknál a leggyengébb eredményt ebből a szempontból az R-C produkálja. Ennél jobb az L-C, majd a legjobbat a kristály oszcillátor produkálja. Lehet, hogy van jobb is, de én még csak ezt a hármat próbáltam. Ezen a jelen, amiről most írunk, még azt is észre lehet venni, hogy mennyire stabilan rezeg a kvarc. Ha kondikkal megpróbálom nagyon elhúzni, vagy olyan instabil, hogy éppen nem áll le a rezgés, akkor ezen az "alapvonalon" ez valamelyest meglátszik. Közben, ha a rezgést nézzük a szkópon, akkor ott semmi változást nem látni. 
				A képen a komparátoros fázistoló-négyszögesítő jele látható. Komparátor helyett TL072-t használtam, mert Ge Lee szerint ez jobb, mint a 393-as komparátor. Két egyforma felépítésű fázistoló fokozatot csináltam. A fokozatokat kvarc vezérlésű szinusszal tápláltam. A két fázistolót közel azonos fázistolásra állítottam. A kimenetüket egy schmitt-triggerrel formáztam, mert a fölfutás elég csapnivaló volt. A két jelet kivontam egymásból, így csak egy tűimpulzus maradt. Ezt a tűimpulzust látni a szkópon. A szkópot a vezéroszcillátorról triggereltem, mert erről a jelről nem lehetett. Az osztás 0.5 mikroszekundum.						 
				A 393-as nak egyébként a szimulátor szerint is nagyobb a fáziszaja. Ezek szerint ha még a fázistoló fokozatot egy eleve instabil adóról járatom akkor a fáziszaj már enyhén szólva sem elhanyagolható... főleg ha az egyenletlen talaj is tologatja a fázist, gondolok itt gödrökre,kiemelkedésekre. Úgynézem nem marad más rá kell drótoznom egy kvarcoszcit legalább, a fázistoló fokozattal egyenlőre nem tudok mit kezdeni. 
				A talaj nem tologat fázist. De az instabil adó, amit mondjunk inkább fáziszajos adónak, egy fáziszajos fázistolóval párosítva csipogós gépet ad ki a végén. Fázistoló fokozatnál az R-C-komparátoros az alja. Annál jóval jobb tud lenni egy 4538-as monostabilos. Azt veri a PLL, majd a legjobb megint csak a kristályvezérlés. 
				Nekem némelyik talajon iszonyat instabil volt némelyiken meg sem nyikkant, ebből gondoltam hogy talán tolja a fázist, az adójel amplitúdója változik ha teljesen a talajon van csökken az amplitúdó ha pedig elemelem ismét alapállapotba kerül, lényegében ez is erősítésre kerül. Lehet csak az oszci szórakozik velem.						 
				Az adójel csökkenhet akkor, ha a fejet a talajhoz közelíted. De ez úgy hat vissza a fázistolásra, hogy a lecsökkent amplitúdójú adójelnél más fázisszögben komparál a komparátor. Fázist nem tol a talaj, csak a fázistoló botlik a csökkenő jeltől. Persze a végeredmény olyan, mintha fázist tolna, de nem ez történik.						 
				A 1206 sorozat 4u7 már nem X7R, hanem Y5V -20 +80%-os, az ára pedig 7.87 Ft. Ennyit is ér. Ret katalógus. 
				Mateatek te min változtattál ,hogy tökéletes lett a géped , mert szerintem ez a kapcsolási rajz, amit mellékeltem , ez kifogásolható ,már ha csak az lm308 részét tekintem , akkor is ! Te milyen alkatrész paramétereket változtattál a kapcsolásban? Szeretném már dobozba rakni ,de még ebben az állapotban nem lehetséges.						 
				Ha a TGSL-t frankón megépíted, akkor használható, jó gép lehet belőle. Azt senki nem fogja mondani, hogy nincsen nála jobb gép, de úgy ahogy van, az is jó tud lenni. Az LM308-as résznek az ég világon semmi hibája. Valami más gonddal küzdesz. Én a gépemben sok mindent megváltoztattam, de nem mondanám, hogy tökéletes. De a most következő talán még jobb lesz. De egy hónap még biztosan kell neki, hogy elkészüljön. Egyenlőre még csak ennyi. Valakivel végre sikerült programba öntetnem az elképzeléseimet. Amit nem kicsit meg is oldott. A hozzászólás módosítva: Feb 10, 2016 
				Ez a kijelző kinti napfényben -nagy valószinüséggel- nem lesz látható. A hagyományos fekete betűs zöldes hátterű "reflektív" kellene ide, amelyik a külső napfényt visszatükrözi.						 | Bejelentkezés Hirdetés | 













