Fórum témák
- • Számítógép hiba, de mi a probléma?
- • Szobatermosztát bekötése
- • TV hiba, mi a megoldás?
- • Alternativ HE találkozó(k)
- • Erősítő mindig és mindig
- • Érdekességek
- • Oszcilloszkóp vétel, mit gondoltok?
- • Rádióamatőrök topikja
- • Videókártya probléma
- • Mosógép vezérlők és általános problémáik
- • Gigatron TTL számítógép
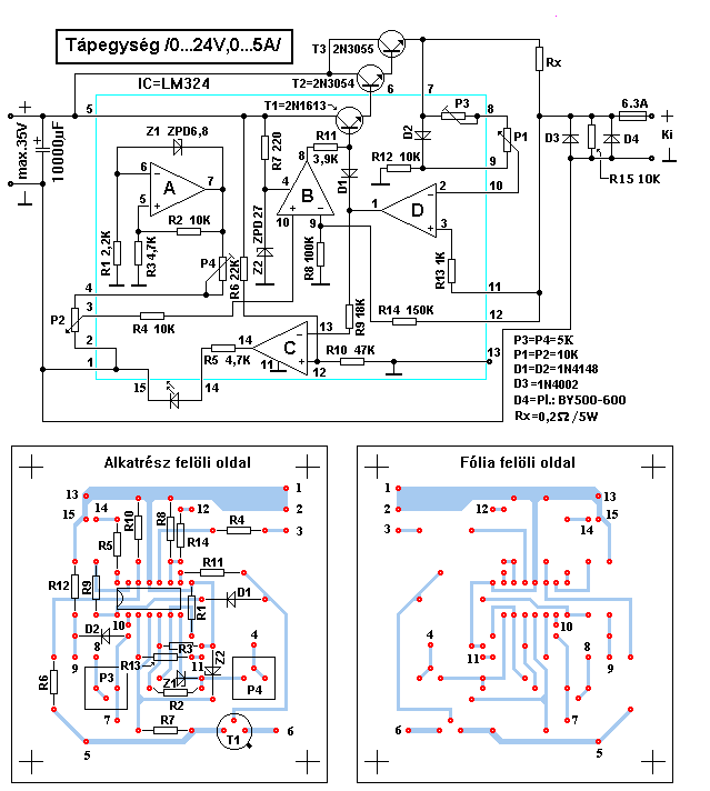
- • Labortápegység készítése
- • Erősítőhöz való hangsugárzó védelem (koppanásgátló)
- • Hűtőborda
- • Ki hol gyártatja a NYÁK-ot ?
- • SMD forrasztás profin
- • Autórádió beszerelése
- • Videoton RA 6363 és EA 6383 javítása
- • LED-es világítás
- • Mosogatógép hiba
- • Villanyszerelés
- • Crystal radio - detektoros rádió
- • VF3 - 6 végerősítő
- • RIAA korrektor
- • Tv csatlakoztatása digitális-analóg audio konverterrel fejhallgatóhoz
- • SDR (Software Defined Radio)
- • Akkumulátoros fúró
- • Sütő javítás
- • Kapcsolóüzemű tápegység
- • Sprint-Layout NYÁK-tervező
- • Opel Astra elektromos hibák
- • LCD TV probléma
- • Elektromos sertéskábító
- • Kapcsolási rajzot keresek
- • Fejhallgató erősítő
- • Felajánlás, azaz ingyen elvihető
- • Izzítás és izzítógyertya teszter
- • 3D nyomtatás
- • Mikrohullámú sütő javítás, magnetron csere, stb.
- • PIC égetési hibák, problémák, kérdések
- • Castone erősítő javítás
- • DC motor/lámpa PWM szabályzása
- • Gázkazán vezérlő hibák
- • Arduino
- • Bojler fűtése közvetlenül napelemmel
- • Vásárlás, hol kapható?
- • Tápegységgel kapcsolatos kérdések
- • K típusú hőelem alkalmazása
- • Gitár torzító / Effekt / Erősítő / Pickup
- • Gáztüzhely elektromos szikráztatója
- • Rendelés külföldről (eBay - Paypal)
- • Frekvenciamérő
- • Forrasztási 1×1 forrasztástechnikai miértek
- • Elfogadnám, ha ingyen elvihető
- • Futópad
» Több friss téma
|
|
|