Fórum témák
» Több friss téma |
Fórum » Kábeltévés hibák, elosztás
Témaindító: Bártfai Ferenc, idő: Jan 5, 2008
Témakörök:
Sziasztok!
Hát nekem az lenne a problémám, hogy vettem a boltban egy gyári szplittert.. valamiért nem akart jó lenni.. mikor szét szedtem, majdnem felrobbantam az idegtől... a splitter anyiból állt, hogy a bemenet és a kimenetek egy szál vezetékkel rövidre voltak zárva... én úgy hallottam, az teljesen rossz megoldás és, hogy valamien trafó meg kondiszerűség kéne bele. ha valaki tudna segíteni, hogy hogyan csináljam, minden segítséget előre köszönök.
ja igen... nem tudom ez segít e valamit: a csatornák: 130Mhz-850Mhz-ig terjednek
Hali.Én is küzdöttem annó a splitterekkel,voltak 1-2 száz forintosak.A belsejében meg semmi csillapítás.A TELETRONIK jó splitit gyárt azt nyugodtan megveheted.Ami jó arra azt irják:5-2040MHz,meg DC block
:yes: Ez kifejezetten kábeltévés .Ja és nem sárga szinú hanem ezüst
hát... ha a váz már megvan.... igazán csinálhatok bele csillapítást... amúgy 1200Ft volt egy 4 felé osztó... jó ár volt egy dobozért meg 2 szál vezetékért
Hát... Most valószínűleg egetverő baromságot mondok, ne nagyon szóljatok le, nem vagyok HF-szaki...
A régi, antennás TV-t a képen látható osztóval vittem két szobába, 75 Ohm-os kábellel. Aztán jött a UPC, én már nem laktam ott, de anyám állítása szerint amíg rá nem lépett véletlenül, ugyanezt használta, szerinte jó volt. Utána vettem egy gyárit...
ÜDV !
Én ilyen splittereket használok és felénk a szolgáltató is ilyeneket rak fel mint a mellékelt képen. Ebből létezik több kimenetü is. Ha házilag szeretnél ilyent készíteni akkor a 2002-es RT évkönyvben van róla egy kimerítő cikk "Szélessávú, ferrites iránycsatolók" címmel. De szerintem nem érdemes vele házilag bajlódni mert ha jól tudom pár 100Ft a boltban.
Hulladék mind kettő.Az ellenállás osztós sem jó, és a sárga is tv függő.A legjobb a drágább, és fényes fém színü.
Ja! Amikor nálam jártak az UPC-sek rendesen lefi..zták ezeket a splittereket, de úgy hogy csak pillogtam!
Ha dróttal van átkötve, akkor vidd vissza a boltba(?) ahol vetted. Elképzelhető, hogy nem is tudják, mit árulnak. Lehet rosszul méretezett/nem beállított az iránycsatolós is, ez hiba, de a drót kifejezetten gazemberség!
Na ,lefotóztam azt amiröl beszéltem ez télleg jó én ezt a fajtát használom
:yes: Kép: HivatkozásBővebben: Link
Van még egy másik is de abbol most kifogytam
az német gyártmány
Ferkógyerek... amit küldtél azt a fost vettem bevittem a boltba meg mutattam, de még én voltam a hibás amiért meg néztem mi a faszért szar... mondtam is az eladónak, hogy szerintetek ez így jó???? ha valakinek elfüstöl a tv-je miatta, majd felelőséget válaltok?? nem mondott semmit
Sziasztok!
UPC-sek szereltek le ilyeneket egy házban, és kíváncsi lennék, hogy ez pontosan mire jó, és mire lehet használni. Deniel
Akkor amit vettél az egy tipikus Kínai koppintás mint a gombelemes "induktív zseblámpa" kívülről hasonlít csak arra a dologra aminek lennie kéne.
Ezért kell azt tenni amit Sebi javasolt mert valószínű a boltosokat is átvágták. Amik nekem vannak azok szélessávú ferritgyűrűket tartalmaznak (tudom mert szétszedtem) és eddig még semmi problémám nem volt velük. Lehet hogy 2dB-vel többet csillapítanak 800MHz-nél mint az ezüst színűek még nem mértem, de felénk megfelelő a bejövő jelszint és nem tapasztaltam képminőség romlást bárkinél tettem is fel őket.
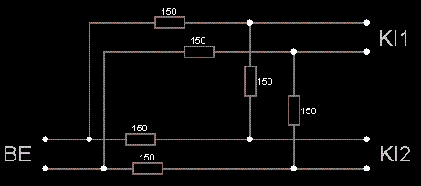
Itt van 3 kapcsolás. Én a legtöbbször a középső kapcsolású splitterrel találkoztam (amik jók is voltak). Ez a legegyszerűbb és legnagyszerűbb. Fogsz egy pici ferritgyűrűt, vékony lakkozott huzalból tekersz kimenetenként és egy bemenetként 3-3 menetet. Az így elkészített tekercsek egyik végét rákötöd a kivezetésekre, a másik végük lóghat szabadon. Nem fog beterhelni, hatással lenni egyik kimenet sem a másikra, és 1 -ségnyi jel fog jutni mindenhová a kimenetek számától függetlenül.
A többi kapcsolásnál igazából csak az a különbség, hogy ott a tekercsek másik végét leföldelik a splitter házához. A tapasztalatok szerint nem sok jelentősége van, de ki kell próbálni. A harmadik kapcsolásnál pedig van egy leválasztó kondi, ami az esetleges egyenfeszültségű összetevőket választja le. (A földeletlen tekercseknél nincs jelentősége) Esetleg ki lehet próbálni úgy is, hogy a tekercseket először osszesodrod, és úgy tekered fel a három menetet. pl 3 tekercsnél így trifilláris tekercset hozol létre, lesz 1 be és 2 kimeneted.
Erröl mik a vélemények? Azért vettem hogy megosszam a kábeltv-t a modem és a tv-tuner között.
Ui: Webkamos kép mert a fényképezögép LCD-je megadta magát.
Az osztó nagyon jó, de nem ajánlom hogy te a modem külön vezetékét megvágd.
Mi ugy kötjük, hogy a bejövő kültéri kábelra rakjuk a net/tv osztót ami egy 2 es és a tv ág kap egy szürőt ami viszirány szűrő.Nemhiába, hogy a tvk ne zavarjáka modemeket meg.Te is huzz külön kábelt a tv ágból!!! Mert ha szarakodik a neted, akkor kijöna cég, rádverik a kiszállást!Mert gányoltál. Nálunk minden hétre jut ien, és csodálkoznak hogy nem jo a ping.
Ez nagyon megfelel a szétosztásra, ahol hosszabb kábellel mész tovább, azt a nagyobb jelszintű kimenetre rakhatod. Feltehetőleg iránycsatolós osztó.
Megvágni az nem kell, hanem csak lecsavarom a bementeröl a kábelt és rácsavarom az osztóra. Egyszerre még nem volt bekötve mind a kettö, mikor fel kelett venni valamit akkor a modemet kikötöttem. Meg fogom próbálni, ha nemjó akkor félre az egészet. Jelszint az van bőven, Itt az oszlopon az erősítő, de szerintem inkább optikai átalakító, hárman van nettünk róla a házbol.
Elnézést kérek a káronkodásért, de nagyon idegesítő... nem kis pénz 4 Tv- tunnerjét kicserélni, ha amiatt, hogy lusták rendesen megcsinálni elromlanak.
egy szerelő meg csinálta az elosztást... tv/net csak a Tv-t akarom elosztogatni hogy ne 2 Tv-hanem 4 tv-n legyen
Egy ilyen elosztótól nem tudom, miért menne tönkre bármilyen tuner. Maximum rossz lesz a vétel, ha tényleg gány az elosztó, esetleg egymást fogják zavarni a vevők.
A tiedben nem volt a vékony vezetéken kívül valami ferritgyöngy, amin a vezetékek átmentek?
semmi nem volt benne se ferrit gyűrű se semmi csak a vezetékek amik rövidrezárják a csatlakozókat
Amúgy mindíg érdekelt mi van abba az osztóba ami szétválassza a netet, meg a Tv-t.. de szét nem szedem az tuti... annak tudja valaki a kapcsolási rajzát?
nekem ilyet tett be a szerelő: TRIS-210E ezzel választja szét a netet, meg a kábbeltévét.... nem tudja valaki hol lehet venni ilyet??? úgy megnézném mi van a belsejébe
Nálunk a "júpíszís" szerelő úgy oldotta meg, hogy a bejövő antennára rakott egy 3 utas osztót, egyikről megy a kábelmodem, másik kettőről 1-1 tv. Nemtudom ez így korrekt-e, de eddig még nrm volt gáz se a nettel, se az adással. Egyébként ez is a jobbik fajta osztó, nemtom a pontos típusát, de anno amikor a h-m rádiójának kellett leosztani az antennát nekem is a dc-block-os at javasolták.
Ha így csinálják, akkor szerintem kutya kötelességük _minden_ TV-ágba berakni egy visszirányú szűrőt. Az egy kis henger, lehet, hogy nem is veszed észre.
Nálunk úgy van, hogy ahol bejön a lakásba a koax, ott van egy elosztó kábelmodem és TV-k között, majd a TV ágon van egy visszirányú szűrő és az után van egy 4-es splitter a TV-knek. Legutóbb, amikor a modemet cserélték újabb típusra, akkor a szerelő is ránézett a kábelezésre és azt mondta, hogy teljesen korrekt. Volt már a házban zavarás miatti net-recsegés, gondolom, valaki barkácsolt, és valamilyen zavarkeltő vevőkészülék rákerült visszirányú szűrés nélkül a hálózatra - hát igen kellemetlen hiba, akkoriban heteken keresztül rendszeres volt.
na hosszú kutatás után találtam: http://www.ereltronik.hu/ itt lehet venni olyat is ami szétválasztja a netet meg a Tv-t. 1800Ft
ja és normális splitterjük is van
most nézem csak ezt a topikot nekem is ujra kell kábelezni az egész házat mert 3 tv-n rosz volt a kép :@
5 tv 1 net és a szerelő aki a netet húzta ki aszondta hogy a tv-k zavarhatják egymást az 1 ik ágon a 3 as splitternél (pont ott van a 2 régebbi tv) nah lényeg vmi és vmi zajszűrőt vagy vmi hasonló dolgot kéne bele tenni és erősitő vagy hasonló nem kell? De főleg ez a zajszűrő dolog érdekelne
Konkrétan nem hiszem hogy van olyan hogy net és tv osztó.
Mert mindenhol más frekin menneka dolgok, nálunk még 47 mega alatt megy a viszirány jelenleg ezért van 47 es szürö a tv ágba.De majd he felmegyünk frekibe, 600Mhz ra akkor a viszirány is fel fog menni mert nem fér el sok 47 alatt. |
Bejelentkezés
Hirdetés |




:yes: Ez kifejezetten kábeltévés .Ja és nem sárga szinú hanem ezüst


:yes: 
az német gyártmány 


ja és normális splitterjük is van
