Fórum témák
» Több friss téma |
Fórum » Kapcsolási rajzot keresek
Témaindító: Kallai Csaba, idő: Márc 11, 2006
Témakörök:
Hello!
Sajnos nem láttam azokat a komparátor kapcsolásokat, böngészgettem és ezek után kérdeztem ahogyan azt illik. Az általad publikált kapacitásmérő részemről túl bonyolult és bár érdekesen hangzik sok beszerezhetetlen alkatrészt tartalmaz (anyagiak), de persze ettől függetlenül jó kapcsolásnak tűnik, bár a mérési módszer nekem kissé meglepő. Visszatérve a kapcsolásra; nem variálni, változtatgatni, ötletelgetni szeretnék, hanem a célomat elérni, azaz, hogy 10,5V-nál a relé elengedjen (bizony pár hsz.-el visszább benéztem a dolgot). A feltett kérdések csak érdeklődő jellegűek voltak, nem a kapcsolás módosítását kértem, viszont tényleg érdekel a fordított kapcsolása a relének. Üdv: Frici
Ha így megfelel..
Igen, meg. Köszönöm a segítséged!
Üdv: Frici
A TM1628 SMD -ről van valakinek információja?
A kereső több oldalt is kiad de nem tudom letölteni az adatlapját. Előre is köszönöm.
Üdv mindenkinek.
Keresnék egy olyan DC/DC konverter kapcsolást ami 12 voltból állít elő 16-17 voltot, 3-4 watton. Előzmény. Hoztak hozzám egy gépkocsi DAY LIGHT szettet és a gyári konvertere behalt javítani nem lehet, mert be van öntve. A lámpákban egyenként 5 darab 1 wattos power led van beépítve soros kötéssel, ezeket módosítani nem lehet, mert nem lehet a lámpákat roncsolás nélkül megbontani, ragasztva vannak. A lámpákat lepróbáltam 15 voltól kezdtek világítani. Segítséget mindenkinek köszönöm.
Hello!
Remélem ez megfelel. Akkor időzít, ha a nyomógombbal a bemenetet a +12V-hoz zárod. De ha folyamatosan nyomva tartod, akkor is letelik az idő.. üdv! proli007
Sziasztok!
Szükségem lenne egy elvi rajzra az egyszerű 3 sebességes álló szobai ventilátorokról. 3 különálló tekercset kapcsolnának a nyomógombok? A kondenzátor hová van kötve ebben az esetben? Ezért lenne jó egy rajz, akár szabadkézi is csak el tudjak igazodni rajta. Köszi!
Hello!
Nem figyelsz, azt látom. De nem is olvasol? Hány másodpercet kérték? Ráadásul oda is írtam a rajzra, igaz nem másodpercben, hanem szekundumban. Még a file nevében is benne van.. üdv! proli007
Hali Mindenkinek!
Az elektronikus keresésre nincs találatom. Ezért Tőletek kérdezem, van-e valakinek APC Back-UPS CS 500 szünetmenteshez kapcsolási rajza? A fáradozást előre is köszönöm.
kicsit késő volt bocs ma reggel már láttam
Köszönöm a linkeket, különösen a második volt hasznos mert egy ugyan ilyen DVD panelom van amit további hasznosítás miatt vettem kézbe. Arról fogalmam sem volt, hogy ebből cikket írt valaki.
Hello!
Lehet rossz helyen tetted fel a kérdést. Villanyász, motoros topik, vagy ventilátoros csillár abban pld. ezt a linket találtam. Nem tudom ez segít-e számodra.. üdv! proli007
Van egy Orion TV-ből való hangmodulom. A típusa:HL812-2 BC510D-2. Kérdésem, hova kell kötni a KF-jelet, a tápfeszültséget, a hangerőszabályzást? A hangszórókimenet egyből mehet a Junoszt tv 16Ohm-os hangszórójára?
Ha jól emlékszem TBA810-es végfokkal van szerelve...
http://audio.circuitlab.org/2011/12/tba810-7-watt-audio-amplifier-c...t.html ezen eligazodsz szerintem, a KF-jelet meg megtalálod... A TBA120U bekötése http://www.google.hu/imgres?imgurl=http://electroschematics.com/wp-...ur=316 Üdv: Frici
Nem pont az a száma, de nagyon hasonlóak.
Javaslom hogy majd a rajz birtokában a biztosíték helyét hibakeresés idejére hidald át(mármint az égő az áramkörrel sorosan legyen
) egy minimum 25, de szerintem inkább 40W teljesítményű 230V-ra méretezett izzóval! Az izzó áramkorlátként fog viselkedni, így nem megy tönkre semmi, viszont tudsz méricskélni majd ha meglesz a rajz hozzá!
Keresnem a kovetkezo fesz.nero rajzat:SMA Feszültségvizsgáló (MVT 808ACE)
Koszi!
Hali!
A GANZ HERA pultokba helyezhető tápegységekről szeretnék rajzot találni, javítási célból. A gugli kereső nem hozott eredményt. Ha valaki fárad vele, előre is köszönöm!
Szia!
Nekem van egy ilyenem 1993 óta és használom is. Végfok már volt cserélve. Ha még érdekel, akkor napokban megnézem mi van benne.
Sziasztok!
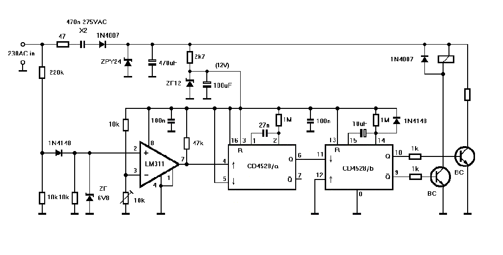
Szükségem lenne egy olyan kapcsolásra, ami AC 210-230V között beállítható értéknél elenged egy relét, és úgy is hagyja legalább 10-20s-ig. Hogy utána visszakapcsol vagy sem már nem lényeg. Ha nekem kell manuálisan "resetelnem" - újraindítanom, hogy ismét bekapcsolható legyen a relé, akkor úgy is megfelel, de ha magától visszakapcsol akkor úgy is jó. Szóval egy feszültségfigyelés kéne benne, ami viszonylag pontosan 210-230V között feszültségcsökkenés (alacsony fesz) esetén elenged egy relét,m és nem kapcsol azonnal vissza. Elég érzékenynek kéne lennie, pontosnak, és viszonylag gyorsnak, és a 217V az 217V legyen ne mondjuk 225V. Találtam egy gyári kivitelt is, de az nem pontosan ezt tudja. HRN-33 feszültségfigyelő relé Ez a gyári cucc nem túl olcsó, jó lenne valami olcsóbb megoldás. (11.000Ft) Egy nagy köszönömöt adnék érte ha valaki meglepne egy ilyen kapcsolással.
Ne csúfold ki, indulás előtt vetettem papírra...
Leosztjuk a hálózati feszt, amit komparátorra vezetünk. Ennek kimenetén akkor kapunk négyszögjelet (50Hz), ha a potival beállított referenciát túllépik a szinuszsapka csúcsai. A négyszögjel újraindítható monostabilt triggerel, aminek visszabillenési ideje éppen "áthidalja" az impulzusszüneteket, ezáltal a Q kimenet stabil. Ez a második mono lefutó élre induló bemenetére kerül és ha 0-ba megy, a relé elejt a beállított ideig. Persze, ha a 20 másodpercen belül többször újraindul, akkor a relé folyamatosan ejtve marad.
Itt a nagy köszönöm...köszi
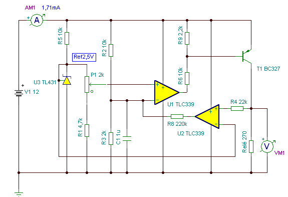
Azonban van egy csomó amatőrnek tűnő, de számomra mégis fontos kérdés ahhoz, hogy meg tudjam építeni megfelelően. Felteszem, aztán ha van időd kérlek válaszolj rájuk: Az LM311? A 220k alatti ellenállást hogy számoljam ki? A 311 referencia beállításhoz használt trimmer és ellenállás értékét hogy számoljam ki? Az a 4,2-4,6 az feszültséget jelent (volt)? A 12V-os tápnál a ZF mit takar? Oda simán jó egy akármilyen 12V-os zener igaz? Csak hogy biztos ne értsem félre? a bal oldalon lévő két pólus ugye a 230V-ot jelenti? (az alsó és felső karika) Jól gondolom-e a 4528-as IC-nek a lábkiosztását a következőképpen?: -föl nyíl: 4-es láb - Q: 6-os láb - lefelé nyíl: 11-es láb - Q fölső vonallal: 9-es láb. - +12V táp csatlakozás: Vdd azaz 16-os láb - GND: Vss azaz 8-as láb - Gondolom egy BC639 tranyónak tökéletesen megfelel a relé kapcsolgatására? - Hasonló talán kérdés?diódáknak megfelelnek az 1N4007-ek, vagy valami spec dióda kell bele? (OK?reléhez biztos nem, meg a zenerek tiszták) - A 9V-os Zenernek mi a szerepe? - És végül?az utolsó kockájában a 4528-as IC-nek ott szerepel a ?20s?. Az hogy jön oda? Hogy fogja tudni, hogy nekem jó a 20s? Vagy milyen alkatrészekkel állítom be ezt az értéket? Mert azzal az egysze potival gondolom a kapcsolási küszöböt állítom.
Sziasztok!
Nekem egy olyan áramkör, IC, chip kéne ami tárol egy dallamot, pl nászindulót és lejátsza ismétlődve. Voltak régebben azok a képeslapok amiket ha szétnyitottam játszott egy zenét. Nekem is hasonló kéne csak a nászindulóval. kicsi kéne legyen hogy el lehessen rejteni egy képeslapban. Nem tud valaki valami megoldást? esetleg készen lehet - e találni ilyen cuccot vagy készíteni mini kivitelben?
Ez kell neked:Bővebben: Link UM66T-09L
Háát, reméltem,hogy elég lesz, de most volt egy kis időm hogy szebben megrajzoljam...
Az LM311? Ez egy komparátor. Ha az oldal motorja aláhúzza szaggatottan, rákattintva a HE-store még adatlapot is mutat. A 220k alatti ellenállást hogy számoljam ki? Simán, mint feszültségosztót, ha egy tag adott és ott a kimeneti megkívánt fesz (kb) Az a 4,2-4,6 az feszültséget jelent (volt)? Igen és ugyanebben a tartományban kell tudnod állítani a referenciát is. Akár 1V eltérés sem számít a leosztott 230-ból kapott fesznél, mert úgyis állítani akarod a komparálási szintet (Uref) a potival. Ha túl durvának találod a beállíthatóságot, akkor értelemszerűen kisebb értékű poti kell, amit kitoldasz fix ellenállással, hogy az átfogás csökkenjen. (mindent azért nincs időm kiszámolni...) A 12V-os tápnál a ZF mit takar? A ZF, ZPD sorozat kis teljesítményű, 5...6mA-es. Bármely hasonló típus megfelel ide. A 24V-nál már ZPD-t írtam, ez - ha jól emlékszem - 15mA-es. Ide akkora áramot elviselni képes eszköz kell, mint az alkalmazott relé áramfelvétele. Azonban kiegészítettem a rajzot még egy tranzisztorral és ellenállással, ami arra jó, hogyha elejt a relé, akkor az ellenállás - ami ugyanakkora mint a reléé - belép műterhelésként, ezért nem kell akkora zener, mint enélkül. a bal oldalon lévő két pólus ugye a 230V-ot jelenti? igen, már odaírtam Jól gondolom-e a 4528-as IC-nek a lábkiosztását a következőképpen? ezt is odaírtam az adatlap szerint (a 100nF-ok mindig az IC-lábhoz legközelebb kerüljenek) A 9V-os Zenernek mi a szerepe? itt most 6,8-as, de lényeg, hogy fölötte legyen a leosztott fesznek, de a hálózaton jövő tüskék ne tehessék tönkre (esetleg) a komparátor bemenetét Végül az időzítések: az adatlap nem ad meg ekkorákat, de én már használtam ilyet 6-8 másodpercre is. A második - 20sec - szekciónál az elkó jó minőségű tantál legyen - mint általában a kondis időzítéseknél. Az 1M a felső határ - tapasztalat szerint - ettől lefelé állíthatod potiként, a kondit kísérletileg kell majd megállapítani, mert a szivárgás miatt úgysem lehet kiszámolni. A 27nF-ból ma már nem lehet igazán rosszat kapni. Itt az időzítésnek 20msec felett kell lennie 2-3msec-el, így egy periódson belül képes reagálni az áramkör.
Köszi!
Ez tökéletes lenne! Honnan lehet ilyet beszerezni? Nem nagyon találok a neten. |
Bejelentkezés
Hirdetés |















