Fórum témák
» Több friss téma |
A freki kiszámításához a formula: Fosc (kHz) = 1.72 / (RT × CT) , ahol az ellenállást kohm-ban, a kapacitást µF-ban kell behelyettesíteni. Forrás:
APPLICATION NOTE UC3842/3/4/5
Sziasztok!
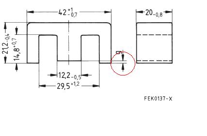
Kapcsoló üzemű tápegységet szeretnék építeni, szereztem hozzá vasmagot, a kérdésem az lenne, hogy a vasmagon a képen látható légrés mennyivel befolyásolja a működést? A kisebbeknél, pl. amit PC-tápból kiszereltem nincs ez a légrés. Ennél miért?
Szia!
Flyback topológiájú tápegységhez kell légrés (tévé, DVD, stb.), ellenütemű elrendezéshez (PC-táp) nem kell légrés. A fórumban olvashatsz a különféle tápegység-megoldások közötti különbségekről. Olvass vissza ebben a topikban, és sok kérdésedre választ kapsz.
Köszi a gyors választ, vissza lapozok.
Sziasztok
Szeretnék egy egyszerű kis teljesítményű szabályzás nélküli tápot készíteni 230V-ra. Van egy ismeretlen anyagú 0,5cm2-es EE ferritem nagyon kis légréssel. A csévén csak 4 kivezetés van, ezért önrezgő kapcsolást nem tudok építeni hozzá, de ha más nincs akkor teszek rá még egy kivezetést. 15V-os tápot akarok csinálni TL494 táplálásához.
Meg lehetne csinálni azt, hogy egy pc tápot alakítanák át úgy, hogy leadjon 2x50V-ot a trafó áttekerésével, nekem kb. olyan 350-400W-ra lenne szükségem. A válaszokat előre is köszönöm.
Szia!
Nekem is ez kellene! Nem olyan egyszerű, de nem lehetetlen! Elkezdtem kisérletezni, hogy letekertem az 5V-hoz és a 12V-hoz tartozó tekercset, kb. 3-8 menet volt több összefogott vezetékből. Meg kellene próbálni kb. 2x30 menetet rátekerni és megmérni. Persze a táp kapcsolását sem lenne rossz jobban ismerni, mert általában szokta figyelni a feszültségeket...
Ez a legegyszerűbb, végfokhoz bőven jó: Skori tápja
Ha a PC tápot elengeded max. kitöltésig az már kb. 2x24-26V a 12V-os tekercseken. 400W-ot nem biztos hogy ki tudsz venni belőle, fűteni fog rendesen a trafó és a tranyók is. Esetleg feljebb kell menni a frekivel.
Ezzel csak az a baj, hogy nekem nem max 26V kell henem 2x50V (+- GND =100V). Plusz még 12V és 24V. Ez egy 2x150W 8ohm-es erősítőhöz kellene. Az erősítő dobozábal nincs hely már a nagy trafónak.
A PC trafóra nem nagyon fog ráférni a szükséges feszültséghez tartozó menetszám, emlékeim szerint ezen a frekin csak max. 0,8-as huzalból ami viszont kevés. Ha a PC trafó nyákostól elfér a dobozodban akkor elfér ott egy nagyobb vas is pl. egy E42. Ez csak 1 cm-el nagyobb és bőven átmegy rajta a 400W.
Üdv, kérdésem lenne,m hogy egy kapcsoló üzemű tápba mi megy tönkre, akkor ha túlmelegszik? Laptop töltőről van szó, tulmelegedett. A nyák alján az egyik FET lábainál szétvan égve a nyák, látszólag más baja nincs, gondolom a FET eket cserélni kell, még valami esetleg tönkre mehet?
Sziasztok!
Ez NTC, igaz? Mert a HQ-s adatlapon NTK-t írnak, az adatlapban pedig NTC-t. Kapcsolóüzemű tápegységbe szeretném, mert a 4.7 Ohm-os túl kicsi.
Szia!
Az NTC és az NTK ugyanazt jelenti. A "K", mint koefficiens.
Hali!
Én 4,7 Ohm -osokat használok a tápjaimba, és eddig jónak tűnt. Eléggé horror áron kínálja mostanság a HQ... lehet kapni megfelelőt, kb harmadáért is :yes:
Igen, de a szükség nagy úr, és ezt ők is tudják...
Nekem kevés a 4.7 Ohm, mert nagy a pufferem és kicsi a Graetz-em, hirtelen nagy áram folyik át a Graetz-en, ami csak 6A-es és nem tudom nagyobbra kicserélni, mert nem fér el. Ennyit megér, hogy ne kelljen mindent újrakezdenem. :yes: Kb másfél éve nem rendeltem a HQ-tól. Régebben sokat rendeltem, de a Lomexben minőségibb dolgok vannak, de oda viszont személyesen jó menni.
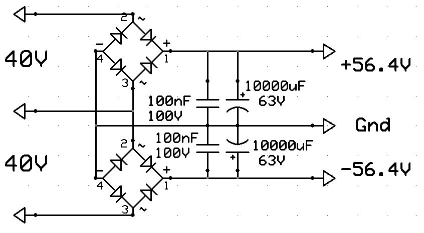
Hali
Az lenne a kérdésem első sorban hogy ez a kapcsolás Így ahogy most van működne-e ha nem akkor mit kéne rajta változtatni hogy működőképes legyen? A +5voltot felváltva kapcsolgatnám egy AVR el 100Khz frekvencián ( 1be>szünet1> 1ki> szünet2> 2be>szünet1>2ki >szünet2>stb.). Másod sorban az lenne a kérdésem hogy hogyan számoljam ki a menetszámot és a vezeték vastagságot a Ferrit maghoz? (mag típusa a pdf-ben de kettő van egymáson szóval nem EI)
Ezzel is lehetne hegeszteni?
Elnézést, elnéztem a topic címét...
De akkor már írok róla. Egy transzformátort a rákerülő feszültség-idő terület fogja mágnesezni. Ez pl. azt jelenti, hogy a tranyók be vannak kapcsolva mondjuk 10 us-ig és a tápfesz 300 V, teljes hidas elrendezés, akkor a trafó 300 x 10 us, azaz 3000Vus fesz-idő területet fog kapni. Ez teljes hidas elrendezésnél azt jelenti, hogy a trafó fluxusa ( indukciója ) egy minusz értékről egy plusz értékre fog nőni a 10-ik us végére. Így, az összes indukcióváltozás a minusz értékről a plusz érték elérése. Ez mondjuk 100 kHz-en legyen 2 x 100 mT. A hozzá szükséges menetszámot úgy lehet kiszámolni, hogy ezt a feszültség-idő területet elosztjuk a ferrit vaskeresztmetszetével és még elosztjuk a maximális indukcióváltozással. ( ami az előző példában 200 mT ) A szekunder menetszámot meg a trafó áttételéből lehet megkapni. A tekercselő drót anyaga mindenképpen litze legyen, különben szétrobban a tekercselés a nagy veszteségek miatt. A litze( litzék ) keresztmetszetét úgy kell meghatározni, hogy a transzformátor csévetestjének az ablaka tele legyen tekerve.
Nem működne.
Trafó.jpg-n óriási hibák vannak. Egyrészt IRFP460 fesz. tűrése kicsi, másrészt a diódákat kénytelen leszel elhagyni, különben pukk lesz. Trafó_ki.jpg-ből látszik, hogy nem esett le az, hogy nem szinuszos a kimenete a szekundernek. A greatz hidak bekötésénél csak pislogtam ![]() (Nameg, hiányoznak a fojtók.) Ezenkívül a lomex-es E42-ben jó nagy légrés van, vagy fojtónak, vagy flyback tápnak használható, push-pull elrendezésben nagyon nagy mágnesezési árama lenne. Menetszám meghatározáshoz pedig az oldal tetejére kellet volna nézned. Olvass utána a kapcsolóüzemű tápok működésének, topológiáinak. AVR-ről egyelőre mondj le. ui: Mit kéne változtatni? Mindent kb. ui2: 5V nem elég a feteknek.
A kapcsiüzemben jártasak válaszára lennék kíváncsi.
Túlzott óvatosság a két snubber?
Ezek a snubber elrendezések mind veszteségesek. Minnél nagyobb a működési frekvencia, annál nagyobb a veszteség is. A rajzod szerint megépítve, két snubber van, ez azt jelenti, hogy két részre oszthatod ezt a veszteséget. Van olyan eset, amikor nincs más megoldás, a nagy veszteség miatt két részre kell bontani, akkor esetleg könnyebb elhelyezni a nyákon, vagy ilyesmik. De úgyis lehet, hogy csak a tranyó mellé teszel be két snubbert. Szóval, van választási lehetőség. ( általában elég egy is, én több darabból rakom össze az ellenállást, ha egy megszakad, még nincs túl nagy baj )
Köszönöm a választ. A cuccnak üzembiztosnak kell lennie, úgyhogy maradok az eredeti elrendezésnél.
Ha csak a tekercsre tennék, a fetre nem (csak azért, hogy ne annak kelljen elfűteni bekapcsoláskor a kondi töltését) elég lehetne vajon?
Inkább a FET-re tedd, az az érzékenyebb eszköz, különösen ha nem sikerül túl jóra a nyákterv. A veszetség szempontjából nagyjából mindegy.
Üdv!
Szükségem lenne egy kis segítségre. Fejlesztés alatt áll egy kb 800-1000W-os rezonáns táp. A kapcsolást csatoltam. A probléma a szkóp ábrákon látszik, üresjáratban iszonyatosan nagy belengések vannak a szekunderen míg a primer szinte tiszta, kis terheléssel 30W már csillapodik, de nem tűnik el, mindegyikhez mértem primer áramot is. Azok sem a megszokott jelalakok. Próbáltam olyan trafóval ami másik tápban jó, azzal is hasonlóak a jelalakok. A vezérlésben a DT kb 300ns egyenlőre külső tápról megy.
Még annyi hogy rezonáns működésnek nem sok jelét tapasztalom, frekivel próbáltam játszani, semmi változás.
Nem tudom mi okozza a túllövéseket, szép négyszögnek kellene lennie. Valamint a szkópkábel s szed össze zavarokat, de annyi szent hogy az üresjárási feszültség a tüskék miatt nagyon megemelkedik, snubberrel nem tudom csillapítani eléggé nagy energiájú a túllövés. További jelalakok:
1. tipp: tafó nem stimmel (írhatnál róla adatokat, tekercselésről is némi infót, szórási ind...)
2. tipp: kevés a puffer
Hali!
A trafó M2TN_C anyagú most 80kHz-en megy 11 menet primer és 2x5 menet szekunder. A szórási 16uH a mágnesezője 700uH körül. A primeren jelenleg 3x390u a puffer a szekunderen megy 3-3db 1000u/100V
Szekunder bifillárisan van tekerve? Vaskeresztmetszet?
|
Bejelentkezés
Hirdetés |




















