Fórum témák
» Több friss téma |
Jó az az IRF740 full-bridge, olcsó és könnyű meghajtani.
Trafóval hajtod őket, vagy valami diszkrét szinttolóval? A ZVS kondik áttöltését az a külön tekercs végzi? (gondolom) Az E "vasaknak" jó nagy a szórása, csatoltam képet... Sajnos "C" ferritem nincs, ezek vannak, majd bepróbálkozok 35-40kHz-el, úgyis van még pár IR2153 és IRFP460, 500W-ot el kell bírnia.
üdv mindenkinek
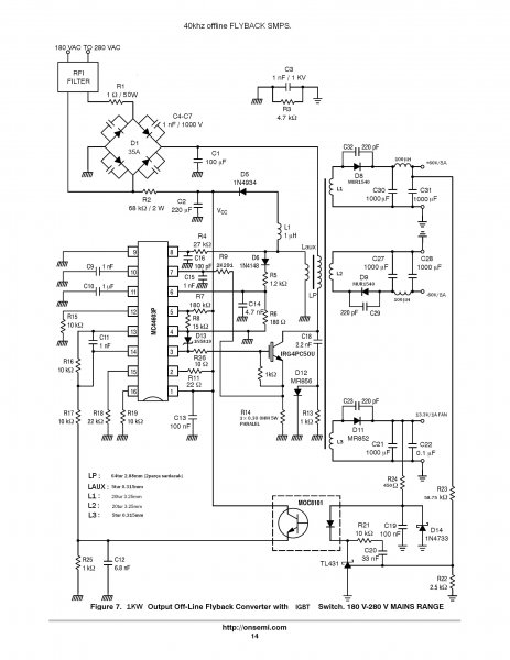
Szeretném a véleményeteket kérni a képen csatolt kapcsitápról.Ez igy ahogy van szerintetek tud 1KW ot ahogy irják?Szerintem nem.Szügségem lenne egy 500 wattos kapcsi tápra +-50volton,és nemtudom holkezdjek hozzá,sok pc s tápom van itthon,jólenne hasznositani öket.A válaszokért elöre is köszönet.
Nem, nincs a főkörben elektronika, a gatemeghajtások is trafóról történnek. Az a kis panel csak egy indítókör, meg áramkorlát, tápfeszvédelem, ilyesmi. Egy darab CD40106 van rajta, meg néhány passzív alkatrész. Szerintem a nyák drágább, mint amit rátettem
Nem, a ZVS kondikat a főkör tölti át, de olyan szellemesen, hogy mégcsak a tranyók sem kellenek hozzá. Alig van benne valami, lényeg az olcsóság, különben nem lehet versenyképes egy toroidos táppal. Tudom a következő kérdésed egy rajz lenne, de ez egyenlőre nem publikus. Szerintem, 500 W-nak ki kell jönnie, van olyan tápom, ami 240 W-os, ventillátor nincs benne és 55 fokos környezetben megy, ugyanilyen vassal. És, a vas csak egyirányba van mágnesezve. Ráadásul nincs benne litze, egyszerűen tömör Mzz-ből van tekerve. Itt a céges nyereség volt a lényeg... ezt a tápot már négy féle változatban elsütöttem... csak a doboz, meg a nyák, meg némi körítés változott bennük. Tehát, ha te ezt kétirányba mágnesezed, akkor biztosan ki fog jönni belőle 500 W, még úgyis, hogy azért az előterhelést biztosító kicsi mágnesezési induktivitás is benne van a trafóban. ZVS-t akarsz csinálni? Nem rezonánsat? ZVS-ként csak teljes hídként tudod megcsinálni szabályozottra, mégpedig fázistolósan. Ha nem kell szabályozott, akkor megy félhídként is.
Idézet: Dehogy kell rajz, ilyet nem mernék kérni. „Tudom a következő kérdésed egy rajz lenne, de ez egyenlőre nem publikus.” Idézet: Na ezt nem fogjuk megtudni mostanában...„...de olyan szellemesen...” Idézet: Önrezgő rezonáns ZVS-t, természetesen nem szabályzottat és félhíd lesz, kicsit erős lenne 500W-nak 4db IRFP460. „ZVS-t akarsz csinálni? Nem rezonánsat?”
Miért ne tudna, ha jól van benne minden méretezve. A baj csak annyi, hogy a trafója csak egy irányba van mágnesezve, emiatt kétszer akkora trafó kell bele, mint pl egy félhídba. Viszont, egyszerű, mert nem kell bele pl. kimeneti fojtó. Meg egy-egy dióda is elég a kimenetre. A hatásfoka nem lesz túl jó, mert az IGBT-n sok áram fog folyni. De ettől még érdemes vele foglalkozni, gondolom, erősítőbe kellene, tehát, nem lesz folyamatosan nagy áram. A 600V-os IGBT kevés lesz bele, inkább 900V-os kellene.
Miért ne lehetne 1kW. 35A-es a Graetz, IRG4PC50U a kapcsoló és MUR1540 a diódák. A trafó? Az már problémásabb. Semmi adat, de saccra valami EE-65 trafó kell ebbe. Az oldal tetején belinkeltem egy jó kis irományt, nézd meg.
Abban a flyback tápokat nem javasolják nagy teljesítményre, de nem lehetetlen. Ez egyébként valami onsemi app.note-ban volt?
üdv
Pont azért tettem fel a kérdést,mivel én is úgyhallottam,hogy flybackot max 400wattig érdemes használni.Erösitöt szeretnék meghajtani vele és én a meghajtó ict lecserélném valami egyszerübbre,mondjuk UC3843 ra gondoltam.A kapcsolást a neten találtam,de hogy pontosan hol azt nemtudom,semmi más nemvolt megadva hozzá,csak egy 1000 wattos erösitö végfokhoz ajánlották mellékelve.
Idézet: Én láttam olyan flyback akku-töltőt, amiben lazán IRF830 volt a kapcsoló. „A 600V-os IGBT kevés lesz bele, inkább 900V-os kellene.”
Én már 200W-nál sem állnék neki együteműnek, szerintem mindenképp félhídban érdemes nekiállni.
Még 1-1,5kW-ig nincs nagy gond a félhíddal. (TO-247 tokozások mellett persze)
Kösz a tanácsot,megfontolom,mivel hogy ferit magjaim nekem sincsenek ijen kilos darabok
Idézet: Én úgy tudom az a forward/half-bridge(nyitóüzem/félhíd) viszonylat, a záróüzeműnél egyenáramú gerjesztést kap a vas és még az energiatároló tekercs feladatát is ellátja. Űgyhogy jóval nagyobb kell, ezért írtam hasraütve az E65-öst.(Tietze/Schenk infó) „A baj csak annyi, hogy a trafója csak egy irányba van mágnesezve, emiatt kétszer akkora trafó kell bele, mint pl egy félhídba. Viszont, egyszerű, mert nem kell bele pl. kimeneti fojtó.”
Idézet: „A ZVS kondik áttöltését az a külön tekercs végzi? (gondolom)” Ilyen esetben ha van rá mód lehet növelni a DT-t valamilyen terhelésfüggő szabályozással. Teljes hídnál akár figyelni is lehetne a 0-átmeneteket a félhidakban és ehhez kötni a vezérlést.
Mikor megvettem az inverteres hegesztőmet, kissé belekíváncsiskodtam. Együtemű, elég kicsi trafó van benne, könnyű, mint a pille. Épp ezért nem is álltam neki magam barkácsolni, mert ezen az áron ezt a minőséget képtelenség kihozni. Elég sokat dolgoztam vele és még nem állt le túlmelegedés miatt. 80A ~3-3,5 KW.
Ezt tudjuk, de ez "Hobbi Elektronika" és DIY, azaz csináld magad.
Többe jön ki, akkor is Te csináltad és ha baja van bele tudsz simán nyúlni és nem nézel bután ha mikrokontroller vezérli... ![]() Együtemű, gondolom "Two Transistor Forward" és két kis gate meghajtó trafó hajt benne IGBT-ket...
Talán ráfér E55-re is, de jobb a 65-ös, nem kell annyit szenvedni a szigetelésekkel.
Minden együtemű kapcsolásnál egyengerjesztést kap a vas, hiszen, a hiszterézisgörbéjének csak az egyik nulla feletti, vagy alatti területén történik a mágnesezés. Jó ez a flyback. Itt mindenki azzal van elfoglalva, hogy a trafó az energiatároló, meg a tárolt energia szükségletet számolgatják, stb. Holott ezt a kapcsolást úgy is lehet méretezni, hogy eszembe sem jut, hogy a trafónak van energiatároló funkciója. Mindössze egy trafót kell méretezni, aminél a primernek megfelelő mértékű a mágnesezőárama...
Persze, mert nem is tettél bele ilyen bonyolult alkatrészt...
Tietze(forward): "A transzformátor egyenáramú előmágnesezés nélkül működik" :yes:
Nem emlékszek, hogy láttam volna benne mikrokontrollert (nem figyeltem annyira), de tele van SMD LM339-esekkel. A meghajtó 6 db FET párhuzamosan.
Egyébként csak érdekességképen írtam. Javítani szoktam hasonlókat, de magam összebütykölni?
Idézet: Azért nehogy már rávedd a népet, hogy flyback(záróüzemű) tápokat építsen! „Jó ez a flyback.”
Ugyan már, nem akarok én senkit rábeszélni a jóra...
Nekem ebből az jön le, hogy a hiszterézisgörbe egyik fele van csak használva az aszimetrikus félhídnál. Vagyis, csak pozitív irányú gerjesztést kap, ergó, ez csak egyirányú, még ha változik is. Vagy mondhatjuk azt is, hogy van egy átlag egyenösszetevője, amin csücsül egy kis ( vagy nagy ) váltóösszetevő. Olyasmi, mint egy táp kimenete. DC, de azért van rajta egy kis brumm, ami ugye váltó, de összességében a feszültség nem megy negatívba, mint ahogy a csatolt rajzon sem megy negatívba az indukció. De szépen látszik rajta a légrés hatása a hiszterézisgörbére.
Itt vannak a Philips dokumentációk.
(a forward rajza hibás benne, a Tietze/Schenk-ben jó, azt belinkeltem a lap tetején) Csak óvatosan, mert az olvasás káros az egészségre!
Igen tudom, ezért csak hangos könyveket szoktam olvasni...
Idézet: „Csak óvatosan, mert az olvasás káros az egészségre!” Bizony, bizony, a szemem már nagyon hamar elfárad.
Idézet: Elindult a táp?„Hétvégére kész lesz még egy újabb táp a múltkori terminálos +1-2 módosítással.(1kW)” nagy_david1 már felhagyott a kapcsitápokkal?
Igen, megy, csak megint ua. a helyzet mint múltkor, hogy a szekunderfeszre ráülnek ilyen tüskék közvetlenül a felfutóél után.
Arra már rájöttem, hogy ez a hardswitch miatt van. Betettem egy nagyobb mágnesezőinduktivítást, most elég áttöltődik a félhíd kimenete ZVS-ben, de miután felfutott illetve lefutott megint kialakul az az áramtüske ami a kimeneten a tüskéket okozza. Arra gyanakszom, hogy a fetek body diódájinak reverse recovery töltése megszippantja a primeráramot ami áttranszformálódik a szekunderre is. Mellékeltem egy képet. Egyetlen megoldásnak csak azt látom, hogy pontosan be kell állítsam a mágnesezőáram értékét, hogy mire áttöltődik a félhíd 0V-ra illetve tápfeszre, pont bekapcsoljanak a fetek, hogy a body diófák ne vezethessenek. Vagy még talán az, hogy kis töltésű IGBT-t teszek bele. Vagy szerintetek más okozza a problémát?
Próbáld meg IGBT-kkel.
Jó a szkópfotód. Az áramkörről raksz fel képet?
Üdv Mindenkinek!
Van nekem néhány kapcsi táp panelem, samsung gyártmány, kíváncsi lennék a véleményetekre. Teljes dokumentáció megvan hozzá, a vezérlést 2 db íc bitosítja, (szimetrikus a táp) ezt jó lenne kiváltani valamilyen formában fettel, nagyobb teljesítményt lehetne kihozni belőle. 12 voltól 85 voltig lehet a trafót élesíteni. Ha van tippetek szivesen fogadom. Bővebben: Link
A két nagy trafó használható, 2x500W-ot ki lehet hozni belőle biztos. Valószínűleg flyback trafók, a légrésből le kell csiszolni, mert kicsi az AL. Ránézésre ETD44-esek.
![]() Üdv!
|
Bejelentkezés
Hirdetés |














