Fórum témák
» Több friss téma |
Helló!
Írd le hogyan csináltad meg. Hátha kiderül mit rontottál el.
Nem rontottam el semmit. Ez a végeredmény és ezt kellene felrajzolni 2 bemenetű NAND kapukkal. TINA-val szimulálva teljesen jó csak nem tuom tovább egyszerűsíteni.
Ennél a feladatnál az a gond, hogy ezt még így nem lehet megoldani 2 bemenetű NAND kapukkal , hiszen a kapott függvényben 2 db 3 bemenetű kapura is szükség van . Ebből a függvényből még valamit ki kell emelni , vagy ez még nem a legegyszerűbb alak.
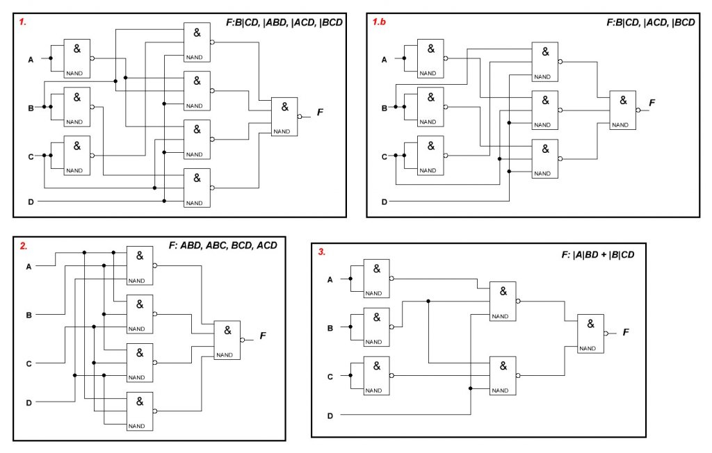
Mellékeltem a feladatokat és az általam gondolt megoldást.
Az elsőre két változatot rajzoltam. Jó gondolom, hogy az 1.b nem hazárdmentes? A 3. feladatnál előírás, hogy kétbemenetű NAND használható csak. Nos ezt nem bírom megoldani két bemenettel. Ha csak nem az a megoldás, hogy a |B*D bemenetet kell használni a többi elhagyható.
A 3. feladatban szerintem még biztos lehet egyszerűsíteni.Megnézem...
Szerintem így van a klasszikus alakja a függvénynek , de azért várjuk meg más véleményét is.
F=/A*/B*D + /B*/C*D Két tagból kiemeltem az ismétlődő változókat a disztributív törvény alapján: F= /A *(/B*D) + /C*(/B*D) Így: F= /A * /C + /B * D
Köszi!
'Klasszikus' alakban egyezünk. Mára elfogyott a kapacitásom, de holnap megnézem. Mindenesetre ezt én is megláthattam volna. Ránézésre is jónak tűnik. Szombaton vizsgázom és ez csak a jéghegy csúcsa, de ennélkül nem tudok vizsgázni.
Az 1. szerintem jó, és az 1.b szerintem sem hazárdmentes.
A 2. szerintem jó, nekem is az jött ki. A 3. feladatnál én a kiírásból azt gondolom, hogy a 10-15-ig lévő állapotok nincsenek meghatározva. Mivel csak 9-ig jöhet szám, akkor teljesen mindegy, milyen kimenete lenne a függvénynek 10-15-ig, hiszen olyan bemeneti jel úgysem jöhet. Ezzel a meggondolással kijön az F3=|B*D. Ez végeredményben azt jelenti, hogy ha valahogy mégis jönne 11 a bemenetre, arra is 1 lenne a kimenet (a kiírásnak megfelelőkön kívül). Ezt a függvényt két bemenetű NAND kapukkal (nem éppen elegáns módon, de) könnyen meg lehet csinálni. (Ha én értékelném a megoldást, akkor ezt elfogadnám.)
Ha nem vesszük figyelembe a határozatlan állapotokat, akkor a klasszikus alakja jó a függvénynek, de a kiemelés nem jó.
Szerintem a kiemelés után F3=|B*D*(|C+|A) jön ki, amit csak nagyon csúnyán lehet két bemenetű NAND kapukkal megvalósítani. De minden NAND-ból lehet ÉS-t, invertert, meg VAGY kaput is csinálni (persze utána megnézhetjük a késleltetésből adódó mindenféle hazárdokat).
Sajnos , akkor rosszul emlékeztem a kiemelésre.
Sziasztok!
Tovább kell mennem. Mellékeltem a következő két feladatot. Mindkettőnél felírom az egyszerű és összetett igazságtáblákat majd ezekből a Karnaugh táblákat. Eredmény: 1. feladat: |A|BQ, |AB|Q, ABQ, A|B|Q 2. feladat: |B|Q, A|Q, A|B Ezeket nem tudom megrajzolni. A (Q)-val itt mit kezdjek? TINA-ban kipróbáltam. A Q visszacsatolása azt eredményezi, hogy akkor amikor a bemeneten olyan jel van aminek hatására a kimenetnek szintet kell váltani akkor az órajel ütemére váltogatja a kimenetet. Például a második feladatnál, ha AB 01 akkor a D tároló kimenete 0 és, ha AB 10 akkor 1. Ez jó mert ez van a feladatban is, de 00 és 11 hatására billeg a kimenet. |
Bejelentkezés
Hirdetés |





