Fórum témák
» Több friss téma |
Fórum » kristályok
Sziasztok nemrég kezem ügyébe akadt 1 kristály azt szeretném megkérdezni hogy ezek mire valók és vmi ismertetőanyagot nem tudnátok adni??
előre is köszi
gondolom rezgéskeltőnek vagy minek használhatod de majd a "nagyobbak" megmondják
azt gondoltam h resgést állít elő mert amit én találtam arra az volt írva h 4433.6 talán khz de nem biztos má nem emléxek a mértékegységére de azért köszi
A jelentőségük a rezgéskeltésben és szűrésben van
Pontosságuk figyelemre méltó! Ez a lényeges szempont az alkamazásuk esetén! Működésük elve: Feszültség hatására mechanikai deformáció jön létre bennük, a geometriai méretük befolyásolja azt a frekvenciát amin rezgőképesek. Ezt használjuk ki a stabil frekvencia előállítására. Nagy pontosság esetén "kályhába" termosztátba is helyezik mert állandó hőmérséklet esetén nincs mechanikus méretbeli változás, ezért sokkal pontosabb a rezgés értéke. pl .: laborműszerekben, generátorokban frekvencimérőkben alkalmazzák ezt a lehetőséget. Mechanikai mérteik végtelen kicsik nem lehetnek ezért nem tudunk "végtelen nagy " frekvenciát létrehozni velük . Max kb.: 1-200 megáig készítenek rezgő képes kvarcokat. E felett töbszöröznek frekit vagy PLL-t használnak. De milyen érdekes ?! A PLL referencia frekijét is kvarcból osztjuk le.Kb.: 8 - 10 féle kvarc oscillátor alapkapcsolás van ezeket még szokták variálni így elég széles a kvarcos kapcsolások tárháza. röviden tömören ennyi
A 4433,6 kHz ( vagy 4,4336 MHz) , asszem színes TV-be való.
Berezgetni sokféleképpen lehet, a neten biztos találsz valamit.
szia!
4433.6 khz es csak nem voltam benne biztos üdv: zoly15
A színes TV-kben van a PAL-hoz (4,433619MHz)
Sziasztok,
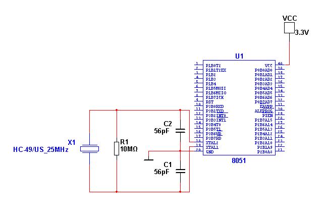
Van egy C8051F360 mikrovezerlom es egy 25MHz-es kristallyal probalom meghajtani. Amikor felelesztem a mikrovezerlot szepen fut 25MHz-en a kristaly, de amikor elinditom a feltoltott programot rajta akkor mindenfele felharmonikusok jonnek vissza rajta es a legmagasabb frekvencia is kb 6.5 MHz lesz a kristalyon merve. A tapegysegen stabil 3.3V van, nem tapasztaltam rajta szamottevo zavart. Probaltam tobb tapegyseggel is. A panelen van helye egy felhuzo ellenallasnak is az XTAL1 labra de en azt nem tettem be. Ha egy potit bekotok ideiglenesen es ugy allitom be, hogy a legkisebb zavar keletkezzen akkor 1.006kHz-es negyszogjelre beall a kristaly es kb 30%-os kitoltottseggel fut. Ha megallitom a programot akkor visszaall a szep szabalyos 25MHz-es szinuszjelre. Ez mitol lehet es hogyan lehetne orvosolni? A kapcsolasi rajzot, szkopkepet es a programot mellekeltem. Az utobbi egyebkent semmi mast nem csinal mint beallitja a kulso orajelet (a kristaly) rendszerorajelnek. A segitseget elore is koszonom.
Sziasztok! Keresek 40,685 - ös kristályt. Kettő db kellene. Van e valakinek?
Előre is köszönöm!
Sziasztok! Valaki segítene? DX 12.000 kristály mire való és mi a DX jelölés?
Pontos frekvencia előállítására való. DX? Passz, talán valamilyen gyártói jelölés. Fénykép van róla?
Szerintem a DX a tokozasi formara utal, termeszetesen a gyarton beluli sorozatnal.
|
Bejelentkezés
Hirdetés |




?! A PLL referencia frekijét is kvarcból osztjuk le.



