Fórum témák
» Több friss téma |
Fórum » Kutya macska (vad) riasztó
Amennyire biológiai/anatómiai tanulmányaimból emléxem rá, a 20kHz már csak az igazán nagyon vájtfülűek számára hallható. Jócskán túl van a Hofi által "kisüveg-hang"-nak nevezett éles, magas, sípolós hangon...
De ha valaki tudja konkrétan, javítson ki!
Ja, 20 kilót már nem nagyon hallunk, sőt, van aki már a tücsök ciripelését sem hallja meg, mert túl magas az a hang neki...
De a 12 kHz-et azért biztosan hallja az ember. Aki nem hallja, az biztosan túl sokat járt diszkóba...
Kösz Frankye!
Úgy lehetne,mintr a vakondriasztó? Hogy mondjuk tart pár másodperc szünetet,aztán akkor sípol pár másodpercet. Mondjuk 3mp síp és 6mp semmi. Most már boztos, hogy menyéttel van dolgom.Megerősítették mások is.
Nagyon szívesen!
Az egyik lehetőség ez, vagyis hogy ------......------- (jel-szünet-jel.... stb.) A másik lehetőség (ez a bonyolultabb!), hogy a frekvenciát modulálgatod, azaz magas-mély-magas, mint a szirénák esetében. Erre is van több variáció, pl. hogy két, különálló frekvenciájú rezgő, és váltva kapcsolnak be, vagy egy rezgő, aminek a frekvenciáját módosítja a másik astabil.
Hüm-hüm...
Szerintem az állandó ritmushoz könnyedén hozzászoknak ezek a kis dögök...Amit én csináltam (menyétriasztó) egy tranzisztor mint zajgenerátor üzemel. Teljesen "összevissza" jelet produkál...Lekopogom, a menyétcsalád elköltözöt. (a kapcsolási rajzot egy régebbi elektorban leltem, de sajna nem emléxem a dátumra)
Nem tudnád a panelt lefényképezni? (Ha megvan még)
Kösz!
Vazz...Tegnap voltam a telken, ha előbb tudom ezt...
Megpróbálom megkeresni az említett cikket
kösz szabi83 sokat segítettél ha más nem vicsysen
de én az elektorban nem találtam mást! 91-93!
Bocs a kicsit offért, de én személy szerint 17k-ig tuti hallok, de felette sem kizárt.
Hozzá tartozik még a témához, hogy nem kizárt a 20k feletti hallás sem. Ezt azzal magyarázom, hogy általában szinusszal mérnek, amire lehet, hogy egyszerűen nem figyel a hallgató, tehát lehet, hogy hallja, csak rohadtul nem figyel rá, ezért bár fizikailag hallja, de idegi szinten nem vesz róla tudomást, tehát gyakorlatilag az eredmény az, hogy "nem hallja". Egészen más a helyzet a modulált és természetes hangokkal. A high-end-esek is ezzel magyarázzák az irányzat létjogosultságát, hogy egy hangátviteli rendszernek nem elég az orvosilag bizonyított hangtartomány, mert lehet, hogy az ember úgy érzi, hogy nem hallja, közben pedig hallja, és nagyságrendekkel megemeli a mű élvezeti szintjét, mert nem a szó mai értelmében véve hallja, de érzi, érzékeli, tehát végső soron hallja. Ugyanez a helyzet a szubhangokkal, csak ennek népszerűsödésében hátszelet adott a házimozi-őrület. Míg a '70-es években a diszkókban jó, ha 200Hz-en kopogott a hangfal, addig ma már alapkövetelmény, hogy legalább 50Hz-ig menjen le a sávszélesség alsó küszöbe. Én meg azt mondanám, hogy ha lehet, menjünk le 20Hz-ig, mert ugyan lehet, hogy nem hallom, de érzem! És a legfontosabb: a cájg karakterisztikája lehetőleg ne hasonlítson az alpok vonulatához.
Akkor az off-ot folytatva:
Persze, vannak "vájtfülű" emberek, akik sokkal nagyobb tartományát hallják a hangoknak. Ez több dologból tevődik össze: - Életkor (előrehaladtával a határok beszűkülnek többé-kevésbé) - Genetikai öröklöttség (mit hoztál apucitól-anyucitól) - Zenei műveltség (nem vicc!) - Egyéni érzékenység (na ez az, amit nem lehet sehogyan sem megfogni!) Nyilván vannak, akik a 20 kHz felett is hallanak, mások meg már a 10-12 kHz-es hangot sem.
Rekordok könyvében olvastam, hogy orosz kísérletekben egyes alanyok 200kHz-es rezgést is érzékeltek, ha a hangforrást hozzányomták a koponyájukhoz....:alien:
Persze, ha elég nagy az amplitúdója a rezgésnek, előbb bizsergeti, aztán fáj, aztán már nem is érzi a páciens... No de orosz kísérleteknél ez nem szempont!
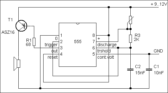
bedobhatnátok ide a 20khz-es hangot kiadó kapcsolást, mert speciel nekem is kell... szeretem a macskákat, de nem a szomszédét...
...azt hittem besza*ok 17000hz nél dúrva
amugy ez a kapcsolás egy ultrahangos riasztó
és ez működik biztosan? napközben is használható a kertben? és mivel tudm azt a tranzisztort helyettesíteni? és mekkora az a potméter?
nem biztos hogy műkködik mert még most építem én is! ha működik gondolom nap közben is használható! ugyse szól érte senki ha senki se hallja
, azt mondták hogy bd140 el helyettesítsem a tranyót de ez hangszórótól függa potméter mekkora? hm franc tudja én trimmer potit rakok oda 100k-s at
Egy dologról ne feledkezzetek meg! Az ilyen magas frekvenciák káros hatással lehetnek a csecsemőkre! Elég magas intenzitás elég hosszú időtartamig átmeneti halláskárosodást is okozhat! Szóval csak ésszel, ha a szomszéd kutyája már vonyít két napja.
csecsemőkre????
ajaj a szomszédba van 1 akkor ezt elnapolom pár évre
A hang intenzitása a távolság négyzetével fordított arányosságban csökken. 1 méterről 10 méterre a hangintenzitás már csak az egy százada, szóval messziről már nem veszélyes. Mondjuk attól függ milyen intenzitással nyomatod.
nálunk is van egy csecsemő a szomszédban, meg egy 3 éves gyerek is van... akkor nemtom mi legyen. ha megépítetted plz szólj, hogy működik-e!
ok ma megyek venni bd tranyót! aztán nyák készítés stb... nemtom mikorra leszek kész
|
Bejelentkezés
Hirdetés |




"
...






