Fórum témák
» Több friss téma |
Üdv!
Ma szétszedtem a tv-t, de nem látok rajta,vagyis a kondikon semmi érdemlegeset.A táp panel kondijait átmértem, azok jók. Esetleg ehhez a panelhoz nincs véletlen valakinek rajza,én nem találtam. Jó lenne tudni hogy melyik pontokon mit kéne mérni. Az biztos hogy 19,6v Dc megvan, a másik panelre menő csatlakozó soron is, viszont a többi mérő ponton csak addig tudok feszültséget mérni, amíg a készenléti led el nem kezd villogni.
Nos,közben találtam róla,vagyis a Tv-ről szervíz doksit. Az alapján kiderítettem hogy egy biztosíték volt szakadt és az utána lévő Z1287Qi1 tipusú Ic rossz. Bővebben: Link
Lehet ilyet kapni valahol? Nekem a gugliba beírva csak Aliexpresszes találatok vannak,de rákattintva nem hoz be semmit.
Bővebben: Link
Zászlónál kis háromszög és átállítod a második legördülőnél angolra. A hozzászólás módosítva: Aug 12, 2023
Oké,de nekem ez a sok asztalka, meg kis szék igen kínai
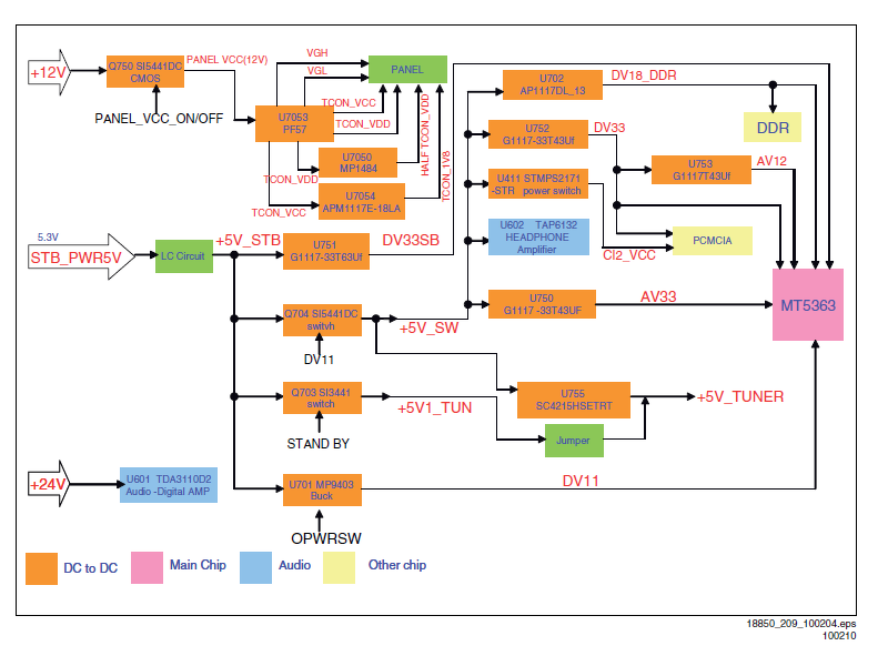
Megmértem.
-U751:3,3V -U750:3,3V -U752:3,3V -U756:1,2V -U702:1,8V Ennyinek is kéne lenniük, és mindaddig igaz, míg videot nem várok tőle. Akkor újraindulgat -és persze akkor leesnek ezek a feszültségek.
Keress egy másik lapot az Ebay-en vagy valamilyen más hirdetési oldalon és cseréld ki.
![]() Az valóban megoldást ígér, de azért szeretném tudni, mi lehat a hiba. (én már a MT5363-ra gyanakszom -amivel akkor sem tudnék mit kezdeni, ha biztos lennék benne)
Házilagosan még a firmware-cserét sem lehet könnyen megoldani, nem hogy procicserét, ezért ajánlottam ezt a radikális megoldást.
Arra gondoltam: még kipiszkálom C702 (470µF/16V)elektrolit-kondenzátort, úgy látom, tőle ágaznak el ezek az 5V-ról táplálkozó dolgok. Hátha ő szenved némi kapacitáshiányban.
Vagy fölösleges ezekután? A hozzászólás módosítva: Aug 12, 2023
A tápegységen igen. Ezen a lapon nem -azzal kezdtem, amit tanácsoltál, először azokat a feszültségeket mértem. (most nagynehezen széthúztam a lapot, elég furmányosan és feszesen van a hátuljára illesztve egy fémlemez)
Mindegyik kondenzátort teszteld le, hisz a kis konvertereknek a digitális lapon vannak a puffereik, szűrőik.
Megcsináltam a "házifeladatot", csak még szöszöltem -este meg már nem írtam...
Szóval, kivettem, megmértem a 470µF-ost (C702), a két 100µF-ost (C762 és C724), a két 10µF-ost (C755 és C764) nem méregettem, cseréltem. Változás nincs. A szöszölés az volt: Érdekességeket tapasztaltam: Egyik: -ha bekapcsolom a TV-t, kossuth rádión, ugye, megy. Ha visszafelé kapcsolgatok, akkor míg SD adásokra kapcsolgatok, addig folyamatosan dolgozik a TV, akér óráig is -viszont ha elérem a HD adásokat, akkor kezd ki-bekapcsolgatni, és onnantól már nagy szerencse kell kilépni, hiszen mindig visszatér arra, hogy (például) : Ch6-Duna. Szerencsésebb kihúzni az antennát, visszanavigálni rádióra, és úgy visszadugni. Ezzel elszórakoztam néhány órát. Másik: -két elektrolit-kondenzator véletlen sem akkora értékŰ, mint a ServiceManualban feltüntetett. Ezzel is elszöszöltem, képeket (fényképeket) kerestem a neten az enyémmel azonos lapokról -de azokon is 100µF-osokat láttam. Pedig a ServiceManual 10 és 1 µF-osoknak tünteti fel őket. Végül úgy döntöttem, ha más lapokon is így van (tehát eredetiek lehetnek, és kiszedés előtt a forrasztás is gyárinak nézett ki), akkor én mégegyszer ki nem piszkálom őket. A hozzászólás módosítva: Aug 13, 2023
Szerinted akkor egyezkedjeünk inkább olyan (rosszuljárt) fórumtárssal, ki összetörte? Hajlandó vagyok rá
Tiszteletem! Technika 904b aw14 ez a TV-m. Szétszedtem, két sor LED van benne, azaz 2x11 db. A LED-ek nem kapnak feszültséget. Tudtommal 30 Voltnak kellene lennie. Csak hang van, kép nincs, még ha rávilágítok a monitorra, akkor sem látok semmit. Sajnálom a készüléket, mert kitűnő kép volt rajta.
Javítani nem viszem, mert úgyis átverik az embert, mondván, hogy ez meg az kellett bele, holott lehet, hogy csak pár forintos alkatrész kell bele. Mit tehetnék? Újra szétszedem, és méregetek. Van benne egy alkatrész, amin a feszültség több mint 1000 Volt. Képet nem tudok mellékelni, csak azért írtam, hogy hátha akad valaki, akinek ez a gondja és tud segíteni. Köszönettel: papa Idézet: „úgyis átverik az embert” Nincs mondsnivalóm
Apróhirdetésbe kell feltenni település megjelöléssel, biztosan jelentkezik nem lehúzós ember. Nálam is járt már 150e Ft-os lemezjátszó, pénz nem számít, csak jó legyen a tulaj szerint, két kondi cserére kértem 6eFt-ot...
102cm-es HD ready TV ne sajnáld. Használtan ekkorát fullHD felbontással 20-30000 körül kapsz, újonnan meg 86000 körül van a legolcsóbb. Ha kikapsz egy lidl/aldi akciót, akkor meg 50 körül is kaphatsz jobbat.
A monitorra ne rávilágíts, hanem hátulról, ahol a ledek vannak, onnan világítsd át, s meglátod van-e még kép rajta.
Írtam, hogy a ledek nem kapnak feszültséget, akkor hogyan is látnék fényt a TV-n?
Hátulról világíts át az LCD panelen. A tápegységből kijönnek a feszültségek a digitális panelre?
Azért azt ugye tudod, hogy ez egy eléggé bicskanyitogató beszólás volt a részedről, hogy egy kalap alá véve, direktben letolvajoztál minden TV javítással foglalkozót. Ezek után ne csodálkozz, ha olyan a fogadjisten, amilyen az adjonisten (és utána ne mondd, hogy "ugye megmondtam")!
Nekem egyébként nem ingem, nem veszem magamra mert nem ez a fő szakterületem: max. saját tévét javítok. Hogy érdemileg is hozzátegyek valamit: háttérvilágítás hiányában, egy erős zseblámpával akár elölről is rávilágítva a panelre láthatónak kell lennie a képnek, ha a panel kap vezérlést (a polárszűrőjétől függően erősebben vagy gyengébben).
Gondolom van zseblámpád, amivel világítgattad elölről a kijelzőt. Na azzal világítsd át hátulról.
Sziasztok! Kollégám felajánlotta Sony Bravia Kdl-40ex600 tévéjét,amit a Hdmi csatlakozó felől villámcsapás ért. A tápegysége jó. Az alaplapon lévő Tda19997hl/c1 chip lett zárlatos. Sajnos nem itt kezdtem a hiba keresést,ezért már előbb levettem néhány más alkatrész. Amit talán helyre tudok állítani,de akkor is vennem kell egy Tda chippet. Inkább keresnék hozzá másik alaplapot ami BEN 1-881-019-32 A-1767-672-A. Ez az alaplap több ilyen Sony verzióban megtalálható. Mire kell figyelni ezzel kapcsolatban Pl:szoftver verzió? Esetleg még valami? A tulaj elmondása szerint a szomszéd szobában lévő Tv-n csak az a bemenet ment tönkre ami használva volt, átdugva másik Hdmi portba működik az a Tv.
Sziasztok!
Édesanyám 15 éves SAMSUNG LE32A431 tip. TV képernyőjén bekapcsolás után kb.10 perccel az összes fekete színből zöld lesz. Ha ki és bekapcsolom, akkor néhány percig ismét jó. Javítható-e, vagy kuka? Vagy esetleg a T-con panel csere megoldhatja? Előre is köszönöm a segítséget!
Üdv!
Nagy sokára sikerült megjavítanom a Tv-t. Kaptam hozzá kintről új Ic-t ( Z1267QI-1 ) és kicseréltem. Ez a fő panelon található. Kicsit recegett a s.gem, mert 4mm x 4mm és 23 lába van. Ha jól emlékszem QFN tokos. 3 szemüveggel csináltam, hőlég fúvóval, de sikerült. Volt még egy szakadt biztosíték, amit cserélni kellett,meg egy zárlatos kondi, aminek nem tudom az értékét. Egy másik ugyan olyannal volt párhuzamos, azt 10µF-nak mértem, de mivel SMD-ben nem volt ilyen értékűm,így próbára egy 10µF/50-os elkót tettem be a helyére. Össze raktam a tv-t és működik. Az elkót majd kicserélem smd-re és utána hosszabban tesztelem. De már ennek is örülök,hogy idáig eljutottam
Üdv!
A minap kicseréltem a TV háttérvilágítását mert hang volt de a kép fekete volt. Sikerült is az operáció , de nem felhőtlen az örömem ugyanis megsértettem az egyik cof kábelt a csavarhúzóval miközben próbáltam kioldani egy patentot. A cofon 1 mm benyomodás látható nem lyukadt át Miután összetaktam a kijelzőn egy 2mm fekete függőleges csik van Valahogy javítható a sérült cof szalag?
Attól függ, az cofon az ic után 1mm-en kb 10 vezetősáv van, az ic előtt meg 3. Nem mintha a 3 vezetősávos részen valódi esélyed lenne megforrasztani. cof csere kéne, de nem fogsz rá embert találni, mert embertelen drága a gép hozzá.
|
Bejelentkezés
Hirdetés |















