Fórum témák
» Több friss téma |
sziasztok
egy elég érdekes videót láttam ami engem nagyon felcsigázott hogy meg kéne építenem de nem tom hogy hogyan kezdjek hozzá..remélem van aki tud segíteni
Hi!
Középen van két astabilként kapcsolt LED, a többi pedig erről az "órajelről" hajtott számlálóval van meghajtva szerintem. De az is lehet, hogy mikrovezérlő van benne.
Ezen már filóztam én is. Szerintem nem kell PIC hozzá. Kell 2db 4017-összekötve. Ezek lesznek az alsó és felső rész ledsorainak meghajtói. (ellentétesen bekötve)
A két középső led meg felváltva villog 1 555-ssel ami egyben a Johnson számlálók órajelét is adja. Az alsó számláló utolsó kimenete meg leállítja az 555-öst. Kb ennyi az egész. :smoke:
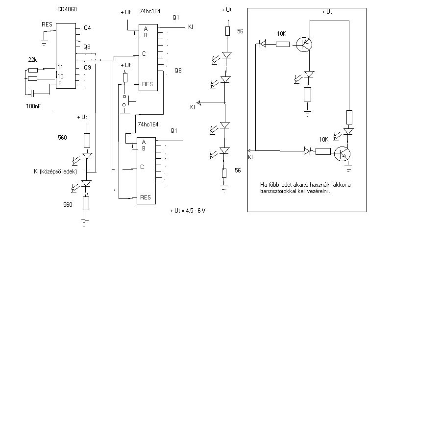
Építesz egy kb 1 Hz villogót (pl:NE55) ,ez után kötsz egy tetszűleges hosszúságú párhuzamos kimenettel rendelkező shift regisztert (pl: 74hc164) .Az átalakító bemenetére fix pl 1 (az órajel hatására ezt lépteti be) a kimeneteire pedig egy egy tranzisztoron keresztül a megfelelő kombinációban térben elhelyezett ledek.Ha azt akarod hogy a teteje meg fogyjon akkor a kimeneteket invertálod és erre is raksz ledeket (természetesen felülre). Az átfordítás pedig a reset láb.
Ja, igen: még kell egy-egy mikrokapcsoló is a tetejére/aljára, ami elindítja a számlálást.
Ja, és még az is szemet szúrt, hogy akkor sokkal élethűbb lenne, ha az alsó alulról kezdene megtelni, mert így természet ellenes...
Először én is erre gondoltam ,de a 4017 az előző kimeneteit törli léptetésnél.
Hmmm. Igazad van. Lehet tényleg jobb megoldás amit mondasz, kár lenne belekeverni a latch-es változatot...
(még filózok) Aztán lehet, hogy fogom magam és tervezek 1 pic-es változatot...
őőő..hát még csak most kezdek ismerkedni jobban az elektronikával és nem igazán értek mindent:s..nem lehetne hogy egy kiindulási kapcsolási rajzot mutatnál és onnan már majdcsak tovább tudnék haladni:S
No jó holnap megpróbálom ,elkezdtem de a multisim még nem kezes bárány számomra.
köszi..majd pénteken megmutatom a gyakorlati tanáromnak hogy ő tudna e segíteni
A ledekkel soros ellenállásokat a tápfeszültségből kell kiszámolni. Ha csak két ledet használsz lépésenként akkor nem kell tranzisztoros meghajtás (max 5-7mA) Annyit szerintem az ic is elvisel.
Ha több ledet használsz ,és azt akarod hogy pontosan számoljon 4,8,16 leddel akkor a 4060 magasabb (Q10,Q11) kimenetét kell használni a shiftregiszterhez. Ha túl gyors/lassú a 4060 9,10,11 lábára menő alkatrészekkel tudod változtatni. A 74HC164 ic-ből annyit köthetsz sorba amennyit akarsz,illetve kevesebb kimenetét is használhatod mint 8. (igény/pénztálca/lustaság) A ledek elhelyezése: ami a pozitív felé megy az kerül a felső tányérba. (felül a felső ic Q1...8.. alsó ic Q1...8 ) lejjebb). a negatív fele menők az alsóba .(fordítva)
proli007 készített egy rajzot nekem tavaly, ami ledekből kialakított betűket léptetett egymás után. Az ide pont jó lenne. De érdemes végigolvasnod a topicot, mert egy apró módosítás belekerült.
Azóta is működik a szerkentyű. |
Bejelentkezés
Hirdetés |










