Fórum témák
» Több friss téma |
Fórum » LED-es kivezérlésjelzők
Témaindító: KeserűCukor, idő: Márc 27, 2006
Témakörök:
Holnap neki láttok meg tervezzem a nyákot és neki látok a projectnek! Köszönöm a segitségedet! Üdv Attis
Sziasztok!
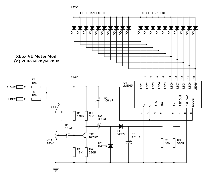
Szeretnék építeni egy ledes kivezérlésjelzőt,. Pontosabban 2-őt is, egyet számítógéphez és egyet hifihez hangfalhoz mivel ott nem működik a jackcsatlakozós megoldás.A problémám ott van hogy elektronika terén nagyon kezdő vagyok, de tanulni szeretném.És ha valaki pontosan le írná mit hogyan,honann,hova,miért stb.. . Tudom sok ilyen téma lehet már de azokhoz kezdő vagyok:S Ha tudnátok képeket is mellékelni az nagyon jó lenne. kb. 20 ledes-et szeretnék. Olyasmit mint ez. Köszönöm
Vegyél kit-et. Érdemes megnézni a linket.Bővebben: Link
szeretnék 20 ledeset ott viszont csak 10ledes vezérlő kapható.Illetve Hangfalba hova kéne bekötni?
szeretnék 20 ledeset ott viszont csak 10ledes vezérlő kapható.Illetve Hangfalba hova kéne bekötni?
Konkrétan melyik kapcsolást szeretnéd? Aktív a hangládád ezért akarok oda kötni?
kezdő vagyok nem csakaz elektronikában , hanem itt a forumon is. sajnálom.
Már ott problémáim akadtak hogy aktív-e a hangfal.
![]() Különösebb oka nincs hogy miért oda , egyszerűen ott lenne szép. A hangládába kéne bekötni mert az nem jack csatlakozós.
Bővebben: Link
Elárasztanak a lehetőségek. Így nagyon nehéz, ha magad egy picit sem tudod, hogy mit csinálsz. Mivel használod a ládákat? Van erősítő? [off] 16 hónappal ezelőtt regisztráltál. Nem vagy te annyira kezdő a fórumon
Itt egy kép róla. A ládák egy szimpla kéterű kábellel rákötve.
[OFF] 16hónapja regisztráltam, de sokat nem jártam sajnos... Ami most meg is mutatkozik
Ebben az esetben a bemenő jelet nem tudod levenni a kimenő meg alapból tönkreteszi a kivezérlés jelzőt.
Véleményem szerint úgy oldhatod meg, ha leosztod a feszültséget a VU meter előtt. Erre viszont én nem tudok step-by-step megoldást adni. Főleg, hogy a jelet sem ismerni. Talán valaki bátrabb nálam az én tudásom is véges.
A jelölés ami a képen az a földelés ha jól tájékozódtam, de ezt hogyan kell kivitelezni?
Köszönöm
Lenne még pár kérdésem
![]() Az első mingyárt a, hogy a képen látható vu meter működhet-e? -Bal oldalt a 'right' és 'left' felirat a jack csatlakozót akarja jelenteni? -A kondenzátorok milyenek? Mert látom sokféle van és nem tudom baj-e ha másfélét használok.
Hali!
Sorban: - biztos működik, elég alapkapcsolás - igen, az a jel bemenetét mutatja (jack vagy 2db RCA csatlakozó) - az összes kondi elektrolit a képen (a + jelből valószínűsíthető legegyszerűbben) De, remélem tudod, hogy ez NEM 20LED-es VU-meter! Illetve az, de 2 LED mindig egyszerre fog világítani. Magyarul, ez egy sima 10 LED-es kivezérlésjelző, ahol minden LED-et megdupláztak.
Köszönöm, persze láttam.
Még annyit ha meg tudnál mondani, hogy milyen ledeket tudok betenni, mert ugye más fesz. kell nekik.Vagy azt a bemeneti fesz.-el tudom szabályozni?
Az LM 3915-ös IC belső áramgenerátorral hajtja a LEDeket, tehát, teljesen mindegy hogy milyen LED-et teszel rá, az IC állandó áramot ad neki. (Mert a LEDeket nem állandó/stabil feszültséggel, hanem beállított árammal hajtjuk meg, tipikusan 20mA-rel, de pontos értéket a LED adatlapjáról tudhatsz meg).
Az LM3915-nél a 7-es és 8-as láb közötti ellenállás értéke állítja be a LED-ek áramát. Jelen esetedben ez az R6, a 680ohm. (mellékeltem az adatlapját, de angol nyelvű).
-Hogyan oldaható meg, hogy ne olyan legyen az
eredmény a kapcsolásokon mint ezen? http://www.youtube.com/watch?v=RhYmBBD5sSIfeature=related Itt 2 led világít folyamatosan aztán többi csak vibrál. -Valahol olvastam hogy kondit/ellenállást kell változtatni , hogy ne essen vissza olyan gyorsan, de nem tudom hogyan.Valami hasonlóra gondoltam. -Érzékenységet mivel lehet állítani ? És, ha tudnátok pár kapcsolást ajánlani ![]() Köszönöm
A fényképező gép ikonra kattintva válogathatsz a kapcsolások között.
Üdv mindenkinek, egy elég fura kivezérlés jelzőre lenne szükségem, mégpedig max 5-6 LED-ből álljon és a hangszórókra jutó teljesítményt jelezze, eddig ez nem is tünik bonyolultnak mivel egy LM3915-el ezt meg lehet oldani 100W-ig, de neken sajna ez kevés legalább 300W-ig tudjon mérni, és nem az ütemre való villogás a lényege hanem a tényleges tájékoztatás, esetleg ha van valakinek ilyesmi kapcsolás azt megköszönném.
Hello!
A kivezérlésjelzők, alapvetően feszültséget mérnek. A teljesítmény pedig a feszültség négyzetével arányos. Vagy is minden csak azon múlik, hogyan kalibrálod a kivezérlésjelződet. Vagy is mit írsz a Led mellé. Ha 300W-ra szeretnéd az utolsó Led-et kalibrálni, akkor úgy kell a kivezérlésjelző érzékenységét beállítani, hogy az ehhez tartozó feszültségen jelezzen a Led. Vagy is 8ohm-os hangszóró esetén, kb 50Veff feszültségnél kell jelezzen a Led. (50V*50V/8ohm=312W) Ez után már csak az lesz a problémád, hogy hogy a zenei jel dinamikusan változik, vagy is valami átlag teljesítményhez tartozó kijelzést fogsz látni. Azaz ha a csúcsteljesítményre leszel kíváncsi, akkor csúcsegyenirányító kell a 3915 elé.. üdv! proli007
Hello!
-Meg tudnátok mondani hova kéne raknom a táp negatívját? -Potmétert hogyan kell bekötni? Bővebben: Link -Jack csati-nak is van pozitív-negatív vagy az mindegy hova megy?http://www.hobbielektronika.hu/forum/topic_955_0_DESC.html# Köszönöm
Heló! Itt a bekötés
a jack bekötés pedigpedig itt található
Köszönöm szépen.
Meg tudnátok még azt mondani, hogy az érzékenységet illetve a visszaesési sebességet mivel lehet befolyásolni? A potmétert tekergetem ide oda de nem változtat semmit. Bár működik ( még csak 4 led), de nagyon halványan és vibrálnak a ledek.
Hozzáraktam még 3 ledet, most már csak az első led világít a többi olyan halvány hogy sötétben is alig látszik.
- 9V-os elemről- Ha ráraktam 2 sorba kötött 9v-os elemet akkor meg világított az összes ed folyamatosan jel nélkül is.Elég volt ha egy jack csati be volt dugva már világított is az összes led. Valaki erre tudna megoldást? Köszönöm.
Sziasztok.
Lenne egy olyan kérdésem, hogy van 2-DB KÉK ledem és a 2.1-es hez szeretném hozzá kötni hogy ütemre villogjon mind a kettő egyszerre, ez hogyan lenne megoldható? bonyolúlt kapcsolási rajzok nélkül próbáltam egy ilyet össze rakni de nem jártam sikerrel ezért szeretnék valamilyen megoldást, hogy 2.1-ről tudjam müködtetni. ha simán rá teszem max hangerőn alig villog. valami ötlet? A válaszokat elörre is köszönöm!!
Szia!
A rajzod nem jo. Tessek egy jo rajz,ha ket leded van akkor kettot teszel bele
Szia! Itt nézzél szét esetleg.Bővebben: Link
kösszi.
még annyi kérdésem lenne hogy 10u-tól 220u-ig bármekorát rá köthetek a +3v alati +jel mellet jobbra a negatív van (-)? |
Bejelentkezés
Hirdetés |




















