Fórum témák
» Több friss téma |
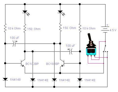
Nagyon köszönöm nektek a segítséget! :yes:
Az én kapcsolásomban is van egy kis szépséghiba!
A folyamatos világítási állásban a kondenzátorok ellentétes polaritású feszültséget kapnak. S ez nem túl szerencsés! :no: De két diódával elkerülhető a kondenzátorok ellentétes átpolarizálódása... A bázisok és a folyamatos világítású diódák katódpontja közé kell kötni még egy egy diódát, ami nem engedi feltöltődni a kondenzátorokat.
Hurrá!
Próbapanelen összeraktam, és működik! Kellett bele a plusz két dióda, és így tökéletes! Köszi!
Akkor ez lett a végeredmény... Lásd melléklet.
S Igazán nincs mit!
Helló
Valaki tudna segíteni nekem hogy hogy lehet készíteni egy feszültségvezérelt villogót ilyen kerti lámpa nélkül? Illetve mekkora vezérlőfeszültségre lenne szüksége? :help:
Szia!
Ha kicsit pontosítanád a feladatot ( vagy a problémát, amit meg kellene oldani), az sokat segítene!
egy ütemre villogót akarnék készíteni. De már rájöttem h az astabilmultivibrátor nem a legjobb ehez
hanem helyette egy aluláteresztővel úgy 0-100Hz-es jelet küldenék egy schmitt triggerre és annak a kimenetére raknám a ledet. már csak arra lennék kíváncsi hogy ez így működőképes-e? Illetve hogy hogy tudom beállítani a schmitt triggert?
Az aluláteresztő szűrő után érdemes egy egységnyi erősítésű ( vagy állítható erősítésű ) jel erősítést alkalmazni. Ezt egyenirányítani és egy kondenzátorral simítani. A kondenzátor kapcsain megjelenő feszültséget tudod felhasználni majd akár schmitt-tigger áramkörrel is. Ebből szerencsére sok változat létezik. ( Tranzisztoros. OPA, Digitális IC-k. )
Egy egyszerű tranzisztoros villogót mellékeltem példának... Analóg rendszernél érdemes az OPA-s kapcsolások között körülnézni. Persze erre a feladatra egy egyszerű OPA-s komparátor is tökéletesen megfelel. Az opa az aluláteresztő utáni, egyenirányított és szürt kimeneti jelét hasonlítja össze egy "referencia feszültség"-gel. Legtőbb UV-méter hasonló megoldással dolgozik... Digitális jelfeldolgozáshoz a megfelelő típus kiválasztása után, gondoskodni kell az IC kellő nagyságú bemeneti trigger feszültségről! ( Jel illesztés a bemeneten.) Valamint érdemes a bemenetet védeni a túlfeszültségtől is! Erre egy zénerdióda a legegyszerűbb megoldás, aminek az értéke a tápfeszültséghez közel van. ( CMOS IC-k bemeneti feszültsége nem lépheti túl a tápfeszültséget! Mert az IC készítési-technológiájából adódóan, tartalmaz egy parazita tirisztort, amit, a bemeneti túlfeszültség begyújt, és ez az IC tönkremenetelét okozza! ) Digitális jelfeldolgozáshoz én a 4093-as vagy a 40106-os IC-ket javaslom.
az erősítőre gondoltam én is. de valószínüleg maradok a tranzisztoros megoldás mellett(még ezt se tudom hogy hogy fogom beállítani, mert még a négypólusokról nem tanultunk semmit
).De azt nem értem hogy a trigger bemenetére mért pufferelt jelet kell rákötni, mikor úgyis csak akkor van a kimenetén jel amikor elér a bemeneti feszültség egy adott értéket?
én ilyen triggerre gondoltam. csak nem tudom hogy milyen tranzisztor kell bele. Valamnilyen NPN, gondolom kisteljesítményű de hogy kis- vagy nagyfrekvenciás azt nem tudom( a bc183-as jó lehet?). illetve a paszív elemek méretezését hogyan lehet megoldani? A tranzisztor az kb 0,6Vnál nyit, ehhez kell számolbni az R1-et vagy teljesen máshogy kéne :help:
Előre is köszönöm a segítséget Ui:Mellékeltem a kapcsolást
ezek egy kicsit bonyolultak nekem. Inkább maradok a triggeres megoldásnál, ha működik ez is akkor sokkal olcsóbban megúszom
A puffer kondenzátor az egyenirányított feszültséget átlagolja. Nélküle a HF-jel egyenirányított jelcsúcsait formálnád csak meg. S ez nem lenne elég látványos.
[off] ( Használd légyszíves a Válasz gombot! Köszönöm. )
de mi9nek kell a hf jelet egyenirányítani? Mert a trigger úgyis csak akor nyit ha megfelelő nagyságú jelet kap. Nem azért mintha az a dióda meg egy kondi olyan banyolultá tenné xcsak nem értem hogy miért van rá szükszég
Ha csak "simán" rávezeted a váltóáramú jelet a schmitt-trigger bemenetére,
akkor egy sorozat négyszög jelet kapsz a kimeneten, aminek frekvenciája a bemeneten jelenlévő jellel fog megegyezni. Így lehet a váltóáramú jeleket négyszögjellé formálni...
Találtam itthon egy 4093-as IC-t. Úgyhogy valószínüleg ebből lesz. Már csak azt szeretném tudni hogy a jel illesztését hogy tudom megoldani?
Ebben az elvi rajzba az ICB áramköri rész ezt a feladatot látja el.
Az első OPA a váltóáramú jelet erősíti.
Csak már megvan a 4093-as IC meg a tranzisztorok és az aluláteresztőszűrő. Most má csak egy erősítő kell bele meg megnézni hogy hogyan működnek együtt. Mostmá csak azt szeretném megtudni hogy melyik műveleti erősítőből van kettő egy tokban( azt hiszem a TL081-es ilyen, vagy valamilyen hasonló nevü). És ha van akkor egyszerű kapcsolást is kérnék hozzá.
Sziasztok.
Kicsit kezdő vagyok az elektronikába, kérdésem az lenne igaz én nem 2 ledet szeretnék villogtatni hanem 3-3-at vagy 5-5 ledet de ugyan ugy ugymond csak 2 egység lenne mint ha csak 2 led lenne ami a kérdésem megvalósítható e ez ilyen egyszerűbb áramkörrel ugy hogy mondjuk ne simán felváltva villogjanak hanem mondjuk igy: (a két csik a két egységet szimbolizálja és ahol csillag van ott villogna ) ez mondjuk az egyik példa -*-*-------*-*-------*-*------ ------*-*-------*-*-------*-*- vagy a másik -*-*-------*-*--*-*-------*-*- ------*-*--*-*-------*-*--*-*- vagy -*-*----*-*----*-*- -*-*----*-*----*-*- ebbe kérném a segítségeteket. Vagy egyszerűbb egy 8 pines PIC-et felprogramozni és azzal vezérelni? Előre is köszönöm a segítséget ötleteket
Ezt csak alkatrész-temetővel lehetne megcsinálni PIC nélkül. (Ami, tekintve az árakat, nem nagyon érné meg: Egy halom logikai IC, egy böszme NYÁK, rengeteg fogyasztás, stb.)
Szerencsésebb volna PIC-kel megoldani, de - ismervén eddigi elektronikai képzettségedet (vagyis inkább képzetlenségedet) nem javasolnám, hogy "első projekt"-ként ebbe vágj bele. Volt már más is, aki a "durr-bele-a-közepébe" módszerrel akart elektronikával foglalkozni, és bele is bukott. Egy évig kínlódott, mire felfogta, hiába mondtuk, hogy anélkül, hogy értené az áramkör alapvető elemeinek működését, nem fog tudni értelmes áramkört alkotni. Kész terveket, PIC programot pedig a "két szép szemedért" senki nem fog készíteni Neked sem! Inkább hidd el, a saját érdekedben, hogy az alapoktól kell (muszáj!) kezdeni. EZ a Te érdeked is (egy csomó időveszteségtől és felesleges pénzkidobástól kíméled meg Magad), meg a miénk is, mert nem kell az alapok nélkül peróbálni megértetni a lényeget. Erről már tegnap is írtam Neked.
Tetszőleges villogás megvalósítható PIC-el egy nyúlfarknyi programban, van ha ehhez nem értesz akkor egy EPROM-ban letárolt adatsorral és órajelre lépő címszámlálóval. A PIC-hez programozni kell tudni, az EPROM-nál pedig a NYÁK bonyolult. Mindkettőhöz kell viszont egy programozó készülék (ez a PIC-nél egyszerűbb).
Egy ekkora programot még bárki megírhat neked, de ennek az oldalnak szerintem az a lényege hogy magad próbálkozz és tanuld meg a dolgokat. Kezdd el és ha elakadsz biztosan segít majd valaki.
Az lessz csak ezen a nyavalyás áramkörön legyek túl amiről tegnap is volt szó. sajnos ezt nem tudom mellőzni.
Muszáj vagyok összerakni valahoigy. Utána elő a7-8 osztályos fizika könyv meg a 9 voltos elem kis kapcsoló és a zseblámpa izzó. és lépésről lépésre mindent.
első projektem ezek után egy sima kapcsolású led lesz, utánna max kaphat egy kondit hogy kikapcsolás után halványodva aludjon el
Megoldható egyszerűen ez a feladat egy oszcillátorral + számláló + néhány diódával is. PL 4017-tel 10 lépés "programozható" le.
S egy pár link... LED-ek sorban történő léptetése, vezérlése. S az áramkör lelkének a 4017-es alapkapcsolása. Ez az alap futófény, amit diódákkal ki kell egészíteni.
Régen mikor iskolába jártam építettem ember alakú led-es villogót és ennek keresem a felépítmény rajzát esetleg a kapcsolási rajzát bár ha az nincs meg nem fogok belehalni 5 ellenállásba két tranyóba meg 2 ledbe viszont nagyon jó lenne a felépítmény rajz hogyan is nézet ki mert arra nem emlékszem szerintem elég jó ajándék
Köszönöm
Hello
Gondolom arra gondolsz amikor két 9 voltos eleme és azon felépitve egy fél astabil multivibrátor? mikos külön vannak akkor folyamatosan világitanak mikor össze "ölelkeznek" az az éritnekeznek akor elkezdenek felváltva vilogni! ha arra akor megtalálod az alapkacsolásokban!
tudnál egy linket adni mertén átnéztem és nem találom
http://www.hobbielektronika.hu/kapcsolasok/elektronikai_alapkapcsol...z.html
Azt ne kérdezd h hol kell külön venni mert nem tudom én is csak a youtube.com on láttam!
Helló
Segítséget szeretnék kérni abba h ezt a kapcsolást 12 Vra kötöm rá akkor kell az értékeken változtatni, és én szeretném egy poti segítségével állítani a villogás sebességét. áttudnátok alakítani a kapcsrajzot potisra? A segítséget előre is köszi!!! üdv szaky27 Bővebben: Link
Akkor a 150K s ellenállás helyére egy 150K potit kell beraknom? ha jól értelmezem
bocs a hülye kérdésért de csak hobbi szinten tudok foglalkozni az elektronikával és még nem értem el azt szintet h megbízzak magamban ezért inkább kérdezek (még ha hülyeséget is) és köszi a gyors választ üdv szaky27 |
Bejelentkezés
Hirdetés |





hanem helyette egy aluláteresztővel úgy 0-100Hz-es jelet küldenék egy schmitt triggerre és annak a kimenetére raknám a ledet. már csak arra lennék kíváncsi hogy ez így működőképes-e? Illetve hogy hogy tudom beállítani a schmitt triggert? 
).De azt nem értem hogy a trigger bemenetére mért pufferelt jelet kell rákötni, mikor úgyis csak akkor van a kimenetén jel amikor elér a bemeneti feszültség egy adott értéket?





