Fórum témák
» Több friss téma |
Hello! Ó, akkor halihó van! Ha ilyen IC van benne az eleve feszültségvezérelt. Még kettős poti sem kel hozzá. Vagy is, készítesz hozzá egy LM324-ből egy ilyen egyszerű áramkört, és a potikról leveszed a feszültséget. Már kész is vagy, az IC-ben négy ilyen OPA van. Vagy is egy LM324 kell hozzá, A Led-ek, meg négy ellenállás.
üdv! A hozzászólás módosítva: Márc 18, 2013
Hello!
Ez elméletben így van, csak gyakorlatban van benne bukfenc. Ugyan is ha a potin egyenfeszültség van, a csúszka kontakthibájából adódóan olyan recsegés--ropogás lenne, hogy öröm volna hallgatni. üdv!
Hello! Van hozzá külön topik itt ha erre gondoltál.. üdv!
Értem. Kérhetnék még annyit, hogy dbase-nek mellékelt rajzon ki tudnád ezt egészíteni? Mármint "ráeszkábálni" a kapcsolási rajzra?
És akkor pontosan 4 darab egységet kell készítenem a 4 darab LED meghajtására. Ugye? A hozzászólás módosítva: Márc 18, 2013
Hello! Szerintem ez elég érthető volt. Remélem további ujjgyakorlatot nem kívánsz tőlem, mert így elég unalmas firkálgatni. üdv!
Köszönöm! Holnap megyek a "Sajtgyárba" alkatrészekért )
Jelentkeznék lektorálásra!
Hello!
Ha így külön lesz, akkor nemártana a tápra egy kondi (pld. 10uF). A Led-ek viszont fordítva vannak. üdv!
Javítva!
Elméletileg külön lessz, de lehet hogy hozzáillesztem az előfokhoz. Kondit mindenféleképpen kap.
Sziasztok!
Ebből szeretnék LED fényerő szabályzót készíteni. Kérek valakit, csináljon hozzá egy egyszerű rajzot. Köszönöm!
Miért nem töltöd le az adatlapját? A gyári adatlapon általában van alapkapcsolás is .
Tessék megkerestem neked , ott a kapcsolási rajz és az ellenállások értékének a számítóképlete (r2-t potival helyettesítve készen van az áramköröd) Remélem elég egyszerű a rajz
A hozzászólás módosítva: Máj 5, 2013
Köszönöm kaqkk!
Az LM317 el építettem meg a mellékelt rajzon lévő alkatrészekkel a led fényerőszabályzót. Olyan gondom van, hogy halványításnál a potméter utolsó harmadában kezd halványulni a led, de akkor elég határozottan. Nem lehet szépen folyamatosan szabályozni. Mi lehet a gond? Bővebben: Link A hozzászólás módosítva: Máj 5, 2013
Az a gond hogy a led fényerejét nem a feszültséggel hanem PWM el lehet igazán jól szabályozni . Ez a kapcsolás sem lesz igazán jó , de megpróbálhatod azt hogy nem lineáris hanem logaritmikus potit használsz a szabályzáshoz. Vagy építsd meg ezt a kapcsolást .
A hozzászólás módosítva: Máj 5, 2013
Nem tudom, - A=lineáris, B=logaritmikus, vagy fordítva.? Köszi!
A = lin B= log C= antilog
A hozzászólás módosítva: Máj 5, 2013
Sziasztok!
Tanácsokat szeretnék kérni a következő tervem megvalósításához: A cél egy épületmodell megvilágítása LED-ek segítségével. Összesen kb. 15-25 db LED-re lenne szükség, amelyek mindegyikénél a fényerősségnek egyesével szabályozhatónak kellene lennie. Hogyan lehetne a fényerősség szabályozását viszonylag egyszerűen és költséghatékonyan megvalósítani ebben az esetben? A tápegység egy univerzális adapter lenne. Milyen egyenáramú feszültséget lenne érdemes választani a feladathoz? (4,5/5/6/7,5/9/12V - max.1000mA) Ez a tápegység kizárólag a LED-ek meghajtására szolgálna. Az építő jellegű megjegyzéseket előre is köszönöm! A hozzászólás módosítva: Máj 14, 2013
Mennyit szánsz rá ? Vagy mindhez egy egy poti, vagy valami processzoros valami menü vezérelten. Először az elv eldöntése fontos, ehhez kell a feszültségnek alkalmazkodnia.Várhatóan az 5V táp a leggazdaságosabb, de ha a ledeket egyesével potizod , akkor a 3-4V os is esélyes lehet.
A kérdés, hogy mi a fontosabb: az alacsony ár, vagy a minden fényerőállásnál hatékony energiafelhasználás? Mekkora teljesítményű LED-ekben gondolkodsz?
Esetleg kell-e digitálisan távvezérelhetőnek lennie, vagy bőven elég, ha egyszer beállítja valaki, és úgy is marad?
Mondjuk olyan maximum 10-15.000 körül jó lenne megállni. Annyit olvastam már erről a témáról, hogy teljes zavar lett a vége... A potikkal nincs bajom, egyedül csak arról nem igazán találtam infót, hogy hogyan kellene őket méretezni.
No igen, a menüvezérelt megoldás lenne az igazi, szép és látványos, de kicsit tartok tőle, és még nem is láttam igazán jó megoldást... No meg Linuxot használok, ami megint csak nem egyszerűsíti a helyzetet. A relékártya jó elképzelés, de szerintem ár/érték arányban és a szükséges időráfordításban (számomra) nem szimpatikus. Vagy van valami elfogadható, kompromisszumos javaslatod? Vagy nem kell ezt ennyire bonyolítani, potik 5 volttal és kész?
A digitális vezérlés nem követelmény, a távvezérlés meg pláne nem.
Alapvetően normál LED-ekről beszélünk (piros, zöld, sárga - 2V, 20mA, 30-80mcd), és összesen kb. 6 db nagyobb fényerejűről (fehér, kék - 3,2V, 20mA, 1000-3000mcd). A dolgot úgy kell elképzelni, mint egy színházi előadást: lassan felkúszik a vörös fény a háttérnek festett naplementére, miközben megy a jelenet, majd beesteledik, és a lámpák fénye kerül az előtérbe, azaz időről-időre változniuk kell a fényviszonyoknak. Nem sűrűn, de változtathatóaknak kell lenniük a fényviszonyoknak. Ennyit szeretnék elérni. Csak a mennyiség és praktikusság miatt kérdéses a helyes megvalósíthatóság.
10-15 rugó rettentő sok egy ilyen feladatra. Annyiból színes-szagos szélesvásznú valamit lehet építeni...
Normál LED-ek esetén (2..3.2V, 20mA = 40..65mW) a teljesítmény ill. a veszteség sem lehet probléma, nem érdemes küzdeni rajta. Alapvetően két úton lehet haladni: - fix táp (fentről minél közelebb a LED-ek feszültségéhez, a 4.5V teljesen jó), minden LED-hez a max. áramához méretezett ellenállás sorban, plusz egy ehhez képest nagyobb poti szintén sorban, és a potikkal lehet szabályozni a fényerőt kézzel, - mikrokontrolleres vezérlés, valamilyen felhasználói felület, amin meg lehet neki mondani a feladatot (lehet gombok + LCD kijelző a visszajelzéshez, esetleg lehet soros vagy USB kommunikáció, akkor mondjuk lehet egy PC-ről konfigurálni), a mikrokontroller meg valami program szerint vezérli a fényeket; a fényerőszabályzást alapvetően PWM-mel érdemes megcsinálni: minden kimenethez egy tranzisztor (vagy egy ULN2003-szerű tranzisztormező egy eleme), ami kapcsolja az adott LED-et, a LED-del sorban egy ellenállás, ami a max. áramához van méretezve, a mikrokontroller pedig valami relatíve alacsony frekivel (mondjuk 150-200Hz kényelmesen elég) kapcsolgatja szoftverből a LED-eket, a kívánt fényerőnek megfelelő kitöltési tényezővel.
Maga az épület kb. mé30 x szé60 x ma60 cm. Néhány LED-et már "tesztképp, a levegőben" bekötöttem 4,5V-ra a megfelelő előtétellenállásokkal, mind a gyengébb, mind a nagyobb fényerejűekből. Sötétben és kevés szobafény mellett is megnéztem őket, és csodálatosan megvalósítják, amit szeretnék velük elérni, és bár elsősorban nem nagy publikum számára készül a dolog, de ha mégis kissebb publikum elé kerül, azt egy sötét helységben fogják látni.
A lényeg, hogy minden fényforrásnak változtatható legyen a fényereje, hogy látványos legyen, érzékelhető legyen maga a változás.A gépi vezérlés azt hiszem, hogy egyelőre biztosan elmarad. Nagyon amatőr vagyok a témához, és jelenleg nem tudok annyi időt szakítani a dologra, mint amennyi szükséges lenne. Marad a 4,5V potikkal, mert úgy tűnik, hogy ez a számomra legjobb megoldás, meggyőztetek. Köszönöm! ![]() Még egy valamiben, a poti kiválasztásában kérnék segítséget: az előző hozzászólásban említett " egy ehhez képest nagyobb poti" pontosan mit jelent? Az biztos, hogy tolópotira lesz szükségem, szerintem ezekkel lehet a legszabadabban működtetni egyszerre több fényt is. De lineáris kell legyen? 1kOhm? 10kOhm? Az egyik végállásban a teljes fényt, de a másik végállásban szinte teljes sötétséget kellene produkálniuk a potiknak, és jó lenne, ha nem csak a poti 20-30százalékán lenne érzékelhető a változás.
Hogy mekkora kell, azt nagyon egyszerűen kipróbálhatod: kössél sorba a LED-del meg az alap ellenállásával a poti helyére egy-egy nagyobb ellenállást (én 1k és 100k közötti értékekkel játszanék). A poti akkora legyen, amekkora ellenállással már megkapod a kívánt minimum fényerőt. Minél nagyobb potit raksz be, annál kisebb tartományban tudsz érdemben fényerőt szabályozni, tehát csak a szükséges mértékű kéne oda. Esetleg lehet egy plusz kapcsolót is berakni, ha zavaróan sok a poti végállásában a minimum fényerő. Logos potival lehet, hogy jobban jársz, mint a lineárissal.
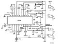
Hello! Akkor had ajánljak egy egyszerű kapcsolást.
- Mivel minden Led-et külön akarsz szabályozni azt elviszi egy műveleti erősítő maga is. - Az R1 ellenállás és a T1 tranyó, kb. 0,65V feszültséget állít elő a potik számára. (Ebből a fokozatból egy is elég.) - Az IC a potiról jövő 0..650mV feszültségből arányos áramot állít elő. - Egy IC tokban 4db. OPA van, ehhez csak egy-egy szem 33ohm-os ellenállás kell. - Minden fokozat lehet azonos felépítésű, nem számít a Led-ek nyitófeszültsége, (színe). - Potinak 5k..100kohm-ig bármi megfelel. üdv! A hozzászólás módosítva: Máj 14, 2013
Hogy én mekkora bal...kezes vagyok.
Ez az egyébként kiváló, és már-már magától értendő megoldás természetesen nem jutott eszembe... Extra kapcsolók lesznek, de valószínűleg csak egy-egy színcsoportnál, nem minden poti mellett.
Proli007 kapcsolását akár ki is egészítheted fotoellenállásokkal ( LDR-rel ). Így kicsit automatikussá teheted a fényerő beállítását.
Beszereztem minden alkatrészt, és meg is építettem a "levegőben" a kapcsolást (természetesen csak 1 LED-del
). Szuper módon működik, eszméletlenül látványos, pontosan úgy megy minden, ahogyan elképzeltem. Mégegyszer ezer hála a kapcsolásért és a tippekért!Tesztelés közben felmerült még egy-két kérdés: hová lenne érdemes a kapcsolót berakni? A 330Ohmos ellenállás és a poti közé (magyarul a poti elé), vagy máshová? |
Bejelentkezés
Hirdetés |






Köszönöm!
Holnap megyek a "Sajtgyárba" alkatrészekért 








