Fórum témák
» Több friss téma |
Sziasztok!
A kérdésem az lenne, hogy egy Párhuzamos portra kötött led, szoftveres vezérlése... Azt tudom, hogy soros portra egyszerűen lehet üzeneteket küldeni. Olyanra gondoltam, hogy olyan hárdvert kéne össze toldani, ami figyeli a bejövö jeleket, majd ha egy megfelelő kodszó érkezik akkor valamiféle kapcsoló(még nemtudom milyen, ez lenne a kérdésem, hogy milyen kellene) zárná vagy nyitná a LED áramkörét, és igy ezáltal ki/be kapcsolgatható lenne? És még azt kéne megoldani, hogy mikor rácsatlakoztatják az eszközt a gépre, alapértelmezésben bekapcsolt legyen! Milyen kapcsoló lenne erre alkalmas? Téves az elgondolás, tudtok mást, jobbat? Válaszokat, 5leteket előre is köszi!
Kicsit még pontosíts. Mert ha csak egy LED-et kell ki/be kapcsolgatni, akkor elég, ha rákötöd egy soros ellenállással az LPT port valamelyik bitjére, és ezt a bitet kapcsolgathatod programból 1-re ill. 0-ra. (Ha nagyobb fényű led kell, akkor érdemes tranzsztort használni.)
De ha több x bites kód közül csak egy a helyes, akkor pedig egy PIC-cel lehetne figyelni.
Átírtam a téma címét "PARALLEL LED LAMP"-ról egyszerűen "LED párhuzamos portra"-ra.
Találtam neked két linket, ami talán segíthet:
1. [link=http://elektron.uw.hu/elektro/egyeb/printerled/led.htm]http://elektron.uw.hu/elektro/egyeb/printerled/led.htm[/link] 2. [link=http://elektron.uw.hu/elektro/egyeb/Relay/relay.htm]http://elektron.uw.hu/elektro/egyeb/Relay/relay.htm[/link]
[link=http://www.codexonline.hu]http://www.codexonline.hu[/link]
oldalon minden lapszámban találsz egy leírást az LPT port vezérléséről. Alapoktól mutatja be, mi hogy működik, mire kell figyelni. Szerintem az egyik legjobb magyar nyelvű leírás. Remélem folytatódik a sorozat.
Hellosztok! Nem egészen ideillik a kérdésem, de nem szeretnék új témát nyitni. Van egy "hardverem" egy rs232 dugó 3-as lábra 470Ohmos ellenállat, arra egy led anódja, katódja az 5-ös lábra van csatlakoztatva. Azt szeretném kérdezni, hogy hogyan lehet VB6-ban egyszerűen Ki-be kapcsolgatni a ledet? SOS
Segítségeteket előre is köszi! Üdv.: Hurka
Van egy oldal, prog.hu a neve, kísértetiesen hasonló mint ez a fórum. Ott használd a keresőt, és meglepő dolgokat fogsz találni.
segítség
Hali!
Sajnos legjobb tudtom szerint sokkal egyszerűbb ezt a problémát megoldani VB6ban LPT-n keresztül, mint soros porton keresztül. Az LPT-s megoldásban tudok neked segíteni, a soros portról viszont engem is lebeszéltek. De figyelj oda arra hogy a soros portról nem 5 volt jön ki!!!
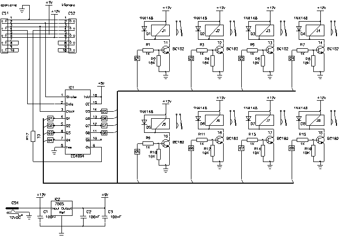
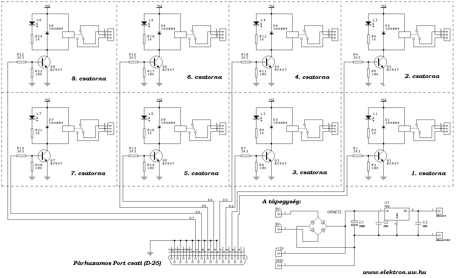
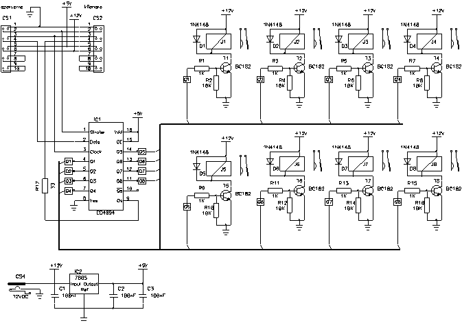
szeretnem az alabbi aramkort elkesziteni am mielott bevasarolok volna nehany kerdesem hozzatok. pl; be tudom e szerezni majd az IC-t hozza+ha elkeszitek belole mondjuk 4 db-ot es oszekotom oket,akkor mely progival tudom majd vegezni a 0/1 kapcsikat mind a 32 relen.azert kerdem ezt,mert eddig csak 8 reles valtozattal talalkoztam.ha tud valaki kerem segitsen
most csatoltam 2 rajzot es egy eszrevetelemrol kerdeznek.mind a ket rajzon talalhato dioda a rele csatlakozsainal.am a 2 rajzon kulonbozo iranyba vannak berajzolva.melyik a helyes? ez erdekelne
A második rajzon szerintem hibás. Nyítóirányban van a dióda, elég vagy rövidzárközelbe visz.
A rajzon, amit mellékeltél, olvashatatlan az IC kódja. De valami soros->párhuzamos átalakító lehet. Ha nem ragaszkodsz a soros porthoz, hanem jó helyette a párhuzamos is, azzal könnyen kivitelezhető a feladat. Ajánlom az idevágó másik topic átolvasását is: Bővebben: Link
LPT-nél mindenképp vedd figyelembe, hogy a PC indulásakor az op. rendszer piszkája a portot, így az állapotot fog váltani. Ezt lehet, hogy ki tudod védeni néhány logikai kapuval, de lehet, hogy nem. Ha ez gondot okoz, akkor bonyolultabb megoldást kell választanod, pl. mikrokontrollert. Csirkefej helyesen írta: a védődiódát záróirányba kell bekötni.
mind a 2 rajz lpt portra van keszitve.a bekapcsolasnal jelentkezo zavarok kikuszobolesehez lehetne hasznalni userport nevu progit? biztosan hallottal rola.sok dokumentaciot elolvastam mar ezekrol a portos cuccokrol,es e ket kapcs. egyiket szeretnem elkesziteni.az ic nevet szamat meg en sem tudom,gaz hogy nem lehet kinezni hiaba nagyitok ra.tanacstalan vagyok...
a 16/32/64db rele kezelese soros port temanal a #63684-es kod alatt van egy belinkelt rajz dokumentacioval,de nem teljes.ott talalhato annak a rajznak a fojtatasa amit en is felraktam.csupan az erdekelne,hogy a print port mely tujeit kell kihasznalnom a kapcs mukodesehez.es hogy a dioda forditott helyzeten kivul van e meg valami problema a rajzon.segitsegeteket kernem ebben az ugyben,hogy vegre megtudjam epiteni
Valószinüleg már elavult - csak az elv ismertetése miatt. SN74154-es ic -> 4 bitről 16 bitre kódol. A kapcsolást valami hasonlóval építhető fel.
http://tams-www.informatik.uni-hamburg.de/applets/hades/webdemos/10-gates/40-mux-demux/SN74154.html Ez alapján elég sok áramkör szóba jöhet csak valami -bármilyen- logikai alapic katalógus kell hozzá. A relék/ledek száma innentől kezdve szabadonválasztott ha az icnek van csipszelekt vagy hasonló bementete.
A userport progi jogot ad a porthoz való hozzáféréshez. Az oprendszer indulásakor fellépő anomáliákat áramkörben kell kezelni. Pl. kiméred, hogy melyik kimenetet hogyan állítja az op. rendszer, és annak alapján építed fel a kapcsolást.
A leírásban CD4094-es IC szerepel, ezt lehet is kapni. Ez egy soros-párhuzamos átalakító. Mivel a Strobe bemenet hatására állítja a kimeneteket, ezt is érintheti a gép indításakor történő "billegtetés". Az Urbán-féle kapcsolást az LPT port bármely 3 kimenetére kötheted, de a szoftvert Neked kell hozzá megírni. Ezt a kapcsolást láncolni is lehet, ebben az esetben n*8 bitet kell kiírni egyszerre, majd Strobe és aztán állnak be a relék. (n a modulok száma.)
engem az zavart meg hogy az egyik rajzon 18-tol 25-ig osszevannak kotve az lpt labai.de mivel hogy en a masikat szeretnem elkesziteni ezert kellene a segiseg,hogy megtudjam a labkiosztasokat...
nem kódol 16 bitre... egyszerűen csak demultiplexál...
a 4 bit az egy cím, hogy a 16 kimenete közül melyiken adja ki a bemenetét (egyszerre csak egyen tud) magyarul ezzel egy időben csak egy relét/ledet, akármit tudnál működtetni...
Sztem félreértetted. Ui. ha 74154, akkor trivi, hogy még plusz 8 adatbitet is használ az ember, az meg úgy akár 128 kimenet. A 154-es IC pedig, ahogy írtad is, 8-bites tárolókat címez. Azért írta Csirkefej a chip select bemeneteket is.
mire irtad hogy nem? mostmar osszekeveredem.
es abbol nem lehet baj,ha osszekotom a labait 18-tol 25-ig? 2-tol 9-ig pedig kimenet
Ööö... Vegyél már elő légyszi egy LPT port lábkiosztást. Neked olyan remek barátaid vannak, mint pl. a Google, ők biztos segítenek.
Amit PÜ-ben is írtam: mérd meg egy multiméterrel, melyik lábakat kapcsolgatja az urbános progi. Gyanítom, hogy ez nem a CD4094-es kapcsoláshoz való. Mert akkor nem csak 8 relé lenne benne.
Egyszerre csak egyet/ic - igen. De nem is volt szó asszem másról. Ha több kell egy időben, akkor még kell egy leccs vagy valami más típusú ic, mint például a szintén nagy öreg 8255-ös. Vagy esetleg lehet öntartó ák. relét használni
![]()
akkor ok... de ha már rápakol annyi relét, akkor nem lenne rossz, ha egyszerre is tudná használni őket
sziasztok!
láttam több programot is erre hogy ledek kapcsolás párhuzamos portról.. ezzel kapcsolatban lenne oylan kérdésem hogy mennyi idő telik el a parancs kiadásától pl hogy 1-es led bekapcsolás szóval mennyi idő telik el a parancs kiadásától addig hogy led felvillanjon... ez érdekelne... itt ugyértem hogy ez az idő számottevő e számottevőnek számít már a fél másodperc is... segítségeteket előre is köszi!
Rendesen megírt programnál nagyon, nagyon rövid idő.
A pontos adatokat az x86-os processzor utasításainak végrehajtási idejét megnézve tudod kiszámolni. Egy ilyen "led kigyújtó" kód 2-3 utasítással megoldható ha már elő van készítve. (Melyik ledet kell kigyújtani, mikor, miért stb.) A végső utasítás egy "out, dx,al" lehet aminek a végrehajtási ideje ha jól emlékszem 3 órajel alatt történik meg. Tehát a proci frekvenciájából ki tudod számolni, hogy mennyire kis idő. |
Bejelentkezés
Hirdetés |














