Fórum témák
» Több friss téma |
Fórum » LED soros feszültségőr probléma
Témaindító: Marty McFly, idő: Jan 14, 2008
Témakörök:
Sziasztok!
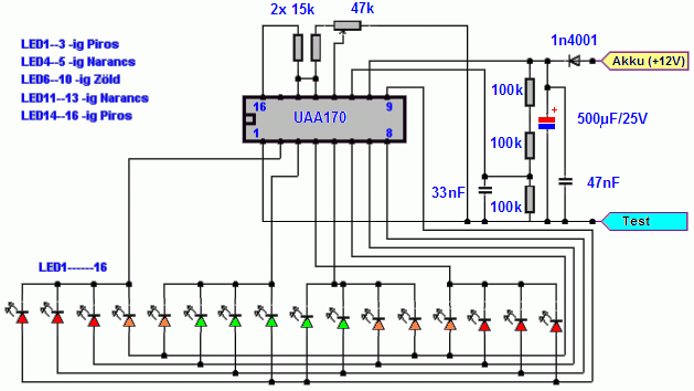
Megépítettem az itt található led soros feszültségőrt! A problémám a következő! ha 12V-ot kap akkor a legutolsó piros led világít és akárhova tekerem a potmétert, nem történik semmi! Ha a Nokia töltőmről adok neki 3,7V ot akkor szépen lehet állítgatni! Gondoltam teszek a + ágba egy 100 Ohmos ellenállást, így csökkent a feszültség! így már a skála közepe működik, de néhol nagyon gyorsan átugrik egy egy ledet! Aztán ha így kötöm rá a 3,7V ot akkor világít több led is! Segítséget kérnék hogy hol ronthatam el! Biztos valami nagy szarvas hiba lehet! Előre is köszönöm a közreműködést! Ja és bemellékeltem a nyáktervet is! A ledsor külön nyákon lett elhelyezve, szakadásvizsgálóval kimértem és helyesen van bekötve!
Hali!
Biztos, hogy minden alkatrész a rajzon szereplő értékű?
igen annyi különbség hogy a bemenetnél az elkó az nem 500 hanem 470µF mert az a szabványméret!
Hány volt van a 12-13-as láb között, ill. a földhöz képest mennyit mérsz rajtuk?
Szia,
Sztem nézd mégy egyszer át az alkatrészek értékeit,.. én már jártam meg hogy bontott UAA180 -as -al készített áramköröm csak 9v alatt volt hajlandó működni,.. Hanem össze-vissza villogtak a ledek s egyszerre több is elaludt,.. Még elég furcsa az a két 100k -os ellenállás sorbakötve,.. Tegyél szerintem oda a két ellenállás helyébe egy 250k -os szemireglábil potit, és hagyd középállásba, majd adj neki 9-12v -ot és kezd felcsavarni,.. Hanem a 12 -es lábra köss egy potit és azt csavard le lassan a nulla fele,.. (a 15 -ös lábat is lekötheted egy 1k -os ellenállással a földre,..)
Hi!
A 12-13 között 5,3 ; a 12-Test között 0,19 ; 13-Test között 5,51! Mindez 17,7V nál! 11,05V nál pedig dettó ugyanez! 6,58V nál is ugyanez!
A 11-es lábon mennyi a fesz, és hogyan változik, ha csökkented a tápot?
szerk: a potihoz közelebbi 15kohm-os ellenállást cseréld le 10Kohm-ra.
a 10k-s csere nem hozott javulást, 12V nál 5,35V; 18V nál 5,72V;6V nál 0V
Ha a 11-es lábon ennyi a fesz, akkor a 15k-t tedd vissza.
Ezekszerint a 100k-k környékén van a gond. Túl nagy feszt osztanak le. A két sorbakötött 100k értékét növelni kell. Próbáld meg 120-150k -ra cserélni az egyiket. Egyébként 12V tápnál elvileg kb 4V-nak kellene lennie a 11-es lábon. Mégvalami, milyen tápot használsz hozzá? Egy fényképet nem tudnál adni a nyáklapodról?
Tápnak így tesztelés szintjén 3 adaptert használok!
Megpróbálom a 2db 100k cseréjét! Küldöm a képet!
Elfelejtetem mondani hogy amióta be volt téve a 10k s ellenllás, azóta nem tom hogy forrasztási hiba miatt e, de 12V nál nem csak az utolsó, hanem a 4 utolsó LED világít! Ha a + ágba rakok egy 100Ohmos ellenállástakkor középen világít kettő, ha a potin állítok, akkor pedig több led is világít ösze vissza, de végülis szimetrikusan tehát mondjuk mindkét szélről a 3., a 4. és a 2 középső pl! Meg ilyeneket csinál!
Olvastad ezt a hsz -t,.. Tegyél a két sorban kötött 100k ellenállás helyett potit! S probáld meg úgy,..
Ez miért van? Simán rákapcsolok 6V ot! és ezt mutatja!
De nincs itthon ilyen potim!
A potis dologgal persze csak óvatosan, mert ha az ellenállása kissebb lesz mint a 33n-val párhuzamos 100k, akkor a 11-es láb több mint 6V-ot kap, ami neki nem egészséges.
(Persze mindez 12V-nál. Ha pl 14V a táp, akkor ugye a 11-es lábon máris 7V lesz, ha a poti ellenállása 100k.) A 18V-os tápfesz pedig már a végső határ!! Lehet kiütötted?
Akármit csinálok 12V nál mindig ezt látom, és 18V nál is! Pedig már 7-es lábhoz is tettem 1k ellenállást!
Köss rá 12V-ot, és a teshez képest mérd meg a feszültségeket az IC 2-9-ig terjedő lábain!
(Gondolom a kijelző azt fogja mutatni, amit az előbb, de ha nem, az az infó is kell a feszadatok mellé.) Nem fordítva vannak bekötve a ledek?
2. 9,48V; 2. 9,76V; 3. 9,77V; 4. 9,80V; 5. 11,18V; 6. 11,23V; 7. 11,23V; 8. 11.27V; 9. 11,21V nem hiszem hogy a ledek fordítva lenének bekötve, mert már mind világított! Ha kihúzom a tápot akkor is felvillan a többi is! Ja és a kijelző most is ugyanazt mutatta!
Azért írtam, hogy kezdje felfele tekerni a potit, növelve az ellenállását,.. S 9v -al kezdje,..
Esetleg a 11 -es lábat teljesen kösd ki, s nézd meg mi történik,..
Elmélkedtem az adatokon, ill összevetettem a 6V-os esetben produkált jelenséggel.
Mitmondjak, elég érdekes. A nyákon minden ok? nincs zárlat? gyantamaradvány a forrasztások között? Vagy lehet, már halott az IC.
Újra építettem az egész nyákot telljesen új alkatrészekkel! Egyedül az IC az ami maradt! A hiba továbbra is ugynaz! 2 lehetőség van! Vagy az IC rossz, vagy a kapcsolási rajz rossz! Pénteken meglessz az új IC, majd mondom a fejleményeket!
Ha megvan az új IC, mielőtt beépíted, azért arra ügyelj, hogy a fesz.határértékeket nehogy túllépd.
Esetleg próbáld meg az IC adatlapján lévő módon bekötni. De nem hiszem, hogy a rajz rosz. Szerintem inkább nem tetszett neki a 18Volt.
Helló!
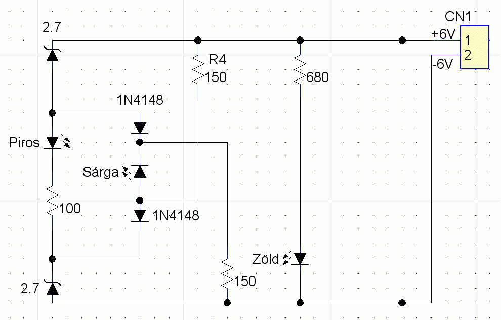
Én is egy feszültségőrt szeretnék építeni a motoromhoz 6V-s rendszerre, de én ezt szeretném: Bővebben: Link Na most ezzel az a baj, hogy nem teljesen értem a dolgokat, szóval ebben van egy 11, 13, 15V-s Z dióda, de mégis ezen értékekhez képest 0.5V-al nagyobb értékeknél kapcsolnak a ledek... miért van ez így? Nekem ugye mint mondtam 6V-s rendszerre kellene, azaz pl, úgy lenne jó, hogy 5V alatt piros, mert ugye akkor le van merülve az akksi, 6V-től olyan 6.2, 6.4 -ig sárga, ilyenkor ugye jó az akku fesz, 6.5 -től meg zöld amikor töltés is van. Simsonra kellene, na most a simson az nem igen éri el a 7.2-es töltőfeszt csak elég nagy fordulaton, ezért kellene 6.5-től már zöldet jeleznie mert végülis már az is töltés... ilyen 6.5 -től 6.8, 7.0 -ig meg normális fordulatszám tartományban a töltés, tehát mondjuk úgy 7.5 felett meg már túltöltést kellene jeleznie, azaz olyankor nem világít semmi. a probléma azzal van, hogy ugye amik nekem kellenének Z diódák azokba nincs pont olyan feszültségű, ahhoz, hogy 5V alatt piros legyen, gondolom jó lenne egy 5v1, de ha ennek az értéke is ki9tolódik 0.5V-vel mint ahogy az a 12V-s kapcsolásnál is akkor az mát nem jó. Tehát a kérdésem az lenne, hogy milyen méretű alkatrészekkel lehetne megvalósítani azt amit leírtam? Előre is köszi a segítséget. gondolom az egyértelmű, hogy a led előtét ellenállásait kisebbre kell vennem, fele akkorára azaz 470 -sre speciel. Én ebből a rajzból azt látom, hogy a többi 1k-s ellenállás tolja el a feszt, 0.5V-vel, na de melyikek, és mi alapján van ez számolva. |
Bejelentkezés
Hirdetés |












