Fórum témák
» Több friss téma |
Nekem kéne sürgősen csinálnom egy dinamikus tűhöz való sztereó előerősítőt minél egyszerűbbet csak működjön!Ha valakinek van egyszerű rajza megköszönném mert nem akarok sok időt ezzel tölteni csak kellene egy (nem nekem)
Köszi!
Amenyire tudom, lemezjátszótűhöz nem csak előerősítő kell hanem egy RIAA korrektor is, ugyanis a lemezre nem lineáris freki karakterisztikával viszik fel a zenét.
példaképp egy kapcsi : Link
Ha tényleg nem akarsz sok időt tölteni vele, akkor RIAA korrektort lehet KIT-ként is venni. (csak összerakni kell
)RIAA korrektor KIT
Hogy ti mekkora hulladékokat vagytok képesek ajánlani. Ezek nem RIAA korrektorok.
Találtok egy nagon egszerű-nagyon olcsó és nagyon jó hangú RIAA-t is itt (a kisebbik RIAA-m).minőségi RIAA-k
Na találtam még egyet ez aztán egyszerű
idézem : "minél egyszerűbbet csak működjön!"
a csöveset bitos meg fogja csinálni...
Ha lenne egy Technics sr1210-em akkor megcsinálnám a csövest de ez egy mono tesla géphez kell!
Itt valami nem Gömbölü. Én még nem láttam Magnetikus PU-t monóba. Vagy egy mono gépbe lett a PU utólag bele applikálva?
Hali!
Én is ajánlanék két RIAA kapcsolást a jó öreg HIFI magazinból!
Nem akarok ünneprontó lenni, de ezek szerintem nagyon gyenge minőségűek. Sokkal, de sokkal jobbak is vannak. (mindkettőt megépítettem és használtam is egy darabig).
Ha nem vetted volna észre 5!!!!!!!!
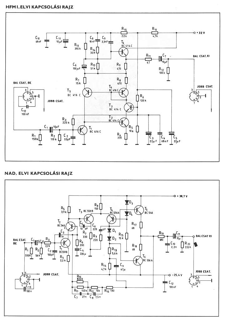
oldalas az a topic! Van tovább is az első oldalnál. Ott van egy IC-s, pofonegyszerű cucc is ami azért nem a high end csúcsa, de a HFM1-et, NAD-ot, Revoxot, AGI 511-et, tehát az összes Hifimagazinos korrektort egyszerűen gyalázza hangminőségben.
Kedves KD mester!
Látom, hogy neked nagyon fontos a minőség, és biztos, hogy tapasztalatod is van a témában, de mérlegelni kéne azt, hogy kinek mi az igénye! Biztos nagyon szépen szól a csöves RIAA, és ismerek én is olyan embert aki nem hajlandó mással foglalkozni, csak csövekkel, és olyat is aki egyszerűen nem hallgat MP3-at, mert azt mondja, hogy hulladék a minősége. DE! Nem mindenkinek van olyan "jó" füle, hogy meghallja a különbséget, és attól hogy egy kapcsolás egy kicsit "rosszabb" (viszonyítás kérdése) hangminőséget produkál, attól még nem HULLADÉK! ![]() Üdv!
Hé!
Én most nem egy ARC utánépítésére akarok rávenni egy kezdőt, hanem a HFM-es szutykok helyett ajánlgatok egy olcsóbb, egyszerűbb és jobb RIAA-t, de ha ez ekkora lelki válságot okoz egyeseknek, akkor nem szóltam. Mint mondtam a belinkelt topik 5!!!!! oldalas és hogy az elején éppen csöves RIAA-k vannak nem az én bűnöm. (bár azokhoz nem kell különleges hallás, olyan toronymagasan jobbak a félvezetősöknél).
Egyáltalán nem okoz lelki válságot...
csak a "Hogy ti mekkora hulladékokat vagytok képesek ajánlani. Ezek nem RIAA korrektorok." ....stílusú hozzászólás kicsit piszkálja a csőröm! Nem akarok vitatkozni meg veszekedni, mert ez a topik nem erről szól, és részemről be is fejeztem.
sziasztok
van egy rakat ecc 83-am és ezekből szeretnék sztereó riaa korrektort csinálni. lényeg,hogy egyszerű legyen, tud vki segíteni?
Sziasztok!
Szíveséget szeretnék kérni valakitől! A HFM1-es nyákját kéne nekem elkésziteni. Ha valki mektenné ezt nekem, nagyon megköszönöm!
Van egy régi supraphon lemezjátszó saszém amit most felújítok és dobozolok. Ebben egy VK311 NMS III betét lakik. Abban kérném a segítséget, hogy valakinek meg van e ennek a betétnek a műszaki paramétere. Ha jól emlékszem nem kell utána riaa korrektor mert mechanikailag kompenzált, de szeretném tudni a kimenő impedanciáját és jel nagyságát. Egy előfokot akaropk építeni hozzá, hogy így beilleszthessem a szabványos RCA csatlakozós Hi-Fik hez.
Ha nem talalsz rola semmilyen infot akkor konnyeden keszithetsz egy tok egyszeru proba erositot (mono is tokeletesen eleg) muveleti erositobol. Nehanyszoros erositest kell csak beallitani es utana azonnal kotheted a vegfokra. Felteszel egy lemezt es hallgatozol: ha furcsan szolal meg a zene, csak magashangokat hallasz es halkan szol akkor bizony kell egy megfelelo korrektor a lemezjatszohoz. Ha viszont egyenletesen jo a hang es megfeleloen nagy hangerot tudsz beallitani akkor viszont csak egy ilyen egyszeru elofokot is elegendo kesziteni a lemezjatszohoz.
Üdv. Este megnézem, de ha igaz van új 311 betétem . Sőt komplett gyári panelem is van 2-3 féle új és bontott is. Öreg T.
Üdv.minden tipushoz van gyári gépkönyvem.A probléma az hogy az elektrotanyának(Pihe) nek oda adtam feltöltésre mer a scannerem meghalt és meg kellene nézned hogy már fellett e téve.Ahogy igértem megnézem a gyári modulokat is ,max egy jobb és nagyobb véget kap.A panel szerelt és új csak a végfok 2x MBA810. Az-az 1-2W.
Üdv PERLACI . Van tű és komplett betét is .Azt tudod hogy a VK311 NMS -t kristály betétbe használták?
Üdv.Szerintem rendesen kivesézték. Kezd az oldal megkomolyodni főleg az állandó és felkészült törzs tagoknak Tisztelettel Öreg Tom.
Piezo betétekhez valóban nem kell RIAA korrekció , nagy impedanciával terhelve kb . használható .
200-300mV is kijön , csak ha kb 1M imp. bemenetű erősítőre kötöd , igy a korrekció is valamenyire megvalósul , eredetileg így alkalmazták . Ha jobb hangot akarsz elérni ezzel , akkor a betét kimeneteit kb. 1k -val terheled és illesztesz mögé egy IC -és vagy tranyós RIAA korrektort .Így alacsony impedanciával terhelve a RIAA korrektor fogja visszaállítani a RIAA görbét ami így sokkal pontosabb , lesz jobb hangal
Zoli kereshetnélek magánba?Öreg T.
Üdv
köszi a választ, úgy néz ki a betét szinte új, csak semmit nem tudok róla. A doksiját hol találom a tanyán ha fent van már. |
Bejelentkezés
Hirdetés |




Köszi!




oldalas az a topic! Van tovább is az első oldalnál. Ott van egy IC-s, pofonegyszerű cucc is ami azért nem a high end csúcsa, de a HFM1-et, NAD-ot, Revoxot, AGI 511-et, tehát az összes Hifimagazinos korrektort egyszerűen gyalázza hangminőségben. 
