Fórum témák
» Több friss téma |
Igazából csak ez az egy mer még van 2db LC4966 amit már a proci tranzisztorokon keresztül vezérel 18V feszültséggel.
Egy 74HC595 -tel kiváltható:
Mivel csak egy IC van, a címzés figyelése elhagyható, a CE lefutó élére tárol az LC7821. A 74HC595 csak az utolsó 8 bitre (SW1.. Sw8) emlékszik és a ST_CP felfutó élére írja át a kimeneti regiszterbe. A CE negáltja pont jó lesz.
Üdv! Tehát amiket leírtál a 2 IC-ről azokat a jelöléseket kötöm össze 2-5-ig a 4. az LC7821 nél a DATA akar lenni? Mert az IC 14 lába az D1
És az invertálást hogy érted? Mármint a megfordítását?
Hello! Ha egy meglévő akármit csak át szeretnéd alakítani, akkor..
Tekintve hogy ebben analóg kapcsolók vannak, annak "teljesen mindegy" mit kapcsol. Vagy is akár feszültséget v. áramot is kapcsolhat egy-egy tranyó bázisára ami a reléket működteti.
Igen több min valószínű ezt fogom csinálni mert a bázisáramot tudom kapcsolgatni vala és még egyszerűbb is. Erre már én is gondoltam csak valamiért átsiklottam felette. Köszönöm az emlékeztetést rá és Hp41C nek is hogy fáradozott a logikai IC megoldásával.
Üdv.
Egy olyan áramkörre lenne szükségem ami a következőt tudja: 1. Ha a bemenet logikai 0 akkor a kimeneten is logika 0 legyen 2. Ha a bemenet logikai 1 akkor a kimeneten megjelenjen a logikai 1 és ez maradjon is addig amíg a tápfeszültség meg nem szűnik. Tehát ezután ha a bemenetre logikai 0 adok a kimenet akkor is magas szinten maradjon. Én ezt OR kapuval tervezem megoldani (a csatolt kép szerint): Az OR ICnek van egy A és B bemeneti és egy Y kimeneti lába. Az Y kimenetet rákötném a B bemenetre és egy ellenálással (pl. 10kohm) a földre húznám. A működésétől azt várnám hogy bekapcsolásnál logikai 0 legyen a kimenetén, ha az A bemenetre magas jelszintet adok ---> a kimenet is magasra kerül ----> ami így visszakerül a bemenetre. Igy egész a tápfeszültség megszűnéséig tartaná ezt az állapotát. Helyes ez a következtetés? Működhet ez így? Köszi! A hozzászólás módosítva: Szept 8, 2017
Hello! Nekem pedig a következő "egyszerű" logikát kéne megoldanom (lehetőleg relékkel, de akár félvezetőkkel is megfelelhet):
1- OFF A- OFF 2- OFF B- OFF 1- ON A- OFF 2- ON A- OFF 1- ON A- OFF 2- OFF B- ON 1- OFF A- ON 2- ON B- OFF Köszönöm a segítséget.
Szia! Szerintem ez egy egy XOR kapu logikája.
Köszönöm. Úgy tűnik, hogy igen...csak nekem 2 kimenetem van. Kössek 2 db ilyen kaput felcserélt, párhuzamosított bemenetekkel ?
4 db relével..2 db ilyen áramkör?: Bővebben: Link A hozzászólás módosítva: Szept 8, 2017
A xor kapu bemeneteinek felcserélése nem változtat a kimenet függvényén. Az első kimenet a xor kimenete, a másodikat a xor kimenetének invertálásával kaphatod meg. Nem kell másik áramkört beépíteni, ha a tokban legalább két xor kapu van. A xor 1 = not A
Y = A xor B, Z = not Y = A xor B xor 1 = (a xor b) xor 1 A hozzászólás módosítva: Szept 8, 2017
Köszi...leírom inkább szóban:
Az 1-es bemenethez az A kimenet tartozik...a 2-eshez a B. Ha két bemenet egyikén (Pl. 1-es) ON van, akkor csak a másik bemenethez tartozó kimeneten (B) lehet ON. Ha eközben másik bemenetre is ON kerül, akkor ennek OFF-ba kéne kapcsolni. Ugyanez igaz a másik bemenet (2-es) ON-ra billenése esetén is. Olyan állapot nem lehet, hogy mindkettő kimenet egyidőben legyen ON. Ha, az amit említesz így működik, akkor kérlek mutass egy egyszerűsített rajzot...köszönöm.
Egy TTL kapu fitási ideje 5 .. 10ns, egy COMOS -é 10..50 ns. Bővebben: Link
A hozzászólás módosítva: Szept 8, 2017
Nekem lassú reagálású cucc is elégséges...mivel a két kimenetre kapcsolt "munkaeszköz" (termoelektromos szelepmozgató) tetűlassan 2-3 perc alatt vált át az az ON-ról OFF-ra és fordítva...
Az úgy jó lehet, hogy az EXOR kapu kimenete 2db 2 bemenetű ÉS-re megy, melyeknek a másik bemenete a fő A-B bemenet és EXOR bemenetével van összekötve? (az exor egyenlőség esetén tiltja a következő 2db ÉS-kaput, amik a bemeneteket kapuzzák ki)
Szerintem működik, csak a bekapcsolási tranziensre is fel kell készülni, előfordulhat, hogy táp bekapcsoláskor már bekapcsol. Ha így jársz, akkor kell egy reset-kondi az áramkörbe illetve tudni kellene, hogy a bemeneted az lebegő vagy más TTL-ről jön. lehet, hogy egy resetelhető D-tárral jobban járnál. (7474 pl. van 1-gate-ben is, ha csak 1db kell)
Sziasztok!
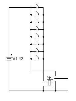
Egy 8be és 1kimenettel rendelkező NOR kaput szeretnék készíteni relékből. Valaki tudna segíteni?
Valahogy így, lásd melléklet.
Hello! Vagy így és a maradék 7 relét a fiókban hagyni. (De gondolom ez csak egy elvi kérdés volt..)
Köszönöm!
Nem elvi kerdes volt Relés számológépet epítek kizarolag relekkel oldom meg a logikai muveleteket ugy ahogyan 60-70evvel ezelott.
No arra kíváncsi leszek, hogy a számlálókat hogyan oldod meg.
![]() Az vicces volt, hogy a távgépíró (majdnem mondtam hogy Telex, de nem az), a hálózati 50 Hz-ről jelfogóval leosztva az időzítést állították elő jelfogóval a különböző automatikus üzeneteket.
Ez nagyon szuper már így is.
Diódákat is használsz esetleg?
Szerintem nem biztos, hogy egy IPAD árába bele fogsz férni, de szép feladat, én megálltam kapuáramkör IC-knél, de nem lehetetlen relékkel : https://www.hobbielektronika.hu/forum/topic_post_1836163.html#1836163
De meg mindig nem ertem, hogy milyen szamlalora gondoltal amire kivamcsi vagy hogyan oldom meg.
Beleastam magam a temaba, de nem tudom hova kellene nekem szamlalo.
Ameddig kombinációs hálózatot készítesz, addig nem kell.
Üdv,
Ti hogyan oldanátok meg egy adott órajel szétosztását logikai kapukkal úgy hogy adott egy pl 400kHz-es órajel és szét kellene osztani 4db 100kHz-es jelre de mindegyiket 90 fok fázistolással.
Hello! Ha jól értem, Te egy 4-bites Jonson Ring Counter áramkört építenél. Kapukból leget D tárolót építeni, csak cseppet macerás. Viszont egy Shift regiszterből elég egyszerű.
|
Bejelentkezés
Hirdetés |
















