Fórum témák
» Több friss téma |
Így, de az 1 kohm nem kell. Lassítaná a bekapcsolást.
A hozzászólás módosítva: Feb 15, 2016
Oké. Köszöntem.
Két mozgásérzékelő megy rá, meg egy alkonykapcsoló, így nincs jelentősége a gyorsaságnak.
Mindegy, akkor sincs ott helye, mert a gate fesz is leosztódna. Ha az 5k-t felemeled 15-re, akkor nincs ilyen gond se.
Tranzisztorral épített logikai kapukkal szeretnék dolgozni, de az a gondom, hogy az kimenetnél mért feszültségek sok esetben távol vannak a 0V-tól és az 5V-tól, ami még nem is lenne gond, ha csak 1-1 kaput önmagában szeretnék használni, de amikor már egymás után kötöm, a kis eltérések összeadódnak.
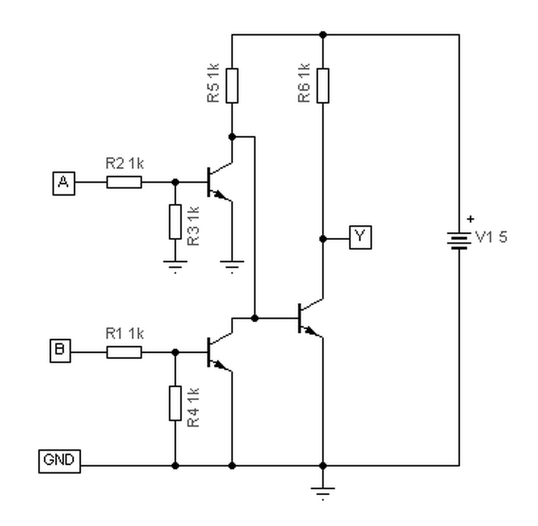
Sokat kísérleteztem próbapanelen, még többet a QUCS nevű szimulátorban. A következő hibákba ütköztem: A legjobban talán az INVERT kapu sikerült. http://kepfeltoltes.hu/view/161101/10875832101_www.kepfeltoltes.hu_.png A leolvasott értékek nagyjából stimmelnek. A VAGY kapu már egy picit csal, majd 1V-ot esik a feszültség. http://kepfeltoltes.hu/view/161101/10696598642_www.kepfeltoltes.hu_.png http://kepfeltoltes.hu/view/161101/490172873_www.kepfeltoltes.hu_.png http://kepfeltoltes.hu/view/161101/553757624_www.kepfeltoltes.hu_.png http://kepfeltoltes.hu/view/161101/8396000345_www.kepfeltoltes.hu_.png A legnagyobb problémám az ÉS kapunál van. http://kepfeltoltes.hu/view/161101/13420148926_www.kepfeltoltes.hu_.png http://kepfeltoltes.hu/view/161101/9882904547_www.kepfeltoltes.hu_.png Ebben a 2 állásban még szépe tartja a 0 közeli állapotot, de a következő nagyon nem tetszik. http://kepfeltoltes.hu/view/161101/13893206578_www.kepfeltoltes.hu_.png Amikor mind a kettő kapcsoló zárva van tűrhető, de nem tökéletes. http://kepfeltoltes.hu/view/161101/2653577949_www.kepfeltoltes.hu_.png Az ÉS kapunál főleg azért probléma az a kis áteresztés, mert ha már n darabú bemenetet szeretnék hozzáadni, akkor ott egyre csak nő az átszivárgó feszültség. http://kepfeltoltes.hu/view/161101/108658471110_www.kepfeltoltes.hu_.png Ti is láthatjátok, hogy mindenhol akadnak problémák és ezért kérem a segítségeteket. Üdv.: Patrik
Miért pont tranzisztor ? Vanak erre kifejezetten logikai áramkörök ic - k .
Tudom, csupán érdekel, meg tranyóból van itthon egy rakat, ic-t meg venni kéne.
A csak tranzisztorokkal épitesz sokkal több alkatrész kell , és nagysaágrendekkel nagyobb áramkört fogsz kapni.Bár a logikai ic - K nagy tőbbségének kimenete nem éppen terhelhető , de egy tranzisztoros csatolással még mindig jobb áramköri megoldás hozható létre, mint egy kosár tranzisztorral , és tápegység ügyben is sokkal nagyobb teljesitmény kell..
Szia!
Túl hosszú lenne végigmenni az összes példádon, ezért csak a legutolsó linkedre írok, az ÉS kapura. Vedd figyelembe, hogy ott sem szivárgás van, hanem az S22-100k-Ube(..35) vonal miatt a legalsó nyitott tranyó tulajdonképpen egy 100 kohmos kollektorellenálláson át kapcsolódik kb. 4,4 voltos tápra. Nyilván az Rc ( 100k ) korlátozza az áramot is, így az Re=10 kohmon csak 0,7 volt tud esni ( hozzáadódik még a saját bázisárama is ). Az utolsó előtti linkeden pedig tulajdonéppen egy földelt kollektoros állapotot látsz, ahol az emitter feszültsége nem is lehet több a kb. 4.11 voltnál - nézd át a tranzisztorok működését. Nem véletlen a sokkal több tranyó a legegyszerűbb ic-ben sem. A hozzászólás módosítva: Nov 2, 2016
Még annyit az előzőkhöz, hogy inkább csinálj diódás kapus bemeneteket és 1 db tranyót a kimenethez ( ugyanúgy 1 aktív állapotos lesz ), akkor jobban át tudod tekinteni a működést - vagy csináld meg pl. a 74LS00 összerakást az adatlapja szerint..
![]() Egyébként a logikai áramkörök vizsgálatánál is biztos találnál "problémákat", ha nem figyelnél minden betartandó feltételre.
Hello!
- Az, hogy tankönyvekben példákban lerajzolnak áramköröket, még nem jelenti azt, hogy azok korrekt működőképes kapcsolások. Leginkább csak a megértést segítik elő. - Minden logikai rendszernek megvannak a be és kimenti paraméterei. Mivel itt csak két állapotot kell létrehozni, azoknak meg van a megengedett bementi tartományai. Tehát egyáltalán nem szükségesek "pontos" kimeneti feszültségek. - Gyakorlatban valaha készítettek komoly tranzisztoros logikai hálózatokat/berendezéseket, pld. DTL logikai módszerekkel. Itt pld. a VAGY és ÉS kapuk passzívak. Vagy is diódát és ellenállást tartalmaztak. De ezek után mindig aktív invertereket kell kötni jelfrissítés gyanánt. - A TTL áramköröknek sajátos kapcsolástechnikája van, amit diszkrét áramkörökkel nem igazán lehet utánépíteni, mert pld. multiemitteres tranyód nincs. De a katalógusban található áramköri vázlat is leginkább a megértést szolgálja. Egy integrált tranyó hálózat nem egészen olyan felépítésű mint az elvi rajz. (Majd ha félvezető gyártástechnológus leszel, meg fogod ismerni és érteni ezeket.) - Mindazonáltal nekem még talán mindig meg van olyan tranzisztoros panelem ami nagyszámítógépben működött, amivel vállalatok bérszámfejtését is futtatták. Multiprocesszoros volt és tranyós. Tehát nem lehetetlen ilyen áramköröket építeni, csak macerás és értelmetlen manapság. A megértéshez pedig ezek a példák is elegendők. - Mind ez azért nem jelenti azt, hogy az ember áramköreiben ne használna egyszerű logikai kapcsolást, mert egy ÉS vagy VAGY illetve inverter megoldást néha egy-két tranyóval összekötéssel létre lehet hozni, nem kell egy új IC-tokot betervezni ezért. Tehát nálam is számtalan kapcsolásomban találsz logikai megoldást, még ha nem is oly feltűnő a szemlélő számára. Tanulságképpen persze jó építeni/szemlélni ilyen áramköröket.
Köszi a válaszokat!
Megoldottam a problémám. Ugye az inverterem jól működött, jött az ötlet, hogy csinálok egy NAND kaput belőle (Lényegében ugyan az a kettő csak plusz egy input). A NAND Kapum tökéletesen működik, a VAGY kaput NAND kapukból kiraktam, és így most 18 tranyóból áll az egész áramköröm. A kimenő értékek 5V és 0,000852V amikkel teljesen meg vagyok elégedve. Amit csináltam, természetesen létezik IC-ben is, de érdekesnek jó lesz a polcomon. ![]() Üdv.: Patrik
A VAGY kapuim után raktam egy dupla invertert, és az helyrerakta az értékeket, szóval most már azzal is tudnék dolgozni.
![]() Üdv.: Patrik
Én tavaly DTL áramköröket próbáltam ki.
Plédául egy DTL NAND kapu.
Idézet: „0,000852V” Áruld el nekem ezt az értéket milyen műszerrel mérted meg?
Hello! 18 tranyó, egy VAGY kapuban?
Még nincs megépítve, csak QUCS nevű szimulátorban próbálgattam.
Dehogy, félreértettél, az már a teljes áramköröm, amiben van egy pár logikai kapu.
Tiszteletem!
A mellékelt rajzon szereplő igazság táblát szeretném összehozni TTL áramkörből. Egyszerű logikai kapuk használatával. Sajnos ehhez az én tudásom(nemtudásom) kevés. Köszönöm a segítséget!
Ez így kevés. A bemenetek ettől jóval több (összesen 16) variációt is felvehetnek. Vagy nem? Mi van az ábrán nem jelölt variációkkal?
0000 0001 0010 0011 0100 0101 0110 0111 1000 . . 1110 1111
Kedves Bakman! Ennyi az egész! Többet nem vesz fel a bemenet! Biztosan tudom!
O1 = i4 XOR i2
O2 = i4 XOR i3 O3 = i4 AND i3 AND i2 AND i1 XOR kapuk: 7486 (4 x 2 bemenetű kizáró vagy kapu) AND kapuk: 7421 (2 x 4 bemenetű és kapu) A kapuk nem használt bemeneteit ne hagyd szabadon, kösd GND-re vagy Vcc-re. A két IC ára összesen kb. 200 Ft.
Én meg elkezdtem már felírni a KV táblát, aztán rájöttem, mizu van..
Köszönöm! El is kezdtem rajzolni, de..... Lehetne rajzban!
![]() Csak a kapuk összekötését. Nem kell Teljes schematikus ábra! A hozzászólás módosítva: Jan 9, 2017
Megvan! Rájöttem mit jelent a képlet, működik köszönöm!
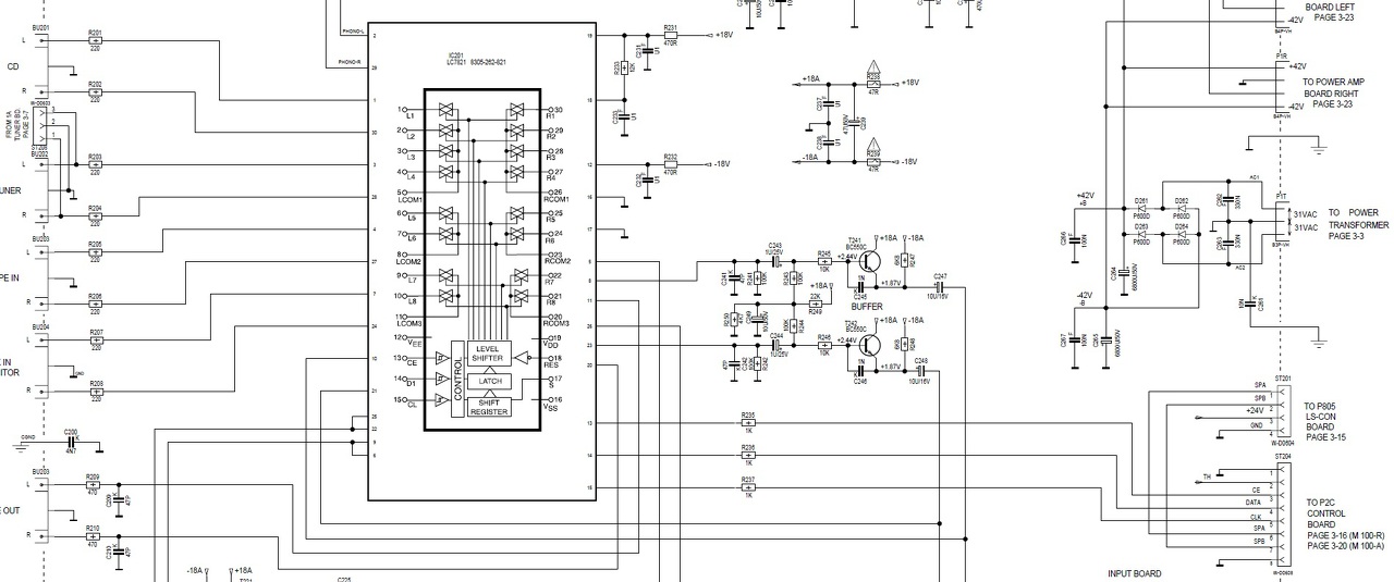
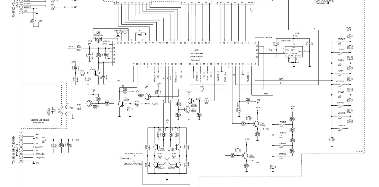
Üdv! Mindenkinek! Nem tudom hogy a kérdésemben szereplő IC pontosan ebbe a témába tartozik-e, javítsatok ha nem. Szeretnék egy átalakítást csinálni egy audió bemenetválasztó fokozaton ez az IC váltogatja a bemeneteket LC7821 adatlap Bővebben: Link Én azt szeretném hogy a hang ne ezen az IC-n haladjon át hanem kicsi reléket szeretnék vezérelni. A kérdés megoldható-e esetleg egy másik IC-vel ami ugyan ezt a vezérlő jelet kapja, de reléket kapcsol, vagy ez az IC képes lenne-e TTL IC-t vezérelni ami majd a reléket kapcsolja.
Ez akkor teljesen felesleges. Nem irod mi kapcsolgatná a reléket. (Nymogomb, proci stb).
Ez az erősítő egy távirányítóval vezérelhető de az előlapon is vannak nyomógombok. A vezérlést egy proci csinálja csatolom a képeket.És csatolom a pdf-rajzát is ott jobban lehet látni.Bővebben: Link
A hozzászólás módosítva: Feb 27, 2017
Nagyon ugy néz ki, hogy egy procival (Avr , Pic) lenne a legegyszerübb ( ha valaki megirja a programot), mert a kezelés két rétegü, az A0-A3 cimek egyikén fut a kapcsolo, majd utánna meg a Data 0-7-l választja ki a bemenetet ( kettesével mert sztereo).
Ha nem igy lenne meghajtva akkor egy primitiv logikai áramkörrel is menne, dehát igy szeria kod kell a bemenetre. A hozzászólás módosítva: Feb 27, 2017
|
Bejelentkezés
Hirdetés |











