Fórum témák
» Több friss téma |
Fórum » LPT portos vezérlés
Mindenféleképpen bájtot küldesz ki. Ha csak egy bit változását szeretnél végrehajtani, akkor a programodon belül kell elvégezned az előző állapothoz képest mi legyen az új kiküldendő bájt.
pl a port kimenete jelenleg 00001000 és te mondjuk egy bitten változást szeretnél. Mondjuk az elsőn. 00000001 VAGY BIT művelettel 00001000 előző állapot 00000001 változás ------------ 00001001 új kiküldendő bájt
Igen, idáig én is eljutottam hogy VAGY műveletetet alkalmazok (vagyis összeadom a számokat). De most nem nagyon törődtem az üggyel, de úgylátszik át kell írnom a progim "motorját".
ki tudna segiteni.epitetem enis egy ilyen link es hogy tudnam megmozgatni a winampal,vagyis mikor zenet halgatok vilogjanak a LED-ek.amugy az elso 4 LED eg megalas nelkul.Koszy
Az URL gomb használata, illetve a normális fogalmazás a fórumon kötelező, az itt elkövetett írásmód, és a "Köszy"-jellegű chat-es vonal viszont nem ajánlott. Itt vagy már egy ideje, próbálj alkalmazkodni, pláne akkor, ha segítséget kérnél. A linket javítottam. -- kobold
Hali!
Érdekelne az ltp portról(végszükség esetén soros portról) 8*8 mátrix megoldás, csak az elektronika részéhez nem nagyon értek. #117030 Hozzászólásban Balázs írta: Idézet: „Nem lenne egyszerűbb mulitplexelni például 2db 74HC374-es IC-vel? Akkor 9 I/O is elég, és ha mindenáron LPT-vel akarja, akkor rá tudja kötni direktbe, nem is kell PIC.” Nos ezt valaki kifejthetné nekem. Hogy hogy kell bekötni, meg mi mit és hogy csinál. - esetleg egyéb ötleteket. Köszönöm : Kifli
Hali!
A Discolitez ablakon valamelyik négyzetre jobbklikkel rákattintasz és beállítod úgy ahogy a képen látod. Ha tudsz angolul akkor magad is rájöhetsz hogy melyik micsoda, aztán a többi 7-et is megtudod csinálni.
Sziasztok.
LPT portot melyik programmal a legcélszerűbb vezérelni? Úgy értem: Pascal, Visual Basic, stb. Tudom, mindenkinek meg van a maga programja, amivel szereti ezt megoldani, de gondolom van egy általában etalon szoftver, ami talán a legjobb erre a célra. No és viszonylag könnyen tanulható. Mivel ezt a programnyelvet szeretném megtanulni. Talán egy kitétel van, hogy grafikus felületű programot szeretnék majd írni gombokkal, amikre kattintani lehet. Természetesen nem vágom nagy fába a pákámat, az általatok javasolt programot először kezdő lépésekben szeretném megtanulni. Köszönöm szépen.
Elnézést kérek, már nem tudom módosítani, annyival egészíteném ki, hogy nem feltétlenül kell grafikus felület. Egy korábbi előre megírt hozzászólást másoltam be, amibn összeszedtem a gondolataimat, de most változott egy picit a terv
Szóval az alap kritérium az egyszerű port-kezelés, bármelyik nyelv is legyen, megtanulom. Idővel.
Hát ha grafikusan akarsz alkotni programokat, akkor a Pascal és társait elfelejtheted. Ajánlom a Delphi 7-et. De úgylátom hogy mégcsak most akarod elkezdeni tanulni.
Ahhoz viszont (mármint a tanuláshoz) szerintem Turbo Pascal 7.0 a legcélszerűbb (én is azon tanultam meg (tananyag volt, bár a tanár nem sokat segített...)). Viszont nem 5 perc amíg megtanulod az alapokat (ha mindent beleadsz, pár hónap..). Majd keresek Neked valami tanulható formátumot a neten, ha bármi kérdésed van szólj!
Pascalt tanultam, de kb 10 éve, úgyhogy nagyon sokat felejtettem belőle. Újra kéne tanulni. Csak olyan könyv kellene, ami a legelső alap témákkal kezdi, és úgy halad. Olyan könyv, ami a 0-ról indul. Esetleg tudnál javasolni szerzőt és könyvcímet?
Köszi szépen.
Hát a 9-es tankönyvemet
Hátha betudod szerezni.. Majd holnap előkerítem...
Jó öreg QBASIC-ben:
PRINT "Kilépés: -1" DO INPUT "Kiküldendő szám: ", N% OUT N%, &H378 LOOP UNTIL N%=-1 END Vigyázni kell, hogy csak 0...255 közötti számokat gépelj be, nahogy esetleg kifagyjon... Kilépni a ciklusból -1 gépelésével majd Enter-rel tudsz. Üdv: Kezdo
A legegyszerűbben talán Basic, majd Visual Basic lehet programozgatni, de én nagyon nem szeretem őket. Banális hibákat lehet vele ejteni, anélkül hogy köhintene valamit rá és aztán csak bámulsz , hogy miért nem a kívánt eredményt kaptad.
A pascal viszont szinpatikusabb, elegáns szintaksikkal, aztán onann már csak egy lépés a Delphi. De ha idővel komolyabban akarod csinálni akkor Ansi C, majd C# .
rühellem, hogy ezt kell mondanom, de a basic-nél egyszerűbbet, gyorsabban tanulhatót nem fogsz találni...éppen ezért BASIC a neve :yes:
akár 5 percet is igénybe vehet, mire az első progidat megírod... help-nek meg ott a net, hegyekben a példatár...régen nem volt ilyen, mi még a magunk tapasztalataiból tanultunk keress példákat az OUT-ra
Üdv. mindenkinek.
Nem találtam konkrétan ilyen témát ezért nyitottam. A kérdésem a következő lenne: Van 3 mátrixnyomtatóm, táp + vezérlőpanel + létetőmotor. Ebből szeretnék egy kis 3 tengelyes masinát létrehozni amit Mach3-mal írányítanék. Mind a 3 nyomtató 25 pines. Hogy tudnám vezérelni a 3 tengelyt ? Melyik nyomtatólábat kellene az LPT-re kötni? Unipoláris motorok. Epson 1050, 1170, és egy NEC .... Gondolom a vezérlést ugyanazon a portokon kapják. Segítséget előre is köszönöm. Zozzzz Idézet: téma ide áthelyezve.„LPT adatküldés vezérléshez (CNC)” A Idézet: azt jelenti, hogy ha a porton át egy hattagú lámpasort vezérelnék, de csak nyolcról szóló téma van, egyből nyitunk újat? „konkrétan ilyen téma” Van vezérlős topik, van CNC-s, meg még Mach3-as is rémlik, kizárt, hogy szétnéztél volna. Pedig ezeknek a régebbi témáknak megvan az az előnye is, hogy sokaknál ott csücsül a figyelőben, és lehet, könnyebben észreveszik, mint az újat.
Bocs.
Valószínűleg csak a fától nem látom az erdőt, de napok óta bújom az összes hasonló jellegű topikot , de nem találtam olyat, amelyben egy gyári nyomtatópanel a vezérlő, csak olyat amilyet egy XY nyákból készített LPT-re köthető vezrlőről van szó.Enyhe ilyenirányú tudatlanságom miatt Én sajna nem látom a hasonlóságot. Eme hiányosságomért elnézést kérek. Remélem valaki könyökből kinyomja a megoldást.
Legalább a cím lett volna akkor erről szóló...
Na, mindegy. Nem tudom, minek kellene "bonyolítani" az életet az eredeti vezérlőkkel, azok nem igazán erre valók. Pl. az életben nem küldik vissza a számítógépnek, mennyit lépett egy-egy motor, mi a szenzorok (mert az úgyis kell) állapota, és nem is rángathatod őket kedvedre - a nyomtatóvezérlő egy nyomtatható karakterállományt vár, feldolgozza, és soronként kipötyögteti. Valószínűleg ezért nincs erről téma. Viszont, mivel megvan a panel, rajta van a táp, a meghajtófokozat, ezeket felhasználva, és kiegészítve egy kontrolleres egységgel, már úgy dolgozhatsz, ahogy a Mach3 szeretné.
Hali Mindenkinek!
Én a Delphit nem igazán szeretem, megutáltatták a GDF-en A java-t viszont szeretem, de a guugliben nem találtam "használható" segítséget párhuzamos port programozására. Ebben tudna valaki segíteni?
Maradjunk annyiban, hogy talán, de nem ezen a fórumon.
Itt érdemesebb volna szétnézned; mi nem nagyon támogatnánk a PC-oldali programozást, egy-két ritka kivételtől eltekintve.
Szia!
Megutáltatták? Ejnye-bejnye! Java-hoz azért nem találsz, mert az nemigen erre való. Mit szeretnél vezérelni, milyen alkalmazást akarsz? Akkor lehet tudok egyszerű megoldást rá. Chat, játék, meg ehhez hasonlóakra jó a java, de ide
Szia!
Ha gyári programot akarsz használni, akkor a hozzá való elektronikát kell alkalmaznod (megépítened). Viszont, ha saját elektronikát építesz, akkor azzal kell szembesülnöd, hogy nagy valószínűséggel saját programot is kell írnod hozzá. kobold megoldása a járható út: Idézet: „megvan a panel, rajta van a táp, a meghajtófokozat, ezeket felhasználva, és kiegészítve egy kontrolleres egységgel...” De én inkább csak kiszedném azt a pár motorvezérlő alkatrészt, (ami nem más mint nagy áramú szilárdtest relé, ami kapcsolgatja a tápot a vezérlőjelek alapján) érzékelőket és alkatrészeit, majd ezt egy panelra téve hoznám össze az illesztő áramkört. Ezután a szoftvert kell már csak megírni. A gyáriak PIC-et is tartalmaz, azt még égetned is kell. Szóval nem kezdőknek való. Amit viszont előbb ecseteltem, már kisebb ismeretek mellett is összehozható. Végül is olyan mintha LPT-s "futófényt" építenél.
hali
Amit szeretnék vezérelni: - 8 bites futófény (Delphiben egyik haver írt progit, azt használom, kitűnő) - 1db egyenáramú motorthajtottam (BD241C-vel) meg ugyanezzel a progival (egy irányú forgás), hogy a db25 egy lábára állandó jelet adtam - 1db unipoláris léptetőmotort hajtottam meg, ugyanaz a tranzisztoros áramkör, csak 4 van belőle. A port 4 lábára adtam 1234123412341234.... jelek sorozatát, de nagyon gyengén mozgott. A futófény vezérlő progit irtam át. Már kb 4 hónapja (ahogy időm engedi) foglalkozok egy T típusú robotmechanikával. Egy db egyenáramú motor mozogna ide-oda... Két nyomásérzékelő szenzorral (379-es port). (NAND kapuk (saját tervezés) és tranyós motorvezérlő Rádiótechnika évk. 1970) Java-t tanultam, jobban szeretem. Delphit is, de ha nincs más... akkor jó Mit ajánlasz, amit le lehet tölteni valahonnan? C, C++, C#, Assembly? Ezek bejönnének. (Windows és Linux alatt egyarnt dolgozok) Előre is köszi!
Ha nem létkérdés a programod multitaskos működése más programokkal, akkor én a pascalt ajánlom. A fordított forrás exe-je DOS alatt. Én ebben oldom meg. Delphiben van ingyenes verzió is, regisztrált tagoknak.
A windows-osoknál az a baj, hogy a multitask miatt mindig megcsúszik a kimeneti időzítés. szkóppal néztem, és sajnos komoly szinkron széteséseket produkál. Viszont a grafikus kezelőfelület könnyen elkészíthető hozzá. Futófényhez, illetve pontos időzítést nem igénylő dolgokhoz tökéletes. Attól félek, hogy C variánsoknál is ez a szitu, de még assembly-ben is, ha multitaskos. Tehát, én Pascal, Delphi és BASIC-ben oldom meg, a céltól függően.
Szia. Azért szeretném a gyári progit, mert azt mondták hogy konfigurálható a kimenet - tehát ha tudom hogy melyik lábra kell adnom a panelnak a vezéslést, akkor pofonegyszerű lenne a használat; "relatív". És milyen lenne a "kontrolleres egység" ? Konkrétan mire gondoltok ? Én bármire kapható vagyok, csak legyen egy működő elmélet.
Üdv.: Zoli
Hali.
Basicet sose tanultam, a pascalt igen ( )...Akkor Delphi egyenlőre...
Ha a gyári progi alatt a Mach3-at érted, az rendben van, sokan alkalmazzák, és tényleg sok minden konfigurálható (kollégámnál kínlódunk vele néha).
De hogy a gyári nyomtatópanel, úgy, ahogy az van, nem jó hozzá, az biztos. Ki kell belőle termelni a lényeget, a nyomtatóprocesszor és társai pedig mehetnek a feldolgozóba - ehelyett kell a kontrolleres egység, tulajdonképpen a PC és a perifériák közé. Ebben a témában van már pár gondolat, és vezérlő is, csak az igények felméréséhez linkeltem be.
Köszi a választ. Nekem valami egyszerű kellene.
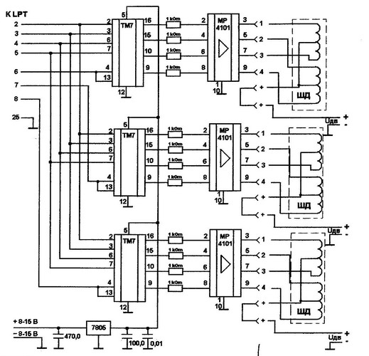
Találtam valamit az oroszoknál ami nekem egyszerűnek tűnik. Valami ilyesmire gondoltam. Igaz a TM7-ről még nem találtam még semmit, de a másik IC-t már megnéztem. A bekötésük "pofonegyszerűnek tűnik". Jól átlátható.
Teli találat!
A TM7 tároló IC. A legjobb egy 74374-es lenne, de időnként csak a 74373 kapható. Végül is mindegy melyik, a program írásakor kell odafigyelni a vezérlésre. MINTA Az MP4101 pedig egy meghajtó IC (NPN tranyókkal). Ezek tuti benne vannak a felhasználandó nyomtatókban, én a régi nagy flopppyból szedtem ki a motorokat és a meghajtó IC-ket. Pl.: TD6200AP
Találtam egy másikat. Ezt is analizálnád?
|
Bejelentkezés
Hirdetés |






Szóval az alap kritérium az egyszerű port-kezelés, bármelyik nyelv is legyen, megtanulom. Idővel.
)...






