Fórum témák
» Több friss téma |
Üdv!
PIC-hez szeretnék illeszteni egy MAX232 soros illesztőt. A problémám a következő: Ugye elméletileg a PIC UARTjából kijövő CMOS 0..5V jel alapján kapcsolná +10..-10 V között a soros vonali kimenetet. Namost ez addig még működik is, amíg terhelés nélkül "kézzel kapcsolgatom", frankón megy vele a kimenet is +- 10 V között. De amint rádugom a PC soros portját, a -10V-os logikai 1 tökéletes, viszont átkapcsolásnál nem megy fel +10V-ra, hanem csak kb. +1,6 V-ig Ha bárki tapasztalt már hasonlót, vagy van valami ötlete, azt nagyon megköszönném. (ja, és ezerszer átnéztem a dolgot, szerintem minden jól van összekötve) Előre is kösz Waszil
Nem cserélted fel véletlenül az RxD-t a TxD-vel?
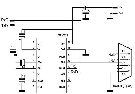
Szerintem a MAX232 TxD kimenetét a PC sorosportjának TxD kimenetével kötötted össze. A PC sorosporti kimenete logikai 0-n van,tehát negatív feszültség van rajta, a MAX232 0 logikai szintnél -10V-ot küld ezért ezt engedi a sorosport. Viszont amikor 1-be állítod a MAX232 kimenetét a PC sorosportja nem engedi a rögzített H szint fölé a feszültséget. Most nem tudom pontosan, de +/- tartomány közepénél van egy sáv a nullátmenet környékén (talán +/-3V?). Vagyis ha L szintből indulsz el felfele csak akkor vált H szintre ha a feszültség elérte a pozitív tartományban lévő küszöbfeszültséget. Olyan mint egy hiszterézises komparátornál. Helyes bekötés a PC és a MAX232 között TxD > RxD RxD > TxD
Na utánanéztem és jól emlékeztem a +3V és -3V közötti tartományban nem billen át.
Vagyis ha H szinten van akkor -25V és +3V között ott ismarad, L szintre billenteni 3-25V között tudod. L szintről H szintre pedig -3-(-25)V között tudod, mert L szintből nem vált át amíg el nem éri a negatív küszöbfeszt -3V. Valószínű feltűnt hogy H szinthez írtam negatív feszt, az L szinthez pozitívat. Az RS232 negatív logikát használ,vagyis invertál. Ezt az előző hozzászólásomban hibásan írtam... Bocs! Mégvalami! Az RS232-t nem szabványosították, ezért megeshet hogynéhány gyártó eltér az ajánlott specifikációtól. Ezért lehetséges, hogy csak +1,6V-ig engedi felkúszni a feszültséget 3V helyett.
Nem, jól van összekötve. Igazából nem egy bonyolult kapcsolás, nem lehet nagyon elrontani, ezért is nem értem a dolgot. Amúgy had javítsalak ki, mert éppen a logikai 1-hez tartozik a -10V a sorosporton, alaphelyzetben '1' van a vonalon, mert a startbit '0'.
Várom a további ötleteket
Ha "terheletlenül" felmegy 10V-ig, akkor a PC nem engedi. Szerintem nézd át mégegyszer!
Vagy kösd át, nem tart semeddig és abból kiderül. Egy pár ák-t összeraktam már MAx232-vel és sosem tapasztaltam még ilyet, ha nem kötöttem el. igen, én meg még arra reagéltam. De akkor tiszta minden, csak az nem, hogy az elmélet ellenére mért nem megy fel 10V-ra, ha rajta van a PC...
Tényleg nem akarok kötözködni, de többen átnéztük többször, több napja. És több PC-vel ill. több MAX232-vel kipróbáltam
Viszont akkor hadd mondjak el mégegy tünetet, mert eddig terheletlenül se volt jó, ugyanis az IC datasheet-jét követve a V+ lábat a kondival a földre földeltem le, és így terheletlenül is csak 2Vig ment fel. Most a neten található sok kapcs. alapján a tápra van leföldelve a V+, amin ugye a ~10V előáll, és így megy terhelés nélkül. Hátha ez segít valamit...
Hát ez érdekes... (azért nem ezzel kezdted
)Pillanat megkeresem, és belinkelem azt a kapcsrajzot ami garantáltan műxik.
Itt a kapcsrajz...
Ez nekem elsőre, és azóta akárhányszor megépítve működött. Esetleg feldobhatnád a kapcsrajzod. Úgy egyszerűbb lenne. Ja mégvalami! V+ lábat a kondival nem földre hanem + tápra kell kötni. Földre a V- lábat kell.
eddig még nemépítettem max232-vel áramkörd (de majd akarok) és azt már az adatlapokból tudom, hogy a kondik értéke gyártónként változik.
Maxim-nál: 0,1 mikrofarad Texas Instruments-nél: 1 mikrofarad lehet, hogy 0,1 mikrosat kellene belerakni. Nézd meg az IC-n a gyártót.
kb. 4db. Max232-es áramkört építettem 1uF, 4.7µF , 10 uf kondikkal. Éppen amiből volt otthon 4db. egyforma. Mindegyik rendesen müködik.
Sok hibás kapcsolást lehet találni a neten, ez tény.
A kapacitásoknál (ha megnézed az adatlapokat) van MAX232 és MAX232A az A-végűhöz ajánlják a 0,1µF-et a simához az 1µF-et, de lehetséges alternatívaként megemlítik ennél is az 0,1µF-et.
Valamint az A-snak nagyobb a slew rate-je, szebb jeleket produkál és 200 Kbps-ig jó , a sima "csak" 120Kbps-ig. Itt az adatlap.
Szia!
Már szintén én is túl vagyok néhány max232 kapcsoláson. Bátran állíthatom, nekem ez az egyik olyan ic, ami a legstabilabban működik. Én a microc helpjébben található kapcsolást építettem meg, és 4,7µF-os kondikat használok a TI-os ickhez. Küldök egy működő eagle kapcs rajzot.
A probléma megoldódott. Ezekszerint mégiscsak én vagyok a bal___, de a datasheetben található rajzon az RS232 INPUT lábat én úgy értelmeztem, hogy oda megy BE a PCből az adat. tehát a PC TXD-je. Még a nyíl is úgy van. De most megcseréltem a TXD-t RXD-t, és jó... Vagy akkor ott vesztettem el a fonalat, hogy a PC oldalán a TXD nem a PC adójelét jelöli, hanem azt, hogy oda JÖN be a külső eszköz TXD-je? mert ezekszerint igen...
Mindenesetre köszi a segítséget mindenkinek!
A pontot meg Slope-nak ítélem, mert ő válaszolt a leggyorsabban
![]() Idézet: „Vagy akkor ott vesztettem el a fonalat, hogy a PC oldalán a TXD nem a PC adójelét jelöli, hanem azt, hogy oda JÖN be a külső eszköz TXD-je? mert ezekszerint igen...” Igen, mivel ez a csatlakozó felöli bekötés, és nem a PC felöli ![]() Bele lehet bonyolódni, nem hiába mondtam... Ja és nem Te vagy az első (és nem is én) aki így járt. Kösz a pöttyöt!
Sziasztok azt szeretném megtudni hogy mi akülömbség a MAX232A és az N végződésű között? És hány volt a tápfesz igénye?
Szeva.
Szóval az max232N végén az n az a tokozást jelöli Dip tok dual in line. (tehát nem smd) Az A végződés pedig az adott ic esetében pedig azt jelöli, hogy 200kbps -t is tud. Általában csak a 120 kbps-t tudják. tápfesznek pedig 5V elég. És nem kell negatív fesz sima 0-is elég...
Köszi,még egy kérdés MAX 232 CPE ez miben tér el a magyarországon általánosan használt MAX232N-tól?
Szerintem 1 jobb max232 datasheeten minden specifikációt megtalálhatsz az összes utótagról ami a felirataiban található
A CPE végződésűt tipikusan elemes megoldásokhoz fejlszetették ki, "low-power shutdown" módban kb 5uW-ot fogyaszt.
Egyépként ugyan az... Szerintem ne bajlódj ilyenekkel.... Bemész a boltba kérsz egy Max232 dip tokozásút és kész. Minden max232 ugyan olyan, pontosabban kompatibilisek, tök mindegy hogy A vagy CPE vagy XXX ellátja tökéletesen a dolgát.
Én még hozzátenném azt, hogy a különböző típusok különböző méretű kondikat igényelnek. 1 µF / 0.1 µF stb. Fejből nem tudom melyik melyikhez, de az adatlapjaikban benne vannak. Valamikor igen sok bosszúságot okozott nekem. Logikailag próbálgatva jó volt, de amikor élesben kellett csinálni nem ment.
Sziasztok!
Nekem is lenne egy max232-es problemam. A problema roviden: kikuldok 1 byte-ot, es mast latok a PC-n. Ami a fenti problemat generalja: Egy 16F877A-t kotottem a PC RS232-es portjara (asztali gep, a soros port mukodik). Texas Instruments max232-t hasznalok, (pontosan MAX232IN). Az IC doksija alapjan 1µF-os kondikat hasznalok, a V+ jelenleg a GND-re van kotve a kondin keresztul (a doksi azt irja, hogy mindegy, hogy GND-re vagy tapra kotom). A tapforras a PC tapja, stabilan 5V (najo... 5.07V), viszont a GND-t a sorosportrol veszem. A bekotes: PIC_pin_25 -> MAX232_pin_10 -> MAX232_pin_7 -> PC_RS232_pin_2 PIC_pin_26 -> MAX232_pin_9 -> MAX232_pin_8 -> PC_RS232_pin_3 Szerintem jo. A 9polusu csatiba mas vonal nincs bekotve (se DCD, se RTS, semmi). A PIC 20MHz-es resonatorrol megy (nem kristaly+kondik). A progit ASM-ben irom, a soros port a kovetkezo beallitasokkal van "initializalva": SPBRG: 20 (decimalis) TXSTA: b'00100100', tehat 8bit_TX, TxEnabled, Async, HighSpeed, a tobbi mindegy RCSTA: b'10010000', tehat serialportenabled, 8bit_RX,mindegy,folyamatosvetelenabled,disabledaddressdetection,mindegy a tobbi Ez utan varok 255 orajelnyi idot, majd megnezem, hogy a TRMT 1 erteku-e, majd movlw 0x55 movwf TXREG tehat: 57600-ra van allitva a PIC portja, 8bit-es kommunikacio. A PC-n a sorosport progi 8N1-re van allitva, termeszetesen 57600-ra. A lenyeg, hogy az elkuldott byte helyett mast olvas a PC. Probaltam mas tobbfele byte-ot kuldeni, de mindig mast olvasott pl. volt, hogy harom fele karaktert is lattam, pedig csak egyfele byte-ot kuldtem el (tobbszor egymas utan, de a PC-n mindig mas jelet meg). Gyanus nekem, hogy nincs szinkronban valami (OK.. aszinkron kommunikacio ).Lattam a PIC adatlapjan, hogy a sorosportnal az orajel erteke (20MHz) miatt van bizonyos error is, tehat az 57600 nem is annyi. Probaltam 19200-on is (itt a lap szerint kisebb a hiba), de itt is ugyan az volt a problema. Probaltam mas sebessegeket is, mindenhol ez volt a jelenseg, hogy mast irt ki, mint amit a PIC kuldott. Alacsonyabb sebessegnel altalaban pontosabb a "dolog", tehat olyankor egy elkuldott byte-ra egyfele byte-ot is ismer fel, akarhanyszor kuldom ki ugyan azt a byte-ot. MAX232-t mar csereltem ![]() Olyan, mintha a PC nem jo idoben venne mintat a soros vonalbol, igy zavarodnak meg az 1-ek meg a 0-ak. Esetleg.. ha valakinek ezek utan meg van otlete, szivesen varom! Talan erdemes lenne egy pl. 3.6864MHz-es (vagy tobbszorosei) kristallyal probalkozni? Koszi a segitseget elore is! Fixer
Szia!
A PC-k hibatűrő képessége meglepően jó, vígan olvasnak olyat, amit egy PIC már nem, szóval a gép oldalán aligha lehet hiba. A soros GND-t viszont tessék összekötni a táp GND-vel, ne egy vezetéken spórolj, nullpotenciál-eltolódás lehet belőle, zavarjelek. Rezonátort sosem tettem még PIC mellé, de kommunikációs célra nem is tennék. Csak jobb az órajel pontossága 20...50 ppm szórású kristállyal, mint 0,5 %-os rezonátorral (cca. 10000-szeresen). MAX232 bekötése biztosan jó, amúgy is megbízható darab. Egyes terminálok megőrülnek handshake nélkül. Én, ha nem használom, mindig csinálok két további kötést a PC-be menő dugóban: 7-8 összeköt, illetve 1-4-6 összeköt. A regiszterek tutira jók így, szerintem. Ha a hw rendben üzemel, nem lehetne baj, én erre szavazok
Hi!
KOSZI! Mukodik! ![]() Igazabol, nem tudom melyik problema oldotta meg (GND vagy a rezonator), mert most mind a kettot megcsinaltam kb. 99%-ot adok a rezonatornak. Mondjuk... gondoltam ra, hogy kristalyt is ki kellene probalnom, de... valahogy elmaradt. A GND-ket szandekosan nem kotottem ossze. Mondjuk egy gepbol jon a ket dolog, szoval nagy potencial-kulonbseg nem lehetne kozte, de nem akartam osszekotni, hogy a legkevesebb eselyt se adjak foldhurok kialakulasanak. Tudom, hogy foldhurok inkabb tobb eszkoz osszekotesenel okoz problemat, de...hm.. .lehet hogy vagyok? ![]() Koszi megegyszer, most mar azt latom amit kuldok, igazi WYSIWYG ![]() ha rajovok hogy kell, akkor pontozok is! Fixer u.i.: rezonator "mongyon le"!
Igazán nincs mit, sok sikert a cucchoz
|
Bejelentkezés
Hirdetés |




igen, én meg még arra reagéltam. De akkor tiszta minden, csak az nem, hogy az elmélet ellenére mért nem megy fel 10V-ra, ha rajta van a PC...
)
vagyok? 




