Fórum témák
» Több friss téma |
Sziasztok.
Szeretnék egy kondenzátormikrofonnal távolságot és hangnyomást mérni. A feldolgozást pic végzi majd. A távolságmérés része elvileg egyszerű. A hangnyomás részéhez azonban olyan mikrofon erősítő kellene, ami ha lehet minél egyenletesebb erősítést biztosít különböző frekvenciákon. Tehát kiadok frekiket a hangfalra, és arra vagyok kíváncsi, hogy ugyanolyan erősítés mellett milyen hangosan hallom őket. Nem kell laborpontosság, csak amolyan visszajelző lesz. Van egy kapcsolásom, ami elég egyszerű, a conrad egyik kapcsolása. A kérdésem, hogy ez jó lenne-e nekem.
Szia.
A kapcsoláshoz nem igazán tudok hozzászólni, de én műveleti erősítővel próbálkoznék (Azzal jobban el tudom képzelni az egyenletes erősítést mint két tranzisztorral). Bár még semmi gyakorlati tapasztalatom nincs ilyen vizsgálatokban, nincs oszcilloszkópom. Szerintem vannak itt sokan akik majd tudnak segíteni, de lehet, hogy levették ezt a témát az értesítőből.
Sziasztok!!
Én is előerősítő beüzemelés alatt vagyok.,teljesen kezdő. Következő kérdéseim volnának: az erősítő üzemel, és nagyon szép hangja is van, kivétel ha közelről belekiabálok, akkor torzít.Ez egy dobokhoz használatos mikrofon, és ahhoz túl torz a jel, hogy a kiabálás legyen a gáz.Az erősítő katalógusára(ez egy kit) 0,2-2 mv ig van írva a mikrofon felől, az én mikrofonom 2,8 mv al dolgozik(érzékenység). Lehet, hogy a ez sok neki?Az bázis áram előtt van egy poti , az is minimumon van, de így is sok.Ráméregettem, látszólag minden stimmel.Táp is meg van, kicsit brummos, de ez más tészta . a bemeneten van egy kondi,eleve nem értem, hogy megy át rajta a hangfrekvenciás jel.Van rá esély hogy valamit kicserélek, és esetleg tud majd evvel a mikrofonnal bánni az erősítő?Vagy nem is ez lehet a gond?Légyszíves , ha van ötlete valakinek, olyan közel vagyok, csak még butus. ui :ha mondjuk 15 centiről beszélek, olyan frankó hangja van. Felvettem cubase programban, és a frekik csúcsok teteje hiányzik üvöltözésnél nagyon szépen köszönöm, és boldog ünnepeket!
Hello!
A leírásod alapján, túlvezérelődik az erősítő. (De nem a "freki csúcsok" hiányoznak, hanem a jel csúcsa, azaz limitálódik.) Ha egy erősítő kimeneti jele nagyobb akar lenni mint maga a tápfeszültség, akkor sajnos limitálódik, azaz levágja a jelet. Egy rajz nem ártott volna, akkor lehet konkrét tanácsot adni. Mert vagy az erősítő erősítését kell csökkenteni, vagy a mikrofon jelét. Az elsőnek nagyobb értelme van. (Igen egyszerűen magyarázva, a kondi a váltóáramot átengedi, az egyenáramot nem. A mikrofon hangfrekvenciás jele pedig váltóáram) üdv! proli007
Hello!
Látom, hogy a probléma, augusztus óta levegőben van.. Minden esetre leszimuláltam az erősítő karakterisztikáját. (mert az csak 5perc) Közepes frekvencián, kb.44dB a maximális erősítése, -3dB-es sávszélessége 350Hz és 70kHz közé esik. Maximális kimenő feszültsége 1VRMS körül van, így a maximális bemenő feszültsége 7mV. (9V tápfesz mellett) üdv! proli007
Akkor ez jónak mondható paraméterekkel rendelkezik, feltéve ha nem basszus gitárhoz vagy valami hatalmas dobhoz szeretné használni.
Melyik az a program ami képes ezt így leszimulálni?
Hello!
Hát a Tina mezei demo verziója.. üdv! proli007
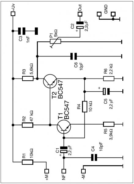
Szia! Nagyon köszi a segítséget, mellékeltem a rajzot.
Az r6 a leírás szerint csak electret miksihez kell , így én sem raktam bele, mert dinamikusom van. A miksi érzékenységét úgy tudom csillapítani, hogy sorba kötök vele, egy megfelelő értékű ellenállást?Jobb lenne, ha nem a mikrofont szabályoznánk le, de 2 ik verziónak az jobb, mint így! Előre is köszi! És végre megértettem a kondit a cucc elején, és a végén.Kössz!!!
üdv.
R4 növelésével, vagy R3 csökkentésével csökkentheted az erősítés mértékét.
Hello!
Pontosan így van, ahogy Matekos írja. Csak a megértés kedvéért. - Az erősítő nem dinamikus mikrofonhoz, hanem Elektret mikrofonhoz tervezték. Azért lehet ahhoz is használni, csak nem célszerű, mert annak kimenete szimmetrikus, és forrásellenállása általában 600ohm. - Az erődsítő 0,2..2mV bemeneti érzékenységre lett tervezve. De ha valaki közelről beszél, vagy netán belekiabál a mikrofonba, akkor a jel akár 15..20mV-ot is elérheti. - Az erősítő Au=Uki/Ube feszültségerősítését a visszacsatoló ellenállások aránya határozza meg. Ezt itt az Au=R3/(R4+P1)+1 valósítja meg. Ha a potméter két végállásában (P1=0kohm vagy 1kohm) ezt kiszámolod, akkor az erősítés jelenleg kb. 100..1000 között változtatható. - Tekintve, hogy a bemeneti jel kb. tízszer nagyobb a tervezetnél, az erősítést kb. a tizedére azaz 10..100-ra kell csökkenteni. - Ezt legegyszerűbben R3 tizedére csökkentett ellenállás cseréjével lehet megvalósítani. Tehát R3-at cserélni kell egy 18..22kohm-os ellenállásra üdv! proli007
Köszönöm a segítségeket, alakul a dolog.
az Au=R3/(R4+P1)+1 nél nem értem , hogy mi az 1. Akkor ha jól értettem R3-on nagyobb áramot csatolok vissza, akkor kevesebbet tud erősíteni az arányoknál fogva. a R4 en meg a bejövő jelet szállító áramot "gyengítem", ha jól értem Köszi!!!
Győzelem!
R4 et kicseréltem 20kohm ra, és így nagyon klassz lett! Köszi mégegyszer!
Hello!
Meg kellene ismerkedned a neminvertáló műveleti erősítő működésével. Az R4/R3+P1 egy feszültség osztót alkot a kimenet felől. De az R3+P1-en ugyan akkora feszültség van, mint a bemeneten. Ezért van a plusz egy. Gondolj bele, ha a két ellenállás egyforma, akkor R3/R4=1 lenne (P1-et most elhagyva). Holott a feszültség osztó felezi a jelet. De az erősítés kétszeres, hiszen a feszültségosztó bemenetén(ami az erősítő kimenete) kétszer akkora a feszültség, mint a kimenetén. (A feszültségosztó képletéből levezethető Uki=Ube*(R4/(R4+R3)) üdv! proli007
Jelen pillanatban az egyszerű egy tranzisztoros kapcsolásokat tanulmányozom, és próbálom megérteni.
Már a rajzomnál ott elakadtam,hogy az ic nek 5 lába funkcionál. Innentől találgatások voltak csupán.Persze rá van írva, hogy mi- micsoda. Sajnos nulla mögöttes tudás van. Korai volt evvel a kit el kezdeni a dolog megértését, most ugorhatok vissza 2 lépcsőt, mielőtt el megy a kedvem. De azért köszönöm a segítséget.
Helló!
Szóval folyton ezen a témán lógok, így nagyon picit előrébb tartok, mint a múltkor. A KIT azért torzított, mert mint kiderült a hangkártyámon van előerősítés.Ezt azóta kikapcsoltam rajta.Azóta egy saját áramkör tervezéséven fáradoztam, részben, hogy megértsem azt, részben, mert szükségem van még előerősítőre.Csatoltam a kis rajzocskámat. Szerintetek ez elméletileg működne így? A mikrofon negatív pólusát nem kellene a bázis áramhoz vinni ?Ha van valami, ami gáz írjatok légyszi! Nagyon boldog karácsonyt kívánok, és köszi előre is!
A kapcsolás elvileg jó, csak ezekkel az értékekkel nem erősít. (A munkapontot nem számoltam ki, az még kérdéses, hogy jó-e.) Az ilyen fajta kapcsolások erősítése nagyjából a az R2/R3 arányának megfelelő. Ez itt most 1, vagyis nem erősít. Ahhoz, hogy erősítsen:
-vagy csökkenteni kell R3-at -vagy növelni kell R2-t -vagy csökkenteni kell R3-at és növelni R2-t -vagy az R3-al párhuzamosan kell tenni egy hidegítő kondenzátort (amely egy frekvenciatartományban csökkenti az emitterkörben lévő impedanciát). Mindezek összefüggnek az egyenáramú munkaponttal is, úgyhogy ezeket alaposan ki kell számolgatni. Én egyébként nem szeretem a bázisellenállásos (R1) munkapontbeállítást, mert kevésbé jól kézbentartható, mint a bázisosztós. A bázisosztós (plusz mégy egy ellenállás a bázis és a -9V közé) munkapontbeállítás csak egy ellenállással többet igényel, ugyanakkor lényegében nem kell foglalkozni a tranzisztor bétájának értékével, szórásával. Hátránya, hogy kisebb lesz az erősítő bemenőimpedanciája, de jelen esetben ez nem probléma, mivel a dinamikus mikrofon úgyis kisimpedanciás. Ha mindenáron tranzisztoros kapcsolást építenél, akkor szerintem inkább egy olyan bázisosztós kapcsolást keress, amelynek a kollektorellenállása nagyobb az emitterellenállásánál, és nincs rajta emitterhidegítés. Ekkor az erősítés közel egyenlő az Rc/Re értékkel. Ha van hidegítőkondenzátor, akkor ugyanez impedanciákkal igaz, csak ott különböző emitterimpedanciák lesznek a különböző frekvenciákon, a kondenzátor és az emitterellenállás párhuzamos eredőjétől függően. (A műveleti erősítős kapcsolások sokkal egyszerűbben számolhatók.)
Szia!
Köszönöm a választ! Ezek szerint még vannak lila foltok a fejemben. Azt a részt értem, hogy -9 felől berakok egy ellenállást. Eddig úgy értelmeztem(ezek szerint tévesen) , hogy az erősítés létre jön ha a bázisáram erőssége kisebb az emiter, ill. kollektor áramnál. Most újra olvasom , hogy hogyan is működik, mert tévesen értelmezek. Nem baj kitartó vagyok! Tyúk lépésben, de meg lesz! Az áram erősségét szeretnénk növelni, ugye? Tehát a bázis áramba érkezik a hangfrekvenciás jel, ami változó feszültséget jelent a bázisáramnak aminek a az emm iter áramhoz képest századnyi az erőssége. Nálam a rajzon a kollektor áramnak ugyan annyi az erőssége, mint az emmiteren.De nem az a lényeg, hogy az emmiteren töbszöröse legyen a bázisáramnak?Nagyon részletes leírásaim vannak minden fogalomról, csak így már az nagyon nagy segítség, hogy mely fogalmaknak nézzek jobban utána. (hallottam már a hidegítő kondikról de hogy az mire jó sajna még nem tudom). Nagyon boldog ünnepeket kívánok!
Hello!
Őszintén szólva, most már nem tudom, hogy a problémádat szeretnéd megoldani, vagy kísérletezni szeretnél tranzisztoros erősítőkkel.. - Mert ha kikapcsoltad a gép előerősítőjét, akkor a kitt-nek már működnie kellene. - Viszont, ha a második eset áll fenn, akkor javaslom, hogy töltsd le a TINA demó programját, ahol szimulálhatod az általad kigondolt kapcsolásokat (erősítés-munkapont-hőfüggés) anélkül, hogy bármit össze kellene forrasztani előtte. és méréshez sem kell semmi. üdv! proli007
Utána olvastam a tranzisztor működésének ismételten. A tranzisztor emmiter, és kollektor kivezetéseit kevertem egyrészt. Tehát az r2 felé van a kollektor, r3 felé az emmiter. Emmiter áram =bázis áram+kollektor áram.Így ha egyforma az r2-r3, akkor az Uc =0.9/Ub+0.1/Ue. Emiatt nem erősít.Remélem jó felé megyek. Üdv. !
De szuper! Ilyenről még nem is hallottam!
A Kit jól szuperál azóta eredeti értékekkel.Tudatlanságom miatt megtévesztettelek, bocsánatot kérek! Szóval az az eredeti elgondolásom, hogy a mikrofonjaim tulajdonságaihoz szeretném belőnni az előerősítést, hogy a maximumot kihozzam belőlük. Ehhez sokkal több tudás kell, de nagyon érdekel ez a dolog, és kitartó vagyok.Amúgy nagyon szimpatikus nekem ez a fórum, mindenki segítő kész, és türelmes a másikkal. Köszi!!!
Emmiter két mm mel. De szép gyerek vagyok!
Üdv mindenkinek. Konenzátor mikrofonhoz kellene nekem olyan előerősítő kapcsolás, amelyet biztonsági kamera rendszer (DVR)videorögzítőjének hangbemenéhez lehet csatlakoztatni, sajnos a hangot is rögzíteni kellene.
Üdv.
Ha a hangbemenet analóg, akkor akár a néhány hozzászólással feljebbi kapcsolás megfelelhet neked, csak az erősítést kell beállítani, hogy megfeleljen a bemeneten elvárt jelszintnek. Bővebben: Link
Üdv.
Köszi, időközben pontosan ezt a kapcsolást építettem meg hozzá. Azt lehet mondani, hogy egész jó minőséget produkál.
Sziasztok.
A fent említett kapcsolást szeretném megépíteni egy walkie-talkie mikrofonjához (amit az adóvevőtől kb 2méterre szeretnék elhelyezni). Milyen műveleti erősítőt ajánlotok 3,8-4V tápfesz. mellé mondjuk TL071? Illetve az előerősítőt a mikrofonhoz vagy a walki-talkiehoz tegyem közelebb? Előre is köszönöm a segítséget.
Hello! Használhatsz TL071-et, de 3,8V tápfesz mellett, kb. 100..150mV lesz a maximális kimenti feszültsége az erősítőnek. 20dB erősítés mellett, így a maximális bementi feszültség 10..15mV lehet.
Az erősítőt, mindig a forráshoz célszerű a legközelebb tenni, mert így a kábelen már a felerősített kis-impedanciás jel halad, amire nehezebben ülnek fel a zavarjelek.. A hozzászólás módosítva: Máj 5, 2018
Miért is kéne erősítened a walkie-talkie -höz kapcsolt mikrofon jelét? Az a 2 m távolság nem oszt, nem szoroz.
Viszont igencsak vigyázni kell a mikrofon hangerejével, nem kéne megváltoztatni a gyári beállításokat. A mikrofon hangereje befolyásolja a modulációt. Ha AM -ben modulálod, az túlmodulációhoz, torzításhoz vezet, aminek következménye, hogy a kisugárzott jel túllépi a kijelölt RF csatorna sávszélességét. Ha FM a moduláció, még rosszabb a helyzet, mert a nagyobb bemenőszinttel megnő a löket, ami szintén az elfoglalt sávszélesség növekedéséhez vezet. Valahogy nem kéne jó széles sávot elfoglalnod mások elől, miközben neked semmi hasznod belőle. Egy adóvevőhöz akkor nyúlj hozzá, ha van hozzá kellő tudásod, hogy felmérjed a következményeket, és van megfelelő műszerezettséged, (moduláció-, löketmérő, spektrum analizátor) hogy lásd, hogy mit működtél. A hozzászólás módosítva: Máj 5, 2018
Rendben. Nekem csak akkora feszültség kell amekkorát generál a mikrofon, mert ha távolabb van a vezeték már tul nagy terhelés és elveszik a hasznos jel.
Egy Elektret mikrofonnak elég kicsi az impedanciája, pár méter kábelt nyugodtan rá lehet kötni. De az árnyékolt kábel legyen. Mint ahogy Pucuka is írta, erősítő csak akkor kell, ha túl kicsi lenne a hang a mikrofon számára. Pld. messziről beszélsz bele.
Erre pont nem jo semilyen erösitö. Erösitö akkor hasznos, ha a mikrofonon a hasznos jel nagyobb mint a környezeti zaj, azaz, ha nem messziröl beszélsz rá. Ha ez nem áll fenn, akkor az erösitö is csak a zajt fogja erösiteni s nem a felveendö hangokat. Ezért használnak ilyen esetekben mindenféle parabola hanggyüjtöket, iránymikrofonokat (puskamikrofon), hogy több értékes jel jusson a mikrofonra, s nem erösitöt.
|
Bejelentkezés
Hirdetés |





. a bemeneten van egy kondi,eleve nem értem, hogy megy át rajta a hangfrekvenciás jel.Van rá esély hogy valamit kicserélek, és esetleg tud majd evvel a mikrofonnal bánni az erősítő?Vagy nem is ez lehet a gond?Légyszíves , ha van ötlete valakinek, olyan közel vagyok, csak még butus. 

De azért köszönöm a segítséget. 






