Fórum témák
» Több friss téma |
A Q20 a föld és a híd közé kell, nem a híd és a táp közé, mert így nem nyit ki.
Amúgy szvsz. a Q20 tranyó felesleges veszteséget fog csak jelenteni. Én inkább és kapuval oldanám meg a PWM-et. Illetve ezt így ne építsd meg, mert hiányoznak a bázisok elől az áramkorlátozó ellenállások.
Szia!
Nem azonos tulajdonságúak a FET-ek a kapcsolási rajz szerint (növekményes-kiürítéses). A hidat pedig keresztben kell vezérelni. Meg kell oldani a FET-ek lezárását, a PWM-et pedig a FET-ek kapcsolgatására kell használn, stb.
Q20 azért van benne, mert a PWM jelet a PIC 1db lába adná, ezzel kapcsolgatná a tápot. Az irányt pedig másik 1db láb magas vagy alacsony szintjével akarom szabályozni. Így 2 lábbal meg lehetne határozni irányt és sebességet.
Ez lehetséges?
Mellékelem az új, de működésképtelen verziót.
Proteusban szimuláltam, de meg se moccan. Az inverteres ötlet az itteni kapcsolások közti h-hídból van, és nem értem, hogy miért nem akar működni. Próbáltam az inverter bemenetére 5/0V-t adni, de semmi. Most ugye fixen 5V megy az iverterre, és azt egy pnp tranzisztorral húzogatná földre a pic láb. (pic nem szereti, ha "lóg a levegőben", gondoltam ennek is jót tesz a fordított logika) Közben a PWM lábával kapcsolgatná a híd és a föld közti tranzisztort. Csak nem értem, hogy ez így miért rossz
Ja és kimaradt az előzőből a kapcs...
Így már 3 lábat fogunk le.
Az is egyszerűbb, ha fixen tápon van az egész, és hol az egyik oldalt, hol a másik oldalt nyitogatom magával a pwm jellel. Úgy is csak 2 láb lesz foglalt, csak így már motoronként 2 PWM modul kell a picbe. Ami éppen nem kuriózum, csak gondoltam megúszom az itthon lévő 2 PWM-essel. EZT kéne valahogy kiokosítani. A "Motor be"-re menne a tranzisztoron át ráadott PWM, a forgásirányra az egyik digitális láb. Úgy menne, nem?
Így csak két lábat visz el. Én kapuznám, mert teljesítményfokozattal logikát valósítani meg nem éri meg.
Uraim!
Egy keverőgéphez szeretnék motorvezérlőt késziteni. A feleadat: 12VDC motort kell hajtani, egy adott program szerint egyik illetve másik irányba. További lehetőségként szükséges lenne választható módon csak az egyik v másik irányba történő szakaszos forgatás is. Az idő 10 percekben mérhető (mondjuk 15 perc forgás jobbra 30 perc szünet, majd 15 perc forgás balra). A fordulatszám állandó. Az ismétlődő fázisokban a forgásidők állandóak, viszont szükség lenne arra, h a 2 időtényező állÍtható legyen, vmilyen felhasználóbarát módon (mondjuk néhány gombbal). A korábban belinkelt H-hidat H-hid lenne jó összekapcsolni mondjuk egy AVR-rel (van itthon egy marék Atmega8 és 48, programozóval, LCD-vel, miegymással...) Ha lenne valakinek kész kapcsolási rajza, vagy ötlete, azt nagyon megköszönném.
PIC-kel egy hasonlót csináltam.
Mivel a fordulatszámod állandó, egyszerűbb egy kétáramkörös relével iránytváltani. A kész rajzot mellékelem, bár én 230 AC-s mágneskapcsolókkal nagyobb motorokat kapcsoltam.
Igen, ilyesmire gondoltam. A relés megoldás valóban jó lehet. PIC-hez a programod is megvan? Esetleg az is publikus?
Hello!
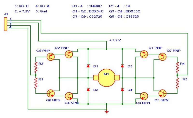
Valaki eltudná magyarázni hogyan müködik ez az áramkör? Arra lennék kiváncsi ,hogy ha be kötöm egy olyan helyre ahol kétvezetéken jön vezérlö jel, és a forgás irányt a feszültség polaritása változtatja meg? Ugy gondolom hogy ha az egyik pontra adok pozitiv feszültséget akkor arra forog és ha forditva akkro ellenkezö irányba?! Elöre is köszi.
Először is fel van cserélve a 3-as 4-es bemenet leírása.
A működése pedig : Alapból a bemenetek testen vannak így a pnp tranzisztorok kinyitnak, a motor mindkét végén megjelenik a táp. Ha az egyik bemenetre tápot adunk, ott lezár a pnp tranzisztor és kinyit az npn, ekkor a motor egyik oldalán marad a táp a másikon viszont testet kap. Ekkor forog. Végezetül ha mindkét bementre tápot adunk akkor mivel a motor minkét oldalán testet kap szintén nem működik.
Szóval akkor jol gondlom hogy ha az egyik + akkor arra forog ha a másik akkro a másik irányba forog.
És még lenne az hogy a motornak nem árt hogy mindkét végén tápot kap? De amugy köszönöm a leirást!
Jól gondolod, csak ha az egyik + akkor a másiknak negatívnak kell lennie, mármint a motor bemenetének. Nem árt, az olyan mintha nem is lenne fesz rákapcsolva, hiszen mivel nincs feszültség különbség a két bemenete között ezért nem folyik áram, és ha nem folyik áram akkor nem folyik áram.
![]() Amúgy léteznek különböző teljesítményű H-híd IC-k, ttehát nem kell egy kupac tranyót forrasztgatni.. pl: L293, L272, L298
Köszi szépne a válaszokat!
De azért olcsobban kijövök a kupac tranyóval
Hello
Egy 4 kerekű robotot építek, ahol a kerekek vezérlését SN754410 IC-vel oldom meg, mindegyik kereket külön motor hajt. Az egyoldalon lévő kerekek sorba vannak kötve, ezt vezérli az IC egy 1 h-hídja. A h-hídak kimenetein 100nF kondik vannak zajszűrés céljából. A probléma az, hogy PIC menet közben többször is újraindul, néha mintha lefagyna, a rajta lévő nokia3310 lcd pedig hülyeségeket jelenít meg, esetleg azt se, amit menet közben kéne neki. Az az érdekes, hogy ha az IC áramkörét TELJESEN leválasztom a PIC-ről, tehát semmi galvanikus kapcsolat, majd IC egyik enable lábára kötök 5V-ot, akkor a motor beindulása után a PIC ismét újraindul, a kijelző szintén hibásan működik. Hogy lehetne elhárítani a problémát? A motorra nem tettem védődiódát, mert azok vannak az IC-ben. Arra gondoltam, ha esetleg kiszedném a motoron lévő 100nanos kondikat, akkor az segítene? A PIC-en természetesen van 100n kondi. Üdv.
A motor szénkefés? Előfordulhat, hogy a szénkefe szikrázása okozhat elektromos zavart. A motor tápvezetékét is kéne zavarszűrni, A motor helyébe tegyél valami más Ohmos terhelést, akkor megszűnik-e a hiba?
A PIC-ben a konfigurációban kikapcsoltad a power reset funkciót? Ha lecsökken a táp, akkor is resetelődhet a PIC A pic bemenete is összeszedhet zavart. esetleg RC taggal szürni ha lehet. Sajnos az ilyen hiba idegőrlő.
Hello
Ilyen motorokat használok, szerintem szénkefések. A motor tápjánál is van kondenzátor. PIC16F877A-t használok, az összes nem használt lába kimenetre van állítva. Power reset ki van kapcsolva. Azt elfelejtettem megemlíteni, hogy jelenleg még régi joystick-kel lehet irányítani a járgányt, ami a botkormány elmozdításának a függvényében 0-5V feszültséget ad. A PIC PWM-mel vezérli a h-híd IC-t. Az az érdekes, hogy ha csak kis sebességgel megy a járgány, akkor még működik jól, viszont ha "gázt adok", akkor az LCD-n elmegy a kép és egyszer csak resetelődik a PIC. A PIC úgy van beállítva, hogy 3 lába analóg, ebből 2 van felhasználva a joystickhez, egy pedig a földre kötve. Lehet hogy más PIC-cel több sikerem lenne?
Hali
Ez nem biztos hogy kintrol jovo zavar. Lehet egy rosszul megirt program, ami elszall pl stack tulcsordulas, vagy egyeb hiba miatt. Mondjuk lehetseges meg tapegyseg hiba is. Probald meg a configban kikapcsolni a "brownout" tulajdonsagot. Masik tipusu PIC biztos nem oldja meg a problemadat. Udv Vili
Valószínűleg egy tápról mennek a motorok és a pic is, így amikor "gázt" adsz a motorok terhelésére a táp összeesik és nem lesz meg a kívánt feszültség. Vagy kell egy külön táp a picnek és kijelzőnek, vagy kondikkal meg lehet próbálni megtámogatni picit a tápot.
Én a külön tápot választanám.
Hello
Ez a SN754410 h-híd IC olyan, hogy 2 tápfeszt igényel: az egyik lesz a motorok tápfesze, a másik a logikájáé - ez azonos a pic tápfeszével. A program meg elvileg jó, mert ha motorok tápfeszét lekapcsolom az IC-ről, a pic-et pedig bekapcsolom, akkor működik rendesen. Ez azt jelenti, hogy menet közben az LCD-n megjelennek az ADC1 és ADC2 értékek. Tehát mozgatom a botkormányt, és kiíródik az LCD-n az aktuális érték. Teljes gáznál is szépen működik. Viszont érdekes, ha szétválasztom teljesen a pic áramkörét a h-híd ic áramkörétől, és mindkettőt külön-külön beizzítom, akkor járó motoroknál ismét jelentkezik a hiba, pedig galvanikusan sehol se kapcsolódnak, csak levegővel. Egyébként ránéztem a pic tápjára szkóppal, és látni rajta, hogy amikor mennek a motorok, olyankor ráül a pic tápjára a pwm frekvenciájával megegyező, négyszögjelszerű kb. 50mV amplitúdójú jel, aminek a kitöltési tényezője ellentettje a pwm aktuális kit. tényezőjével. A brown-out ki van kapcsolva. Üdv.
Üdv mindenkinek!
Engem egy olyan kapcsolás érdekelne, ami a CD-meghajtó nyitó-záró mechanizmusát utánozza. Tehát logikai 1 = open majd ismét logikai 1 = close, és így tovább. De akár az is jó lenne, hogy logikai 1 = open, logikai 0 = close. Az mspike által felrakott H-híd kapcsolással próbálnám „összevarni” a dolgot, de bevallom, eddig inkább kevesebb, mint több sikerrel jártam… Ha már volt róla szó és OFF-olok, akkor előre is elnézéseteket kérem. A kapcsolás egyébként egy vegyestüzelésű kazánban az égés intenzitását (huzatát) szabályozná. A beállított célhőmérséklet szintentartásáért felelős elektronika már megvan (az adja a 0,1 jeleket), most már csak a nyitó-záró mechanika motorának vezérlésében szeretném a segítségeteket kérni. Tehát a végállásokban kikapcsol, míg nem kap újabb jelet, de eközben forgásirányt is vált, és e között a két véglet között jár-kel oda vissza, míg a vezérlő be van kapcsolva… Várom az építő hozzászólásokat.
Pár gondolat:
A víz a rendszerben a hőmérsékletkülönbségtől vagy egy szivattyútól cirkulál? Öncirkuláló rendzser időállandója hatalmas (szivattyúsé is nagy), és te maximális "jellel" akarsz beavatkozni a rendszerbe. Gondoljuk végig: 20°C-ot akarsz tartani, amíg a hőmérsékletérzékelő 20°C alatt érzékel , addig maximális huzattal megy a kazán, ahhogy elérte a 20 fokot a kazánt lezárod 0 huzatra, de a rendszer időállandói miatt jóval tüllövi a 20 fokot a hőmérséklet, majd csökken.... 20°C-alá,-> max huzat mire elindul a melegvíz alálöttük a 20 fokot. Folyamatos huzatállítást kellene megvalósítani. Korlátot mindenképpen kell beletenni közvetlenül a kilépő hőmérsékletre (forráskor beavatkozik: huzat=0), a hőmérséklet miatti beavatkozást meg nagyon lassúra kell venni PI jellegű kompenzációval, de ennek beállítása csak tapasztalati úton lehetne az óriási időállandó miatt (órákról beszélünk), mindenképpen az a lényeges, hogy ne akarjon a rendszer önmagában gerjedni (túllőni alálőni).
A víz szivattyú segítségével cirkulál és mindössze 50 liter van az egész rendszerben. Én magam terveztem és viteleztem ki, kifogástalanul működik, de a mechanikus huzatszabályzó túl lassan reagál. Van egy vezérlőm, ami képes arra, hogy egy tetszőlegesen beállított hőmérsékletet szinten tartson. Pont olyan, mint a digitális tűzhelyeké: beállítod a hőmérsékletet, fűt, majd a célhőmérséklet közvetlen közelében ki-be kapcsolgatja a fűtést annak szinten tartáshoz. Természetesen figyelembe veszi az adott rendszer hőtehetetlenségét is, ezt egy "fine control" potival tudom állítani.
"... te maximális "jellel" akarsz beavatkozni a rendszerbe. ... " Igen, maximális jellel akarok beavatkozni, és ezt amiatt tenném, mert ha a vezérlő visszajelző LED-jének világítási ideje alatt felemelve tartom a huzat csappantyút, a "sötét periódusokban" pedig teljesen lezárva, akkor pontosan a beállított hőmérséklet tartja a kazán. most egy elektromágnes végzi ezt a feladatot, de igen hangos a ki-be kapcsolás és a rézcsövek mint tudjuk jól vezetik a hangot... A mechanikus huzatszabályzó biztonsági okokból bent maradna, és azt beállítanám, mondjuk az elektronikusan szabályzott alá 10°C-al... Remélem érthetően fogalmaztam, ha nem, szóljatok mert abból ért az ember...
Milyen a végálláskapcsolód, bontó vagy nyitó?
Bírja a motor áramát (megszakítani)?
Hali
Nem tudom mennyire vagy kepben az elektronikaval, de lenne egy javaslatom. Keves elektromos tudassal is meg lehet epiteni. Egyszeruen egy reles vezerlessel meg lehetne oldani a DC motor iranyvaltasat. A mellekelt rajzhoz egy kis magyarazat. Az S1, S2 a mechanikara felrakott vegallaskapcsolok, amik a ket veghelyzetnel bontjak az aramkort. A S3 zarasakor a a K3 rele meghuz, es a mechanika elmegy a S2 vegallasig. Itt megall a motor. A S3 nyitasakor a K2 huz meg es a motor elviszi a mechanikat a S1 nyitasaig. itt ujra megall a motor. Termeszetesen a S3 helyere, a tranyo bazisa es a negativ pont koze kotott 0-5V jelszint ugyanigy vezerli az egeszet. Az egeszet ossze lehet rakni valami kis dobozba, foglalatos relet (Pl KR8 )alkalmazva meg panelt sem kell gyartani hozza. Siman osszehuzalozhato. Csa Vili
Köszönöm Vilmosd, ez ígéretesnek tűnik... Elektronikai tudásomról annyit, hogy vegyész, műszeres analitikus vagyok, szóval amihez nem értek, arról inkább kérdezek. Egy erősítő vagy tv javítása általában nem probléma, utálom a PIC-et, és szeretem a vörösbort
Meglévő dolgokkal általában már boldogulok, szóval ezzel most a kreativitásomról (vagy lustaságomról) is sok derült ki...Köszönöm a segítséget, megépítem, aztán majd élménybeszámolok...
Hali
Orulok hogy segithettem. Idézet: Milyet kersz? Argentin, vagy chilei? „és szeretem a vörösbort” Nalam ez a sorrend.Csa Vili
Én magyar párti vagyok, de nem vetem meg a reformkonyhát
|
Bejelentkezés
Hirdetés |











Meglévő dolgokkal általában már boldogulok, szóval ezzel most a kreativitásomról (vagy lustaságomról) is sok derült ki...
Nalam ez a sorrend.



