Fórum témák
» Több friss téma |
Fórum » Működő USB - RS232 átalakítók
Témaindító: instantwater, idő: Szept 6, 2008
Témakörök:
Idézet: Ha nincs közös földpont, akkor mihez képest értelmezhető az RX és a TX jel? „Nincs közösített test, se táp.”
A k-line interface szekciónál nem kicsi gerjedés, és túlhevülés volt tapasztalható. Amikor közös lett a test, akkor a 78L05 7,5V-ot tolt ki magából és megsült, illetve a szűrő kondi elszállt. Most már max annyit próbálok meg, hogy a tranzisztorok testelését rákötöm az usb- átalakítóra. De már belefásultam az egészbe. Nem is kis összeget öltem bele, miután a kettő a vezeték összekötéssel ment, hogy egybe lehessenek. De mégse megy.
Ha esetleg megmutatnád a kapcsolást hogy még is mi lehet a hiba, megpróbálnék én is segíteni.
Sziasztok! AVR-hez szeretném illeszteni a PL2303 USB konvertert. Volna kérdésem, ha esetleg tudnátok segíteni.
1, Írják, hagyjam szabadon a RTS+CTS lábakat az usb chip-en. Honnan fogja tudni a chip és az AVR, hogy handshake nélkül kell kommunikálniuk? Feltételezem, ebben a tekintetben a PL2303 ill. az FT232 hasonlóan viselkedik. A PL-nél nem találok info-t erre, FTDI doksi részletesebb, de ez nem világos nekem. 2, Gondoltam, kihasználnám a "Wake usb" funkciót. De ha jól sejtem, ez default-ból ki van kapcsolva, és bekapcsolásához külső eeprom kellene PL2313 esetén, ami nincs a modulomon. Akkor felejtős, ugye? esetleg vegyek és próbáljam illeszteni, de nincs sajna ehhez doku. 3, Az FTDI dok szerint az USB átalakitó belső kvarc órajelet át lehet vinni a mcu felé (rajz másolatot mellékeltem). És ha mondjuk külön, 20MHz-en tolnám az AVR-t, nem fognak tudni sorosan kommunikálni? (A fentebbi rajzon (Opel scanner) az ATTiny-re ~11 MHz-es kvarcot tettek, ami furcsa nekem...) Esetleg összefügg ez a handshaking-gel?
1. A handshaking az egy olyan dolog, hogy lehet használni, de nem muszáj. Ettől még amit az átalakító RX lábára odavezetsz, az a PC-n meg fog jelenni, illetve amit a PC-ről ráküldesz, az a TX lábon meg fog jelenni. Az AVR onnan fogja tudni, hogy te írod a kódját, és úgy írod meg, hogy ne használjon semmi handshakinget. Ha viszont a kód már megvan, és handshakinget vár, akkor viszont az áramkörrel biztosítani kell neki.
2. nemtudom 3. Lehet azonos órajelforrásról hajtani, ha elég közel vannak a chipek egymáshoz (néhány centi). De nem muszáj azonos órajelen hajtani a két chipet, PL2303-ra gondolom muszáj 12MHz-es kvarcot tenni, viszont az AVR mehet akár 1MHz-es kvarcról is, csak a firmware-jét úgy kell megírni, hogy a soros portjának sebessége megfelelő legyen, mivel az az órajelforrásból van leosztva.
1, handshake figyelése nem kötelező. Ha nem kötöd be (NC) akkor a felhúzó ellenállások engedélyezett állapotban tartják. Ha bekötöd, akkor te tudod tíltani. És persze figyeled a másik fél (pl PC) oldali engedélyt.
Most így olyan, mintha a handshake megtörtént volna, csak várják mindketten az adatokat. Már ha a programod így írod meg. 3, a ~11Mhz pontosabban 11059200 Hz az egy "baudrate" kvarc. Ha ezzel (és hasonló osztásúval) hajtod, 0% a hiba hosszú adatcsomagnál is. pl 11059200 / 115200 (baud) = 96 egész szám! 14.745600MHz 22.118400MHz ...
Köszönöm mindkét választ, potyo és pici, sokat segít a miértek megértésében.
Világos, hogy mehet különböző órajelről a két kütyü, mivel a kommunik úgyis baud-ban definiált, nem órajelben. persze fontos a MHz oszthatósága... Ami az AVR UART programozást illeti, remélem az általam kiszemelt bascom majd segít, hogy ne kelljen nagyon mélyre ásnom magam a bitekben. Az USB "Wake" pedig nem annyira fontos, végül is. üdv
Sziasztok megint. Tudnátok ajánlani egy optocsatolót, ami 4 "csatornás" (esetleg rakok 2db×2ch-t). Ezen keresztül kommunikálna az ATMEGA8 egy soros multi-ADC-val, azaz egy MCP32108-al. (Esetleg egy jó termékkereső, ami nem csak egy forgalmazó termékeit mutatja...)
Sziasztok!
Köszi a tippet, ezen elindulva keresgélek egy ideje, mert smd-t szeretnék. Úgy látom, más nem vet fel kérdést, nekem volna még egy, az előbbi folytatása, bár nem pont usb a téma. Turkáltam több fórumon, de nem találom amit keresek. Szóval mondjuk a TLP281-4-et gondolnám smd opto-nak. Csak azt nem tudom, meg lehet-e terhelni a CMOS ADC soros KImenetét az opto diódájával (5..6V táp, egy 4,7k ellenálláson át tolnám). Érdekes, az ilq620-nál meg van adva egy névleges If áram(szinte gyanús módon 2,5 mikroamp), míg az általam talált smd-knél 1...10 mA közöttinek tűnik, a digramok alapján. A diagramokon az ILQ-ra is inkább a mA jellemző. köszi előre is!
Nem valaszkent kuldtem az elozot... Mi a velemenyed az aramrol? Bocs az ekezetek miatt. Tony68
Hé emberek, vagy nagyon nagy baromságot kérdeztem, vagy nagyon nehezet, vagy mindenki dolgozik napestig. Vissza-vissza térek még megnézni, valaki tud-e/akar-e hozzászólni.
Pedig végül már más utat választottam, azaz előhúztam a fiókból egy 20éves Sharp zsebszámítógépet, és azon munkálkodom, hogy ő legyen a kontroller az adc előtt, és így mentesülök a leválasztás szüksége alól. De ez már tényleg más téma ... (de megjegyzem, ahhoz a Sharp-hoz már készítettem usb/soros konvertert egy félkész modulból, ami viszont megint csak ebbe a fórumba lenne való). Ezzel együtt is, a cmos terhelhetősége érdekelne... ha lennétek szívesek kommentálni, esetleg hogy hol érdeklődjek. köszi Tony68
Inkább pontatlanul kérdeztél. A korábbi hozzászólásodban MCP32108 típusú ADC-t emlegetsz, holott ilyen típus nem létezik. Úgy sejtem MCP3208-ra gondolsz inkább. Ennek adatlapja nem ír konkrétan maximális terhelhetőséget, de a tesztfeltételeknél 1 mA áramerősség szerepel, mint terhelés. Úgyhogy 10 mA-t nem hiszem, hogy ki lehetne préselni belőle. Többféle megoldás is lehetséges. Egyrészt használhatsz CMOS buffer áramkört, ami már meg tudja hajtani az optót. Másrészt megoldható tranzisztorral is, ami szintén képes meghajtani az optot. NPN tranzisztor bázisa egy ellenálláson keresztül az MCP kimenetére, emitter gnd-re, kollektorkörbe pedig az opto és az áramkorlátozó ellenállás, felhúzva tápra. Amikor az ADC magas szintet ad ki, akkor az opto LED-e kigyullad. Nagyjából ennyi.
Helló mindenkinek.
Azt szeretném meg tudni h hogyan lehetne vagy miből csinálni egy usb rs232 átalakitót, amivel epromokat és mcu kat lehet irni olvasni, és nem kell klön fel programozni mint pl a pickit2 mert azt meg csináltam csak még nem sikerült a pic programozása. Gondoltam h hátha lehet ilyen célra mást is használni pl ftd232 vagy valamit. A válaszokat előre is köszi.
Szia, köszi a választ, szinte megnyugtat, hogy nem csak én nem találom a konkrét terhelhetőséget. Tényleg 3208 volt az MCP bocs.. A tranyós megoldás tetszik. A francba, megint további alkatrész(ek). Mindegy, egyelőre úgyis a Sharp-os megoldást vettem elő.
Építsd meg egy alkalomra watt lpt-s égetőjét, én azzal dobtam össze a 2esemet. Mai napig megvan és megy mindkettő.
Szia! Először is elnézést, hogy egy régi bejegyzésre teszek fel kérdést. Tulajdonképpen nem nekem, hanem egy kispénzű barátomnak kellene megoldást találnom. Parallax Propellert szeretne programozni. Az FTDI chip nem olcsó, ezért ellőni nem szeretné. A gyári programozó 3700Ft+ÁFA. Ezért úgy döntött megpróbál soros kommunikációval programozni, de ő is és én is elkínlódtunk vele 2 napot már, amikor is kiderült, hogy teljesen jó amit csináltunk - de azért nem működik, mert a programozó szoftver már az USB-t támogatja - ami persze érthető is. Azaz a TX RX és a reset áramkör is jó, csak a PC-s szoftver nem. Nekem van eredeti Parallax USB Plugom. Ugyanaz az FTDI chip van rajta amivel te is csináltál átalakítót, azzal tökéletesen megy a programok letöltése. A kérdésem lényege: miben csináltad az átalakító nyáktervét? Arra gondoltam, meglepném őt egy ftdi chipes programozóval, de jó lenne, ha nem nulláról kellene megrajzolgatnom mindent. Nekem Eagle van itthon, CNC-vel 10 perc alatt meg tudok csinálni egy egyoldalas panelt. El tudnád küldeni a nyáktervet esetleg? Vagy megtalálom valahol?
Szia
Most már elég késő van... keress meg priviben, én meg addig megkeresem, hol a kapcsolás.
Szia!
Egy PIC16F1455 vagy PIC16F1459 (~410Ft+Áfa) egy USB - CDC programmal kíválóan meg tudja csinálni a feladatot, még quartz sem kell hozzá... Az FTDI árából még nem, de a gyári programozó árából kijön egy PICKit2 klón és a PIC -kel felépített USB - UART átalakító is.
Itt is van. 16F1454 vagy 16F1455 (quartz nélkül) Full Speed USB - CDC programmal.
Hozzávalók: PIC16F1454, ICL232, 1 ellenállás, 7 kondenzátor és a csatlakozó. A hozzászólás módosítva: Okt 15, 2014
Hali. Van egy USB - RS232 átalakítóm. Nem egy adapterban van a két csatlakozó, hanem külün kábelen, van vagy 1, vagy másfél méter hosszú. Beltériket szoktam vele flashelni. Van viszont egy ilyen is, ami az adapterben van a 2 csatlakozó. (RS232, és az USB is). Előző laptopomon amint win7 32bit van, ez a kis adapter megfelelően működik. Adaptert be a gépbe, az RS kimenetére egy méteres RS hosszabbító, és ,,chippelem,, a beltérit
(a megfelelően működik, azt jelenti, hogy a beltéri kijelzőjén flashelés közbe a digitek felváltva villognak, egyeneltesen.) Na most viszont van egy uj laptop, win7 64bit, és nem tudom összehozni a gépet a kábel nélküli átalakítóval... Mivel van itthon kábeles átalakító is (amiről tudom hogy nem 100%ban működik), megpróbálom azt használni. Miért csinálja a kábeles átalakító azt, hogy ha elekzdem flashelni a gépet, a kijelzőn a digitek, hol gyorsabban, hol lassabban villognak, hol állnak.... Mintha akadozna az átvitel. Nekem csak egy tippem van, lerövidíteni a kábelt, és rátenni egy zavarszűrőt. Nekem elég ha a kábel csak egy 10 centis. Szerintetek érdemes ezzel szórakozni, vagy más a baja?
Sziasztok!
Írtam 1 programot C++ ban (mozgásérzékelő) és szeretnék hozzá 1 olyan funkciót, hogy ha mozgás történik, akkor USB porton keresztül küldjön 1 jelet 1 PIK-nek, ami mondjuk beindít 1 szirénát, felvillant 1 led-et vagy valami ilyesmi. Szóval az volna a kérdésem, hogy miként tudnék C++ ban hozzáférni az USB portokhoz? Hogyan lehetne ezt a jelet elküldeni a Pik-nek.(Valami flag-et kéne beállítani ami 0 ha nem történik semmi és 1 ha mozgást észlel a program.) Tudna valaki segítene ennek a feladatnak a kivitelezésében?
Szia!
Vegyél egy USB-RS232 konvertert 2000 FT-ért ami egy COM portként jelenik meg a gépeden. Sokkal egyszerűbb a PC-s és a kontroller oldalt is leprogramozni, ehhez a feladathoz amúgy sem kell nagy sebesség. AZ msdn.com-on keresd mg a serialport class leírását, vannak jó példák is. Kb 10 sorból megvan amit akarsz. Üdv.
Üdv mindenkinek!
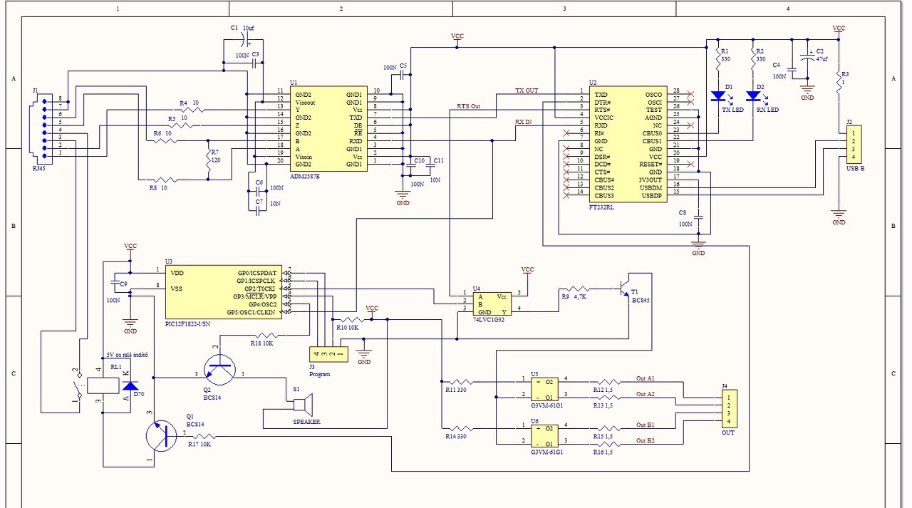
Nekem a következő igen nagy gondom lenne, hátha tud valaki valamit mondani rá. FT232RL smd USB soros átlalakító, kb. a 3. usb portra történő bedugás után megadta magát teljesen. Először felismerte a Win7 64 bit. COM3 portnak működött is szépen de a 3. -4. bedugás után már nem. nem ismeri fel a win7 és azt írja ismeretlen eszköz. Az áramköröm fogyasztása 47mA ami nem terheli túl a PC USB portját. Viszont bekapcsoláskor az RTS és DTR lábakat megrángatja a chip most is de már nem kommunikál. Nagyon morcos vagyok mert nem volt olcsó az ic és nagyon nem akar működni. Az áramkör lentebb a kép.Köszi mindenkinek.
A COM3 választás nem szerencsés. Ha csatlakoztatáskor küld adatot a kütyü, a Windows Microsoft Ball Point Mouse -t telepít. Csak akkor tudod letiltani és levenni, ha megtalálta, de nem küld adatot és nincs más egér csatlakoztatva. Mielőtt törlöd, örökre tiltsd le a telepítését.
A COM3 -as portot automatikusan a win7 választotta de azzal nem volt bajom bár igazából a kommunikációig nem jutottam el. Per pillanat semmit nem csinál sajna. Ja semmit nem küld csatlakoztatáskor a PC kezdi mindíg a kommunikációt.
A hozzászólás módosítva: Márc 31, 2015
Mit értesz ezen ? 'inrush current limit' Bekapcsoláskor ne vegyen fel túl sok áramot ?
|
Bejelentkezés
Hirdetés |






vagyok mert nem volt olcsó az ic és nagyon nem akar működni. Az áramkör lentebb a kép.





