Fórum témák
» Több friss téma |
Sziasztok,
Két analóg érzékelő jelével szeretnék két motort vezérelni. A feladat az lenne hogy ha két bemenő fójel A és B a két kimenő vezérlő jelek X és Y: ha A=B akkor X=1, Y=1 ha A>B akkor X=1, Y=0 ha A Mit javasoltok? Gacserus
Szia! A kisebb B-re van valami feltétel? Olyan félbehagyottnak tűnik az írásod.
Szerk.: ezt az egyenlőtlenség jelet nem szereti, nekem sem íródott ki. A hozzászólás módosítva: Jan 21, 2013
Sziasztok!
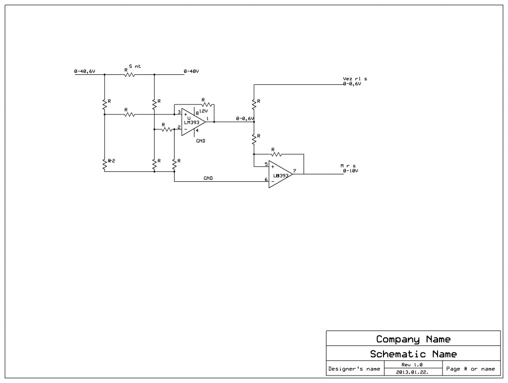
A következőt kellene megoldanom. Adott egy sönt amin 0-0,6V mérhető a Gnd-hez képest 40-40,6V. Ezt kellene nekem figyelni és két további helyre továbbítani az egyik a szabályzó áramkör a másik egy panel műszer. A szabályzó áramkörnek 0-0,6V-ig kell a jel a műszeren 0-10V-ig kell mérni. A csatol rajz szerint képzeltem. Szerintetek jó így?
Szerintem nem jó, mert van aki nem tudja, hogy ezt mivel kell megnyitni. Vagy ha tudja, lehet, hogy nincs meg neki az az alkalmazás. Vagy ha megvan, lehet hogy lusta azt megnyitni, az egyetlen kattintás helyett. Én a jpg-ben való feltöltésre szavazom.
Én is, de sokszor tesznek fel ide némelyek *.lay kiterjesztéssel is sok mindent...
Nem lehetne valami emesztheto formatumban feltenni a rajzot? Pl. PNG, JPG. Lehet tobben valaszolnanak.
Pozitív visszacsatolva nagy eséllyel nem a kívánt 0,6V jelenik meg a kiemeneten, hanem a táp.
Itt van. A bal felso sarokban van a meroerosito. A bemenet 60 voltig uzemkepes. A kimenet forditott, tehat a 0 az 5 volt (Vref) es ettol lefele valtozik. Egy kivono erositovel magoldhato a fazisforditas.
Átgondoltam a rajzot az előbb csak össze dobtam.Így már jó?
Azért van ott a 680 Ohm, mert az erősítő nem stabil 30x-os erősítés alatt. Ha ott van akkor valójában a hurokerősítés csökken 30dB-el, így az egységerősítésnél olyan a nagyfrekvenciás viselkedése, mintha 30x-sat erősíteni.
Sajnos azonban a torzítása is olyan.
Megtisztelsz, hogy előástad a régi kérdésemet. Sajnos saját káromon kellett eljutni az általad leírt jelenség felismeréséhez. Azóta már vizsgálom az invertáló bemenetről meghajtott erősítő fokozatok tranziens viselkedését.
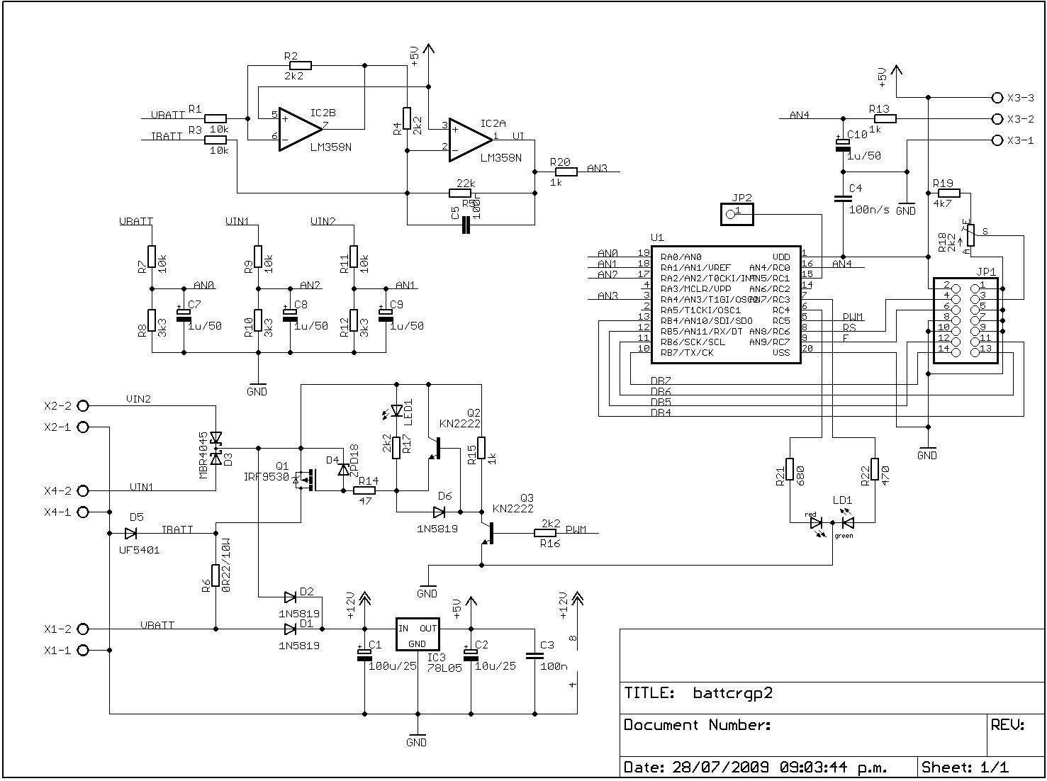
Sziasztok. Dual OPAMP-al szeretnék építeni feszültségstabilizátort. Építettem már egy dupla asszimetrikus feszültségű szabályozható tápegységet az első rajz alapján: 2X2,4-33v (persze nem zénerrel, hanem feszültség referenciával.) Csakhogy most szimmetrikus tápstabilizátort szeretnék. A negatív stabilizálást nem értem. Meg tudom oldani ezt egy dual OPAMP-al? Szimulátorban próbálgattam, de eddig nem jött még össze. Találtam egy kapcsolást, ami nekem egy kicsit bonyolult. (Másik kép.) Valami egyszerűbbre gondoltam. Előerősítőhöz kellene nekem, mert a feszültség stabilizátorok, nem mindíg megfelelően követik a feszültség változásokat. (Ezzel kapcsolatban a további kérdések elkerülése végett: az előerősítő kimenete "A" osztályú, nem csak 200ma terheléssel tehát áramot is erősítek a végén, de nem végfoknak használom.)
Segítségeteket előre is köszönöm. A hozzászólás módosítva: Jan 25, 2013
Hello!
Meg lehet oldani kettős OPA-val is, de célszerű akkor már szimmetrikus tápfeszültséget használni hozzá. Mivel az úgy is rendelkezésre áll, ha a táp is szimmetrikus.. "Találtam egy kapcsolást, ami nekem egy kicsit bonyolult." Tévedsz ez nem bonyolult. Egyébként, ezt a kapcsolást sem tudod kettős OPA-ról járatni, mert a két OPA-nak belül ugyan az a tápja. (Mondjuk nem is írtad, milyen OPA-ról van szó.) Másfelől Ennek a műveleti erősítőnek, nyitott kollektoros kimenete van. Vagy is a kimenti feszültsége lehet magasabb a tápnál. Átlagos OPA-nál ez nem megoldható, így a szimulált rajzod, inkább elvi, mint gyakorlati jellegű. Tehát meg lehet oldani, de nem egyszerűbben, és nem így. Azt is el kell döntened, hogy külön-külön szeretnéd szabályozni, vagy együtt a kettőt "tandemben". üdv! proli007
Hello! Amit felraktam rajzot, az nem dual opa, csak kiváncsi voltam, hogy létezik e ez a megoldás. LM4562na lenne az áldozat. Szimetrikus tápról lesz hajtva, és végülis jobb ha külön állítható a kimeneti feszültség, nem kell (látniuk) egymást. Ha megoldható egy ilyen opa-val, az nagyon jó hír.
Hello!
Miért épp erre az OPA-ra esett a választás. Kár ezért a "nokedli funkcióért" elherdálni egy ilyen tokot. üdv! proli007
Ez jó!(nokedli funkció)
Azért mert amit építek abban is ez a műveleti erősítő dolgozik. Ez van itthon.
Sziasztok hogyan lehetne legegyszerűbben megoldani hogy egy műveleti erősitő visszacsatoló ellenállásának értékét feszültséggel tudjam szabályozni mondjuk egy mikrovezérlőről? Mellékelek egy rajzot az R ellenállást kellene szabályozni.
Szia! FET-et, vagy foto-ellenállást javaslok.
Szia a fotoellenálláson már gondolkoztam én is lehet hogy kipróbálom
Kaphatóak soros porton keresztül állítható digitális potméterek is. Bár azt nem tudom, milyen tartományban kell az ellenállást szabályoznod. Az említett digitális eszközöknek biztosan van egy maximális áramuk, ami a minimális ellenálláshoz tartozik, mivel nincs hűtőfelületük, szóval nem teljesítmény szabályzására vannak kitalálva.
Hello!
Nem írtad, hány Voltra, mekkora áramra gondoltál, de lerajzoltam +-60V/2A-est kb. hogyan készíthetsz. üdv! proli007 A hozzászólás módosítva: Jan 26, 2013
Szia igazából nekem csak 5 darab ellenállásérték közül kellene választanom (1k, 1,5k, 10k, 15k, 100k). Akár relék is szóba jöhetnének de azért 5 relét nem szeretnék beépíteni.
Akkor már inkább valamilyen analóg multiplexer is szóba jöhetne aminek van minimum 5 bemenete és egy kimenete. A hozzászólás módosítva: Jan 26, 2013
Szia lehetne... de még van egy kérdésem ha én a 4051 - et analóg muxként használom akkor szimmetrikusan kell táplálni?
Hello!
Ha a műveleti erősítőnek szimmetrikus a tápja, akkor a CMOS-nak is az kell. (De maximum +-7,5V). De a lényeg, hogy az analóg kapcsolónak sem a bemenetén, sem a kimenetén (akár be, vagy ki van kapcsolva) a feszültség nem haladhatja meg az IC tápfeszültségét. (De jobb ha meg sem közelíti.) Amúgy azért a 4051 nem egy precíziós valami, arra azért ne számíts. üdv! proli007
Hello! Hát +- 22 voltnál nem gondoltam többre mert csak műveleti erősítőről van szó, és max 1 amperről. Köszönöm a rajzot.
Igen ilyesmit kerestem. Ez egyszerű is. A TL 431 az elég jó referenciának, vagy pontosabb egy referencia feszültséggel?
Ha a komparátor kapcsolásomban nem LM324-et használnék, hanem direkt komparátor IC-t pl LM339-et akkor megszünne a kimenetén a lednek a villodzása? Az a bajom, hogy a kimenetén nem csak tápfesz van, hanem van kisebb állapot is.
A referencia fesz is mozog egy minimálisan, direkt beraktam egy 7809-et és azzal is a tápfesz kicsit mozog ha a led világít, ha a reléket bekötöm még rosszabb. Bővebben: Link a vidijo róla A hozzászólás módosítva: Jan 26, 2013
Ez azért van mert a műveleti erősítők általában hajlamosak erre a kapcsolás közeli pergésre a nem stabil átbillenés miatt. Komparátorral mindenképp jobb lenne, de megpróbálhatsz egy néhány száz ohmos pozitív visszacsatolást is, esetleg még néhány száz nanó értékű kerámia, vagy fóliakondival is, nekem ez segített egyszer.
Hello!
Akkor át kell számítgatni a rajzot. De ezt rád bízom. Egy 46ppm-es referencia számodra nem jó egy egyszerű tápban? Talán meg kellene nézni az adatlapját.. üdv! proli007 |
Bejelentkezés
Hirdetés |








Azért mert amit építek abban is ez a műveleti erősítő dolgozik. Ez van itthon. 

Igen ilyesmit kerestem. Ez egyszerű is. A TL 431 az elég jó referenciának, vagy pontosabb egy referencia feszültséggel? 



