Fórum témák
» Több friss téma |
Igen, mikor rövidzárba van; aztán vagy kibírta, vagy nem. Felét, harmadát illik igénybe venni.
Hello! Meg tudná-e Valaki magyarázni,hogy mikor szoktak differenciáló kapcsolást alkalmazni műveleti erősítőknél,és hogyan befolyásolja a kimenetet? Ha komparátornál kondit teszünk a - bemenet és a kimenet közé,akkor az lassítja a kimenet átbillenését. Ez érthető.De a kérdésem az,hogy mikor teszünk a - bemenet elé kondit?
Hello! Olyan kérdésre, amiben nincs konkrétum (rajz amiről beszélsz) nem lehet tisztességgel, csak általánosságba válaszolni. De..
Egy műveleti erősítőnek, ha akarod ha nem, mindig differenciál bemenete van. Vagy Te másról beszélsz.. Ha teszel fel rajzot, és megmondod az alkalmazást, elvárást, bementi jelet, akkor talán lehet válaszolni arra amit kérdezel, vagy ki lehet találni, mit szeretnél kérdezni..
Hello! Erre gondoltam.
Ez egy impulzustechnikai differenciáló kapcsolás.
Hello!
Amikor a nagy(obb)frekvenciás komponenseket ki akarják emelni.
Sziasztok!
TL071-es műveleti erősítőnek a nem invertáló bemenetén kb. 0,5V van, az invertáló bementén pedig kb, 9,5V (tápfesz 12V) A kimenetén pedig közel tápfesz miért?
Hello! A TL071 bemenete nem mehet le 0,5V-ra. Maximum 1V, de inkább a 2V legyen a bemeneten. Így felborul a bemeneti differenciál erősítő munkapontja, ezért a látszólagos hiba.
Ezt nem is tudtam... A fotón szereplő kapcsolással mit lehetne kezdeni akkor? A lényeg, hogyha ézkezik egy kb.10V-os jel akkor olyan 3-5 mp múlva legyen egy jelem.
A nem invertáló és az emitter közé beteszek egy 100K-s ellenállást elvileg működnie kell igaz?
Sziasztok!
A képen látható kapcsolást megépítettem már egyszer, mint mikrofon előfok egy hordozható zenedobozba (fesztivál-projekt ). Ott teljesen be is vált, és ha jól emlékszem, akkor előtte meghallgattam fejhallgatón szobai erősítővel is, nem volt zajos se.Mivel elég gyakran javítok régi magnókat és lemezjátszókat, építek egy Deprez-műszeres jelszintmérőt a pontosabb beállításokhoz (multiméter 1..10 kHz-es mérőjelekkel már nem túl pontos..) Ennek a meghajtó fokozatát egy régi deck alapján készítettem, legalább biztosan passzol az ugyanonnan bontott műszerekhez. Nos, ez ugye kb. be van kalibrálva a 0dB körüli vonalkimeneti szintre, nekem viszont időnként -20 körül is kéne pontosan leolvasható méréseket végeznem. Így kelleni fog egy előfokozat a kijelzőket vezérlő erősítő elé. Szóval, előszedtem ezt az eredeti céljára bevált rajzot, tulajdonképpen sima műverősítős alapkapcsolás, az erősítést a 220k-s ellenállással lehet beállítani. De vajon mennyi egy ilyennek a kivezérelhetősége? Azért egy magnó kimeneti feszültsége jóval nagyobb egy mikrofonnál. Ha a visszacsatoló ellenállást potméterként kivezetem az előlapra, akkor a 0dB körüli mérésekkor simán letekerve az erősítést, rendesen fog működni, vagy esetleg torz jelet ad tovább, mert az IC bemenetre túl nagy feszültség jut? Utóbbi főleg azért fontos, mert fejhallgatós meghallgatási lehetőséget is beteszek, és a füles a deck rajza alapján a műszermeghajtókról - tehát e fokozat utánról - jár.. Illetve nem tudom, nem lesz-e baja a potméteres visszacsatoláskor, ha ütközésig letekerem, és gyakorlatilag rövidrezárom az IC-t vele.. Igen, csinálhatnám úgy is, hogy simán a bemenet elé teszem a szintszabályzó potmétert, ez a fokozat meg fixen nagy erősítéssel jár, de zajszint szempontjából nem hiszem, hogy ez a legjobb megoldás.. A hozzászólás módosítva: Nov 7, 2014
Hello! Nem. Attól még a jelszintek nem jönnek helyre. De ez több sebből is vérzik.
- Részben amit írtam. A TL bemenete elérheti a plusz tápfeszt, de a negatívan nem közelítheti ennyire meg. - A 10k/47k osztó kimenti feszültsége 9,9V. Ha az indító jel 10V, akkor a bementi 10k/100K feszültségosztása a bázisra 9V-ot ad, Az emittere ettől kb. 600mV-al lehet magasabb. Az 9,6V. El sem éri a 9,9V-ot. - Az áramkör időzítését a C1-R3 és az R1/R2 osztó határozza meg. Ez semmiképpen nem lehet ezekkel az értékekkel 3..5 sec. Úgy igen, ha el sem éri a R1/R2 komparálási szintet az kondi feszültsége, mert akkor az R3*C1=10k*10uF=0,1sec időállandó a végtelenre nő. Csak éppen a kutya vacsorájával egyenlő, hogy mikor éri el a 9,9V-ot. - Amúgy nem egészen látom át, miért kell analóg áramkört időzítésre használni, mikor számtalan lehetőség lenne.. De ha mindenáron ragaszkodsz ehhez, akkor legalább fordítsd meg a dolgot. A Led biztosítani fogja, hogy a kondi nem tud "lejönni", csak a Led nyitófeszültségének szintjéig. A komparálási szintet pedig úgy kell megválasztani, hogy a kondi képes legyen azt meghaladni. Plusz hiszterézis is kell, hogy az átváltás határozott legyen..
Hello!
- Egy invertáló erősítő erősítése a visszacsatoló ellenállások hányadosa. Most Au=220k/10k=22. Ha a 220k-t csökkented, nyilván csökkenni fog. Rövidre is zárhatod, de akkor az erősítés is nulla lesz. De az IC nem fog megsértődni. (Egyenáramilag, most is "rövidre van zárva..) - A maximális bementi jel, mindig a maximális kimenti feszültség osztva az erősítéssel. Vagy is első sorban az a kérdés, mi fér be a tápfeszbe. Ube(max)= Uki(max)/Au - A kimenet itt 0..12V között járhatna, de az IC kimenete nem tudja elérni a tápokat. Vagy os mondjuk 1V-ot képes bejárni. Ez persze a kimenti jel csúcstól-csúcs értékére vonatkozik. Vagy is Uki(eff)= Upp/2/gyök2=10V/2/1,42=3,52V(eff). Ha az erősítés 22, akkor a maximális bementi jel, 3,52V/22=160mV. Avagy 160mV-ig nem fog torzítani..
Hello! Írok egy példát,lehet hogy butaság,nem tudom. Akkor ha pl. egy hang erősítőben a magas hangot szeretnénk kiemelni,vagyis külön még erősíteni,akkor egy ilyen kapcsolással ki lehet választani a magas hang frekvenciáját,és külön még erősítővel erősíteni?
Műveleti erősítő köré épített passzív hálózattal olyan frekvencia menetet készíthetsz, amilyet csak akarsz. Azt azonban tudnod kell, hogy ennek ára van. Mivel a kivezérlésnek a tápfeszültség határt szab, az alaperősítést a kiemelés mértékével csökkentened kell. Ezzel pedig az erősítő jel/zaj viszonyát rombolod. Nemcsak a kivezérléssel, zajjal, hanem a fázistorzítással is problémáid lesznek, ami viszont kellemetlen torzításokhoz vezet.
De ha a hangforrásodban minden jel az egész magas frekvencia tartományokig benne van, nincs szükség külön semmilyen kiemelésre, ha meg nincs benne, vagy már eleve csökkentve van meg, akkor a kiemeléssel csak a zajt fogod erősíteni. 10 - 12 dB -nél (kb 3 ×) nagyobb kiemelést nem érdemes használni a fentiek miatt.
Igen, lehet ilyet csinálni. Ezt hívják aktív hangváltónak, amikor a végfokok előtt különválasztják az egyes sávokat (pl.:mély, közép, magas). Az más kérdés, hogy az általad felrajzolt módon nem elég hatékony a szétválasztás, nem elég meredek a szűrő vágása, ezért a gyakorlatban ennél bonyolultabb szűrőket használnak.
Hello! Köszönöm a választ! Én nem hangfrekvenciát akarok szétválasztani,csak egy példát hoztam fel a kapcsolás megértésére,hogy pl.milyen célt szoktak ezzel a kapcsolással megvalósítani? Azt akartam megérteni,(megtudni) hogy hogyan változtatja meg a kimenő jelet ez a kapcsolás a bemenő jelhez képest?Aztán ezt a változást sok mindenre fel lehet használni az elektronika terén. Ha pl. van egy színusz bemenet, akkor mi lesz a kimeneten? Vagy impulzus négyszögnél alkalmazzák? És akkor milyen lesz a kimenet? Ez érdekelne!
A hozzászólás módosítva: Nov 9, 2014
Üdv,
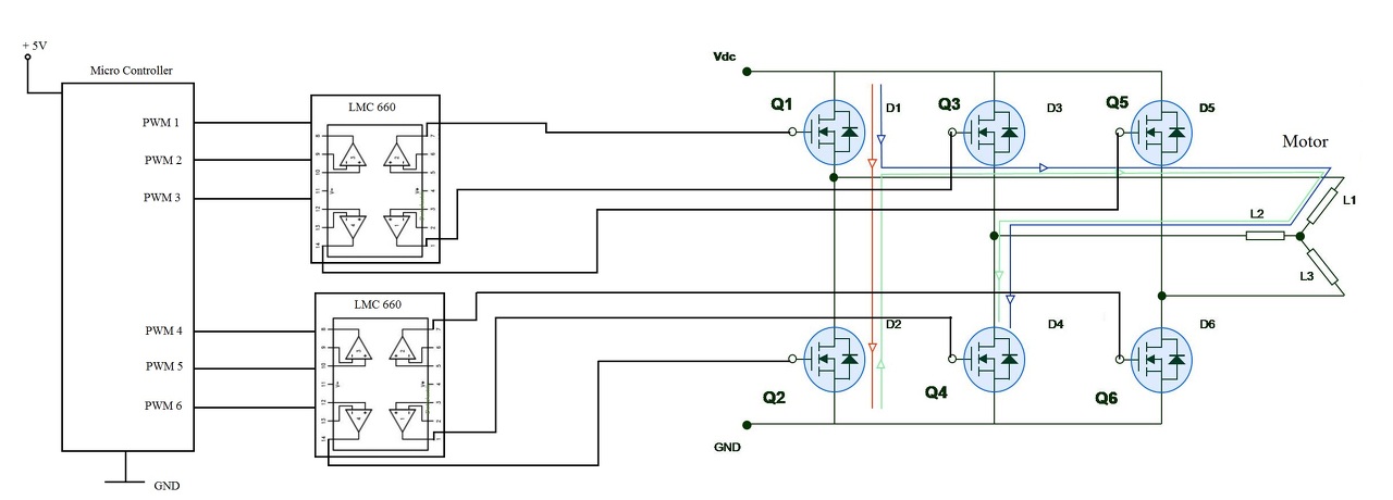
A kérdésem részben érinti a műveleti erősítőket, azt hiszem ebben a topicban lenne érdemes feltennem. Vezérlést készítek egy három fázisú kefe nélküli motorhoz, mosfet hidat, műveleti erősítőket és mikro kontrollert felhasználva. Képet mellékeltem. A műveleti erősítő a pwm jel erősítésére szolgál (nem invertált bemenetről vezérelve, negatív visszacsatolással beállított erősítés ezt az ábrán nem részleteztem). A problémám az, hogy mikor létrehozok egy állapotot pl. Q1, Q4 bekapcsolva (többi kikapcsolva) és megmérem az egyes fázisok feszültségeit érdekes dolgot kapok. Ugyanis minden fázisra ugyanannyi feszültség jut pl. 2V (fázis és GND között mérve természetesen). Ehelyett azt kéne kapnom, hogy a pozitívra kapcsolt fázis 2 V (L1), gnd-re kapcsolt fázis 0 V (L2), és végül az (L3) fázis a csillagpont feszültségén 1 V kellene lennie. A kapcsolásomban minden mosfet n csatornás, megoldás lenne e a problémámra, ha a felső mosfetket p csatornásra cserélném ? (kipróbáltam mosfet híd helyett, a kézi vezérlést azaz csak a motor és egy elem segítségével rákapcsoltam a feszültséget 2 fázisra, és multiméterrel megmértem az értékeket, akkor helyes értékeket kaptam az egyes fázisokon (+ feszültség, GND és csillagpont feszültségét is megkaptam), tehát mindenképpen valami a híd felépítésében okozhat gondot).
Lineáris hálózatok, ellenállás kondenzátor, induktivitásokból felépített hálózatok. Az ilyen hálózatokból készülnek a korrektorok, szűrők. Mivel a kondenzátorok, és az induktivitások reaktív elemek, az olyan hálózatok amikben ilyet látsz, azok frekvencia függő hálózatok. Az ezeken áthaladó jel megváltoztatja a frekvencia függvényében az amplitudóját, és fázisát a bemenőjelhez képest. Ha csak passzív elemek vannak a hálózatban, akkor az amplitúdó általában csökken, de rezonancia esetében nőhet is. (ezt a csökkenést kompenzálják erősítő áramkörökkel) Színusz bemenő jel esetén az amplitúdó általában nem változik, vagy csökken, kivéve a rezonancia esetét, ahol nőhet is, de a fázisa változik. Ezt megfigyelheted, ha egy egyszerű RC osztót vizsgálsz egy kétsugaras szkóppal, az egyik bemenet a generátor jele, a másik az RC osztókimenő jele. Egy impulzus, egy összetett jel, ami számtalan különböző frekvenciájú, és amplitúdójú szinusz jelre bontható, az impulzus formájától függően. Ezt a spektrumot átvezetve akár egy egyszerű RC osztó hálózaton, a spektromot jelentősen megváltoztatja, így a kimenőjel alakját is. Bonyolultabb hálózatoknál használni lehet a hálózat analízis módszereit, Fourier sorbafejtést, stb, de ezek felső matamatikai módszereket igényelnek. Vannak hálózat analizáló műszerek, Wobblerek, spektrum analizátorok. Ez az elektronikán belül egy külön szakterület.
Probald meg lerajzolni kompletten hogy az OPA-k hozzakapcsolva a FET-ekhez, ellenallasok, meghajtas... Lehet hogy gyorsabban kiderul a bibi. A felso FET-ek vezerlese erdekes lehet, mert ugye a S-hez kepest kellene vezerelni. Viszont az OPA tapja gondolom GND es VDC. Tehat nem egeszen kerek ez a vezerles.
Köszönöm a javaslatot, elkészítettem a rajzot, igaz nem professzionális környezetben, de a lényeg látható. A mikrokontroller és a műveleti erősítő külön tápon van, mint a motor (védelmi okokból ezt jobbnak láttam). Magával a mosfetek nyitásával nincs gond, hiszen az erősítőknek hála a felső mosfeteket is teljesen nyitott állapotba lehet vezérelni. Azóta kipróbáltam, lecserélni a terhelést a motorról sima csillag kapcsolású ellenállás terhelésre (R = 10 kOhm), ebben az esetben jól alakulnak a feszültségek (mérhető a +, a föld, és a csillagpont feszültsége is). A motor ellenállása egyébként nagyon kicsi (0,1 Ohm). Továbbra is azt gyanítom, hogy esetleg a felső mosfetek p csatornásra való cseréje, megoldhatná a gondot, de nem vagyok benne biztos, ilyen témában gyakran találkozok mind a két fajta megoldással.
Komoly problema van a kapcsolasoddal. Ugye az also FET foldelt S uzemmodban dolgozik, mig a felso S koveto. Tehat a kimenet alulrol eleri a GND-t viszont felulrol nem eri el a tapot. Javasolt P csatornas FET alkalmazasa.
Köszönöm a választ.
Sziasztok!
Remélem jó helyen teszem fel a kérdésemet. Tudna nekem valaki műveleti erősítővel egy olyan egyenfeszültségű összegzőt mutatni, ami 3db sönt ellenálláson egyszerre figyeli a feszültségesést, és mikor mindhárom söntön ugyan akkora áram folyik (600mA), akkor ez a műveleti erősítő bekapcsol a kimenetén egy optocsatolót? Ha a 3 söntből valamelyiken nem folyik 600mA, akkor ne kapcsolja be az optocsatolót.
Hello! Vagy én nem értem a dolgot, vagy Te. Mert minek ide összegző? Ha igaz amit írsz, akkor az három komparátor, és a kimenetén egy három bemenetű ÉS kapu. (De félek erre az egészre nincs is semmi szükség. Mert mire jó ez?)
Szia!
Az lenne a legjobb, ha minél diszkrétebb alkatrészekből épülne fel, minél kisebb helyigénnyel. Mivel nem tudom melyik topikban lenne a helye, ide írtam. Három darab teljesítmény LED-ről, és hozzá 3db Skori-féle áramgenerátorról van szó. Az áramgenerátorokban van 2db 0,1Ohmos sönt ellenállás párhuzamosan amin mint tudjuk Ohm törvényének értelmében minél nagyobb áram folyik, annál nagyobb feszültség esik rajta, gondoltam ezt a legcélszerűbb kihasználni. Na most nekem egyszerre kéne figyeltetnem valamivel ebben a 3 áramgenerátorban ezeken a söntökön eső feszültséget, tudni illik ezek majd egy projektorba lesznek beépítve, és azt szeretném, hogy magának a projektornak a hibajelzései megmaradjanak, tehát ha mondjuk valamelyik LED-em meghibásodik, vagy kevesebb áramot vesz fel akkor azt a projektor lámpahibaként jelezze vissza. Tehát ehhez kell nekem egy olyan eszköz, ami a "kimenetén" egy optocsatolót működtet akkor, ha mindhárom áramgenerátorból 600mA folyik kifelé. Ha valamelyiken nem folyik áram, vagy mondjuk kevesebb folyik egy bizonyos szintnél, akkor már ne kapcsolja be az optocsatolót. A hozzászólás módosítva: Nov 10, 2014
Ha a tudod melyik kapcsolásról van szó, akkor miért nem mutatod meg egy linkkel..
Mert nem mindegy, hogy az Shunt ellenállás milyen feszültségszinten és hol helyezkedik el. Tényleg egyenáram van rajta, vagy a kapcsolóüzem Shunt ellenállása. De két 0,1ohm párhuzamosan és azon 600mA, csak 30mV. Biztos hogy ilyen a Shunt értéke a kapcsolásban? Mert egy valós megoldásnál ezek fontos adatok - körülmények. Egyébként ha az áramgenerátor tényleg az, akkor csak a tápfesz csökkenése okozhatja az áram csökkenését. A Led nem. (Mellesleg kipróbáltad, hogy a projektorba jó egy Led? Mert úgy tudom többek már ezzel kapufát rúgtak..)
Itt a link!
A pozitív tápágban helyezkedik el, valóban kapcsolóüzemű áramgenerátorról van szó. Nem, nem elég egy LED, ezzen én is kapufát rúgtam. Ezért kap mindjárt hármat, méghozzá Kék, Zöld és piros színben, az LCD-ket megvilágítva már működik. Egyébként a Sönt értéke változtatható. 1A-ig azt hiszem elég a 0,1Ohm is. De lehet nagyobb is, majd utána számolom az értékeket, szerintem nem feltétlen kell ilyen kicsi sönt. Szerk.: A táblázat lemaradt, nem tudom van-e rá szükség? A hozzászólás módosítva: Nov 10, 2014
Hello! Megrajzoltam. Az áramkör az áramgenerátor tápjából táplálkozik. És használja az áramgenerátor TL431-es referenciáját is. Egy TL074 IC elég neki. Itt csak egy komparátor fokozat látható, a másik kettő kimenetét a diódákra kell kötni.
Amelyik Led árama lecsökken, annak komparátora "H" logokai szintet ad ki, és "elalszik az opto". (A zöld Led csak feszültségszint eltolás miatt van, meg láthatod is a jelzést.) |
Bejelentkezés
Hirdetés |






). Ott teljesen be is vált, és ha jól emlékszem, akkor előtte meghallgattam fejhallgatón szobai erősítővel is, nem volt zajos se.








