Fórum témák
» Több friss téma |
Fórum » Nagyfeszültség sorkimenő trafóval
Témaindító: (Felhasználó 1306), idő: Márc 1, 2006
Használj 3055-öt, vagy 243C-t, de nekem eddig a legjobban, BU208A-val, és BU508A-val ment a cucc. ezeket próbáld még ki.
Egyébként, hogyha nagyon szeretnél, valami nagyon király, és BIKA sorkimenő meghajtót, tudok, egy nagyon király FET-eset. Ennek max 40V-ot adhatsz. A vasmagos induktivitás készüljön kb. 2 mm-es tekercsből!!!! És a FET-eket feltétlenül hűtsd!! De ne szereld őket egy hűtőbordára. Ez elég király meghajtó., énis ezt fogom megépíteni majd, onnan tom, hogy jo, hogy egy haverom már tesztelte
Csak pc tápból bontott alkatrészeim vannak (sajnos)
Hát vegyél egy pár alkatrészt. Nem fog annyiba kerülni, hogy egy évig sporolni keljen rá :yes:
nem az a gond(a szüleim), és az h nincs a közelben ilyen bolt
Ahogy nézem ez egy kapcsiüzi meghajtó üdv Isti
jó az a táp(megy mint a golyó) Köszönöm nekik h nekem adták 100FT-ért... (AT és megy mint a golyó)
Ja, az.
Mi ál le?? a PC tápod??? 2A-nél???
Van egy másikom (mostmár), ami viszi a 10A-t is(vízbontás projekt ismét beindul)
Bár most a nagyfeszültséget félre dobtam egy időre... Jó érzés volt a fogóval fogni egy 1ohmos ellenállást, amit 100W melegített( fél sec-ig), és már füstölt is
Most megismerhetted a táp-tesztelési módszeremet!!!
Megismertem :yes:
De nagyfeszt egyébként nagyin könnyű előállítani. :yes: Sztem Jaés még valami. Hogyha egy 1Ohm-os ellenállást teszel 12 V-ra, akkor nem 100W fogja melegíteni, hanem kb. 124. OHM TÖRVÉNYE! :yes: De ha csak ugy megközelítőleg mondtad, akkor bocs, nem szoltam :yes:
bocs, elirtam, 144W!! :yes:
Gondolom sokunknak legnagyobb probléma a lábak beazonosítása, ehhez szeretnék most egy kis segítséget nyújtani.
Ezis trafófüggő de amelyiken nincs tipusszám azon van egy hosszú számsor guglival vagy Hqvideo oldalán vagy valahogy ha sikerül kideríteni a típust akkor itt egy oldal jópár trafó "kapcsolási rajzához". Link Már egy hónapja tervezem a megépítést de nembírtam beazonosítani a lábakat, aztán rájöttem hogy a neten elég sokmindent meg lehet találni
megközelítőleg mondtam (1,3 ohmos volt, kapocsfesz rajta 10V-ra esett, mert a tápból kijövő vezetékeknek is jelentős ellenállása volt.) (egyébként valahogy terheletlenül mindegyiken 11,5V jön ki...)
(jó h van újra tápom)5V-on párhuzamosítottam a 2-t Schottky-diódákkal, és már olvadt is a vasdrót (amit forrasztani akartunk volna egyik barátommal) Szeretem az erős, durung áramokat!!! (a schottky is melegedett eléggé, de nem égettük le, vigyáztam rá mert 16A-s,közös katódos pc tápból) Durva mi???
Sziasztok!
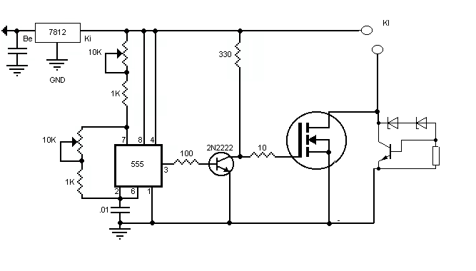
Elakadtam az 555-ös kapcsolásban. A kapcsolás kész, 12V-ról megy is, de csak 1000mA-es tápról. Amint rákötök egy 100 W-os tápot(max. 8A), hogy "rendesen menjen" elszáll a tranyó és rövidre zárja a tápot. Én a bázison levő ellenállás értékére gyanakszom vagy az emitterellenllás hiányára. Az 555-ös kimenetén 10V van, mivel az emitter földön van az 50ohmos ellenálláson 188mA folyik. A tranzisztor bd207 es a Hfe 30körüli a Icmax10A.Nem kéne elszállnia. Mellékeltem egy rajzot hogy szerintem hogy áll a helyzet. Az ötleteket előre is köszönöm
a trafó által indukált fesz -vissza lökése- miatt döglik meg és/vagy hűtés hiánya
![]() üdv
Köszi!
Akkor biztos a túlfeszültség miatt lesz, mert a hűtés elegendő és a tranzisztor egy pillanat alatt tönkremegy. Most mi a teendő?
hello
én a csatolt kapcsolást építettem meg, neked annyit kell csak csinálnod hogy azt a kapcsolást ami nekem a fet után van átteszed a kapcsolásod tranzisztora után, zennerek 12V-osak vagy egy 47V-ost is használhatsz az ellenállás 330ohm (ebben nem vagyok teljesen biztos) a tranyó pedig BD243 (de tehetsz mást is a helyére).sok sikert.
Ha az áramkör 12V-ról megy, akkor ha az 555 kimeneére 50 Ohm-osat raksz, az tuti nem jó. mert kb. 600 mW-ot bír ki, mint egy TO-92-es. szal melegedni fog, és tönkremegy. ranyó helyett meg, sztem raják FET-et. Jaés a trafó primerére rakj egy diódát, nem muszáj Z-diódát, sima is lehet, hogy megakadályozza az önindukciós "nagy" feszültségek kialakulását.
Szasztok
Azt szeretnék kérdezni, hogy a sorkimenő trafó szekunder tekercsén nagyjából hány menet van?
,de igy egyúttal már a primer és a feedback menetszámát is megmondhatnátok.(bocs h kettöbe, de hülye vok
)
Üdv!
Szereztem egy tévéből és egy monitorból sorvégtrafót, de nem tudom melyik kivezetése melyik. Olvasgattam EZT az oldalt, és úgy döntöttem, hogy megépítem az ic-s kapcsolást, hogy kiderítsem a kivezetések mivoltát. Az a gondom, hogy azt írja, hogy első sorban azt a két kivezetést kell bekötni a tesztáramkörbe, amely között ellenállást tudok mérni. Az a helyzet, hogy van vagy 6 kivezetés ami között 0,8-1 ohmos ellenállást mértem. Most mi tévő legyek? Mindegy hogy melyik két lábat kötöm a tesztáramkörbe? Mi a véleményetek?
Le van írva hogy mit tegyél....
Kísérletezz!! :yes:
próbáld ki az én módszerem...
Csak egy glimmre van szükséged(bár még az sem kell feltétlenül, rá a kezedre )
Hellosztok!
Szereztem egy sorkimenőt Tvből nahmost egyik tekercsből kettő sima sárga a másikból pedig egy kék és egy fehér.Ebből a fehér megy egy TV18-2MT-s egyenirányítóba és még van plusz 9 láb az egyik tekercsen.Megköszönném ha valaki tudna segíteni hogy a MaSTeRFoXX féle kapcsolásnál mit hova kell kötni(multiméter megdöglött :rant ![]() Van itt két kép róla. Válaszokat elöre is kössz(ha lesz )
általában a primereket letekerik...( én sem használom őket, hanem rátekertem még 2 nekem megfelelő tekercset, és azokat használom, bár az enyém monitorból van. 10-10 meneteket nem olyan nehéz rátekerni.
valaki meg tudná mondani, hogy kell a diódát kiszedni a betokozott sorkimenőből, ami ki van öntve, és h melyik részén van???
szerintem sehogy
azér van kiöntve hogy ne lehessen megbontani Nekem az is probléma volt hogy kettévágjam
Ez a sorkimenő nagy valószínűséggel egy régi elektroncsöves Orion75 (vagy vmelyik a sorozatból) TV-ből való, itt eleve a nagy feszültségek miatt nagyobb menetszámokkal dolgoznak, valószínűleg neked egyik tekercs sem megfelelő. Ráadásul ezeknek a típusú primereknek (ha bontott) kb. 80 százaléka menetzárlatos, legtöbbször érezni is erőteljesen egy jellegzetes 'savanyú' szagot. Tehát tényleg jobban jársz, ha magad tekered.
na mindegy, ha kiszedem belőle a diódát(sejtem hol van, KNO3-s rézpákaheggyel hamar szétolvad a műanyag
)Váltóáram lesz? és milyen? háromszögjel? |
Bejelentkezés
Hirdetés |















