Fórum témák
» Több friss téma |
Az alap elemek megvannak és átrajzolom, összemontírozom. (Paint)
Ez volt az alap, amit átrajzoltam.
Sziasztok!
Padlófűtés vezérlés kapcsán kérném a segítségeteket: Adott egy tubós gázkazán. A ház régi részében csak radiátoros fűtéssel és egy szobatermosztáttal. Nemrégen hozzáépítettünk egy nagyszobát és egy konyhát, abban viszont csak padlófűtés van. Hogyan tudnám a hőmérséklet szabályozást megoldani? Én egy-egy zónaszelepre gondoltam. Az padlófűtéses rész hőigénye esetén bekapcsolna egy termosztát, indítaná a kazánt, és nyitná a szelepet. Ugyan így a csak radiátoros rész esetén is. Ez menyire járható út?
A radiátoros rendszer mindig egy magasabb hőmérsékletü rendszer mig a padló egy alacsonyhőmérsékletü rendszer, ezért én egy zonaszelep és egy hidrahulikusan leválasztott padlófűtési kört ajánlanék ahova bekerül egy szivatyú és azzal menne a padló. A radiátoros körbe ugyebár a zonaszelep lenne és a kazánból a szivattyu ellátná mind a két kör füttését.
Bővebben: Link
Egy ilyen osztó-gyűjtőt szereltek be. Igazából arra lennék kíváncsi, hogy elektromosan hogyan lenne jó kialakítani a vezérlését. A padlófűtésés rész szivattyúja menjen állandóan, vagy azt is a termosztát kapcsolja?
Ezzel is megoldható de akkor egy bypass szelep ajánlott. Én mindenképp termosztáttal müködtettném a padlót is, a folyamatos keringtetés csakenergiaveszteég illetve vissza is hűti a rendszert.
Ahogy Kovabe is írta, bypass kell a rendszerbe a zónázás miatt. De a Te esetedben a radiátoros kört is használhatod bypass-nak. Elektronikusan megoldható. 3 relé kell hozzá és esetleg 1 időzítőrelé induláskor, attól függően milyen gyorsan váltanak a zónaszelepek.
Ezt a vezérlést találtam ki, szerinted megfelelő lenne?
Ha már így akkor a 3. relé nem kell és így nincs tehermentesítve a rendszer. Milyen zónamotorok vannak?
Bővebben: Link
Ilyenek vannak felszerelve
Én azért javallottam a baypass-t mert a radiátorra is kerül zona és ha az nincs nyitva illetve a termosztatikus szelep lezár akkor van baj.
Azért kell visszanyitni az egyik zónát. A termosztát helységébe egyébként sem lehet termoszelep. Ha kész a rendszer egyszerűbb egy harmadik relével visszanyitni a zónát és azt használni baypass-nak. Természetesen a szelepes megoldás is épp olyan jó.
A padlófütés oszton már van egy a fénykép alapján, az már ki tudja zárni. Én nem szivesen használnám a radiátoros részt baypassnak mert így tulfüttés lenne.
Igazad van, lesz. Én csak az utókeringtetés tehermentesítésére és a vészfutásra gondoltam. Ha viszont csak a padló megy és eléri a fűtővíz a hőfokot, akkor lezár és terheli a rendszert. Bypass szelep mindenképp ajánlott. A hozzászólás módosítva: Ápr 16, 2015
Rendben, köszönöm mindkettőtöknek. Ezt a bypass dolgot megemlítem a szerelőnek.
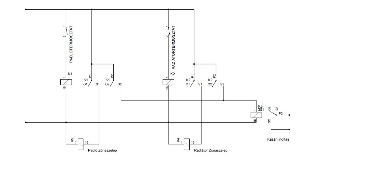
Az elektromos vezérlés rendben lesz a rajz szerint?
Rajz...
A hozzászólás módosítva: Ápr 16, 2015
Ez biztosan jó így? Mert a kazán csak akkor fog elindulni, amikor már mind a 2 termosztát bekapcsolt.
Bocsi... jogos
párhuzamosan, nem sorosan a második érintkezőket. kicsit fáradt voltam
Köszönöm még egyszer a segítséget, a hétvégén össze is állítom a vezérlést.
Ha 6 vezetékesek a motorok, akkor relé se kell...
Ugyanilyen elven mukodo oszto-gyujto szeleppel en ugy oldottam meg hogy merem a radiator kor homersekletet es amikor az eleri a beallitott hofokot (mondjuk 40 Cfok) akkor indul a padlofutes szivattyu es mindaddig megy amig a rendszer (radiator) vissza nem hul az adott hopont ala. Mindig tobbet megy a padloszivattyu mint a kazan. Meg a radiatorokat is visszahuti.
Azert volna egy kerdesem, arrafele mennyiert lehet megkapni egy 3/4 -es ketutu valtoszelepet? Koszi. A hozzászólás módosítva: Ápr 22, 2015
A kétutú az nem váltó-, csak zónaszelep.
De ezt irja "Kétutú váltószelepek", ennel.
Akkor ez milyen szelep ? En ugy ertelmezem hogy egyik (1) vegen be es a masik ketton (2,3), vagy egyiken (2), vagy masikan (3) ki. A leirasba a 2 abra. A hozzászólás módosítva: Ápr 23, 2015
Értelmezésben 3 járatú szelep, mert 3 járat van benne. Ha 2 járatú, akkor zóna, ha 3 akkor váltó. A rá kerülő mozgató motorok szerint, ha 2 pontos szabályzás (gyors), akkor zóna(2 járatú), vagy váltó(3 járatú), ha folyamatos szabályzás, akkor szabályzó. A szelep és a motor összerakásának elnevezése ezekből tevődik össze.
(Ezen kívül van még termosztatikus, termoelektromos meghajtás is)
Ok. latom, azert eggyetertunk, csak mas-mas szotar hasznalataval, szoval:
Arrafele mennyiert lehet megkapni egy ilyen 3/4 -es 3 jaratu valtoszelepet?
Motorral együtt a honeywell kb 22-25000.
Nem igazán értem, hogy miért kell 3 járatú váltó a rendszeredbe.
Faskazant akarok beiktatni a gazas melle melegviztartalyal (van padlofutesem is), de nem lessz puffertartalyom. Puffertartaly ugymond negativ szerepet - hogy elvonja a plusz hoenargiat, a melegviztartalyal es vegso fazisba a padlofutessel szamitom megoldani.
Az elektronikat mar megszerkesztettem, a felszereleshez szukseg lenne egy ilyen szelepre, vagy ket simara, ami valtana a melegito viz aramlatat a, egyreszt, radiatorok fele es, masreszt, a meleviztartaly es padlofutes fele. korulbelul igy A hozzászólás módosítva: Ápr 24, 2015
|
Bejelentkezés
Hirdetés |







Igazad van, lesz. Én csak az utókeringtetés tehermentesítésére és a vészfutásra gondoltam. Ha viszont csak a padló megy és eléri a fűtővíz a hőfokot, akkor lezár és terheli a rendszert. 
párhuzamosan, nem sorosan a második érintkezőket. kicsit fáradt voltam 
