Fórum témák
» Több friss téma |
Köszönöm a kimerítő választ.
Az alábbi sorokban volt számomra megválaszolva az egész dolog: Idézet: mert én a hőfoklépcsőt nem ismerem ezeknél a HV-nál. Persze az tiszta sor, hogy ha nem megy a pf. szivattyú, akkor más szivattyú (radiátorköri vagy a kazáné) nem fogja bevinni oda teljesítményt. Akkor tehát nem segítene semmit a pf. későbbi indulása a kazánra és a visszatérőre való tekintettel, hogy csak adott visszatérő hőmérsékletnél legyen pf. . A csőtermosztátot nem igazán a HV hideg oldali visszatérőjére gondoltam tenni, hanem a kazánköri primer visszatérőre. Az is ugyanolyan hőfoklépcsővel van megáldva? Ezek a hidrováltók elég érdekes "lélektannal" vannak megáldva főleg, hogy az sem mindegy, hogy függőleges avagy vízszintes helyzetben van beépítve. Gondolom itt is a könnyen szerelhetőség szem előtt tartása "vitte" az ésszerűséget. „- a visszatérő hőmérsékletek szekunder oldalon 20-23 fokosak, a hidraulikus váltó eleve kever majd be valamennyit a primer oldalon. Ez fokozottan érvényes ebben az esetben, mert vízszintesen van. Ha megvárod, míg a radiátor visszatérő felmelegszik 40 fokra, az feltételezi, hogy az előre menő már 60-65 fokos. Így kb 25 fokos visszatérő kapcsolásnál lenne értelme, de mivel az alapból 20-23 fok így annak semmi értelme.”
Nem túlnyomásosról írtam. A nyomott abból adódik, hogy a kazánban lévő szivattyú nyomja a rendszert, hidraulikailag egy rendszert alkot. A hidraulikus váltóval szerelt rendszerek minden köre, beleértve a primer kört is különálló körnek számítanak, nincsenek hatással egymásra hidraulikailag.
A hozzászólás módosítva: Ápr 1, 2015
Az, hogy a HV milyen hőlépcsőkkel bír sok tényező befolyásolja. Méretezés, hidraulikai arány (bevitt-elvitt mennyiség), előremenő és visszatérő hőfokok. Sorolhatnám. Alapból a primer teljesítmény adja meg a méretet, térfogatot és a szekunder tömegáram a csonkolások kialakítását (méret, távolság, osztási arány, eltolás). Természetesen beleszámolva a gravitáció áldásos hatását is..
A hozzászólás módosítva: Ápr 1, 2015
Mondok egy példát. Ha lekapcsolod a pf szivattyúját a kazánod szivattyúja simán benyomja a pf rendszeredbe is a vizet, pedig arra felé igen nagy ellenállásba ütközik. Namost képzeld el ha nem lenne benne az a visszacsapó szelep a keverő ágban. A kazánban lévő szivattyú, akadály nélkül átnyomná visszafele a vizet saját magába. Úgymond shöntölné a rendszert. Hidraulikus leválasztásnál ez az eset nem ál fent, ezért nem is kell visszacsapó szelep.
Hát ez még most sem lett világosabb. Mint írtam van egy puffertartály a rendszerben, szerintem az akár hidrováltónak is felfogható. Tehát lényegileg olyan a rendszer mint az övé, ezt említettem is a hozzászólásomban. A kazán szivattyúja (ha menne) nem nagyon tudná átnyomni a padlófűtés felé a vizet, a puffer "szétválasztó" hatása miatt. Viszont a puffer kimenetén lévő osztó öt kört táplál. Itt már előfordult, hogy visszacsapó nélkül a szivattyúk másik körökben (pont a padlók betáplálásában ahogy írtad) megfordították a fűtővizet. Ezért kellett mindegyik kör betáplálásánál visszacsapót szerelnünk utólag.
Elkanyarodtunk némileg a vezérlés témájától. Mit értesz azon, hogy ellustul a fűtés, ha külső hőmérséklet alapján szabályoz? Én azért szeretném a szabályzást, mivel a mostani rendszerben egy termosztatikus szelep állításával tudom a fűtővíz hőmérsékletét szabályozni és ez nem mondható teljesen jó megoldásnak. Itt van példának a mostani idő, a múlt héten jó idők voltak, így, visszább vettem a fűtővíz hőmérsékleteket (36 és 50 fokra). Megjött a héten a rosszabb idő, így ez mondhatni kevés lett, tegnap meg emelnem kellett rajta. Megoldható ez most ugye kézzel, de azért jobb lenne, ha automatikusan menne. Ezért is szeretném megoldani az időjárás-követő vezérlést, ha volna rá ötleted, vagy bárkinek, szívesen fogadnám
Eddig nem írtad, hogy van puffered... Ha puffer után van osztó-gyűjtőd (feltételezhetően van az átnyomásból kiindulva) akkor a körök főágába mindenképp kell visszacsapó szelep, főleg, ha nagyobb a távolság a puffertől. Nem én írtam, hogy ellustul a fűtés. Én a követő híve vagyok. Az értéktartott és az időjáráskövetö szabályzás között van egy nagy különbség, ami súlyos forintokban mérhető. Az értéktartás majdnem mindig túlfűtést/alulfűtést generál, ami mindenképp vesszteség, míg a követős szabályzás, csak a ház tényleges veszteségét pótolja, hőntartást végez. 10-25% megtakarítást is hozhat. Nyilván függ az össz teljesítménytől és a ház adottságaitól is. Ha termosztát kapcsolgatja a rendszert, az magával hozza a túlfűtést/hülést. Ez értelemszerűen érvényes az adott kör fűtővíz hőmérsékletére is.
(De írtad a puffert, csak már keverlek titeket. Nem tudom néha, hogy ki kivel van ) A hozzászólás módosítva: Ápr 2, 2015
Kedd reggeli hozzászólásomban írtam a pufferről, és valóban nem Te írtad a fűtésellustulást, ezt benéztem bocsi!
Ha lenne valami konkrét megfizethető javaslatod a követő szabályzásra azt szívesen fogadnám. Néztem már néhány "gyári" megoldást, de az mellett, hogy áruk az egekben volt, az általuk kezelt kevert körök száma is kevésnek bizonyult számomra (4-5 kör lenne a cél).
Ha 5 körről beszélünk, akkor 10-11 mérőponttal és 18 kimenettel kell rendelkeznie a szabályzónak. E szerint kell számolnia. Ráadásul minden kört külön hőigény, teljesítény szerint és ráadásul a külső hőmérsékletet is figyelembe véve. Még ha sikerül is "olcsón" megúsznod, mert mondjuk legyártatod és felprogramoztatod, na az se lesz olcsó az elvárásokat és a rendszert figyelembe véve. Ha csak egy részét szabályzod, akkor meg adtál a sz..nak egy pofont.
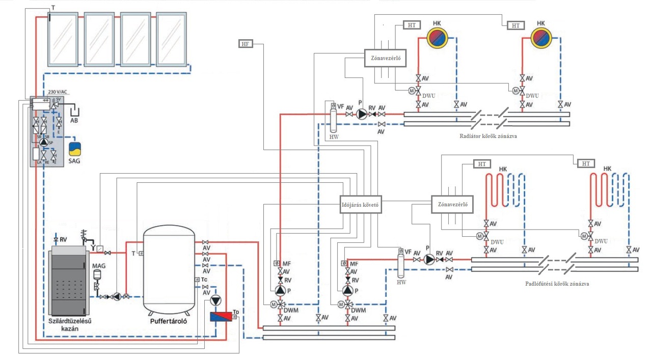
Szia! Gázkazán helyet lehetne napkollektort beépíteni úgy módosítani a rajzot!
Igen lehet, de az egész máskép épül fel. Abszolút nem lesz gázkazán?
A hozzászólás módosítva: Ápr 2, 2015
nem lesz csak fatüzelésű kazán és napkollektor, puffertartály, hidrováltók,tágulási tartályok ha több kell, 5 padlófűtés kör, 5 radiátorkör, 2 törölköző szárító kör, 1db falfűtés kör a fürdőszobába és minden kör automatikusan dolgozzon én csak digitálisan beállítom Pl.: mondom kb.: 1szoba=20cfok, 2szoba=25cfok, törölköző szárítok= 35cfok....stb
Ki be kapcsolgatni akarod a köröket vagy melegen tartással a veszteséget pótolni (úgymond minden kört külön külön az időjáráshoz igazítani)? Esetleg lehet a kettőt vegyíteni.
A hozzászólás módosítva: Ápr 2, 2015
állandó melegen tartás lenne a lényeg pl.20cfok, de mondjuk padló fűtést nem akarok vagy radiátor fűtést akkor azt kitudjam kapcsolni persze szobánként, igen időjáráshoz
A vízhőfokok külső hömérséklethez számolt állandó hőmérsékleten tartását kérdeztem, nem a szobák hőmérsékletét, hisz az egyértelmű, az a cél. Csak nem mindegy milyen módszerrel érem ezt a célt el.
Másképp fogalmazva a termosztát (beavatkozó szerv) csak szimplán ki be kapcsolgatja a köröket (zónázás), vagy a körök vizhőmérsékletét csökkentse ill. növelje (követő hőntartás). A kettő vegyíthető is. A hozzászólás módosítva: Ápr 2, 2015
Sziaszto!
Vettem a tél elején egy Q7-es szobatermosztátot padlófűtéshez.Jól is működik de most jön a fránya enyhe idő és jó lenne ha csak úgy működne mint egy mechanikus egyszerű darab.Tudja valaki hogy "reset" után hogy működik?Mi a gyári beállitsa mert a használatiban erről nincs egy szó sem.köszönöm.
Hello! Nincs kezelési utasítás-od? 5.4 bekezdés..
A kettő vegyíthető is, de a zónázás is jó
proli007 kösz a választ ,van használati de az abban leirtakat csinálva nem jön a "kulcs"
Szia! Lehet, hogy nem a "reset" gombot kellett volna megnyomni, csak a SET-et ami ugye a set up (beállít) rövidítése .... Amit beollóztam az már az újfajta Q7 manuáljából van.
A hozzászólás módosítva: Ápr 4, 2015
A "hold" gombal tudod manuálisba tenni, nem a reset-tel, vagy a set-tel. A "hold" gomb megnyomása után csak a +,- gombokat használhatod. Bármi mást megnyomva kilép a funkcióból. De ez benne van a leírásban, ha végigolvasod.
A hozzászólás módosítva: Ápr 4, 2015
az a baj,hogy be nyomtam a holdot és nem jelenik meg a kulcs,tehát a kézi beállitás a következő program váltásig él csak.A resetet nem használtam.
A hozzászólás módosítva: Ápr 4, 2015
Egy javított séma az elképzelésedhez...
A hozzászólás módosítva: Ápr 4, 2015
Ha nem reagál a hold gombra, de minden más rendben van, nyilván nem jó a gomb....
Akkor vidd vissza! Meg a számgépedet is, mert annak mert a Shift gombja nem működik..
Ezt hittem én is, de ma maceráltam és nem kulcsot,hanem a bőröndöt mutataja.Lehet,hogy a program nem lett jól "égetve"?Persze a "nyomjuk meg rövid ideig" nem egzakt.A nejem azt hiszi ,hogy meghülyültem de nagyon bosszant ha valami nem ugy működik ahogy kéne.
Egy utolsó séma az elképzelésedhez hmv-vel..
A hozzászólás módosítva: Ápr 5, 2015
Köszi szépen
most már csak meg kell valósítani meg kicsit számolgatni még előtte |
Bejelentkezés
Hirdetés |




Az alábbi sorokban volt számomra megválaszolva az egész dolog: 
)




meg kicsit számolgatni még előtte 