Fórum témák
» Több friss téma |
Fórum » PIC égető kapcsolás. Szerintetek működni fog?
Témaindító: (Felhasználó 449), idő: Jan 18, 2006
Témakörök:
Hét szerintem ha ezt megépíted ugy jársz mint én a jdm-mel visszont Pk2-ről csak jot hallasz!Ha teheted épisd meg azt!!!
Megépítettem ezt a Picall kapcsolást és a D3-led pislákol,valoszinű hogy az lehet a hiba oka olyan mintha valami kontakt hiba lenne,de nem találok semmi ilyesmit!az ic-prog-gal hardwear teszt kőzben is ezt csinálja felvillan,csak elkezd pislékolni!A portbol kihuzva az ősszes lednek világitania kell,világít is csak a D3 halványabban és néha pislákol!
Mi lehet az oka????
túlforrósodott a led forrasztás közben. cseréld ki. nekem már volt ilyennel problémám. aztán lehet, hogy nem
Már kicseréltem az volt az első gondolatom hogy hibás!egy másik proginál tudom villogtatni és tendesen világit ha a pot beálitást megváltoztatom!!LTP D4 re kigyulad rendesen!!!nem lehet hogy rosszul van számozva a rajz???!!!
Találtam a propic-ről kapcs rajzot elvileg hasonlonak kellene lennie a portravaló illesztésének, mivel a az ic- porognál ezt kell kiválasztni a Konfig. segédlet szerint,visszon nekem teljesen másnak tűnik az illesztése!!!(igy is kellene kezelnie az ic-prognak?)
Lehet hogy enek betudhato hogy a ledek nem akkor villannak fel amikor kellene!!! picall kapcs
Most megépítettem mégegyszerEgy mési nyákrajzzal)
most a ledek jonak tunnek!!!De viszont amikor irni akarom 12f675-őt ezt irja ki No"oscillator callibration value" found.Do You want to use value from file (3438h) instead? És amikor megnyitom a hex file-t "The file does not contain a device value!!
Kőszi! És most mi a megoldás???
Ott a két link.
Azt látom csak nem tudok angolul és ezért nem anyira igazodok ki rajta!!
amennyire én rápislantottam a linkekre az jött le, hogy ezt égesd bele és utána jo lesz: ezt
Nem tudom beleégetni ugyan azt irja ki erre is!!!!
Nem ezt kell beleégetni, ez az újrakalibráló áramkörhöz van. Vagy megépíted azt, vagy lehet próbálkozni. Elővettem itthon egy 12F675-öst, ebbe most 3400 van beírva, és működik (bár ez sem a gyári érték). Próbálj ki egy párat, hátha beindul.
A PIC-es témában épp a múltkor kísérletezett valaki ennek a kalibrálási értéknek a változtatásával, és valami olyat olvastam, hogy talán 10 % körül volt a maximális eltolás a névleges frekvenciához képest. Szerintem ha ez igaz, édesmindegy, milyen érték van ott, el fog indulni, legfeljebb nem lesz pontos az időzítője, ha használja.
Valószínű. Ez a PIC egy JDM-mel lett kigyilkolva. PICkit 2-vel beírtam a 3400-at, és egyből elindult.
Most csak azt nem értem ha kiveszem a picet akkor is pont ugyan ezt irja ki!Nem lehet hogy valami program beállítés rossz??
Hoppá sikerűlt,érdekes mert az ic-prognál beirom a 3400-át és jo lesz de ha ugyan ezt picall-nál hiba űziket dob és utána eltűnik a 3400 és az ic-prognál sem látszik utánna lehet hogy ez szivatott eddig mert felváltva probálkoztam!!
Most az a helyzet hogy bele tudom irni a hex-et de az áramkőrbe nem csinál semmít 12f675 Ezt probálom
Mert azt 629-re írták...
Szemre nagy hirtelen annyi a különbség, hogy a 675-nek van A/D konvertere is. Talán egy CLRF ANSEL sor az inicializáló részben megoldja a gondot.
Igy gondoltad?kiprobáltam igyse változik semmí!!
Ha a bank0-ban próbálod törölni azt a regisztert, akkor biztos nem fog változni semmi...
Tedd a sort a BCF STATUS, RP0 fölé, ott még az 1-es bankban dolgozik.
Ezt hogy álítom be sajonos enyire nem vagyok képbe!!
Hogy írjam le érthetőbben?
Inkább felteszem, módosítva, bár már nem ebben a témában volna a helye.
Szerbusztok!
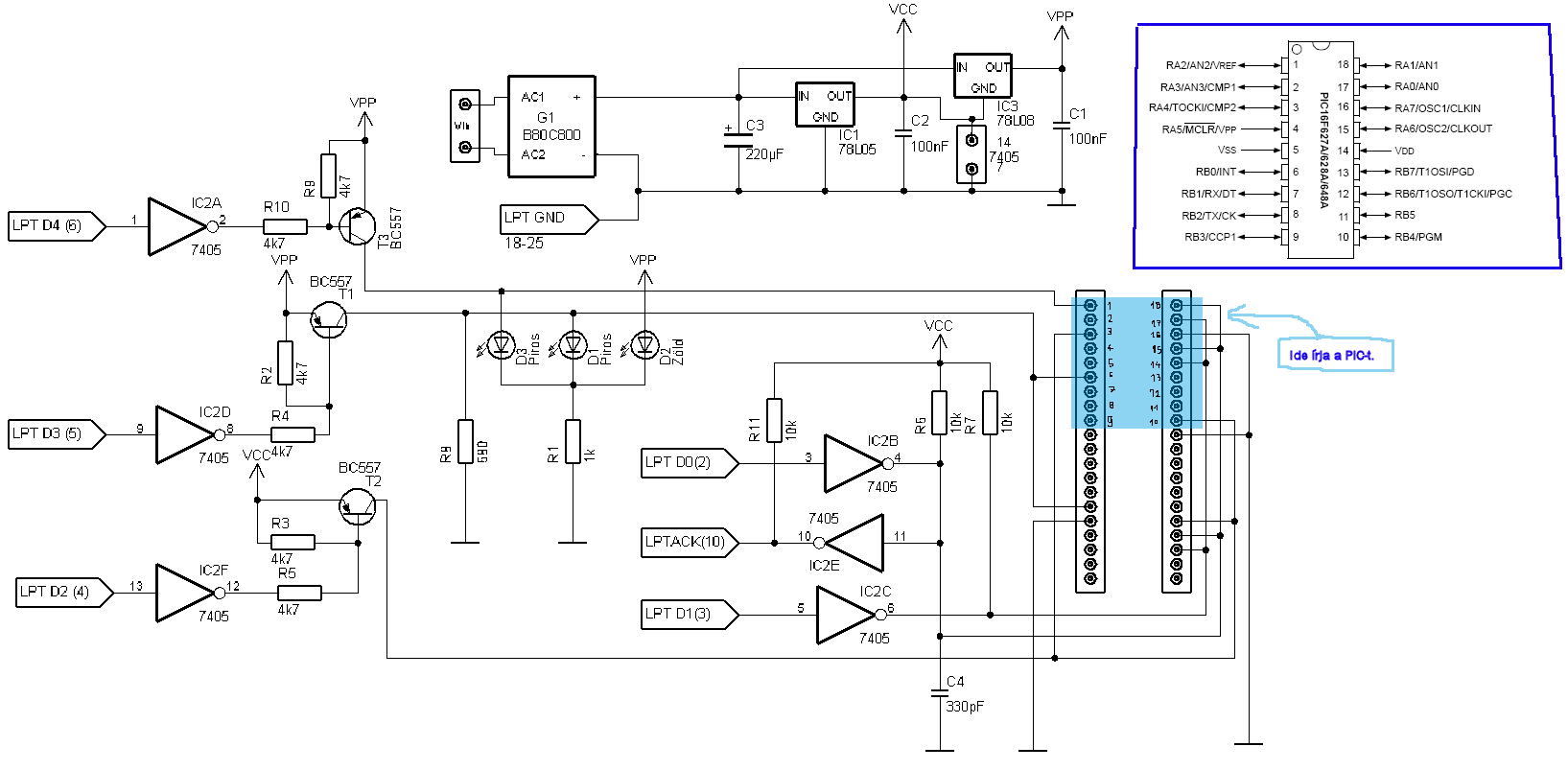
Propic2 és icprog együttesével próbálkoztam eddig, siker nélkül (ledek nem jeleznek adatot, a hardware többi része pedig biztosan jó). Néhány dolgot gyanúsnak találtam, valószínűleg el is szállt már a pic-em (ez is 16F628A). A program által javasolt pozíciója a PIC-nek elég fura, pl az MCLR\ és Vss nem is érintkezik sehova, a PIC Vdd lábába is egy adatláb megy, stb (küldöm a rajzot). Ez kinyírhatta a PIC-t önmagában (elég langyos lett, még mielőtt programoznám) ? Az icprog beállításaira is sok elentmondásos leírást láttam, (xp-m van egyébként), ha valakinek működik az icprog, az mondhatna valami biztosat róla. Vagy hagyjam ezeket, és csinájak egy oshon-berendezést? (ezt azért csak végső esetben tenném) Még egy dolog: A párhuzamos portot "standard"-ra kéne biosban állítani, de ilyen lehetőség nincs is nálam (címeket lehet asszem variálni csak). Egyszerű C-programmal próbaképp kiírattam számot a párhuzamos portra, és eközben a win mindig hibaüzenetet ad (nem engedi a kiírást). Van ubuntum is, azt még annyira nem ismertem ki. Az alól esetleg jobbak lennének az esélyim? Válaszokat köszönöm előre is.
Én annak idején szintén propic2-őt használtam először icproggal, aztán winpic800-zal. Azt javaslom, hogy egy PIC-hez se használd a foglalatot, vezesd ki a szükséges vonalakat (MCLR,Vdd,Vss,PGD,PGC - keresd meg meg az ICSP használatát) egy 5-ös tüskesorra és egy dugipanelen is tudod a PIC-et égetni. Egyébként is a 16F628A-hoz a propic2-ön módosítani is kellene ( Bővebben: Link Itt keresd meg!)
ICSP-ről találtam sok jót, meg is csinálnám, de azt honnan tudom, hogy az MCLR,Vdd,Vss,PGD,PGC lábak melyik D adatlábhoz köendők a párhuzamos porton (ill. az inverterek kimemetén)? (csak annyit látni, h D0-D4-ig vannak az adatlábak használva, de hogy ezeknek milyen funkciójuk van itt, azt nem).
Az icprog honlapján (és a linkelt honlapon is) azt olvastam, h a PGM-et földre kell kötni. Ennyi a változtatás csak a 16F628A esetén? Az sem világos, hogy ezt most LVP-módban fogja-e majd írni a pic-t. Meg még ez: "Ha a 16f62x sorozat valamelyik tagját szeretnénk programozni, akkor pedig a 32-es lábbal kell ugyanezt tennünk". De ez csak 18 lábú.
Az ICSP kialakításához vedd magad elé a propic2-es programozódat. Annak van egy 40-es ic foglalata. Ebből a 40 lyukból csak 5 kell, azokba forrassz vezetéket és kösd egy 5 -ös tüskére, vagy csatlakozóra. Ebben a sorrendben: 1-es lyukból MCLR (a tüskén 1-es), 11-es Vdd (a tüskén 2-es), 12-es Vss (a tüskén 3-as), 40-es PGD (a tüskén 4-es), 39-es PGC (a tüskén 5-ös). Így kész is van az ICSP csatlakozód. Ezután csak ezt kell használnod, nem a foglalatot és csak ezeket a vonalakat kell a PIC-kel összekötni. Még a PGM-et sem kell lehúzni. Ez nem LVP módban programoz, hisz az MCLR vonalon ott lesz a 12V.
Idézet: „Meg még ez: "Ha a 16f62x sorozat valamelyik tagját szeretnénk programozni, akkor pedig a 32-es lábbal kell ugyanezt tennünk". De ez csak 18 lábú.” A 32-es láb a 40-es foglalaton számolandó. Pont az a probléma, hogy a foglalatba helyezve a 16F628A-t a 32-es lábnál lesz a PIC PGM kivezetése, amire a Vdd kapcsolódik. Ez nem kívánatos, ezért kell átalakítani a kapcsolást vagy a nyákot úgy, hogy a Vdd erről a lábról leköthető legyen (pl. egy jumperral). De én azt mondom, ne szórakozz a foglalattal, mert ezen kívül is fog néhány meglepetést okozni. Használd az ICSP-t. Nem kell a PIC-et a fejlesztés alatt az áramkörből a foglalatba és vissza pakolgatni és a kész áramkörben is egyszerűen kialakítható a csatlakozás, amivel a későbbiek folyamán, ha szükséges kényelmesen módosítható a PIC programja.
Na, így már értek mindent, remek.
Egyébként eddig sem a nagy 40 lábú fogalatban próbáltam, bár a hatása nyilván u. az volt, mert az annak megfelelő kábeleket kötöttem be egy kisebb foglalatba. (a 40-es nincs is a nyákon szerencsére)
Elképesztő módon sikerült minden. Az icprog akkor tudta végül felprogramozni, amikor semmit sem adtam meg megnegálni. Égetés után ment a gépbe rögtön (azt a bizonyos bináris órát csináltam meg), és egyből működött, ahogy kell.
Mégegyszer köszönöm, ezzel már igen-igen régen szenvedtem.
Ezt az égetőt csináltam meg, az egyszrűbb változatát 16f84-eshez. Icproggal programoznék és azt csinálja, hogy beégetném a programot de a végén kiírja hogy "verfy fail at 000h" aztán beolvasom, hogy mi van a picben és gyakorlatilag benne van a program leszámítva az első néhány mozzaanatot ott 3FFF-et ír ki, de utánna már jó.
:-S mi lehet a gond?? Rossz a pic?? Ez már az n+1-dki pic égető amivel próbálkozok eddig sikertelenül. SOS |
Bejelentkezés
Hirdetés |




most a ledek jonak tunnek!!!De viszont amikor irni akarom 12f675-őt ezt irja ki No"oscillator callibration value" found.Do You want to use value from file (3438h) instead?

