Fórum témák
» Több friss téma |
Szia!
Tedd fel a programot, ami az A porton kezeli a gombokat. Az ANSEL a 3. bank -ban van.
Sziasztok!
Szeretnék a farsangi bulira csinálni egy olyan LMFAO-s robot fejet (ami a klipben is van) aminek a szája beszéd hatására vagy zene hatására villog és a hangot egy mikrofon fogná fel...például minél hangosabban beszélek annál több led világít. Mindezt egy PIC12F629-es IC-vel szeretném megvalósítani és azt szeretném megkérdezni tőletek,hogy mennyire megvalósítható ez ezzel az IC-vel(csak 2x3 ledet akarok működtetni,tehát elég lesz 3 kimenet)
PIC12F675-tell könnyebben menne (abban van ADC).
:SS Lehet,hogy ez most ciki,de gőzöm sincs mi az az ADC...
Tudnál egy kis leírást adni?
ADC = analóg-digitális átalakító. Ez teszi lehetővé, hogy több (jelen esetben max. 1023) jelszintet meg tudj különböztetni. Enélkül a PIC hogyan lenne képes a mikrofon jelének megváltozását (a hangerősséget érzékelni? Vagy mi lenne a szerepe a PIC-nek az eredeti elképzelésed szerint?
Végülis a 12F629 -ben van komparátor és Vref modul...
Az elképzelésem az volt,hogy az IC vezérelné a ledek működését ami ügye 3 kimenetet lefoglalna rögtön és a mikrofon jelét akartam valahogy bevinni a pic-be,de ehhez sajnos nem nagyon értek és valahogy úgy szeretném,hogy potméterrel lehessen állítani,hogy mikortól érzékeli,mert például ha nagy a hangzavar akkor egyfolytában világítanának a ledek...gondoltam arra is,hogy ha nem lennének elegek a lábak ehhez a potméteres megoldáshoz,akkor egy kisebb áramkört még csinálnék a mikrofonhoz(de ahhoz a segítségeteket valószínűleg majd igényelni fogom) ami a bemenő jeleket csökkenti illetve növeli a potméterrel.
Valami ilyesmi lenne az elképzelésem.
Sziasztok
EZT a megoldást nézegetem és nem értek valamit. A PIC adatlapja azt írja, hogy: Idézet: A linkben látható megoldásban a pic bemenet egy felhúzó ellenállással 12 V-on van. Igaz, hogy van egy ilyen sor is a leírásban:„Voltage on all other pins with respect to VSS ..... -0.3V to (VDD + 0.3V)” Idézet: „As the bus data is normally high (same polarity as a PIC USART), it can be connected directly into a PIC USART RX pin through a 47k resistor. This allows minimal hardware receive with only one resistor (uses the PIC internal port pin diode).” Ha jól gondolom akkor a VDD fele levő dióda megakadályozza a VDD nél (plusz Ud)nagyobb fesz pinre jutását. Biztosan kipróbált dolog ez a blacknet, de szabad ilyet? Mennyire számít ez korrekt megoldásnak? Köszi.
Sziaasztok
Egy gyors kérdésem lenne. Gyorsan szeretnék csinálni egy 8 csatornán kontakt ki be kapcsolást és arra gondoltam hogy esetleg egy pic gyorsabb lenne mit minden más, csak az a legnagyobb problémám hogy nem igazán vágom ezt a pic dolgot. Találtam egy programot amivel basic nyelven lehet irogatni de nem találtam leirást ami egyszerüen kifejtené a müködést. Nem igazán vágom az angolt csak részletekben de nagy a tanulásvágy. Igazábol ha valaki tudna segiteni a programban azt megköszönném már ha cak ránézne a programra az sokat segitene.
Most hirtelen nem találtam meg a PIC I/O kapcsolási rajzát az adatlapban, de kell lennie egy diódának VDD és a bemenet között, ami ugye VDD+Vd-n tartja a bemeneti feszültséget (jól gondold).
Adatlap szerint : Input clamp current, IIK (VI < 0 or VI > VDD.........20 mA Szóval ez a dióda elbír 20mA-t -> (12-5)/0,02 = 350ohm sorba kötött ellenállás esetén mehet a 12V a lábra.
Nem valami korrekt megoldás. Egyrészt az a dióda ott védelmi célból van, nem arra, hogy ott üzemszerűen áram folyjon. Másrészt ha a pices áramkör fogyasztása alacsonyabb, mint a számított áram, akkor ez szépen felhúzza a tápot a normál feszültség fölé.
Sokkal korrektebb adni egy további 5V-os zenert a láb és a gnd közé, vagy pedig ellenállásosztót használni.
Szia
Köszi a választ. Ezt a sort: Idézet: figyelmen kívül hagytam. Igy ok. Engem ez zavart:„Input clamp current, IIK (VI < 0 or VI > VDD.........20 mA” Idézet: „Voltage on all other pins with respect to VSS ..... -0.3V to (VDD + 0.3V) ” Kösz mégegyszer.
Szia
A zener nekem is eszembe jutott, csak nem akartam "fölösleges" alkatrészeket. Arra gondoltam, a blacknetes srác biztosan jobban tudja mint mint én. Azért egy kicsit gyanús volt.Köszi a választ.
Nem korrekt, de 150uA áram nem okozhat gondot.
A párhuzamos zener igen, mert kapacitása miatt leronthatja az adatátviteli sebességet. Idézet: Az nem, de a rajzon 150 mA szerepel, ami már nagyon necces!„Nem korrekt, de 150uA áram nem okozhat gondot.” Hasonló megoldást használnak egyébként a PICAXE mikrovezérlők is a (hagyományos) soros portról történő programletöltéshez. Idézet: „Output to the bus is through a simple NPN transistor that is capable of pulling the 150mA bus line low.” Az NPN tranzisztor meghajtóképességénél van 150 mA -ról szó, az is csak rövid ideig tart. (12V - 5V) / 47k = 148.9 uA. Ennyi mehet a PIC bemenetére.
Az első ábrán 150 mA-es felhúzás van, az tévesztett meg. Azt nem vettem figyelembe, hogy a sárga mezőben van még egy áramkorlátozó ellenállás.
Azzal viszont tényleg ésszerű keretek közé szorították az áramot.
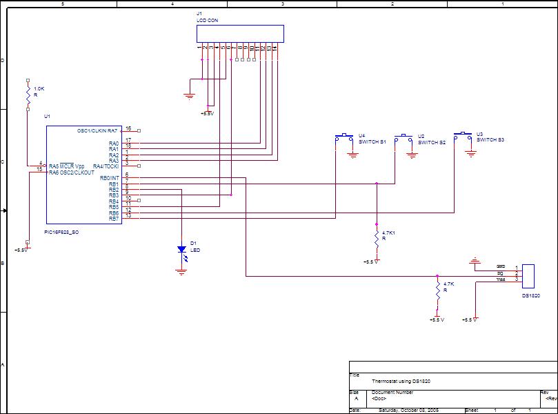
Sziasztok!
A mellékelt thermostátokat szeretném kipróbálni. A HW-es rész megépítés, pr./hex/ Pic-be töltése, beüzemelés nem okoz gondot. Korábban, tíz-egynéhány évvel ezelőtt próbálkoztam Pic progz.-al, de mivel egy led villogtatásához kb. másfél oldalnyi pr.-ot kellett volna írni, feladtam. A mellékelt Thm.-ok forrás fileket próbáltam Hex-be konvertálni sikertelenül és itt elfogyott a türelmem. A mellékelt forrás fileket kérném hex-be fordítani. Köszönettel: Kepitu
A továbbiakt itt küldöm, mert egybe nem ment.
Sziasztok !
Segítséget kérnék ! Írtam egy programot PIC16F737-re, de nem jól működik. Adott egy-egy nyomógomb PORTC0-n és PORTC1-en, H-ra aktívak. Van két kimenet is, PORTB0 és PORTB2. PORTB0 alaphelyzetben L, PORTB2 pedig alaphelyzetben H. A program annyit csinál(na), hogy RC0 magas szintjére RB0-t magasra emeli, és addig ott tartja, ameddig nyomom a gombot. RC1magas szintjére pedig RB2-t alacsonyra húzza, szintén ameddig nyomom a gombot. A valóságban az történik, hogy bármelyik gomb első (de csak az első) megnyomására mindkét kimenet szintet vált. Miért ? Adott gomb további nyomkodására már jól működik, békén hagyja a másik kimenetet. Mit csináltam rosszul ? Nem hardverhiba, mert szimulátorban is ugyanezt csinálja. A dolog érdekessége, hogy ha a kimeneteket átrakom PORTB6 és 7-re, megszűnik ez a hiba, első gombnyomástól jól működik. Csatolom az assembly programot. Köszönöm ! Laci.
Szia!
A programodban nem látom, hogy mikor állítod át a PORTB-t digitális IO-ra. Alapállapotban ezek a lábak az AD konverter bemenetei. a movlw 0x0F, movwf adcon1 parancsokkal tudod digitális IO-vá tenni a PORTB-t. (az adcon1 az 1-es bankban van) nekem ezzel a módosítással fut a szimulátorban a progid. Sok sikert!
Sziasztok!
Nekem egy arduino klónnal gyűlt meg a bajom, amit a pinguino.cc oldalon találtam. A PIC18F4550-es változatot építettem meg, de elég furcsa jelenséget tapasztalok és nem is működik jól a dolog. Amikor nyákba ültetve (foglalatban persze) próbálom, akkor a "run led" villog, hol halványan, hol erőteljesebben, össze-vissza. A benne lévő program amikor sikerült beprogramozni, akkor egy darabig futkorászik vígan (sima led villogtatás), majd újraindul mindenféle előzetes jel nélkül. Vajon mi zavarhatja össze a fejét? Minden láb be van kötve (az ún. user IO portok 470 ohmos ellenállásokban végződnek). Mit kellene megmérnem, melyik lábbal lehet gondja?
Sziasztok!
Problémával fordulok hozzátok. Sajnos ellopták az eprom programozó egységemet, és csak egy Willem-re hasonlitó egységet tudtam beszerezni, de hibásan működik. Ezen nem Jumperelni kell, hanem kis mikro nyomógombokal lehet kiválasztani az eprom, pic szériát.... maga a program ugyan az mint a régié, de ezzel nem igazán működik a dolog ![]() 28 lábu Winbond w27c512 egységet szeretnék programozni. Ha esetleg tudja valaki, hogy mi lehet a probléma, azt megköszönném, vagy ha tud valaki helyettesitő egységet ajánlani, azt megköszönném. Ja ez az egység usb-keresztül kap tápot és soros nyomtatóporton kommunikál
Tápfeszültség, VDD és VSS lábak bekötése (mind!), 100 nF-os kondenzátorok megléte, Vusb láb és a föld között 470 nF megléte. Én ez utóbbival már jártam úgy, hogy ott volt, csak elfelejtettem az egyik végét beforrasztani.
Szia!
Mind be van kötve. 100nF-os kondik a helyükön (ráadásul közel a lábakhoz), a VUSB láb és a föld közé 220nF-os kondit raktam, ahogy a pinguino.cc oldalon lévő rajzon szerepel. A probléma különlegessége, hogy ezt összerakva, próbapanelen jól működik.
Van egy olyan problémám, hogy pic-hez hozzá kellene kötnöm megabyte méretű statikus ramot. Igazából legalább 2 mb kellene. 3.3V-os pic (pic32-es lesz tervezet szerint). Elérési idő, meg ilyesmi teljesen lényegtelen. A mérete miatt aggódom.
Van bármi más lehetőségem épelméjű méreteken belül, mint dinamikus ram IC-t használnom, és bajlódnom a frissítésével?
Akkor nincs más hátra, mint a panel tüzetes átvizsgálása, nagyítóval. A kvarckristály környékének tapogatása változtat valamit? Ugye, az LVP le van tiltva a konfigurációs bitekben? (Kiderül, ha a PGM lábat lehúzod a földre.)
Mire akarod használni? Ha csak a nagy méretet gondolod problémának, akkor van 16MBit-es EEPROM is, az pont 2 MB ( ha sokszor kell újraírnod, akkor lehet gond! ) !
Steve
RAMTRON FM23MLD16 IC-ből 2 db megoldja a problémádat? Mellesleg ez FRAM, tehát nem felejtős!
icserny:
Nem lenne rossz a ramtron, ha nem fbga tokos lenne. Könnyen kezelhető smd nyák kellene, tokozásból maximum tqfp. (Szerk.: oké, sry, látom vannak soros ramok is sioc tokban, de ilyen vad áron ?? Nincs egy kicsit olcsóbb? (( Igazán nem kell fram-nak lennie, sima statikus bőven megfelel jelenleg.)kissi: Sajnos ram kell, sűrűn változna az adat tartalom. Tápfesz vesztéssel amúgy elveszhet, az nem gáz. |
Bejelentkezés
Hirdetés |




Azért egy kicsit gyanús volt.







