Fórum témák
» Több friss téma |
Sziasztok! Melyik programozási nyelvben érdemes elkezdeni amit plc knél is tudnám hasznosítani? Honnan tudnám azt a programozást megtanulni (konyv, video, stb)?
steweo! Egyiket sem. A PLC programozás merőben más. Kérdés, hogy melyik plc programozási nyelvvel akar foglalkozni?
Plc vel egyenlőre nem, viszon pic kel igen. Melyik programozási nyelvet érdemes elsajátítani? Azt honnan tudom megtanulni?
A programozasi nyelv igazabol mindegy. A programozasi gondolkodas elsajatitasa sokkal nehezebb es az a lenyegesebb. Vagyis, hogyan tudod a feladatot olyan lepesekre bontani, ami aztan (barmilyen) geppel megoldhato, szenzorok es aktuatorok fuggvenyeben.
Ha inkabb logikai dolgok kerulnenek eloterbe, vagyis sok tizedesjegyu, trigonometriai szamolas, gepi intelligencia kell, akkor mindenkeppen magasszintu nyelv fele mozdulnek el. Ha viszont tokegyszeru lepesek -kijelzore rajzolas, frekvencia pontos kepzese, jelidok merese, gyors (us ideju idozitesek), gyors adatmozgatas vagy barmi olyan feladat, aminek a feldolgozasat vagy PC vagy offline valami mas vegzi - akkor inkabb alacsonyszintu nyelv javallott, C vagy assembly.
Üdv!
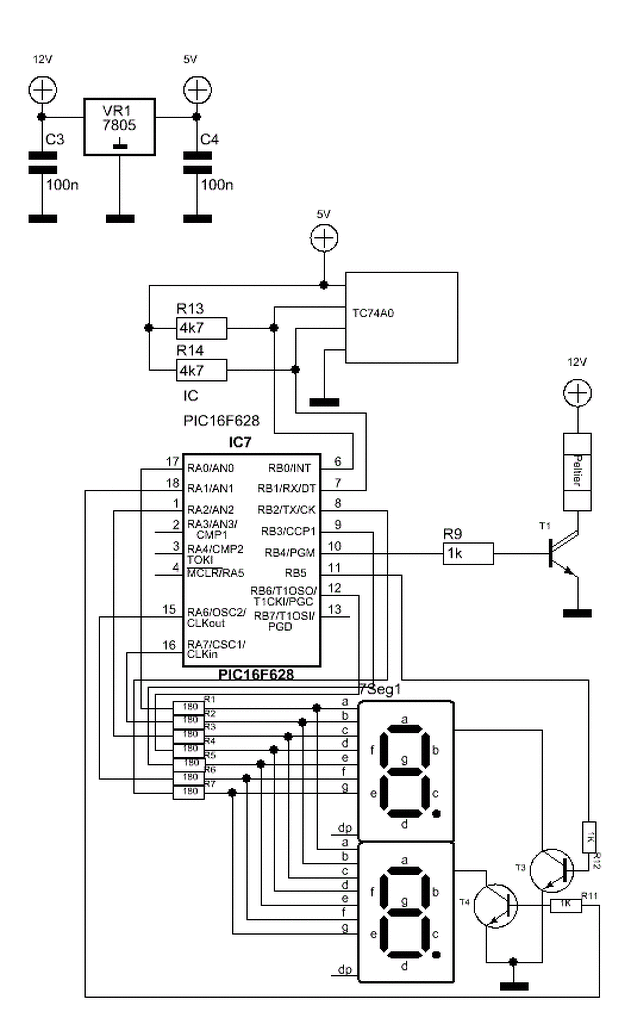
Sajna még mindig ugyan az a helyzet. Kiírja a kijelzőre hogy 00, de a pletier nem megy, ha a szenzort leválasztom akkor elindul a modul.
Van egy olyan rajzod amin minden szerepel ami az áramkörre van kötve?
Ezek azok. Azért van két darabban, mert nem akartam bele rondítani az eredetibe.
Igen ezen én is elgondolkoztam, a jelenlegi konfigurációmban van LPT port és működik is, nem tervezem lecserélni, de ha mégis, mi a véleményed ERRŐL az égetőről?
A hozzászólás módosítva: Ápr 10, 2016
Én is inkább a PICkit2 klón vásárlását vagy építését ajánlom.
Sziasztok!
Megépítettem a JR féle égetőt: Bővebben: Link A gondom, hogy a 2 stab IC-nél 5V ill. 13V helyett 6,4V ill. 14,6V - ot mérek. Vadi új IC mindegyik. Csere?
Biztos, hogy A0-ás a TC74-es szenzorod? Mert az i2c olvasásba szokott úgy belefagyni a program, ahogy írtad és a program A0-ás című szenzort vár. Ha TO-220-as a szenzor, akkor TC74A0-nak kell rajta lennie, ha smd, akkor U0 +valaminek. Ha ez jó, akkor a szenzorra menő vezetősávokat kell átnézni, mert valami nem stimmel arrafelé.
Ha a +5V-ost sikerül rendbe raknod, akkor a +13V-nak is meg kell javulnia, mert az a +5V-hoz képest van +8V-al eltolva, és a méréseid szerint is pont annyival több.
Üdv!
Köszönöm az eddigi segítséget, sikerült, a progi most már fut a PIC-be, be is kapcsol a peltier, de viszont nem áll meg a megadott értéknél, hanem tovább működik. Ezt mi okozhatja?
Szia!
Kicseréltem a 78L05-ös IC-t, de így is ugyanaz a helyzet. Ez a kettő IC-m volt. Rossz lehet mind a kettő? Más ötletem nincs. A nyákot sokadszorra néztem át, de zárlatot nem találtam. Van valami ötleted?
A 7805 két lábán méred a feszültséget, vagy a dip toknál?
A hozzászólás módosítva: Ápr 11, 2016
Probáld ki a 7805 -öt labortáppal vagy aksival.
A hozzászólás módosítva: Ápr 11, 2016
Szia!
Mértem a két lábán és a dip toknál is. A dip toknál is magasabbak a feszültségek.
Nem látom van-e rajta valami minimális terhelés, tegyél rá mondjuk 4,7k-t.
Sziasztok!
Belső felhúzó ellenállást hogyan lehet beállítani C nyelven nyomógombhoz?Mplab-ot használok XC8 fordítóval.Köszönöm.
Üdv!
Az a helyzet, hogy a szimulátorban próbálgattam a programot de nem korrekt a működése. Elkezdtem átírni, de nem sok időm van. Ha készen leszek vele elküldöm.
Nem értem, hogy miért nem veszed már ki az áramkörből és méred meg önmagában, akár egy 9 voltos elemről.
A tápodat nem látta senki, fogalmunk sincs, hogy mi a rossz. A táp, a stabkocka a panel vagy a szomszéd légkondija. Bármi okozhatja a hibát. Logikus hibakeresés első lépése, hogy ha van rá mód, akkor önmagában méred a hibásnak tekintett alkatrészt.
Be kell kapcsolni (ennyi infóból szerintem más sem tud többet mondani). Milyen típus, melyik láb?
Üdv!
Dobd ki a 7808-at és tegyél helyette 7812-t, aminek a GND lábát két darab 1N4148-as diódával a GND-re kötöd. Bővebben: Link Csak kíváncsiságból. A multimétered eleme nincs véletlenül merülőben?
Hello! Bocs, hogy belebeszélek, de nem lehet az a hiba oka, hogy esetleg nincs az áramkörben a 7406? Mert akkor az 5V-ot csak a D2 árama terheli, ami 3mA körül van, a 7808 "GND árama" meg több és az húzza fel az 5V feszültséget. A 7406 tápáramfelvétele már elegendő a 7808 áramának elszívásához..
Valami ilyesmi lehet a dologban, ezért is írtam a fenti megoldást. Szerintem az korrektebb.
|
Bejelentkezés
Hirdetés |












