Fórum témák
» Több friss téma |
Idézet: „A DDS persze ...., egy ismerősöm szerint ha hangolható, akkor a jel tisztasága nem elegendő egy analóg keveréshez, .....” Mivel a DDS nem állít elő tökéletes szinuszjelet, így azt analóg módon LC szűrővel kell biztosítani. Ellenkező esetben a kimeneti jelének harmonikus tartalma magas lesz. Amennyiben a konstrukció megengedi elég egy darab megfelelően méretezett aluláteresztő szűrő a kimeneten. Ellentétben a NET-en fellelhető kapcsolásokkal, szinte minden DDS támogatja az ellenütemű kimeneti kapcsolást -ami a páros harmonikusok kiejtésérnek egyszerű eszköze- érdemesebb azt előnyben részesíteni.
Kevés nagyon az infó a neten is ezzel kapcsolatban, de azért lehet kiinduló pontokat találni...
Én próbáltam, működik, de folyamatos hangolásra nem lehet használni, csak ugrásszerű nagyobb lépésekkel! Ez hangkártyás SDR programoknál nem feltétlenül okoz gondot, mert egy egy oszcillátor frekvencián egy hangkártyányi sávot lehet venni amúgy is... Gyak arról van szó, hogy van egy késleltető regiszter, amibe megfelelő frekvencia esetén pontos késleltetést számolva alakul ki a pontos 90 fok két kimenet között...
Pucuka itt szerintem másra gondolt! Mégpedig a jel spur tartalmára. Ezen sajnos nem lehet segíteni szűrővel, viszont a kimenő jelben ott lesznek, és keverési termékeket hoznak létre, így nem kívánt vételi helyeket is....
Az MCHF támogatja de még nem vettem a fáradságot, hogy átkötözgessem , de akkor ezek szerint nincs is neki értelme.
Ebben igazad lehet, de azért hozzá kell tegyük, hogy ezek jellemzően 60dBc alatti értékek. Ami bár magas, de jobb mint egy házi diódás mixer, vagy mondjuk egy relés kapcsoló elválasztásánál.
Egy diódás keverőben tudtommal nem keletkeznek spur jellegű komponensek, csak harmonikusok. Az meg merőben más dolog... Ennek az értéke egyenes arányban van a bitszámmal, ugyanis a sin hullám pontatlansága miatt keletkezik, ami a véges bitszámból ered...
Én úgy értelmezem hogy a DDS problémája két okból ered. Az egyik amit te is leírtál a szinusz hullám nem teljesen szinusz, és igen a bitszámtól függően egyre kevésbé az. Ez miatt harmonikusok keletkeznek. Ezen harmonikusok szintje u.n. rekonstrukciós szűrővel (jellemzően LC) csökkenthető. Itt természetesen figyelni kell a hogy alakítjuk ki a szűrőt, ez volt pucuka felé a válaszom.
A másik a DDS irodalomában SPUR-ral jelölt jelenség a DDS-re jellemző kétértelműségből adódik. Ami a tükörfrekvenciákon alapul. Ez azt jeleneti, hogy a kívánt frekvenciaérték tükörképe is megjelenik. Sőt mit több, a többszörösök szintúgy. Erre példa: MCLK=100MHz, a kívánt frekvencia 40 MHz. Ez esetben a kimenet spektrumán megjelenik a 40MHz és a 60 MHz, 140MHz (illetve még jónéhány) is. De sajnos megjelenik még a 20MHz is, ami a 60-40MHz, amit már nehéz kezelni. Habár ezek a fals jelek frekvenciája és amplitúdója számítható, folyamatos hangolás esetén nehéz őket kezelni. A fals jelek amplitúdója csökkenthető a DAC felbontásának növelésével, illet a magas órajel, alacsony kimeneti frekvencia alkalmazásával. A DBM-nél arra szerettem volna utalni, hogy házi gyártásnál a bemenő jelek elnyomása 20dBc, azaz keverő oszcillátor csak 100-ad része kerül elnyomásra, a többi simán áthalad a keverőn, ami ugye nem kívánatos. Illetve tudomásom szerint minden nem lineáris (félvezetók, ferritek, stb..) elemen torzítás keletkezik. Ahol a szinuszhullám torzul ott a jelek egymásra kölcsönhatással vannak, azaz keverési termékek, melléktermékek jönnek létre. Ez alapján igenis vannak hamis jelek a keverőn.
Sajnos sokkal árnyaltabb a kép még ennél is!
A jelenség, amit leírtál az csak az egyik része a spur alakulásának. Ez tisztán a kvantált, mintavételezett jellegből fakad, pontosan és jól számolható az értéke. Mindig jelen van egy DDS kimenetén..., az általad is emlegetett torzítás nagyobb részéért pontosan ez az összetevő felelős! Ez nem harmonikus torzítás, értéke és jellege az aktuális frekvenciától függ mindig.... Viszont, egyszerűen és jól szűrhető! De van ennél kellemetlenebb összetevő is, ugyan szerencsére ennek kisebb szokott lenni az amplitúdója az előzőénél, viszont azzal ellentétben, lehetetlen kiszűrni az alapsávból sem... Ez a véges bitszámból eredő ábrázolás, és az aktuális pillanatnyi fázis-léptetésből ered. "Megjósolhatatlanul", rendszertelenül van jelen akkor, ha olyan frekvencia van éppen beállítva, ami nem írható le a sin táblázat konkrét értékeivel. Ez pedig elég gyakori eset hangolásnál főleg. Így minden ilyen esetben lesz egy alapjeled, és mellette számtalan változó amplitúdójú és frekvenciájú spur jeled, amivel nem tudsz mit kezdeni! De sajnos a keverő fokozat igen, még ha csökkentett amplitúdóval is vannak ezek jelen, azoknak megfelelő fals vételi helyeket hozhatnak létre a keverés során. Védekezni ez ellen is lehet, ha a gyártó is úgy látta jónak, mégpedig az un. dithering bevezetésével. Ekkor kismértékű mesterséges szétkenés árán tulajdonképpen el lehet tüntetni ezeket a spur jeleket, cserébe némileg nő az alapzaj... Ez az oka, ami miatt magasabb bitszámok felé irányul a gyártás, hogy ezeket a spurokat leszorítsák minél kisebb értékre. A hozzászólás módosítva: Júl 9, 2020
Elfogadva amit írsz, fáziszaja, zajos spektruma minden oszcillátornak van. Így a keverés során mindig is spektrumot keversz spektrummal, ergó végtelen keverési termékkel kell számolni.
Rég foglalkoztam ilyen mélyen a témában, ezért, hogy melyik oszcillátor spektrumtisztasága jobb nem tudnék állást-foglalni.
Mivel a szuperregeneratív vevő sugároz kifele, gondoltam visszatérek a visszacsatolt audionhoz melynek a hangja is szebb. Ha rosszul kezelem meg jobban sugároz ki
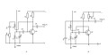
Két alapkötést vettem alapul az A-nál nehezen gerjed be,a B nél könnyen gerjed jó az érzékenység, de könnyeben kisugároz. Nekem a B rajz működik jobban, de kísérletezek még azért az A val is volt hogy még az amatőröket is befogtam. Szerintetek melyik jobb kapcsolás A vagy B ? (A rajzon nincs de az antennánál van kondi.)
Egyértelműen az A a helyesebb használati mód. De mindkettő közös hibája, hogy a bázisellenállás közvetlenül a tápról van járatva, ami nem túl jó egyenáramú munkapont szempontjából! A kollektorról kösd vissza, úgy kap negatív visszacsatolást is, sokkal stabilabb lesz...
Igazad van a régi rossz rajzot töltöttem fel. Ezek működnek. Most is fog 2 adót teljesen tisztán és jól a B rajz. Idáig mindig az A rajzot használtam, de középhullámra, és a B rajzból sok van rövidhullámra, meg a régi rajzokon.
Az A rajzon elvileg minden áramköri elem csak "saját magával foglalkozik", nem szól bele más részbe.
L2 - C2 - R3 --- visszacsatolást végzi. R1- R2 --- Tranzisztor munkapontját állítja be fixen és az erősítést és a visszahatásokat . C1 - L1 --- az állomás hangolással ( persze ezt a L2 "zavarja" a kölcsönös induktivitás értékével) C3 - C4 --- DC elválasztást végez A B verzióban az R3 szinte mindent egyszerre borít fel. Visszacsatolás mértékét, ezen kivűl az erősítést , munkapontot, Miller effektus, is és még minden más egyebet ami a tranzisztor jellemzőit tologatja a munkapontjának az eltekerése által. Ez lehet jó is mert sokkal több változás jelentkezik egyszerre a fokozat életében. De lehet ugyan ezért rossz is mert kevésbé tarthatóak kézben az egyes állapot változtatások mértéke . Ezeket kell figyelembe venni a B verzió használata során. A hozzászólás módosítva: Júl 16, 2020
Érdekes a B rádió kiválóan működik a C2 nélkül is.
A C2 csak hidegito szuro funkciot tolt be.
A demodulalt hangfrekit "tisztitja" meg a nagyfrekis komponenstol. Persze ha tul nagy erteku akkor hangfrekit is vagja mar. Max 10-20 nF legyen. A hozzászólás módosítva: Júl 17, 2020
Ha esetleg nem 0-V-1 ben hanem inkabb 1-V-1et alkalmaznal , akkor az elso RF eloerosito/illeszto elvalaszto szerepet is betoltene.
Kevesbe szorna ki antennara a gerjedo audion.. Igaz az eloerositonek se tul sokat erositeni , nehogy beggerjedjen. A hozzászólás módosítva: Júl 17, 2020
Direkt 1 hangoltkörös akarok. régen ezek voltak a legegyszerűbb rádiók. es jó az érzékenységük. Ott van még a neten sok fele látott szuperreg, még tekercsel is ment antenna nélkül, de azok kisugároznak és torzítanak, ennek ha jól be van állítva nagyon szép a hangja, ilyenkor nem is sugároz ki..
Idézet: „régen ezek voltak a legegyszerűbb rádiók” Igen régen (még régebben) ezeket még csövekből építették , 1 csőből hoztak ki mindent (takarékosság, ár/érték arány, hozzáférési lehetőségek stb. befolyásolták az utánépíthetőséget) Bipoláris tranzisztorok esetében mások az impedancia viszonyok a csövekhez képest, ezért lehet jobban járnál (MOS)FET-el.
Valahogy darlington tranzisztort nem lehetne e használni?
A darlington azért nem jó, mert túl nagy az erősítése, és a Miller effektussal nem fér össze. Az RF technikában valahogy nem lehet találkozni vele. Még a hangfrekvenciára gyártott BC tranzisztorok paraméterei látszólag megfelelnének, mégis egy BF tranzisztor jobb eredményt ad.
A magyarázat a bemeneti, és a visszaható kapacitásban rejlik. Ha azokat is nézed, láthatod a különbséget, ha egyáltalán szerepelnek az adatlapon. A hozzászólás módosítva: Júl 17, 2020
Miután belekerült a fojtótekercs már egészen másként viselkednek a rádiók. Szerintem a B azért szólt C2 nélkül, mert a leválasztó kondit használta. Majd meglátjuk, most nincs vétel. Szeretném megőrizni a kellemes hangminőséget. Ugye az egész egyszer majd hangszórón fog szólni egy tranzisztoros kis erősítőn. FET kilőve marad az ami van, körülményes a városba utazni. A kihívás azt felhasználni ami van.
Van vétel de gyenge, vissza ki C2 B megold's erősebeb vétel és brutál tiszta szép hang. De a neten a rajzok nem ilyenek, ott van C2.
Nekem is kukázott televízió tunerekből vannak a Fet-jeim. Amióta házhoz kell rendelni a lomtalanítást, nem nagyon lehet ilyeneket összegyűjteni.
Esetleg nagyobb C2 nem játszik? Ha nincs C", akkor a poti egyenáramúlag is szabályoz, csökkenti a Q? kollektor feszültségét is, a felső végállásban nullához közelire. Nem hinném, hogy így szeretnéd.
A potinak csak a visszacsatolás állításában kellene hogy szerepe legyen, ha ott a C2, a tranzisztor munkapontjának állításában nem.
Kicsit fura, hisz minden rajzon van C2, de gyakorlatban így nélküle jó az érzékenység és a vételminőség. Ezt még vizsgálni fogom és meglátom mit szól erősítőn ha egy áramforráson vannak.
Maradjon C2, és próbáld meg a tranzisztor munkapontját állítgatni. Ha elég nagy értékű a C2, akkor az a visszacsatolásban nem fog szerepet játszani, de az egyenáramú kört megszünteti.
Ezért van minden kapcsolásban. A hozzászólás módosítva: Júl 17, 2020
Próbáltam működik, de messze elmarad ettől most már adatokkal rakom fel, botantennával is jó a vétel. JA hiányzik a rajzról 500 ohmos fülessel megy de egy kis erősítőn is. Marad ez, bár nem értem hogy bír az a kondenzátor nélkül működni, de a szuperregtől jobb, annak a hangja hagy kívánnivalót maga után, meg az biztos hogy sugároz.
Megpróbáltam az A megoldást, de mint régen csináltam forgókondival potenciométer helyett, úgy régen forgókondival. Úgy működik elég jó.
Ha adhatok egy tanácsot. Kollektorba soha ne tegyél ilyen formában potenciométert. Mert óhatatlanul is megeshet, hogy a potit rövidzárba tekered, és akkor a tranzisztor tönkremegy.
Ennél a kapcsolásnál is a poti tekergetésével változik a tranzisztor munkapontja, holott csak az NF jel osztása a megfelelő visszacsatolás eléréséhez lenne a dolga. A kollektor áramot amúgy is felesleges átvezetni a visszacsatoló komplexumon. Az áramkörödnek úgy kéne kinézni, hogy a tranzisztor kollektora 1 - 4,7 kΩ -on keresztül kapjon tápot, ahogy egy tisztességes kapcsolásban szokás, a kollektorról egyenáramúlag leválasztva kondin keresztül egyrészt a visszacsatolás, másrészt a végtermék hangfreki csatlakozik. Én még tennék egy fojtót a hangfrekis kicsatoláshoz is, mert akkor a fejhallgató, vagy következő erősítő fokozat nem terhelné a nagyfrekvenciás részt, ezzel nem lenne hatással a visszacsatolásra. Természetesen a visszacsatolást állító potméter átkerülne a földelt oldalra. Bár akkor már az általad bemutatott "A" verzióhoz jutunk, az ajánlott fojtó kivételével. |
Bejelentkezés
Hirdetés |




Két alapkötést vettem alapul az A-nál nehezen gerjed be,a B nél könnyen gerjed jó az érzékenység, de könnyeben kisugároz. Nekem a B rajz működik jobban, de kísérletezek még azért az A val is volt hogy még az amatőröket is befogtam. Szerintetek melyik jobb kapcsolás A vagy B ? (A rajzon nincs de az antennánál van kondi.) 



