Fórum témák
» Több friss téma |
Fórum » RF távirányítású start/indítás
Kérdésem a következő lenne:rádió távirányítású startolást szeretnék az autómba építeni(skoda 105) 20Euro a kétcsatornás adó vevő 433,92 frekvencian működik kb 40m a hatótávolság.A problémám ,hogy nemtudom hogyan kell bekötni a gyújtásra.Első lenne hogy ráadom a gyújtást 2.csatorna pedig a startolás.Ha tudnátok segíteni kapcsolási rajzzal vagy tanácsokkal az nagyon jó lenne.(Valamint 12V dc nemstabilizált 4W táp kell a vevő résznek)ezt sajnos nem értem rálehetne kötni az aksira?mert ugye az 45amper és 12volt az már sok watt.
THX Peti
Csak annyi az egész, hogy két szép relét szerzel, az egyiket a gyújtáskapcsolóra párhuzamosítod, a másikat meg az indítómotoréra. A vevőt meg ráteheted akksira (egy biztosítékot közbeiktatva).
Előszőr a típusa,egyáltalán hogyan néz ki..
A vevőt rákötheted az akkura.A kimenet meg csak az adott típus ismeretében tudok tanácsot adni.
Hello!
Hát bocs, de ezt az "életveszély projektet" nem sokan fogják támogatni. A kérdésfeltevésből még erős villamos tájékozatlanságot látok, úgy hogy egyenlőre még hála égnek, nem vagyunk veszélyben.. Szóval hogy azért némi villamos kérdésedre is válaszoljak: - Kissé tanulmányozni kellene a gépjármű villamos rendszerét, mert annak megértése nélkül nem lehet egyszerű tanácsot adni. - Az adó-vevő egységnek vélhetően maximálisan 4W-ra van szüksége. (Ebből a vevőnek gondolom majdnem semmi, mert általában teljesítmény az adónak kell.) - Az asin nem 45A van írva, hanem 45Ah (ez Amper*órát jelent). Ez az aksi kapacitása. Tehát elvileg 12V kapocsfeszültség mellett, 1 órán keresztül szolgáltatna 45A áramot. Persze ez nem üzemi körülmény, hanem a kapacitás, 20órai kisütés alatt szolgáltatott kapacitásra vonatkozik. Tehát 2,25A terhelő ára, esetén 20óra alatt merülne le. Össze szorozva kapod a 45Ah értéket. - Azaz a készülék, ha 4W-ot és 12V-ot igényel, akkor 0,33A az áramfelvétele. Ezt az aksi 135 órán kersztül tudná üzemeltetni. De áram nem annyi folyik, mint ami az aksira rá van írva (és az nem Amper), hanem amit a fogyasztó felvesz tőle. üdv! proli007
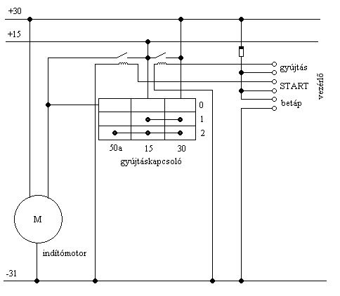
Nagyjából így nézne ki a dolog…
Csak mert segítséget kértél, és kapsz ![]() De ne is haragudj, azt, hogy az autó elinduljon anélkül, hogy valaki ne ülne benne, az egy kicsit meredek!! Ezt ki kéne még egészíteni olyan dolgokkal, hogy az önindító reléje NE húzhasson be, ha a kézifék oldva van, és az autó sebességben van! Nem rossz az alapötlet, de én is csak azt tudom mondani, hogy ez nagyon vad dolog - esetleges anyagi károkért nem vagyok felelős, se életekért. Szerintem felejtsd el…
Erről én is inkább lebeszélnélek, ez nem ennyire egyszerű! Ha ilyet szeretnél, vannak olyan modern riasztók, amik ezt tudják pl itt is van ilyen http://www.autoriasztok.hu/riasztok/riasztok.htm#lcdpageres
És, ami fontos, olyan ember szerelje be, aki ért hozzá!!! Lehet, hogy így drágának tűnik, de hidd el, olcsóbb, mint egy kiégett autót elszállítani
Üdv!
Csatlakozom az előttem szólókhoz, gondold át mégegyszer. Alapvetően nem elektromos (távvezérlős) a probléma. Ahogy írták, két relé a gyújtáskapcsolóra, (ott van az önindító relé kapcsolója is) és passz. A gyújtáskapcsolóban sem folyik 45 A, de ha ezt sem tudod, akkor már nem kellene nekiállni. De Ha nem látod az autót, akkor honnan tudod, hogy elindult-e a motor, meddíg kell indítózni, a Skodák nem arról voltak híresek, hogy pöccre indultak. Ha látod, akkor minek a távirányító, oda is mehetsz, és beindíthatod. Honnan tudod, hogy nincs-e sebességben az autó, be van-e húzva kézifék, a szívató, (ki fogja szükség esetén visszatolni, mert akkor meg ezért áll le), elég ha csak egyszer felejtesz el valamit, máris összetörted a saját, a szomszéd, valaki autóját, a garázsodat, kapudat, vagy elgázol egy éppen arra haladó járókelőt. Szóval ne csináld
Köszi a gyors válaszokat, de szerintem nem veszélyes azért szeretném megcsinálni mivel télen jól jönne hogy otthonról az ablakból beindítanám és mire leérek az autó motorja már bemelegszik,kéziféket mindig behúzom valamint sebességet sosem hagyok bent pl. ha elfelejtem mégis kivenni a sebességet maximum "ledöglik" az autó nem fog magától elszabadulni és gyalogosokat elgázolni,valamint szívesen megnézném az emberek arcát amikor egy 105ös skodában nem ül senki és beindul "magától". erről a termékről lenne szó bár az oldal szlovák de képen látni mindent a leírásban csak frekvencia , áramszükséglet ilyesmi van, Klemo86 köszi a rajzot megpróbálom megvalósítani, esetleg ha tudnál segíteni hogyan lehetne a biztonság érdekében megcsinálni,hogy csak akkor működjön hogyha be van húzva a kézifék az jó lenne
milyen biztosíték kéne a vevőhöz ha rákötöm az aksira?THX mindenkinek,csak nyugtatásul akkor fogok majd bele ha mindent rendesen megértek és a végleges tervet majd feltöltöm hogy jó e
A cégünk parkolójában telente elég sok autó időzítővel elindul. Bekapcsolnak a helyzetjelzők, és elindul a motor. Ez reggel 5:50-kor történik, 6-kor van műszakváltás, mire a pógár a kocsihoz ér, 10-15 perc, már meleg az utastér, az ablakok leolvadnak. Jó dolog. Még nem történt semmi gond ezekkel a járművekkel, nem önállósították magukat. Gondolom fel van szerelve érzékelőkkel, ami figyeli, behúzott kézifék, üresben a sebváltó.
Akkora bizti kell csak, amekkora bírja a ráaggatott cuccokat (P=U×I, ahol P és U adott). A kézifék ellenőrzésére ha van visszajelző lámpa, arról is lehet jelet venni, ha nincs, akkor csinálni kell bele (konkrétan olyat, ami nem a kar állapotát figyeli, hanem hogy tényleg fog-e - lévén hogy nem egy új autóról van szó). Ha sebességben van indításnál, valóban ledöglik, de mi van ha… ? Ezzel a lendülettel építhetsz bele egy 7szegmenses kijelzőt, ami azt mutogatja, hogy melyik sebességfokozatban van az autó, ennek a "0" jelzésére lehet szabad utat engedni az áramnak
Ehhez néhány stabilan felszerelt mikrokapcsolóra lesz szükséged. Enree, kösz a bizalmat, jól esett
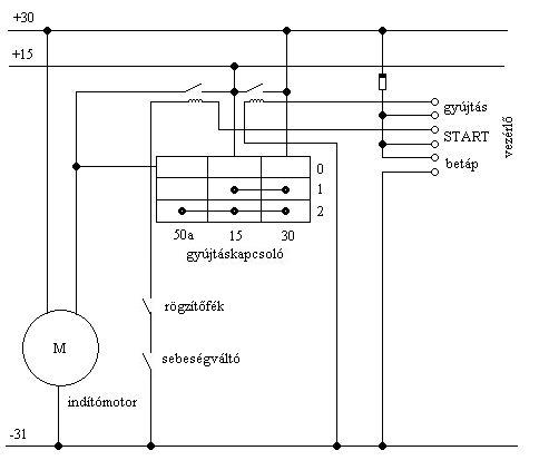
Persze, ott a skicc, amit csináltam, elég egyszerű kivitelezni, csak ahogy az alap kérdést feltették, abból következtetve nem árt felhívni a figyelmét a biztonsági dolgokra! Seperc alatt milliós károkat lehetne vele okozni, vagy súlyos baleseteket, ezért minden eshetőséget figyelembe kell venni! Ebben a mai világban bármi megtörténhet…
Igazad van, épp ezért érdemes lenne a skiccet bonyolítani az érzékelők hozzáadásával!
Kézifék visszajelző nincs,a kézifék fog. valamilyen szenzorral kéne megoldani és beiktatni a rajzba , a rajz nagyon tetszik,nem vagyok nagy elektronikai zseni gondolom már az elején kiderült
a sebességfokozat kijelzés az jó lenne csak azt már véleményem szerint nem egyszerű megcsinálni,sem az elektronikai részt sem a barkács részt.
A kézifék alá be kell szerelned egy mikrokapcsolót, amit záróra kötsz (ha nincs benyomva, akkor folyik rajta áram), de ne úgy, hogy ha nincs teljesen lent a kar, akkor is zárva legyen - mondjuk valami ilyesmit. És mindent bombabiztosra kell rögzíteni! A váltónál meg a váltózsák alá minden sebességfokozat irányába egy-egy ilyen kapcsolót betenni, ami az egyes fokozatokat jeleznék vissza, és ha egyik sincs benyomva (üres), akkor biztosítaná a kézifék kapcsolójával sorbakötött másik "zárat".
köszi mindent , nagyjából értem a rajzot hétvégén talán neki is fogok, a mikrokapcsoló bekötését nem nagyon értem hogy hogyan kéne a kézifékhez
Engem is érdekelt ez a probléma anno és én másik megoldást választottam és valósítottam meg, gondold át a enyémet is, mert szerintem sokkal jobb.
A kocsim elejére építettem egy IP44-es csapófedeles ipari csatlakozót, ami a motortéren át az utastérbe vezetve ott egy háztartási csapófedeles konnektorban végződik a két ülés között a középkonzolon. Ehhez csatlakoztatható egy autó utastér belső fűtésére szolgáló speciális PTC ventillátor (PTC=positive thermal control, a beszívott levegő hőmérséklete függvényében szabályozza a kimenő teljesítményt). Ehhez készítettem egy megfelelő hosszúságú vezetéket, amelyiket a hálózati oldalon egy, a kereskedelemben kapható RF távvezérlésű konnektor modulba illesztettem. Eredményeképpen az ágyamban reggel megnézem a külső hőmérőt és annak függvényében megnyomom a távirányítót. Mire lezuhanyozom és megittam a kávét, csikorgó hidegben is kellemes meleg vár az autóban és teljesen biztonságos a megoldás. Érdeklődés esetén szívesen részletezem vagy teszek fel képeket is, nálam bevált. Persze az enyémnél olcsóbb ventillátorral is megvalósíthatod
köszi a hozzászólást, de nekem nem az a lényeg h meleg legyen az autóban , lényeg a motor bemelegedése három okból:
1. a skoda hideg motorral nagyon rosszul megy 2. motornak sokkal egészségesebb ilyen hidegben ha helyben járatják indulás előtt, fogyasztásnak is jót tesz 3.végül de nem utolsó sorban: jól néz ki hogy az autóban nem ül senki és magától beindul
Na, ezzel is kész lettem
![]() Fogalmam sincs, hogy állnak a fokozatok a 105-ös Skodriban, de ez alapján meg lehet csinálni! Én így Trabiba már csináltam, és tökéletes volt, csak kicsit húzósabb volt megcsinálni, mert ugye ott ki-be tologatásnál 2-2fokozat egybeesik, de megoldottam… Tehát azért 14 szegmenses, hogy a tolatásnál normális "R" betűt írjon ki, és le kell diódázni az összes olyan szegmenst, ahova több vezeték fut (több fokozatnál is ugyanaz világít). Valamint ez ugye 3voltos, és a 12volt miatt kell egy 470ohmos ellenállás a betápba (vagy akár szegmensenként). A kézifék kapcsolójánál (is) a gombnak ugye 2 állása van: amikor be van nyomva, és amikor nincs. Ezeknél 2 érintkező van, ha megnyomod, az egyik kinyit, a másik zár, ha elengeded, akkor meg értelemszerűen fordítva állnak majd - mint egy váltókapcsoló 1-1 állással, csak itt visszaugrik valamelyik oldalra.
Köszi a rajzot, a sebességfokozatok pontosan így vannak csak attól félek hogy nehéz lesz beépíteni a mikrokapcsolókat a váltóhoz de megpróbálkozok vele,gondolom a 14szegmens kijelzőhöz kell valamilyen meghajtó elektronika is.Bonyolult kapcsolás kell hozzá?remélem nem kell PICket használni hozzá
amugy hogy lehet itt pontot adni? mert szerintem megoldottad a témát
Sziasztok!
Az ötlet nem rossz a sebváltó pozició jelzésére,de sokkal egyszerűbb lenne,ha a váltókarra rögzitett mágnes egy darab reed-relét húzna be,amikor a kar üresben van. A másik:a távvezérléses indítás ennél bonyolultabb,mert meg kellene akadályozza a hosszú indítózást is és meg kellene akadályozza a ráindítást is,figyelnie kellene az akku feszültséget,hogy indithat-e még egyáltalán. Szerintem ezt egy beépített elektronikával lehetne megoldani,ami tartalmazza a szenzorok figyelését,és elvégzi az indítást is.Kuplungal mi lessz? Mert -15 foknál a váltó olaj elég kemény.
Ez az össz elektronika
![]() a sok dióda csak azért kell, mert ha a "2" világít, és össz van vezetékelve csak úgy minden szegmens, akkor egyszerre világítana az össze többi is, amelyikekkel össze van kötve, így "nem folynak össze" a számok… Na mindegy, biztos érted Ha a 3volt megvan hozzá, ez direktben kapcsolgatja a szegmenseket, azt kész, nincs túlbonyolítva, azért néz ki ilyen hülyén.Egyébként igen, kapcsolók helyett REED csöveket is lehet használni, ami talán jobb is, mert nem fog oxidálódni az érintkező, meg nem lesz mechanikai kopás a mikrokapcsolók toldószárainál - magyarul üzembiztosabb. (a "Nyitott témáim" fülnél tudod szerkesztgetni)
az a lényeg hogy nincs túlbonyolítva a túlbonyolítást nem nagyon szeretem
szóval nagyon kössz , ez a kapcsolás úgy lesz hogy ameddig nyomom a gombot a távirányítón addig tartja a relét behúzva és startol?hány voltos mikrokapcsolókat és miylen diódát vegyek?
Az attól függ, hogy milyen a vezérlésed!
1., ha csak impulzusszerű, akkor meg kell oldani a gyújtásnál, hogy a relé behúzva maradjon (egyszerű elektronika) 2., ha kapcsol a kimenete, akkor óvatosan kell indítózni
hát sajna nem tudom milyen a jel,remélem impulzusszerű az indító szempontjából az lenne a jó, honnan lehet azt megnézni hogy milyen a jel ?
Szerintem általában egy impulzust ad minden távvezérlő!
Legalábbis sokkal életszerűbb, mint a kapcsolós…
okés, thx mindent most megyek hétvégén nekifogok a projektnek
Thx Peti Idézet: „Kuplungal mi lessz? Mert -15 foknál a váltó olaj elég kemény.” Bizony, elég nagy gond ez Régen S100-unk volt, -10 °C alatt ki tudott állni az udvarról üresben, akkora volt a veszteség a váltóban. Nyomni kellene a kuplungot, de az itt valószínűleg kimarad, ezért fékezni kell. Lábbal ugye nem lehet, mert nem ül benne a gazda, marad a kézifék, amit én az első befagyás után soha többé nem használtam a vason...A váltórúd (kulissza és váltó között) egyébként nagyon jól megközelíthető, én egyetlen kapcsolót tennék rá, a rudat finoman megfúrnám / süllyeszteném, és üresben abba ülne bele a kapcsoló pöcke (sok bontott váltóban eleve van üresállás-kapcsoló, jó is lenne ide). Akármelyik fokozatban hagyod, a rudat tolod el a kapcsoló alatt, válogatáskor pedig forgatod - csak üresben lesz a süllyesztékben a pöcök. Még egy dolog, extrém ugyan, de a közlekedés, járműtechnika nem vicc: a kézifék ennél a kocsinál trapézkaros, ha az egyik kötél mondjuk pont éjjel dönt úgy, hogy feladja és elszakad, a másik meg fog lazulni a féloldalra billent trapéz miatt. Elvileg ilyen soha nem történik, de mi van, ha mégis... duCiel: nem gondolkodtál még azon, hogy inkább egy szívócső-előmelegítőt kellene beapplikálni a motor kis vízkörébe, valami pici szivattyúval? Azzal is lehet (szoktak is) motort előmelegíteni.
szívócső előmelegítése nem hangzik rosszul de nincs rá ötletem hogyan lehetne megoldani
Nem a szívócsövet kell melegíteni (bár azt is lehet), hanem a vizet. A hűtőrendszer két körből áll: a termosztát nyitása előtt szinte csak a motorban kering a víz, nyitás után kerül át a hangsúly a hűtőre. A nyitás előtt aktív, ún. kis kört megbontva, be lehet építeni egy fűtőbetétet és egy pici szivattyút, és pont nemrég láttam olyat, aki fűtőelemként egy szívócső-előmelegítőt "dobozolt be", majd akváriumi keringtetőre hasonlító szivattyúval együtt beiktatta a kis körbe.
…amit az eredeti ötletnél maradva távirányítóval kapcsol be
Sokkal egyszerűbb, mint magát a motort járatni, csak kérdés, hogy mennyi idő alatt milyen szinten melegítené fel a motort (szivargyújtóról üremeltethető kávéfőzőt kéne keresni) Szerintem keringetni egy ablakmosó szivattyú is elég lenne, 12V, meg miegymás. Akkor nem kapok pontot? |
Bejelentkezés
Hirdetés |









(szivargyújtóról üremeltethető kávéfőzőt kéne keresni) Szerintem keringetni egy ablakmosó szivattyú is elég lenne, 12V, meg miegymás. Akkor nem kapok pontot?
