Fórum témák
» Több friss téma |
Sziasztok!
Bocs hogy egy újjabb riasztos topikot nyitok, de kitaláltam valamit, és az nemhinném, hogy illik a többi témába. Tehát a kérdés: Hogyan vagy milyen áramkörrel lehet a TSOP1736 működését "megfordítani"? Azaz ha nem kap jelet akkor kapcsoljon?
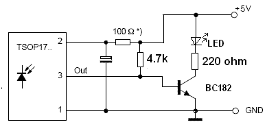
Az infravevő kimenetére egy invertert kell kötni, amit mondjuk egy tranzisztorból lehet készíteni. Valahogy így, mint a mellékletben
és hogy lehet a szaggatást kiküszöbölni?
Ez lesz az adó
ha a gnd és az out közé berakok egy 1µF-os kondit?
Szerintem igen, de próbáld ki..
ok, ma kipróbálom... thx a segítséget, ha műxik tied a pont!
a szaggatást kiküszöböli a tsop1736, nézd csak meg az adatlapján a grafikonokat!
az az 1uFes kondi egyébként sztem nagy lenne, de mind1, mert úgy sem kell
Hát ez mondjuk atttó függ, hogy mivel hajtja meg, Ha egy sima 36KHz-es jellel, akkor tényleg nem kéne szaggatnia... De ha valamilyen TV távirányítóval, akkor azzal villog...
ja, de írta, hoyg milyen adóval lesz meghajtva, azzal nem fog villogni (elméletileg)
ha tényleg nem fog szaggatni akkor minden oké!
megépítettem az adót, de nem jó
esetleg nyáktervet tudna valaki adni hozzá? mert próbapanelen ki tudja mi lehet a baja, bár átnéztem... a mobil kamerája látja a fényt, de a tsop1736 nem érzékeli. műszerem meg nincs hogy rámérjek. plíz nyáktervet!
küldtem levelet az oldal tulajdonosának, majd válaszol elvileg.
Szerintem tegyél az 1nF-os kondi helyére mondjuk egy 10µF-os kondit, az Infra led helyére egy normál LED-et. Kapcsold be, és ha elkezd villogni akkor biztos hogy egyáltalán működik az áramkör.
Frekvenciamérőd nincs? Azzal könnyen ki lehetne deríteni hogy hol jár az oszcillátor....
ehhh..: csinálj egy pices freki mérőt, nem bonyi, én is így lőttem be az enyémet 38kHz-ra... 16f628 simán jó.
rajzoltam nyákot. most rakom össze. remélem működni fog, ha nem kipróbálom amit írtatok. még valami: 4,7K-s trimmer poti van benne az 5k-s helyett. remélem nem baj.
kész. nem működik. gondoltam elcsesztem a poti bekötését beraktam helyette egy 1k-s ellenállást, meg ledet raktam bele. semmi, a led folyamatosan világít. 4,7k-s ellenállásra cseréltem az 1k-st. ígyis semmi. most a kkor mi van?
kicsrélted nagyobbra a kondit? (10uF)...
aha
Próbáld meg ezt az oldalt:
[link=http://ourworld.compuserve.com/homepages/Bill_Bowden/555.htm]http://ourworld.compuserve.com/homepages/Bill_Bowden/555.htm[/link] Van 555-ös IC-re példa. A 3. ábrát építsd meg, (az Astable oscillator alattit) Ennek működnie kell! [pic]http://ourworld.compuserve.com/homepages/Bill_Bowden/555exp.gif[/pic] Az oldal tetején van egy 555ös kalkulátor, játszottam egy kicsit vele: R1=1.8 kohm R2=19 kohm =18k+1k C=0.001µF =1nF T1=0.014 ms T2=0.013 ms (majdnem 50%-os kitöltési tényező) Frekvencia: 36.18 kHz <-ennek már jónak kéne lennie a tsop1736-nak nem lehet, hogy kiszűri???A led nem villan fel (vagy alszik el, nemtom hoyg kötötted be)egy pillanatra sem mikor bekapcsolod a 555ös áramkört?
műxxik, csak nem bírja ilyen sokáig a tsop. megvan a 36khz környéke, csak ha 10mp-ig rajtatartom a tsop-n akkor már nem érzékeli. lehet kéne erre építeni még egy egyledes villogót, és led helyett ennek adná az impulzust?
mi lehet a megoldás hogy a tsop tovább vegye a jelet?
holnap kirpóbálom hogy a 36khz-es áramkörre rákötök egy 5hz-es áramkört. tehát lesz egy villogó villogóm
remélem működni fog... ha nem: :boxer::gun::guluszem1::violent::ijedt:
még valami: mekkora kondival és hogyan puffereljek a vevőnél? vagy 0,2sec alatti kapcsolgatásnál nem érdekes? (azért 0,2sec alatti mert 5,2-5,6hz-es lesz az első része)
Nemtudom. Próbálkozz vele!
Pár µF ... Nagyon 10-20 fölé ne menj mert lehet hogy nem bírja a TSOP kisütni, és elszáll benne a tranyó
nemjó. megcsináltam 2hz-el meg 5hz-el de egyik se jó. a 2hz-esre egy ledet kötöttem de nem villog. azért fél mp-et csak látnék nem?
Sziasztok!
Szeretnék egy egyszerű riasztót készíteni az ajtóhoz, olyat, hogy mikor kinyílik, vagyis megszakad a két érintkező között az áram, akkor adatot küldjön a számítógépnek COM porton keresztül, egy jelt, amire a számítógép, az általam megadott feladatot hajtja végre (a számítógép beállítását már meg tudom csinálni WinLIRC-cel). Vagyis két fém érintkezőt szeretnék, aminek a végén egy COM portos csatlakozó van, és azt a számítógépbe tudom kötni. Ha a két fém nem érintkezik egymással, akkor küld egy jelt a pc-nek a riasztó (a számítógépet majd beállítom hangjelzésre, értesítő üzenet küldésére, stb.) Erre kéne nekem egy kapcsolási rajz, vagy 2, ha csak úgy lehet összehozni. Köszönöm a segítséget előre! |
Bejelentkezés
Hirdetés |





esetleg nyáktervet tudna valaki adni hozzá? mert próbapanelen ki tudja mi lehet a baja, bár átnéztem... a mobil kamerája látja a fényt, de a tsop1736 nem érzékeli. műszerem meg nincs hogy rámérjek. plíz nyáktervet!
