Fórum témák
» Több friss téma |
Fórum » RTC óra Nixie csövekkel
Na még egy kérdésem volna..
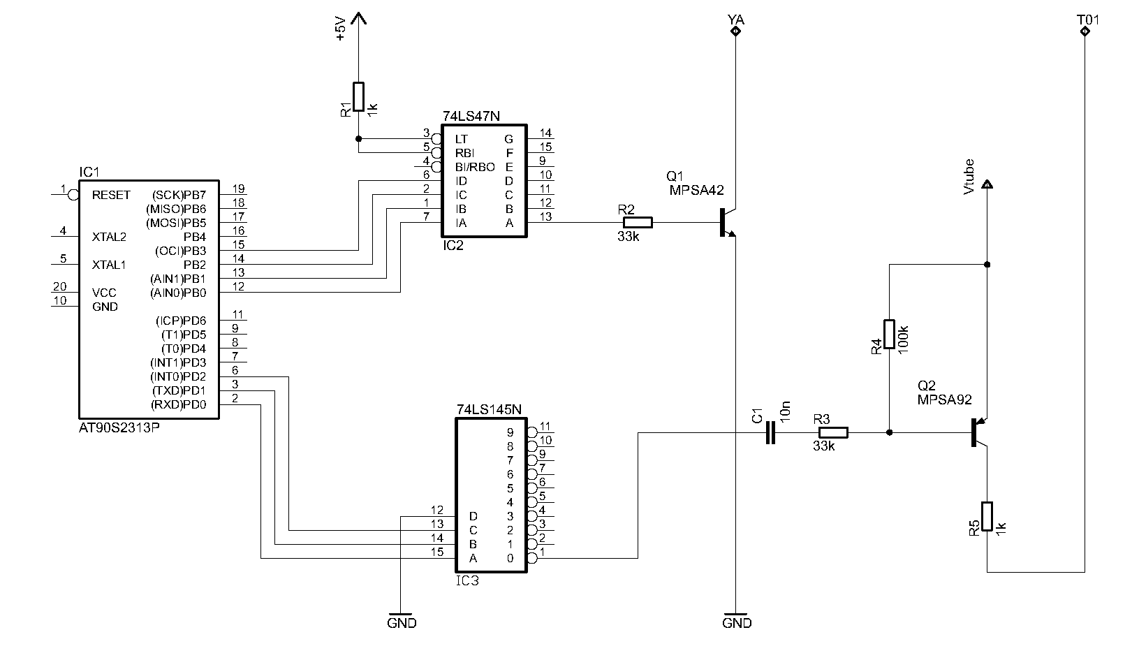
Ezel a kapcsolással szerinted meg lehet hajtani statikusan is? Nem igazán akarok multiplexelni.Inkább a soros adat-párhuzamos adat-kapcsoló fok- direkt katód ill.timer-nagyfesz-dimmer-direkt anód bekötésre gondoltam és ezt csak statikusan kapcsolgatni illetve a Timer/nagyfesz részen lévő osztót kicsit átalakítva dimmerelni a váltásokat. (szerintem az annyira jól néz ki)Szóval igazából nem tudom hogy nem vágnak e nixie-k oda a tápnak statikus kapcsolt állapotban?Vagy amit még valahol olvastam gyújtófeszültség nem ugyanaz mint a tartófesz.Ezért statikus módban illik leszabályozni?Ezt még irjátok meg légyszi aztán nekilátok.
Elméletileg a táp igy ahogy van, 10mA-ig jól teljesit, a csöveknek általában 1mA > max 5mA-re van szükségük.
Sok, a tiedhez hasonló kapcsolást találhatsz a neten, amelyek ugyanezzel, vagy hasonló táppal működnek. A gyújtófesz (általában 140-170V, de lehet ennél nagyobb is) mindig magasabb a tartófesznél (általában 100-130V). Nem tudok olyanról, hogy valaki "leszabályozná". Nálam állandóan 180V-ról jár (kicsit emeltem a feszen a multiplexelés miatt, 200V-ig birja). Itt van még egy táp
Én az élettartamra gondolván ....(az unokáim
is látni fogják(pfhu és akkor már mennyit fog érni)) Meg arra hogy szeretnék dimmer-t bele.Tehát két másodperc közötti váltást elhalványul-felerősődik. Csak még azt nem tudom hogy a végén az osztónál nyúljak bele vagy a frekvenciát piszkáljam. De gondolom a frekvencia arányos a tekercsel és a kondival ezért az nem tudom befolyásolni..Javíts ki ha tévednék.
Be kell tartani a cső leirásában szereplő értékeket, valamint újabb tipusú csöveket érdemes vásárolni, ami már tartalmaz némi higanyt (a számok körvonalánál enyhén kékes fény látható).
Ezek a tipusú csövek jóval tovább birják. A csövek élettartamát, nagyban befolyásolja az áramerősség. Minél kevesebbet adsz neki, annál tovább fog működni. A multiplexelés is segit az élettartamon, szerintem (bár ez eléggé vitatott). Kb. 30-40 évig lehet rájuk számitani, ha kiméletesen bánsz velük. Én is, biztos ami biztos alapon, még tartok egy pár hasonló csövet a fiókban .
Moderálva...
Ha leírod mégegyszer magyarul a kérdésedet, ékezetesen, összeszedetten, és nem az e-mail címedre kéred az információkat, akkor nagyon valószínű, hogy az új szöveg már egyáltalán nem lesz törölve. Norberto
Sziasztok szeretném megkérdezni hogy valaki tudna-e nekem ilyen NIXIE csoveket beszerezni vagy valami oldalat mondani amin kersztül rendelhetnék ha igen okvetlen irjatok a forumra nagyon megköszonném
de nem licitre szeretmék
digitron Z573M hanem megvásarolni MINIMUM 8 db ha tudtok irjatok en is kerestem de nem sikerult talalnom IRJATOK KÖSSZ
Az első linken található helyen nem kell licitálni, csak megrendeled és kész a csövek árlista / speciális csövek között van Z573M.....
Vaterán keresőbe beirod:nixie vagy...
NIXIE CSövek Rendes a srác kérhetsz 8 darabot is ha a tipus nem felel meg még mindig ott a Russian nixie tubes.. meg van még a :elektroncso.hu "google a te barátod"
Hogyan lehet nagyon pontos RTC-t csinálni?
Találtam egy integrált osc-os ricoh ic-t a chipcadnél, ami egy hónap alatt~15mp. Ennél lehet jobbat?
Nálam ahogy észrevettem, 2 naponta 1 mp. az eltérés a pontos időtől (nem integrált osc.). Ez 15mp. havonta, mint nálad.
Szerintem a legpontosabb, ha sűrűn szinkronizálsz egy atomórával (GPS, TimeServer, DCF77). Megoldások vannak, csak az annyagiak szabhatnak határt.
Én a Ricoh RS5C372 RTC ic-jét használom, ebben (és általában a többi Ricoh gyártmányúban is) korrigálhaó az oszcillátor névleges értéktől való eltérése. Ez azt jelenti, hogy megméred egy frekvenciamérővel az oszcillátor frekvenciáját, és az adatlanak megfelelően kiszámolt értéket beírod a regiszterbe, így másodpercenként vagy valahogy így mindig egy kicsit korrigálja a számlálói értékét, és pontos marad. Én ugyan nem mértem, de kb fél éve állítottam be, és a windows internetes idejétől (most frissítettem) nincs egy perc sem az eltérése (régebben is ahhoz állítottam).
Elkészült a saját magamnak szánt nixie órám.
A részletek itt.
Nekem nagyon tetszik.
Sok munka lehet benne. Gratulálok!
Sziasztok!
Elkészültem a legújabb nixie órámmal. Most már a dobozolás is nagyon profi lett, köszönhetően CIROKL kollégának! Részletek itt.
Pár hete hozzájutottam 4db ZM1000 nixie csőhöz. Kiváncsiságból megnéztem az adatlapját, és közben találtam a neten is ezekből készült órákat. Nagyon megtetszett az ötlet, és én is elkészítettem a sajátomat.
Nagyon szép az órád, én is akarok készíteni egyet, milyen kapcsolász alkalmaztál? AVR, PIC?
Köszi szépen. Ebben az órában semmilyen kontroller nincs, mivel hogy sajnos nem vagyok járatos a programozásban (főleg RF-fel foglalkozom). Így maradt a hagyományos kapcsolástechnika IC-k-kel tranzisztorokkal. Azonkívül hogy jár, és nagyon jó hangulatot ad a szobában, még annyit tud, hogy éjszaka, és munkaidőben nem jelzi az időt (kapcsolható). Ez a csövek élettartamára és az energiafelhasználásra jótékony hatással van. Hálózatkimaradás esetén is jár, ilyenkor átkapcsol elemesre. Az időalapot külső kis fogyasztású 32.768kHz oszcillátor adja.
Sziasztok!
Sikerült hozzájutnom néhány iv-6 csőhöz (adatlap mellékelve). Felbuzdulva az itt olvasottakon úgy döntöttem, hogy megpróbálkozom én is egy óra építésével. Ötletek után kutatva rátaláltam erre: Bővebben: Link. Ha nem menne mellékelve a kapcsolás clock.pdf néven. Ez nagyon szimpatikusnak tünik, csak az a gondom vele, h. néhány módosításra van szükség a csövek eltérősége miatt. Az én csöveim ugyanis 7 szegmenses kijelzők. A terv.png tartalmazza az általam kitalált módosításokat. Szerintetek ez így jó lehet? Vagy teljesen rossz az elgondolás? Ha nem jó, de lehet vele kezdeni valamit, akkor mit kellene módosítanom? Esetleg alternatív megoldás? Kezdésnek a linken szereplő programot szeretném módosítás nélkül használni. Köszönöm a választ!
Nem csak az a kulonbseg hogy 7 szegmenses a cso. Nem NIXI, VFD.
Alabbi lonken targyaltunk VFD orarol. (Ennek is lehetne egy kulon Topicja, de nincs. A VFD topicba talan erdemesebb irni errol.)Bővebben: Link
Köszönöm a tippet, tényleg sok az infó ebben a topicban. Megpróbálok ezek ismeretében egy új rajzot készíteni, majd ott felrakom.
Remélem lesz időd segíteni majd ott is! Köszönöm!
Valakinek AVR-re RTC-vel vagy a nélkül NIXIE csővel PASCALOS progija?
Üdv mindenkinek!
Szeretném avatott Nixie órás pic programozó segítségét kérni. Szóval egy egydigites Nixie órát készítek a következő oldal alapján. http://bruno.netstrefa.com.pl/radio/projekt/singlenixie/ Tulajdonképpen készen van az óra nyákja, és be is van már építve, csak a pic hiányzik. Az oldalon fent van a vezérlő pic (16F84) forráskódja és égethető file-ja, de van egy kis problémám vele. Ad 1: sose tanultam programozni, így nem tudom értelmezni a memória címeket meg hasonlókat. Ad2: Szegeden kaptam elérhető közelségben pic-et és nem is 16F84-et , hanem 16F628-at, amit helyettesítésre ajánlottak. Szóval a kérdésem az lenne, hogy át tudná-e valaki írni a 4 MHz-es kristályú változat forráskódját 628-ra? Illetve ha van szabad időd/kapacitása beégetné-e nekem a picbe, ha elpostázom?
Hali mindenki.
Szeretnék segítséget kérni PCF8563 kezelésére asm nyelven pic-re. Nekem az a baj, hogy ha indításkor rögtön beállítom a dátumot és időt, akkor jol lehet kiolvasni belőle, de ha várok kb 1 Sec-et akkor zagyvaság lesz benne minden. Valamint ha egy alapot beállítottam, akkor kiolvasva jó, persze ha rögtön be volt állítva az induás után, de újrabeállítani nem tudom, mert megint zagyvaság lesz benne. Én 16f628 ba használnám, úgy hogy egy 3V litium elem lenne az RTC becKup-ja. Persze onnan se megy jól. Köszi minden segítséget!
Szia!
Megoldodott a próblémád? A regiszerterületet kell átírnod!
Sziasztok.Eléggé láma vagyok még de nagyon érdekel a nixi dolog.Ezért lehet hogy most hülyeséget kérdezek. Tehát ha RTC-t használok akkor nem kell PIC ugye?Mert szeretnék egyet építeni de nem tudok programozni de ezek szerint akkor nemis kell.Vagy baromságot mondtam?
Szia! Nagyon jól néz ki az órád, nekem is van ilyen csövem 6db. Azt szeretném kérdezni, hogy a csövek alávilágítását hogy oldottad meg? Honnan világítod meg a csöveket? Az elemről való működést hogy oldottad meg? Az órát hogyan állítod be? Felpörgeted az órajelet? Én is gondolkozom egy ilyen óra megépítésén, rendeltem hozzá a maximtól DS32kHz oszcillátort. Az órád kapcsolási rajzát fel tudnád tenni?
Sziasztok! Az lenne a kérdésem, hogy szeretnék egy nixie csövet használni, csak szám kijelzésre, amit kapcsolóval tudnék váltogatni.Elég lenne egy cső is mivel csak 1-6-ig szeretném használni a számokat.Tudtok ebben nekem segíteni? Valami egyszerű kapcsolás kellene IN-12-re.
Előre is köszönöm. |
Bejelentkezés
Hirdetés |




.








